Fórum témák
» Több friss téma |
Fórum » Központi fűtés (vezérlés)
Témaindító: farago_bme, idő: Aug 29, 2010
Témakörök:
Van a kazánnak ehhez megfelelő kimenete. Még átprogramozni se kell hozá, csak bele kell kötni.
A 25-ös a bus csatlakozója.
A 7-es, vagy a 29-es (átprogramozva) alkalmas erre.
Teljes mértékben igazad van. A tájékoztató pedig félrevezeti a felhasználót, mert amit ott becímeznek az nembiztos, hogy mindenkinek kézenfekvő. A fázis nulla (L és N) csatlakozási lehetőségek mutatnak rá, hogy talán azok alkalmasak a kimenetek felhasználására. Végül is a 29-es kapcsok ST25 felirattal később tesznek említést a cirkulációs szivattyú bekötéséről. Furcsállottam is, hogy a szabályzó részre adják meg egy szivattyú csatlakozási pontjait. (tehát a 7-es a 29-es ami az ST25-ös)
A hozzászólás módosítva: Márc 11, 2019
Felre ne erts, de ha nem tudsz bekotni egy ennyire egyszeru kapcsolast (bakman nagyon frappansan oldotta meg, gratula) akkor mit fogsz kezdeni egy zonavezerlovel? Annyi bekotesi pontja van mint egen a csillag ehhez kepest.
Sziasztok!
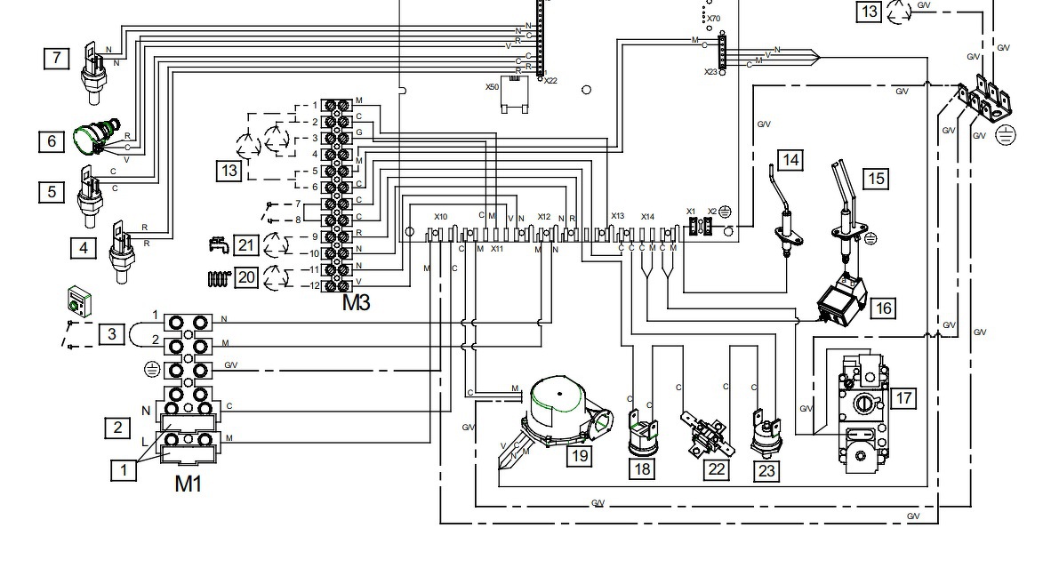
Olvasgattam a fórumot, hasonló kérdésem lenne nekem is mint az előttem kérdezőnek. Csatolok képeket is nektek. Van egy Westen kombi kondenzációs kazán és egy Q3RF termosztátom + van egy 230V tekercsű kontaktorom is záró érintkezővel. Azt szeretném, hogy a termosztát amikor kapcsol, akkor indítsa a kazánt + a keringetőt is. A kazán leírásában (linkelem is) látszik, hogy M3 sorkapocs 11-12. pontra kell kötni a külső szivattyút és megemlíti, hogy relé közbeiktatása szükséges. A kérdésem az lenne, hogy szerintetek ha a relének a tekercseit kötöm oda a 11-12. pontba akkor behúz a tekercs és tudom indítani róla a szivattyút? Úgy próbáltam először, hogy a termosztát L - 1 pontot rövidre zártam és a 2-es kimenetet kötöm a tekercsre, így húz is a tekercs, csak így meg a kazán nem indul, mert a termosztát ugye nincs bekötve a kazánba.
Itt: Bővebben: Link.
Üdv!
Köszönöm a rajzot! Ezt fogom használni. Az egyetlen kérdésem az lenne, hogy mi a különbség a rajzod általi kötés és a kazán kötési pontja közt? Arra gondolok, hogy miért csinálnak a kazánon kialakított pontot külső szivattyúnak, ha ahhoz is kell használni relét, tehát olcsóbban nem jön ki úgy se az ember. Csak egy extra lehetőség?
Erre konkrétan nem tudok válaszolni. Ha van a kazánon kialakítva ilyen, ha nincs, mi mindig külső relét használunk. Egy esetleges masszív zárlat esetén a külső relé egy-két ezer forintos tétel, a kazánban lévő vezérlő javítása* általában kicsit több.
Javítás alatt a komplett vezérlő cserét kell érteni (50 - 70 eFt), a készülékek "szakértői" akkor is vezérlőt cserélnek, ha teljesen más a hiba. Tisztelet a kivételnek.
Értem!
Köszi szépen a segítséget. Még annyit azért kérdeznék, ha már itt tartunk, hogy én moduláris kontaktort vettem kb 6500 ft, de láttam van az a fajta is ami korábban már linkelve volt, finder vagy egyéb márka, egy sima "keret" vagy tok nem tudom minek nevezzem, és abba lehet bele pattintani egy relét ami lábas kivitel. Az a legolcsóbb, ha azt alkalmazom?
Igen, nem kell túl drágát venni, felesleges. A Finder, mint relé márkanév, nagyon is jónak számít.
A "keret" pl. egy ilyen lehet. 4modulos Ebbe volna tartalék hely is, ilyenre gondoltál?
Relé talán egy ilyen: modulális kapcsoló habár ez túlzás, ide egy kb 6A terhelhetőségű is megfelelhet. Pl. Finder vagy Omron gyártmány. foglalattal: relé
a "keret" alatt nem ilyenre gondoltam, hanem amit másodjára linkeltél relé annak a foglalatára gondoltam csak rossz kifejezést használtam
Nem rakok fel ekkora dobozt, csak egy IP67 falon kívüli dobozba van megkötve jelenleg a moduláris kontaktor van benne, csak nincs sínre pattintva. A finder külön álló relé + foglalat kombinációt nem használtam még, de legközelebb olyat fogok majd ![]() köszi mindenkinek a segítséget!
Szia
A segítségeteket szeretném kérni. A rajzom tudom kezdetleges. A cél a puffer bekötése a rendszerbe. http://www.kepfeltoltes.eu/view.php?filename=789Kaz_nAUT_sch.png http://www.kepfeltoltes.eu/view.php?filename=4061560446463376362238507.jpg Szerinted hogyan tudnám megvalósítani? Segítségeteket előre is köszönöm
Az indirekt mar benne van a korbe (hmv?), es +pufit is szeretnel a futeshez?
A hozzászólás módosítva: Jún 14, 2019
Az indirekt már benne van. A puffer pedig letakarva az udvaron
Ez általában úgy megy, hogy a szerelő beköti a rendszerbe a puffert, szelepekkel, visszacsapókkal, szivattyúkkal és minden jóval ami kell, majd elmondja, melyik elektromos eszköznek mikor és hogyan kell működnie ahhoz, hogy jó legyen.
Egy puffert is több módszerrel lehet bekötni a fűtésrendszerbe, igazodva a helyi viszonyokhoz.
Sajnos nálam ez nem működik.
Több okból kifolyólag. Azért jöttem és kértem a segítségeteket. ![]() Szóval szeretném magam megcsinálni.
Szia!
Indirektet és a puffert is csak vegyeskazánról szeretnéd fűteni, illetve az indirektet még egy elektromos fűtőpatron is melegíti? Mi lenne a priorítás? Hőszolgáltatónál dolgoztam, és ott úgy van megoldva, hogy előbb használati melegvizet gyártja a rendszer, majd fűtésre dolgozik a szabályzás. Én mikrokontrollerrel valósítanám meg a vezérlést. Ha érdekel az elképzelésem, illetve pár megvalósított projektemben a tapasztalatom, akkor bátran tedd fel kérdésedet itt a fórumban.
A vizes részhez szeretném a segítségeteket.
Szia.
A melegvíz részét megoldottam. A fűtés érdekelne. Előbb a lakás. Majd a puffer .Később a pufferből a lakásba. Úgy ,hogy mikor a puffer fűt akkor a kazán ne radiátorként működjön. Tudom ,hogy rengeteg "gyári" megoldás létezik. Nálam 2 szempont él most. 1. Olcsó 2. Akár éjjel is de megcsinálom
Begyújtasz a vegyesbe, 50 foknál a kazánba épített hőkapcsoló indítja a KSZ1 szivattyút, az a VSZ viszacsapókon elkezdi fűteni az indirekt csőkígyót és a puffert. Gondolom az indirekt kisebb, hamarabb melegszik benne a víz, a tartályba bevezetett KSZ. kapilláriscsöves szelep érzékelője igény szerint 40-60 C fokon zárja a szelepet. Ettől a ponttól csak a puffer töltődik, a tetején a T előnye hogy már 50-55 fokos kazán előremenőnél is van fűtés ha igény merül fel erre.
Ha fűtési igény jelentkezik, a szobatermosztát zárja a KSZ2 fűtési szivattyú körét, elindul a fűtés. Amennyiben igény van alacsonyabb, nem a pufi esetleg 70-75 fokos vizével fűtésre akkor ide beépíthető egy ESBE vagy egy bármilyen 3 járatú termosztatikus szelep, a kívánt előremenő vízhőfokra állítva. Ez célszerű alkatrész és manuálisan, ősz-tavasz pl. 50-55 fok, tél 60-65 fok, ez a fűtésrendszeredtől és a ház hőigényétől függ. Ez is automatizálható esetleg. A VSZ visszacsapók megakadályozzák a hogy a pufi és az indirekt egymáson és a kazánon keresztül gravitációsan egymásra dolgozzanak álló rendszer esetén. Elhagyhatók ha megfelelő magasságúra méretezett U alakú kerülőkkel vannak bekötve. Ha igény van a HMV begyújtás utáni előnyére, az is megoldható egyszerűen. Valamint puffernél nagyon fosszú ideig alacsony a visszatérő, ez kátrányosodást, kazánkorróziót okozhat, ha maximalista vagy akkor még kell egy kazánvédő szelep is, ESBE, VTA stb. Erről megoszlanak a vélemények, van ismerősöm akinél nincs ilyen és 7 éve megy a rendszere pufival. Ártani nem árt.
Azta.
Ez számomra is érthető így ![]() Viszont. Ha lehet,lenne még kérésem. Kettő módosítást szeretnék a rajzban. 1. Az indirekt tároló teljesen maradjon ki. 2. Tudom ,hogy butaság,de.... Szóval mi lenne ha az indirektet ugyan benn hagynám,de nem HMV gyártásra . Hanem elektromos kazánnak. Ezt úgy gondoltam: Van benne egy elektromos fűtőszál. Amut nagyobbra cserélnék. Kb7.5 KW-ra. Csak "éjjszakai" áramról menne. Rásegítésként,vésztartalékként. Nagyon szépen köszönöm az eddigieket is.
Nem butaság de erről a módszerről lebeszélnélek. Ha elektromos pótfűtést akarsz akkor átfolyósat javasolok, nem tudom mekkora az indirekt tárolód de a napi hővesztesége készenlétben 2-4 kWh közé tehető. Ezt mindennap kidobod az ablakon ha készenlétben van, felfűtve 60-70 fokra. Ha meg csak akkor kapcsolod be mikor kellene, hosszú idő múlva lesz fűtésed mert a tetejében ki kell alakulni a meleg rétegnek, 50-100 liter vizet minden alkalommal fel kell fűtened.
Egy átfolyós meg indul és máris meleg víz jön ki a végén. Hátránya hogy mivel vezérelt éjszakai árammal menne, nem mindig áll rendelkezésre. Ezt Te döntöd el, vagy átfolyós éjjeli kiegészítő fűtés vagy bármikor rendelkezésre álló indirekt tárolós fűtésrásegítés de ennek a veszteségeivel számolni kell akkor. A 7kW elegendő lehet átmeneti időszakban (nálam vegyes kazán- kondenzációs cirko van és az átmeneti időszakban nem használjuk vegyest mert 25-27 fokot csinál, ilyenkor megy a cirko, gondolom nálad is hasonló a motiváció) de fogalmam sincs az ingatlanod hőtechnikai paramétereiről. Semmi akadálya az elképzelésednek de nem ismerem az erre fordítható anyagi keretedet, nagyon egyszerűen kivitelezhető az átváltás ha leballagsz a gépházba és 2 csapot elzársz-kinyitsz, ha automatizálni-távvezérelni szeretnéd ez értelemszerűen bonyolítja és drágítja. A hozzászólás módosítva: Jún 15, 2019
Az átfolyós azért nem jó (szerintem), mert 250 literes a tartálya. A puffer pedig 1000.
A vezérlésén én is rengeteget gondolkodtam. Sőt van is rá egy komplett rajzom amit egy kedves fórumtárstól kaptam. Végül is ami fontos lenne nekem az a "csöves" rajz. Akár valamiféle elektromos szelepekkel. A cél az olcsóság és a hatékonyság Idézet: Kivitelezvén sok ilyen és ehhez hasonló vezérlést a tapasztalat azt mondatja velem, ez a cél nagyon-nagyon ritkán jön össze, pláne házilag kivitelezve. A kedvencem az, amikor csinálni kellene olyan vezérlést, ami kiküszöböli a csövezések hibáit. Ez (is) egy szakma ahol pl. az sem mindegy, merre és milyen ívben viszik el a csöveket.„A cél az olcsóság és a hatékonyság.” Félreértés ne essék, sok sikert kívánok a dologhoz de a nadrágot kösd fel alaposan. Idézet: Ebben teljesen egyetértek!„A kedvencem az, amikor csinálni kellene olyan vezérlést, ami kiküszöböli a csövezések hibáit. Ez (is) egy szakma ahol pl. az sem mindegy, merre és milyen ívben viszik el a csöveket.” Figyelem a hozzászólásokat, utolsó hozzásólásom óta kiderült, hogy a baj nagyobb, mint gondoltam. Ha hidraulikailag nem megfelelő, nem vezérelhető.
A kollégák nagyon igazat szóltak, természetesen meg lehet csinálni olcsón és hatékonyan de ez nem jellemző.
Mindenesetre egy alap hidraulikai rajzot letákoltam paintba, végletekig lecsupaszítva, az alap az Atmos gyári ajánlása ami jól működik, ezt 3 ismerősömnél is megtapasztaltam. Kiegészítve az általad elgondolt elektromos fűtéssel és 2 darab szeleppel, ezek a kettő közötti váltást hivatottak elvégezni. Amennyiben 3 járatú váltószelepet építesz be akkor abból 1 elég, és 1 állítómű kell, még egyszerűbb. Ésszerűen az a rendszer amelyik többet lesz használva, az működjön alphelyzetbe. A két szelep lehet motoros (ez árban horror) vagy mezei szelep+termodinamikus állítómű. Ennél bele kell kalkulálni a vezérlésbe hogy a nyitó-záró futási ideje 3 perc körüli, cserébe ára negyede-fele egy valódi motoros állítóműnek. Ha ilyen mellett döntesz, ne a 230 voltos hanem a 24 voltost részesítsd előnybe. (tapasztalat hogy a 230 voltosok a fűtőelemnél, ami egy 2 mm vastagságú alkatrész, 6-8 év után átütnek, elviszik a vezérlőelemet is magukkal. 24 voltosnál ilyet 11 év után sem tapasztaltam) Vezérlésileg a végletekig el lehet bonyolítani, pl. ha a pufi is és az indirekt is 35 fok alatt van és a kaánba sincs begyújtva akkor tiltsa le a fűtési szivattyút, amelyikbe van melegvíz arra álljon automatikusan, ups nem árt bár a Laddomat áramszünet esetén gravitációsan is működik de ez szerintem kevés egy megrakott kazánnak, a fűtési szivattyú lehet vezérelhető okos, ha indirektről megy akkor kisebb teljesítménnyel mert hamar kirántja a melegvizet és nem mindig tudja pótolni a 7kW fűtés, stb. Ha nincs igény a radiátorok felé menő víz hőfokának beállítására akkor a fűtési szivattyú előtti keverőszelep is elhagyható, így ha 80 fokon van a pufi vagy a kiegészítő akkor azt küldi a hőleadókba. Ez is igény és ízlés kérdése. A hozzászólás módosítva: Jún 15, 2019
Jujj. (Fültővakarás okosan
)Na és ha ennyit csinálok? http://www.kepfeltoltes.eu/view.php?filename=3221560613834341205913735.jpg Szünetmentes tavaly óta üzemel. 100 Ah A hozzászólás módosítva: Jún 15, 2019
|
Bejelentkezés
Hirdetés |












100 Ah 