Fórum témák
» Több friss téma |
A témában jelölt műszerem egy mérési malőr miatt megnyekkent. Pusztán szakmai presztizsből ill. hobby kiváncsiságból megpróbálnám javítani, mivel a legkényesebb része a panelra épített csip (számláló, kijelzőmeghajtó) ép. Sajnos az Interneten nem találtam kapcsolási rajzot róla. Tud valaki legalább tippet adni, hogy hol keressek?
IC típusa mi? úgy talán lesz valami találat.
Mi volt a malőr? Milyen módban mit kapott? Vannak-e kiöntött fekete soklábú kockák a belsejében?
Nekem van jópár ilyen egyszerű kis sípolós multiméterem, és hát egy-egy elemcserénél egy elektronikus ember meg-meg nézegeti a panelt. És nekem mindegyik ilyen kis műszeremben 7106-as IC van. Nem rendes DIP vagy SSOP tok, hanem kiöntött IC de a nyákon ott van hogy 7106. Szal szerintem neked is az lesz benne!
Köszi a segítőszándékot.
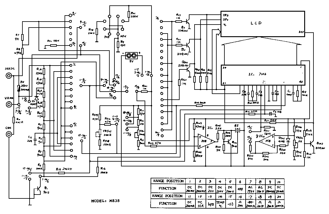
A viszontválaszom nem csak Topi-nak szól, hanem a többieknek is, de gondoltam egyben válaszolok a kérdésekre. Az ák. csak egy panelra ragasztott csipet tartalmaz, amelynek a közelében a következő felirat olvasható: CWI-101 94V0 0998 Ezen kívül még a következő írás van a panelen: MASTECH M92A C.SIDE 250397 A csipen kívül még 3db DIP tokos IC-t tartalmaz a műszer: CD4070BE, TC4011BP (ezekről van adatom) a harmadik 8 lábun a következő számok ill. betük vannak: 062D, JRC, 7066B (erről semmijen adatot nem találtam) Van még 2db tranzisztorkinézetü alkatrész is amelyek tipusa számomra ismeretlen: S9011, F925 a másikon S9013, H927 jelzés olvasható. A malőr nem volt más mint az, hogy a maximális mérési tartománytól nagyobb fesz méréséhez készített előosztó kontakthiba miatt nem működött rendesen.
A 9011, 9013 komplementer pár talán a túlfesz védő.A 8 lábú az kettős műveleti erősítő.
Köszi az anyagot a müv. erősítőről. A tranyók lehet, hogy komplementer pár, de itt biztosan nem így működnek. Az egyik (S9011) a CD4070 egy-egy kapujának egy-egy bemenete közé és egy leosztott tápfesz pontra köt. A másik (S9013) tranyó egyik szélső lába és a középső össze van kötve és egészen más helyen van az áramkörben. Gondolom diódakénkt működhet. Az összekötött lábak közvetlenül a bemeneti COM-ra csatlakoznak.
Egyébként okulásul javaslom mindenkinek, amennyiben a szükség úgy hozza, hogy nagyobb feszt kell mérni mint a max. méréshatár, az előosztót mindenképpen fixen bekötve használjátok, és ne krokicsipeszes csatlakozással.
Átnéztem itt a gépemen a műszereket, itt 1 amiben van diódának (zener) kötött tranyó.
Köszi a rajzot, gyanúsan hasonlít egy-két részletében az enyémhez. Az enyémen 4 csatlakozási pont van (külön van mA-es bemenet) a kijelzőt az IC-n kívül a tiedén még tranyók vezérlik, az enyémen a CD4070 kizáró VAGY. Az enyémben a TC4011 (4db. 2 bementü NAND) egy PIESO zümit hajt meg és kapcsolatban van a 8 lábu IC-vel is. (A nyákot még nem térképeztem fel pontosan) Szóval van különbség, de pl. az enyém is tudot tranyó hFE-t mérni, de már hőmérsékletet nem.
Az eddigi infók is nagy segjtség nekem. Ha nincs több, az agysejtekkel megpróbálom pótolni. Kösz mindenkinek.
Jó későn.
És került hozzá doksi? Nekem is kéne,ha lehetne.
Jó későn, de pont olyan nem, csak hasonló.
Sziasztok szép napot. van nekem egy ilyen műszerem mérésközben meg nyekkent. és kicseréltem a ic-ket kivéve a tc7106cpl-t és bekapcsoláskor csak sípol egy kapcsolási rajzot keresek hozzá vagy mit nézzek meg rajta
Űdv lali .
Túlfeszültséget kapott? Nekem is van ilyen, volt már rossz úgy emlékszem valamelyik tranzisztort cseréltem.
Ha semmi kijelzés, sanszos a 7106. Úgy rémlik, bármi ment benne tönkre, bekapcsolásnál legalább a nullákat mutatja egy darabig, ha az IC jó. Esetleg talán egy CD 40xx névre hallgató 4 kizáró vagy kaput tartalmazó IC ha van benne okozhat "képzavart" de emlékeim szerint akkor sem teljesen sötét. Ha mérni akarsz a 7106 tápját / referencia feszültségét ellenőrizd le, lehet egyszerűen nem kap feszültséget. Ezek rajz nélkül is mennek, és iránymutatónak jók.
Mielőtt nekiállsz nézd meg a két tranzisztort, egyszerűbb kicserélni mint a 7106-ot. Az enyém is túlfeszültségét kapott és a tranzisztor lett rossz.
Szia a két tranyót ki mértem és jók . lcm-3 mal üdv lali alirol rendeltem 7106 os ic-t
Ez egy kicsit nagyobb probléma, de legalább orvosolható. Az enyém most nem áll nullára, de sajnos az IC nem cserélhető.
Szia új íc.t foglalatba rakom ha baj van vele könnyű cserélni
Sajnos az enyémben csak egy pötty van még be se lehet építeni másikat.
|
Bejelentkezés
Hirdetés |





Űdv lali . 





