Fórum témák
» Több friss téma |
- Ez a felület kizárólag, az elektronikában kezdők kérdéseinek van fenntartva és nem elfelejtve, hogy hobbielektronika a fórumunk!
- Ami tehát azt jelenti, hogy a nagymama bevásárlását nem itt beszéljük meg, ill. ez nem üzenőfal! - Kerülendő az olyan kérdés, amit egy másik meglévő (több mint 17000 van), témában kellene kitárgyalni! - És végül büntetés terhe mellett kerülendő az MSN és egyéb szleng, a magyar helyesírás mellőzése, beleértve a mondateleji nagybetűket is!
Előbb még 50 voltos kondenzátorról beszéltél.
Sőt, az még továbbra is az marad...
Idézet: „Akkor 5 V-os kondi nem okozhat problémát” 9 V-on 5 V kondenzátor? Remélem csak elírás ( bár Nálad minden előfordulhat ).
Az 50V-os... Lemaradt egy nulla...
5V-os 9V-os tápban nagyot szól.
Legalább 16V-os legyen.
Nyugi, az 50V-os amit betettem, csupán véletlenül lemaradt egy nulla...
A hozzászólás módosítva: Okt 4, 2019
Helló mindenki! Nemrég kezdtem az elektronikát, mint hobbit, de ezt az alkatrészt nem tudom hogy kell normálisan levágni. Érdekelne ti hogyan oldjátok meg.
A végén egy érintkező tönkre fog menni. Na bumm, ha az a leeső részen marad. A megmaradt véget pedig lereszeled, hogy szép legyen.
A hozzászólás módosítva: Okt 5, 2019
Hello,
Hülye kérdés, de valaki tudja, mitől halnak meg ezek a feszültség-áram-amperóra-kapacitás-stb mérők? Van már 2. Vettem egyet, aztán miután 5V-ra 18V-ot ír ki, jeleztem az eladónak, és küldött még egyet. A másodiknál az történt, hogy rendben működött, majd kitört a forrasztása a csavaros csatlakozónak. Újraforrasztás után már 60V volt az 5V. A csavaros csatlakozó lába direktben egy 0.0005ohm-os söntön van, ami 260 fokot 3mp-ig visel el - de még ha túl is melegítettem, ez okozhatja, hogy teljesen fals feszültséget jelez? Ha nyomott gombbal helyezem táp alá, akkor kiírja, hogy 60V, majd normálisan elindul. Ha valakinek van ötlete, szívesen veszem
Ha pl. 6 lábas kell, akkor a 7. lábat fogóval kihúzod, és az így képződő üres helyen vágsz.
Igen ezt a célt szolgálná a kis dugasztápokban az impulzustekercs primer-secunder közé tett kapacitás. De amíg itt, az angol típusú dugaszokban a nulla helye mindig állandó, mivel általában nem földelt dolgokról van szó, az EU rendszerű dugókban a fázis felé vezethetik a zajt.
Én csak simán átvágom fogóval a +1 nél, ki fog esni a láb!
Valószínű a kici-kynai beépítette az összes selejtet, ami a szalagról lekerült... Ezért robbannak szét a hegesztő inverterek is, azután, ha egy rendes FET/IGBT sort rakok bele évekig elmennek. De ez igaz, szinte mindenre.
Ezt én is tudom, de hogy egy csati visszarakása után hülyeséget mérjen, az nekem erős... A kérdés inkább az, hogy valakinek van-e valami ötlete a megoldásra
A hozzászólás módosítva: Okt 6, 2019
Sziasztok ismét a jeladóm témakörében kérdeznék. Elkészítettem egy próbapanelt és tökéletesen működik 48 MHz s kristály 144.012 en. 2 másodpercenként pulzálva. Viszont a hatóköre csak 40 méter a fogyasztása nagyon kicsi. Mit kellene változtassak hogy növeni tudjam a hatókört a fogyasztás rovására köszönöm
Sziasztok,
PT100-as érzékelővel szeretnék hőmérsékletet mérni kérdésem, hogy 4 eres árnékolt kábellel mennyi lehet a max távolság, amit még biztosan tudni fogok mérni 4 vezetékes méréssel?
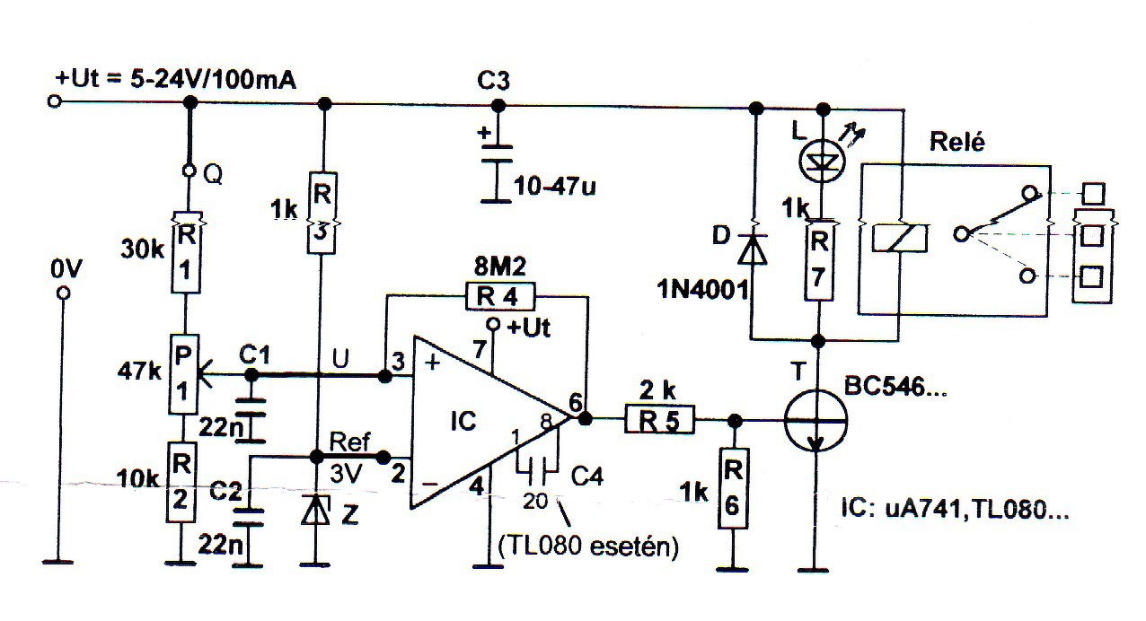
Értem. Az alábbi kapcsolást egy stab IC-vel táplálok mondjuk 5V-al a relé szintén 5V-os. A relére értelem szerüen rákapcsolom a fogyasztót másik pólusára a műterhelést, a "bemenetére" pedig egy mérőellenállást gondoltam ami fél ohm körüli. Ezt az ellenállást hogyan tudnám a R1-P1-R2 helyére beilleszteni, hogy a kapcsolás működjön? Tudom, hogy sokmindentől függ az egész de én csak arra vagyok kiváncsi, hogy melyik ellenállásokkal milyen paramétert tudok módosítani.
Ha pl 0.5ohm a mérőellenállás akkor 1A körül kellene ki és bekapcsolnia. Tehát 0.4V-ra ki és 0.6V-ra be. Ezt a 0.2V-os hiszterézist mivel tudnám belőni, illetve ezzel az elgondolással működni fog?
Üdv! A PT100-as 100 ohmos. Akkor 1% hibával mérhetsz, ha a vezeték ellenállása 1 ohm.
Netes írások szerint 30 - 50 m nem lehet probléma, lévén a négyvezetékes mérésnél a mérőeszköz kompenzálja a hozzávezetések ellenállásást. Egy feltételről lehet itt-ott olvasni, az pedig a kábel jó árnyékolása.
Hello! Egy gyári jelváltónál, meg van adva a maximális vezeték ellenállás. Ha pedig Te készíted a jelváltót, akkor tőled, a maximális bemenőfeszültség tartományától és a tápfeszültség értékétől függ, hogy mekkora lehet a vonalellenállás. De általánosságban 20..100Ohm között szokott lenni.
Ez nem egészen így működik. Nem használhatod a mellékelt Ic-ket, mert azok bementi feszültsége nem közelítheti meg a negatív tápot csak maximum 1V-ra. Tehát pld. LM358-at kell használni.
A Referencia feszültséget az R3-on kel beállítani. Nulla bementi áram esetén az R2-vel az R3-on 600mV-ot állítasz be. Aztán a a bementi áram meghaladta a komparálási szintet (bebillent a relé) akkor az R4 értékével az R3-on a 400mV-ot. Tekintve hogy itt nem szükséges túl pontos áramokat beállítani, a refrencia a tápból van leosztva. Az R1 és C1 szűrése, azt az időt hidalja át, míg a táp a SteUp-ról átvált a műterhelésre. (Ez kb 5..20ms. lesz)
Sziasztok! Az alábbi egységet sikerült fordított táppal bekötni, a kérdés az lenne, hogy lehetséges a javítása? Konkrétabban "csak táp egység rész sérült"? A látott alkatrészek alapján, Talán, a kondi vagy a tranzisztor, megvédte a többi egységet?
Szia
A C340 kondi biztosan rossz mert látszik hogy fel lett fújódva és ki is folyt.
Igen. Azt én is néztem, szerintem, de csak szerintem. az már régebben is olyan volt.
3 as képen látszik, hogy a pozitív kábelon kapott negatív táp, megszakította az áramkört a nyákon.
A hozzászólás módosítva: Okt 8, 2019
A rádiókban a fordított és nagyobb tápfeszültség ellen vagy egy jó masszív fordított dióda, vagy egy szupresszor dióda adja a védelmet egy biztosítékkal együtt. A dióda (vagy a szupresszor dióda) a táp bemeneti kapcsaira párhuzamosan kötve szokott lenni. Fordított táp esetén a diódán (vagy nagyobb tápfeszültség esetén a szupresszor diódán) nagy áram folyik addig, amíg a biztosíték ki nem olvad. Meg kellene nézni a panelt alaposan, hogy van-e ilyesmi benne. Biztosíték nélkül, vagy nagyobb biztosíték esetén a fordított táp ilyenkor akár zárlatba is viheti a diódát. Ezt kellene körüljárni.
Ha nem raktak bele ilyen (a rádió értékéhez képest filléres) védelmet, akkor a fordított táp akármilyen súlyos károkat is okozhatott, amit már nem lehet egyszerű eszközökkel megkeresni, illetve javítani.
Dióda nincs.... Tranzisztor van a táp + ágán. Biztosíték van.
Smd alkatrész is lehet? Szupresszor diódára gondoltam.
A fordított polaritás ellen védő dióda benne van, a fotódon jelöltem egy sárga négyzettel.
(A szakadt vezetősáv is oda csatlakozik, ha a forrasztási oldalon megnézed.)) Mérd meg, ha zárlatos cseréld.Ha a szakadt trace-t, vezetősávot pótolod/javítod, van esély hogy elindul. Bizti legyen a + ágban,és először labortápról próbáld, aktív áramkorláttal. (Kezdd mondjuk 200mA-rel, innen mehetsz felfelé) Hasonlóan épülnek fel a korabeli amatőr rádiók is, ezeket sikerrel javítottam ilyen szakszerűtlen bekötések okozta hibák után. |
Bejelentkezés
Hirdetés |





Legalább 16V-os legyen.















