Fórum témák
» Több friss téma |
12V GND -12V on
A + oldalon 260mA megy be A - oldalon meg 130mA megy be Az Ic meg 4-6 másodperc alatt forrora melegszik
Ez nem indokol még magas áramfelvételt, de szokatlanul alacsony érték. A lábak közötti kapcsolat tisztán - puffer nélkül - diódának megfelelő szokott lenni.
Az áramfelvétel 60 mA körül szokott lenni. Gyanús, hogy kapott az IC.
Sajnos érzékeny a huzalozásra. Üzembiztos erősítőhöz NYÁK-ra lesz szükséged.
Van még eggy vadonat uj IC-m , ha beteszem a laprajzot ki tudnád neked satirozni azt amit nem kell beszereljek ?
Az elöbbi egyszerüsítéseket s majd meglássuk ha halott volt e az IC vagy én gányoltam rosszul
Miért nem használod helyette reloop jól bevált tervét? Például ezt.
Szabadítsd fel a beforrasztott IC 13, 14, 15 lábait és vesd össze a multiméter diódavizsgálójának segítségével az újjal. A mérőcsúcsokat felcserélve is tedd rá a lábpárokra. Ha nincs nagy eltérés, csak akkor érdemes a régivel a további kísérleteket folytatnod.
Ha a jó IC-vel szeretnél próbát tenni a próbanyákon, akkor kövesd az általam jegyzett Egyszerű terv huzalvezetését, a lehető legrövidebb drótokkal. Ügyelj, a pozitív és a negatív táp egyszerre induljon, mert a féloldali táplálás - eddig pontosan nem tisztázott okból - nyírja az IC-t.
Úgydöntöttem hogy inkább elkészítem a te rajzod szerint az erősítőt , nem kínlodom ezzel , a tied sokkal egyszerübb
Köszi , megprobálom evel a drótos tóth megoldással a simát ha beválik akkor jöhet a híd is
Amúgy a bemeneten az 1µF 63V os kondi mire való ? Esetleg 330nF 63V al / 220nF al lehet helyettesíteni ?
A kondenzátor értéke befolyásolja meddig terjed a mély hangok átvitele. A 220 nF már érezhetően csillapítja a hangfrekvenciás sáv alját. A bementi csatoló kondi feszültségtűrése lehet kisebb, akár 25 V és elkóval is működik a kapcsolás.
Igen. Amennyiben több példányod van 330 nF fólia kondiból, kettő párhuzamos kapcsolása 660 nF eredőjű, ami már elégségesnek mondható.
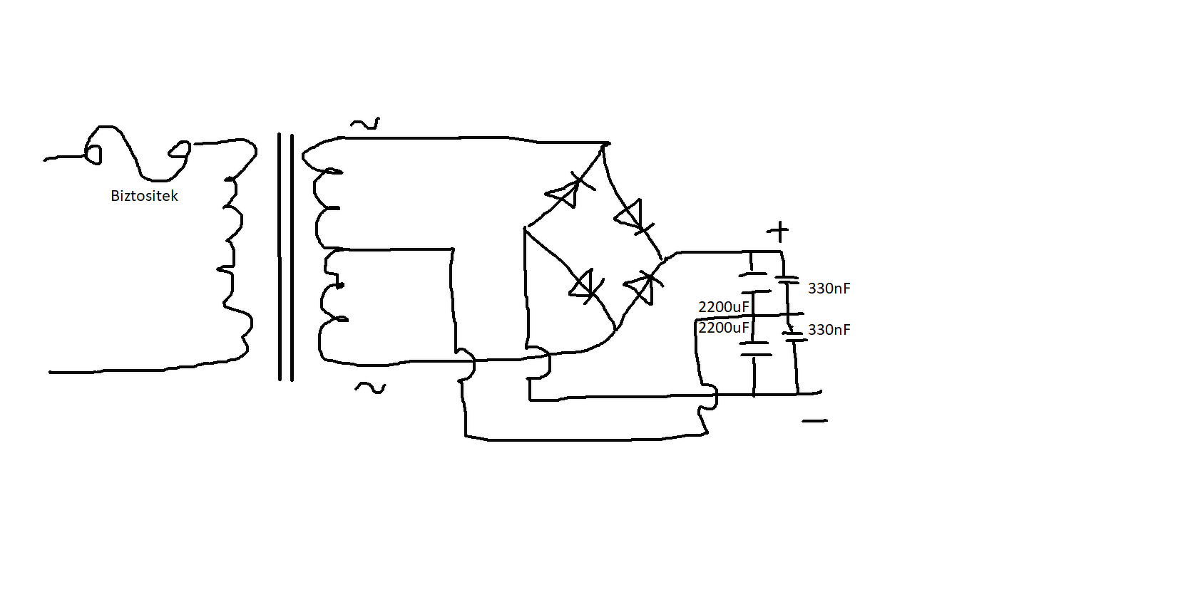
Szerk.: A táppal kapcsolatban annyit jegyeznék meg, a 2200 µF egy 8 Ω-os csatornához vékonyan elegendő, ha 4 Ω-ot is tervezel rákötni, akkor legalább a dupláját építsd be és ez szorzandó a tápra kötött IC-k számával. A 330 nF nem kell a puffer mellé, azt az IC táplábához kell minél közelebb telepítened. A hozzászólás módosítva: Okt 13, 2019
Építési, javítási tanácsaimat itt találod.
Az 1µF 63V os kondi helyett a bemeneten használhatok elkot is ? Van épp 1µF 50V os elkóm
Én szerintem el vagyok átkozva
![]() Most végeztem Reloop erösitöjével és ez sem csinál semmit Se füst se hö , viszont hang se A hozzászólás módosítva: Okt 14, 2019
Én nem pc tápról próbálgatnám, hanem egy egyszerű kis 12VAC 20W-os trafó, egyenirányítva, hogy 2x14V DC-t kapjak, kondi, utána pedig 12V 20W-os izzó sorkötve mindkét tápággal.
Ezzel éleszteném.
Pc tápról a másik erősítő ment amíg probálgattam a tippeket
Ez egy 2x25V AC táprol megy dupla tekercsel 50V AC Egyenáramra alakítás és szűrés után kapok +35 GND -35V ot Lefotozóm az erősítőt s elküldöm , hátha valamit én tévedtem A hozzászólás módosítva: Okt 14, 2019
Itt a "kész termék"
Annyiban tér el az eredeti rajztol ,hogy a STBY GND pin-t eltörtem és csak így ferdén sikerült eltalálni neki egy poziciót , valamint a bementnél az 1µF 63V os kondi-t nem tettem bele mert sajnos nincs ithon ienem csak elkóban
Szia
Ellenőrizd, hogy a 10-es lábon van e legalább 3,5V!
Akkor a némítás funkció kizárható. A panelodon nem igazán tudok kiigazodni. Egyébként a bemenetre nyugodtan tehetsz elkót.
A hozzászólás módosítva: Okt 14, 2019
Amikor bizonytalanok vagyunk, hogy egy beültetési rajz az alkatrész, vagy a forrasztási oldalt mutatja (99,9999%-ban az alkatrész oldal van felül), akkor megnézzük a beültetésre érzékeny alkatrészhez tartozik-e jelölés. Mint láthatod, jelöltem a TDA7294-nél az 1-es lábat.
A bő lére eresztett bevezető után a megoldás: nem kellett volna tükröznöd |
Bejelentkezés
Hirdetés |




















