Fórum témák
» Több friss téma |
A téma átmenetileg fagyasztva lett, hozzászólni nem tudsz!
Idézet: „Nem kell a tekercselési irányon változtatni. (Forgatni pláne nem!)” Valóban nem kell. Ha megfordítom a csévét, akkor már minek fordítanék forgásirányt? De, ha abszolút mechanikai, elektromos szimmetriára törekednénk, akkor 2 kamrás, mindkét kamrában szekunderek, primerek és cséve forgatás. No, ilyent csakis magának csinál az ember, ha eléggé elszánt.
Van aki csinál bérbe is, csak fizesd ki. Elküldöd neki a csévét a már kész rajzzal, meg utalsz neki egy tizest darabonként és megcsinálja. Már ha pontosan passzol a rajzod a csévébe, mert ha nem, akkor úgy jártál.
Én már csináltam ilyet a nyáron és tuti jó. Bár először jól bele lehet kavarodni. Viszont én úgy csinálta hogy PP-be is és SE-be is jó ha átlenezelem, mert ki akartam próbálni. SE-ben is jó volt! Viszont más okok miatt vissza bontottam az egészet azóta.
Tudsz is ajánlani valakit aki tizesért meg is csinálja?
Na sziasztok!
Kicsit küzdöttem az APX kimenőjével de végül engedett a rábeszélésnek, sikerült szétszedni. Viszont nem akarom visszarakni most a vasat bele hogy mérjek egy primer induktivitást. Mértem ugyan amikor egyben volt, de nem írtam fel és elfelejtettem hogy mennyi volt. Szóval az lenne a kérésem hogyha valakinek van egy Beag APX100 as kimenője, kérem mérje meg nekem hogy mekkora a táp és az anód közti induktivitása. Nem akarom most megint összerakni ezért, hogy aztán a mérés után ismét kivegyem belőle a vasat. Át akarom tekerni 4-8 ohmosra hogy használható legyen. Tudom nem a csúcsok csúcsa NASA technika az a kimenő ami benne van, de azért valljuk be hogy annyira nem is rossz az a vas. Főleg úgy hogy ez lesz az első PP végfok ami a kezemben van. A másik meg saját építés lesz, de ez most egyszerűbb volt. A sajátomhoz még táptrafót is kell szereznem vagy tekercselnem. Itt csak a kimenőt kell piszkálnom kontakthibákat javítanom és a tápban elkókat cserélnem.
Teljesen jó lesz a BEAG vas, sima ügy. Nem olvastam, ha sztereót csinálnál ilyenből és van 2 trafód, váltakozva tedd be a két féléből a trafókat. A vasat ne is szedd szét egyelőre, hanem amikor az újat rakod össze. Próbáld meg ugyanolyan sorrendben, egyenként leválasztva a lemezeket, talán jobban összefekszenek az új helyükön.
Nagyon köszönöm. Szerintem sem annyira vacak az a vas. De ha meg lesz a másik APX em akkor lehet hogy megcsináltatom hiperszil magon.
Személy szerint a hiperszilt, toroidot nem tartom jónak kimenő céljára és nem is használnék.
A hiperszil a tompa illesztés és egyéb miatt, a toroidot meg többen is próbálták és elvetették. Gyári megoldás az más - Plitron - de az meg drága. Jók azok a hagyományos lemezek.
Akkor marad a hagyományos M pakett vagy az EI. Csak irtó nagy szenvedés szétszedni az eredeti magot.
Én M85-el kínlódtam, mert azok le voltak műgyantába mártva. Lefűrészelni a csévét, drótot és új csévét lehet venni nem nagy árban, inkább a posta lehet hozzá képest több.
Küldök linket, cséve, vagy akár vas ügyben tájékozódásra.
Hú azt megköszönöm. Csak legyen már egy kicsit több időm. Igaz most lehetett volna, de sikerült péntek reggel becsípődnie a derekamnak. Meg kell mondjam szinte semmihez sem volt kedvem csak feküdtem.
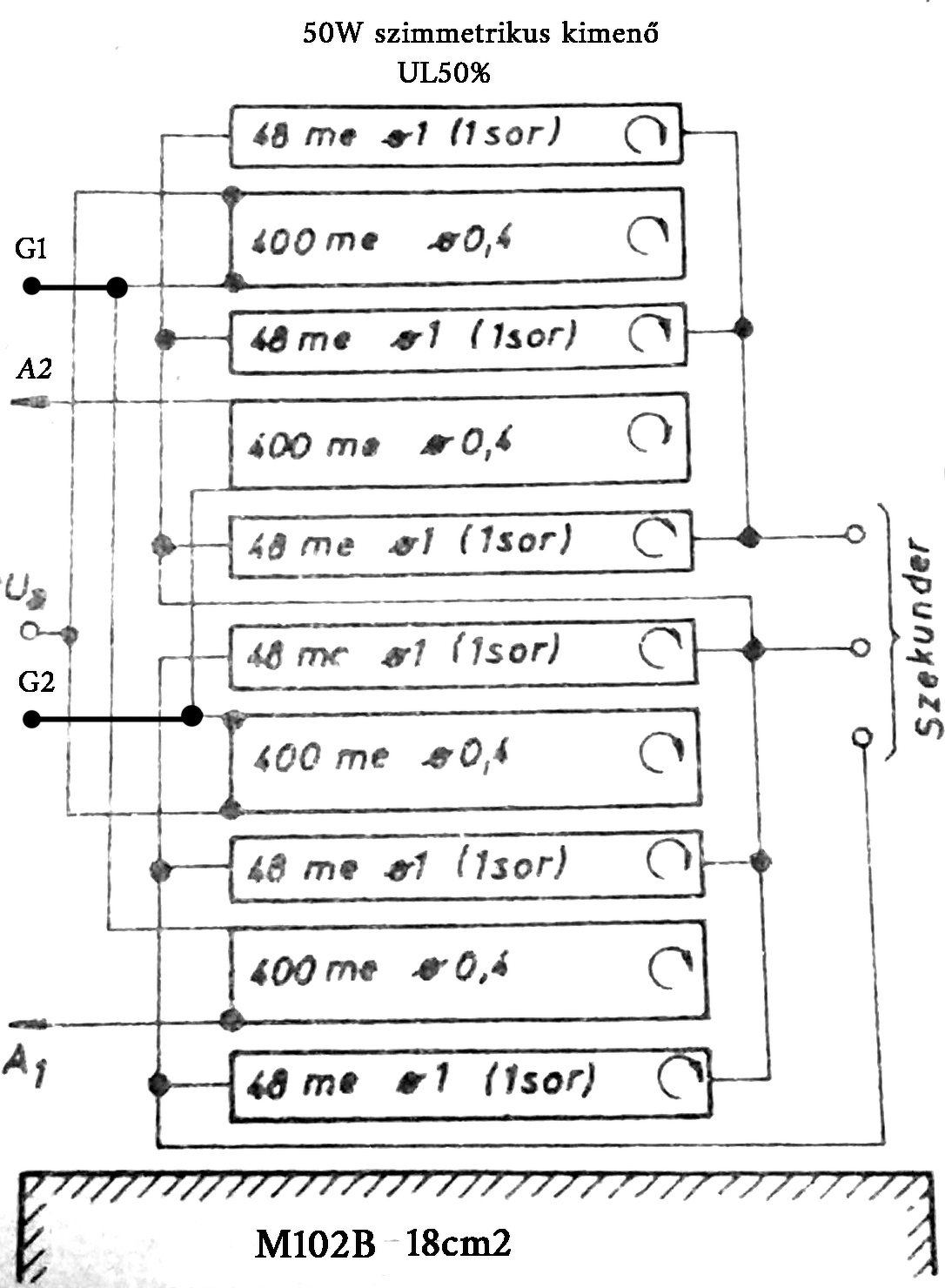
Találtam egy régebben letöltött szimmetrikus kimenő sémát.
Tekerek néhányat próbaképpen ARC kopirájthoz... Pr/sec 0.2 mm szig. pr/pr 0.05 mm szig. A hozzászólás módosítva: Márc 2, 2020
Ez még nem az. Ez 40W-os és 0.25mm-essel, 6.5k-ra illesztve. Érdekes, hogy a képen úgy látszik a test közepe felé hézagosnak tűnik, a sarkoknál nem. Valamennyit kihajlanak a huzalok nyilván, de nem feszíthetem jobban. 800 menet végén...Randa... Azt mondják 25-30 db után alakul a gyakorlat.
A hozzászólás módosítva: Márc 2, 2020
"Jójaz"; persze géppel könnyű (de legalább gyorsabb, mint kézzel).
1 napos így is egy ilyen kaland...Ill. egy műszak.
Üdv. Lehet tudni melyik ARC-hez illeszkedik ez a kimenő?
Attól a kettes osztású kimenőtől én nagy csodát nem várnék. Nekem már majdnem leordították a hajam a csövesben amikor azt mertem mondani, hogy a 3-as osztás már elég. Azonnal rávágták hogy nem, nem elég. Gondolom a TK157-en (ami még nem is a kimenők csúcsa) sem véletlenül osztották 4 részre a primereket a kettő helyet...
Őszintén szólva a helyes kifejezés, hogy ezt kapja. Nem tudom az eredeti ARC kim...ó milyen, mert a gyártó szemérmes ez ügyben...
Kíváncsi lettem volna létezett e valaha az a megoldás, hogy a primert és a szekundert egyszerre tekerik fel. És hogy ennek milyen hatásai lehetnek?
Létezik ma is.
Olyan jó hatása van - nagyon jó csatolás - amit nehéz elérni, egyedi fejlesztés és szabadalom. A hozzászólás módosítva: Márc 2, 2020
Én most találkoztam először ilyen alakú trafólemezzel, érdekes, jobban (könnyebben) összerakható, mint az M, vagy az E I, de ez csak az én véleményem. GOS ez is.
Méretben az M102-vel megegyezik.
A kimenő is olyam mint a lufi, itt benyomod amott kijön. Ha kicsi a kapacitás nagy a szórás, ha kicsi a szõrás nagy lesz a kapacitás. Egyik sem jó, ezért igyekeznek optimumot találni a kettő között. Hangzásra is más lesz a kettő.
6550. Anódtáp 400V DC lesz terhelve. Így ki szeretném majd a nyugalmi áram beállításával a 6C3P-E-t is kipróbálni. Van vélemény, ahol a jó rendszerben nem érzett különbséget az illető.
Várt, remélt teljesítmény kb. 30Wx2, illetve 25Wx2.
Tiszteletem az uraknak. Nem biztos hogy jó helyen érdeklődők, de ez legalább aktív fórum. Szóval egy ismerősömnek van több darab BEAG TK 236a kimenője, csak jó lenne tudni hogy mibe volt. Hátha valaki megismeri, mert nem találtam a neten semmit a tipus alapján. Előre is köszönöm.
Nagyjából készen, szerelvényezni kell és bemérés.
Az anódok között sajnálatosan 2 Ohm eltérés van mert 3/4 elkészültségnél egy másik fajta 0.25mm-es huzallal kellett folytatnom. Legfeljebb a mókusok elé vetem, ha nem lesz jó.90 dkg réz megy rá, M102B, 0.25mm és 3 x 1.00 mm-es huzallal készült. Teljesen megtelt a cséve, ablak. Most csinálok egy párját, folyt. köv.
Ha így van akkor biztosan nem lett jó. El fogja húzni az egyik csövet és előbb utóbb kimulik.Nekem nagyon nehezen sikerült a szimmetria, de meg lett. Nem is húzza el egyik csövet sem.
Szamold ki, 2 Ohm on mekkora feszultseg esik!
Csonek nem fog artani. |
Bejelentkezés
Hirdetés |







mert 3/4 elkészültségnél egy másik fajta 0.25mm-es huzallal kellett folytatnom. Legfeljebb a mókusok elé vetem, ha nem lesz jó.
