Fórum témák
» Több friss téma |
Mielőtt kérdezel, a következő két dolgot ellenőrizd!
I. A helyes tápfeszültségek megléte.
II. A kimeneten van-e egyenfeszültség.
Élesztés.
Földhurok az kérem szépen. Mind a PC hangkártya, és mind a TPA modul hangfrekvenciás földje a tápfölddel közös. Ezt nem fogja egy stabilizátor kiszűrni, mert nem a tápsínen, hanem a földsínen kóvályog a zaj. Viszont van erre gyógyszer. Mindjárt keresek egy rajzot.
Csak bátorításul...
Annak idején amikor még ilyen "beszélővel" támogatták a gyengén látókat, készítettem a gyermekünknek egy ehhez alkalmazkodó "médiát". 2x25W-os erősítő, amit a beszélőről a hangkártyára lehetett kapcsolni. Semmilyen külön tápot nem használtam hozzá, a PC tápról ment. Igaz arra nem lehet nagy puffert tenni, mert tönkre mehet. Nekem az problémamentes volt. Két kis hangfalról jól szóltak a CD-k is vele.
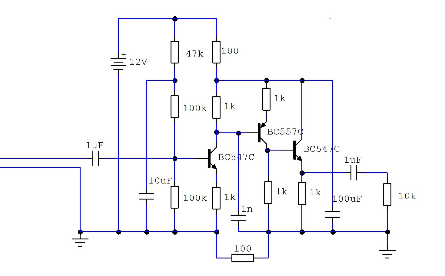
Itt van két egyszerű kapcsolás. Értelem szerűen sztereó esetében két darab kell, de a tápot hidegítő kondik lehetnek közösek. Ha érdekel, nyákot is tervezhetünk hozzá.
Megpróbálnám azt is, hogy a TPA és a hangkártya gnd-jét nem egyenként hosszú vezetékkel hoznám valahonnan, hanem az alaplap azon gnd részéről, ahol a hangchip van. Onnét is nagyon rövid és vastag (0,5mm) vezetékkel.
Köszönöm a válaszaitokat.
Földhurok? Az egész PC két tenyérnyi, és össze van földelve minden a fémházon keresztül. Viszont ez a pici zaj valóban ott van a közös tápról táplált erősítő, és a hangkártya kimenet minden része között. A vastagabb nullvezetékes IC kábel javított, mondjuk úgy 3 – 4 dB-t. Az árnyékolt és extra rövid vezetékek nem segítettek; gondoltam talán antennaként viselkedik. A kapcsolások ide "bonyolultak", és lehet tévedek, de ha a zajossá vált tápkörről kapja a 12 Voltot, akkor az a zaj megjelenik a kimeneten, mondjuk a negyedére csökkenve. Ennél egyszerűbb és biztosabb megoldás, ha feláldozok egy dugasztápot, meg egy relét, hogy kapcsolja. Csak hát azért mégis elegánsabb lenne nem külön táppal.
Egész véletlenól eszembe jutott, hogy az erősítő betáp nulla pontját kikössem. Tehát onnét csak pozitív tápot kap. A nullát a hangkártya irányából kapja meg. És nincs zaj! Szóval igazolódni látszik, hogy földhurok.
Közös nullpontról odavezetve, hogy mégse a hangkártya körén át folyjon az áram, szintén jó, nincs zaj. Na de ilyet...
A mindent mindennel összeföldelve, szinte biztos földhurkot jelent.
Megpróbálhatod azt is, hogy egy hosszabb IC kábellel (2-3m) kötöd össze a hangkártyát a végfokkal. A lényeg ott kezdődik, hogy a kábel jelentős részét egy vasmaggal zárod körül. Ez lehet kisméretű csupasz toroid trafó magja, nagyobbacska ferrit gyűrű, vagy amit találsz. Annyi menetet fűzöl be ammennyi csak elfér.
A földhurok hallatán sokan csak a hálózati trafóból szóródó mágneses erővonalak okozta indukált feszültségre gondolnak. Pedig ha egy fogyasztó (alaplap) áramfelvétele változó, és hogy a fenébe ne lenne az, akkor a tápegység föld vezetékén, vagyis annak Ohmikus és induktív részén feszültséget fog generálni. Ez a feszültség már a hangchip kimenet földjén is megjelenik. Nem kell nagy PC hozzá hogy a kerregés megjelenjen, egy körömnyi BT modul a maga 100mA alatti áramfelvételével, mindössze 5cm vezetékkel csatlakoztatva egy ilyen TPA végfokhoz ugyanúgy kerreg. Ja ráadásul nem is hálózatról, hanem akkuról. Ez a TPA3116 igazából szimmetrikus bemenetű, így önmagában képes lenne kioltani a zajt, de a nyákon ezt az opciót nem aknázták ki a tervezők. Nagyon finom szerszámokkal ez a funkció elérhető, de nem ajánlom csak biztos kezű órásmestereknek. A hozzászólás módosítva: Szept 18, 2020
Hát igen, nem gondoltam volna, hogy így találkozok elsőnek ezzel a jelenséggel. Hiszen itt semmi nem úgy van, mint amitől a közhiedelem szerint kialakulhat.
De hogy a különböző nulla pontokon milyen eltérések vannak, akár a fémház egyes részein is, az hihetetlen. Perszer értelmetlen nulla csillapításra tekert potméter esetén, de akkor is. Most pár óra után azt mondom, jó így, nem piszkálom. Normális hangerőre állítva már "hangosabb" a rádiós egér cicergése, ezt meg nem hallom. A gépházba bejövő 12 Voltos tápcsatlakozó nulláját viszont elszigeteltem, mert nem meglepő módon, azon is jött be másfajta tápzaj. Az erősítő a nulláját a gépház egy pontjáról kapja, ahoval az alaplap érintkezőin keresztül jut. Meg a hangkártyából, reményeim szerint az fémesen össze van kötve a közös nullával, így sehogy se lesz füst. Gondolom a IC jelbemenetének lábait kellene felhajtogatni, hogy ne legyen közösítve a tápja nullájával, és önálló körré tenni. Mellesleg ezt az IC-t vagy kiépítést nem tudom, hogy gondolták. De ha nagyobb teljesítményt akarnék kivenni belőle, és még a tápfeszültség se a minimum, olyan alapzaja van, hogy borzalom. Vagy csak az erősítés mértéke túl nagy? Ahogy látom, lehet ezt konfigurálni egy ellenállás osztóval. A hozzászólás módosítva: Szept 18, 2020
A TPA3116 egy nem is rossz erősítő. A kínai modulok sajna nem foglalkoztak vele rendesen. Igen, egy ellenállás osztóval lehet programozni valamelyik lábon. A zaj sok mindentől függ, nálam a bemeneti impedancia alacsony értéken tartása jó eredményt hozott.
A lábak felhajtogatása elég macerás, főleg hogy azokat ki kellene vezetni az alig több mint 1mm magasan lévő hűtőborda alól. Ha átszerveznéd a huzalozást, az is megoldás lenne. Az alaplapnak azt a pontját ahol a felfogató csavarok vannak ki lehet jelölni GND-nek. Mégpedig azt, ami az alaplapi hangkimenethez a legközelebb van. Ide csatlakozhat az erősítő, meg az USB-s hangkártya is. Csak ebből a pontból kapjon földet ez a két panel, az USB kábel meg feltekerhető arra a flippes ferritre.
Szia!
Nálam is a "csöves zárlat" miatt nem megy a csöves zárlat. Tehát zárlatos kimenőtrafó javításában kellene segítség, de nem tudtam írni a csöves topikba.
Előszedtem néhány modult. Hát nagyon nem kell szétbarmolni a TPA lábait, mert a szimmetrikus bemenet invertáló lába is kondenzátoron keresztül kapcsolódik a GND-hez. Egyik modulomon elektrolit kondenzátorok a csatolók, ezeket szívbaj nélkül ki lehet kapni, és a felszabadult forrszem máris befogadhatja a vezetéket. De ha csak simán kiemelem a föld felé menő lábat, arra is mehet a vezeték.
Egy másik modulon SMD kondenzátorok vannak, azokat le lehet dobálni, majd szabad szellemű megoldással ki lehet vezetékelni a pontokat. Egy harmadik modulon annyira kedvező a helyzet, hogy csak a kondenzátor lába körül három vékony csíkot kell átvágni, és a forrszem máris földfüggetlen.
A hangerőszabályozó potméter értékének csökkentésével én is próbálkoztam, plusz ellenállásokkal. De úgy csak annyival lett kevesebb az alapzaj, amennyivel jobban újra fel kellett hangosítani a kívánt végső hangerőhöz. Sok értelme így nem volt.
Lehet, akkor az egész értékét kellett volna csökkenteni. Hiszed vagy sem, de ezen az alaplapon nem földeltek a felfogató csavarok. Csak sima lukak, különben oda tettem volna én is. (Na ez elég félreérthetően sikerült.) Nálam a második megoldás van, SMD csatoló kondik. Az meg még mintha valami egyéb ellenállásokra is menne, amennyire emlékszem. De talán elég a bemeneti csatlakozóknál és a potinál átvágni a közös földet. Na erre még alszom egyet, ha megint meghallok valami földhurokból eredő zajt, már tudom, mit kell tennem.
Ezek viszonylag jó hangú darabok,nekem annyit kellett tennem vele hogy az induktivitásokat 6A-re cseréltem mert nagyon melegedtek.Itteni tanácsra.
A bemeneti impedancia csökkentést nem kell a teljes frekvenciasávban létrehozni, csak a kritikus értéken. Úgy gondolom az erősítő 400kHz kapcsolójele a ludas, így igazából csak hangfrekvencia felett kell csillapítani. Nekem 50kOhmos poti (ennek 12,5kOhm a legnagyobb kimeneti impedanciája ha hangkártyáról vagy kisimpedanciás jelforrásról van meghajtva) 470pF-os kondenzátorral hidegítve megszűnt a korábbi sziszegés. Ha időm engedi megtesztelem valamelyik modult, az eredményről pedig beszámolok.
A közös föld szétvágása csak akkor hoz eredményt, ha a szimmetrikus bemenet invertáló pontja is leválasztódik a táp földjéről.
Sziasztok!
Tranzisztor párba válogatással van egy kis gondom. Múlt héten rendeltem 4-4 db MJ2955 és 2N3055 ST gyártmányú tranzisztort. Mértem a Bétájukat: MJ --- 14-25-ig 2N --- 57-62-ig Sokalltam a különbséget, ezért összeszedtem az itthon levő 2N készletemet (TUNGSRAM, RCA, stb.) 9 db tranzisztort mértem ki 20-177 bétáig! 177-et egy Hongkong-in mértem, de volt egy 100-as RCA is. Kérdésem: mekkora eltéréssel "pároztathatók" még a tranyók? Pl.: párosíthatom-e büntetlenül a következőket: 4db TIP35C 40-42 Béta ----TIP36C 102-104 Béta 4db BDW93C 52 Béta ---BDW94C 46-56 Béta (Darlington) 10db BD682 66-68 Béta ---BD673A 44-58 Béta (darlington) És egy másik kérdés: A TIP-ekhez párosíthatok-e Bétában hozzájuk illő BD249-250C-t? A válaszokat előre is Köszönöm! A hozzászólás módosítva: Szept 19, 2020
Szia! A darlington eredménye jól példázza a mérési eljárásod alkalmatlanságát. Bővebben: Link
Szia a mérési eljárásom a következő:
Fogom a mérendő alkatrészt, behelyezem a "kici, óccó kínai" teszterembe és megnyomom a gombot. Az meg mindenfélét kiír amit tudni illik az adott alkatrészről. Azért mindjárt lemegyek csinálok néhány próbatesztet, mert lehet hogy a Darlingtonok egy nullával nagyobb Bétájúak.
Ezek az eszközök csak pár mA-nél vizsgálják az erősítést. Ajánlom 100 mA és 1 A kollektoráramnál is végezd el a mérést!
Csináltam néhány próbamérést.
Mértem ellenállást, kondenzátort, tranzisztort, darlingtont. Érdekes módon a darlingtont nem ismeri fel (pedig eddig jó volt, kiírta hogy "Darlington" és több százas Bétát). Most meg olyan tranzisztort mutat, aminek a C-E lába között egy dióda van, és ezeket a nevetségesen kis Bétákat adja. Lehet hogy az tett be neki hogy legutóbb 10000mikis kondikat mértem vele? Mindenesetre a kérdésem továbbra is aktív: Mekkora Béta különbség az ami még párosítható?
Elvégezném, de nincs mivel.
Akkor ahogy írod, teljesítmény tranzisztor mérésre ez a kütyü alkalmatlan? Most 1A-es dugasztápról kap 9,33V-ot. Tudom csináljak egy teljesítmény béta mérőt.....
Sokszor úgy javítottam (amíg nem volt béta mérőm) erősítőket, hogy egyszerűen csak kicseréltem a rossz tranzisztort olyanra amit éppen találtam itthon (persze a főbb paraméterek megléte mellett). És a kütyü életre kelt. Nem foglalkoztam bétával, meg határfrekvenciával...
Ha a polaritás stimmelt, a feszültség =v. nagyobb, áram=v. nagyobb mehetett bele. Most meg ahogy öregszem, egyre bizonytalanabb vagyok mindenben. Itt a fórumon rengeteg okos dolgot olvasok (egy Nobel-díjas mondta: "Minél öregebb leszek, annál inkább rádöbbenek, milyen keveset tudok!"). Mivel a szabadidőm is, és a kísérletező kedvem is megcsappant, olyan dolgokban is segítséget kérek a gyakorlottaktól amit magam is megoldhatnék...... idővel. Ha Valaki tudna feltölteni oszcilogramot azonos bétájú, közel azonos bétájú és nagyon eltérő bétájú végfok kimenő jelekről, azt Megköszönném ! Ha Valaki már akusztikai méréseket is végzett azonos, vagy nagyon eltérő bétájú tranzisztorokkal készült erősítővel, kérem hogy a tapasztalatát ossza meg velem (Velünk)!
Ez a hidegítő kondis megoldás jól hangzik, megvárom, ha lesz kedved, időd próbálkozni vele.
Az ilyen jellegű földhurok gondokra nem az alábbi megoldás lenne a legegyszerűbb? Összekötöm a hangforrás/hangkártya nullát a táp nullával. Utána egy darab huzallal ez megy a földeletlen erősítőbe. Abban ha közös a nulla, akkor csak egy helyre kötöm be. Blasz, az induktivitás cserét én is olvastam, most már tudom, mi volt az oka. Mondjuk nálam a csatornánként ~1 Watt valószínű nem indkolja.
Nem szándékom a zavarórepülés, de szerintem ezek a Kínai panelek némi hiányosságokkal szoktak rendelkezni. Volt itt már olyan, hogy nem megfelelő vastagságú fóliákkal huzalozták a végfokot. De szerintem mellőznek más konstrukciós dolgokat is, amik problémát okoznak felhasználáskor. Az viszont biztos, hogy jól néznek ki, és munka csak később van velük.
Bocs ,hogy még ide teszem, de a "kici , óccó"-val mért 10000/50V-os kondik esetében (ukrán)
mennyire vehetem komolyan a mért értékeket? 8650 miki 0,62 ESR, 9102 miki 0,72 ESR, 12310 miki 0.68 ESR, 13100 miki , 0.7 ESR. A tűrés +50% -10%. Az hogy melyik kettő lesz párban, az nem kérdéses. A feszültségtűrés az 50V mennyire kényes? Nekem 2xAC 38V-os trafóhoz kellenének. az DC 54V körüli értéket jelent. Tudom ..... Próbáljam ki!!!
Ha kondenzátort kötsz a teszterre, feltétlen süsd ki!
A tranzisztor válogatás az amatőr gyakorlatban azt jelenti, a rendelkezésre álló készletből a legjobban összeillő párokat választjuk ki. Ha bonyolultnak érzed lamalas teszterét, amit belinkeltem, állíts össze egy 100 mA körüli áramgenerátort és mérd a végtranzisztor bázisáramát! Csatolom a BDW darlingtonok áramerősítését. Láthatod 0,1 és 1 A között közel nagyságrendnyi a változás. A teszterrel 1-4 mA tartományban mért bétáról esetleg a tranzisztor működőképessége állapítható meg, az üzemi körülmények közötti viselkedése egészen más lesz. Legalább a nyugalmi áramot haladja meg a kollektoráram a vizsgálat során! A durván alacsony bétán kívül a visszacsatolt erősítő kimenetén nem látszik a szinusz jel torzulása a legszélsőségesebb párok esetén sem, mert azt a visszacsatolás eltünteti. A hibajavítás kényszere miatt egyéb torzításfajták jelennek meg, ennek próbálunk elébe menni a párosítással. Igazából olyan tranzisztorra lenne szükségünk amelyik minél lineárisabb, azaz a bétája minél kevésbé függ a kollektor-áramtól. A jól megtervezett kapcsolás törekszik a linearitási hibák kezelésére, tehát az sem mindegy hová lesznek ezek a tranzisztorok felhasználva. A párosítás kényszere akkor a legerősebb, ha párhuzamosan kapcsoljuk a teljesítmény-félvezetőinket és a terhelhetőségük határán szeretnénk járatni. Ekkor a csúcsáram környékén vizsgáljuk a bétájukat, hogy minél egyenletesebb teherelosztásra számíthassunk.
Köszi
Most volt időm lemérni. Az IC801-en nem tudtam mérni, csak előtte a diódán (D824-825 között ), ott 15V van 30 helyett. A kimenete persze jó. Viszont most éppen bekapcsol, és úgy is marad Egyre jobbak a parajelenségek. Amint kinyitottam az egyik hangszórócsatlakozót, már kapcsolt is le. A hanszóróból utána magas visítás jött jel nélkül, aztán semmi. A CD-in-re kötött jelet meg sehol nem hallottam a hangszórókimeneteken. Erős a gyanúm, hogy megérne egy átforrasztást a táp felől jövő része a NYÁK-nak, mert bármilyen mozgatásra lekapcsol, és errefelé volt egy olyan relé is, aminek az egyik lába gyak. nem volt beforrasztva.
Jól értem, hogy ezzel kiszűrhetőek a nagyfrekvenciás eszközökből a hangkimeneten kiszédülő zajok? Pl. a step-down feszültségszabályozóról jövő visítás, ami megjelenik a táplált eszköz hangkimenetén?
Nos jó hírem van. TPA3112, 26dB programozott erősítés, invertáló bemenetek földelő kondenzátorai lekötve a nagyáramú földtől. Mint bemeneti föld külön csomópontként a hangerő potival alkot egy egységet. A nagyáramú és a jelföld összekötve egy 220 Ohmos ellenállással hogy ne lebegjen. A poti most 10k, és szándékosan közös tápról járatom BT vevővel, diszkmennel. Se kerregés, se susogás. A táp egy modem 12V/1,5A tápja.
A 470pF-ok meg kimaradtak véletlenül, de így sem zajos.
Nem. Ez a bemeneti impedancia csökkentés tipikusan a monolit PWM erősítők, ezek közül is a TPA3116 (8) esetében oldották meg a problémát.
Olyan tápot érdemes használni, ami nem sípol. Sok alacsony terheletlen áramfelvételű konverter burst üzemben dolgozik, ezért a magas frekvenciás kapcsolójel ellenére a hallható tartományban is kelt zavart. A hozzászólás módosítva: Szept 19, 2020
az elsö csövet szeretném 6N8SZ re cserélni,tudtok segiteni?
|
Bejelentkezés
Hirdetés |










Lehet, akkor az egész értékét kellett volna csökkenteni. 

Egyre jobbak a parajelenségek. 




