Fórum témák
» Több friss téma |
Mielőtt kérdezel, a következő két dolgot ellenőrizd!
I. A helyes tápfeszültségek megléte.
II. A kimeneten van-e egyenfeszültség.
Élesztés.
Ért, köszi
![]() Autóban volt olyan Bluetooth vevőm, ami 3,5-ös jack-en adott ki hangot, de a 12V-5v megoldásom step-down PWM táp volt, és az bizony sípolt, akármit csináltam vele
Szeretném a két csövet egyformára ,esztetika miatt és persze eböl jóval több van!
Amúgy a két cső fél párhuzamban van kötve és szerintem van tartalék .
Köszönöm, hogy foglalkozol vele.
Következőt csináltam. A jelbemenetek leválasztását NYÁK átvágásokkal oldottam meg, illetve átkötésekkel. Így most kaphat normálisan tápot, a földhurok zaj lényegében nulla. Az alapzaja értelemszerűen annál kisebb, minél közelebb van a nullához a + jelbemenet. Te a bemenő impedanciát poti cserével csökkentetted, én a kapcsolós potit nem akartam kukázni. Beraktam egy-egy 10 kOhmos ellenállást a jelbemenet és az IC felé menő lába közé. A potmétert nem tekergetem, szóval nem gond az egyenetlenebb hangerő állítás. 5 Volt táp mellett az alapzaj normális hangerő mellett szintén olyan alacsony, hogy a hangkártya zaja, ha aktív, akkor az már hangosabb. Csináltam egy rajzot, hátha jól jön valamikor.
Arra van egy táp izolátoros megoldásom. Gyári izolátorok nem tetszettek, csináltam sajátot. Ha a téma iránt van érdeklődés, szívesen megosztom a tapasztalatokat.
Szívesen.
Még az nem tiszta, hogy miért nagyobb a zaj nálad magasabb tápfeszről. Nekem 5V, 12V, 2V esetén semmi nem változik csak a kivezérelhetőség. De még ezt is megnézem még egyszer.
Gondolom nem sok áramot eszik a BT modul.
Több megoldás létezik, és most nem bonyolultság, hanem műszerezettség alapján próbálom megközelíteni a dolgot. Skori weblapját böngészve (köszönet a munkáiért) sok konvertert találtam. Pontosabban sosem egy az egyben, hanem részleteiben, mert nem biztos hogy ugyan az a felhasználói igény mindenkinél. Bár ez erősítős topik, én pedig kapcsitápról írok, gyakran ez a részlet marad ki az erősítőzésnél. Összekötünk keverőt, végfokot, de mindig elhanyagoljuk a tápellátást. Nem ok nélkül emlegetik a nagyok hogy minden fokozatnak külön szekunder, vagy külön trafó. Persze egy autóban hova dugnánk be a villásdugót. Tehát inverter. Lehet hogy majd költözünk a tápos topikba, de itt kezdem A neheze a vas megtalálása, pontosabban a tekercs elkészítése. Skori egy önrezgő fetmeghajtót kreált kompakt fénycsőből kimentett kis toroidra. Na ez annyira jól sikerült, hogy kis terhelésre önállóan is elmegy. De két fettel, egy ferrit gyűrűvel, egyenirányítóval kiegészítve egészen nagy fogyasztókat is kiszolgál. Hamarosan folytatom, és képek, rajzok is jönnek. A hozzászólás módosítva: Szept 20, 2020
Szabályozható, step down konverteres táppal néztem. Arra már nem emlékszem, hogy 12 Volt fölött tovább emelkedett-e az alapzaj. Ugye az erősítő bemenetén van egy soros polaritásvédő dióda, utána pufferek, ezek így elég jól le kellenének hogy vegyék a ripplét is. Vagyis nem hiszem, hogy a táp a ludas.
PC szintjén meg a PC táp 12 Volt ment az LM7805 ellen. Ez nyilván nem korrekt, de fülre hasonló eredményeket kaptam így is. De az biztos, hogy nálam 5 Volton jóval alacsonyabb az alapzaj, az erősítés mértéke pedig nem változik. Nagy kivezérlésen nem néztem, nyilván ott kevés lenne az 5 Volt.
Sziasztok. Valakinek volna esetleg jó rajza (bevált, megépített!) 813-as csövecskéhez? (Vagy GU-13 vagy FU17 ahogy jobban tetszik).
SE kivitelt keresnék többnyire.
Ide tettem
Jön majd egy IR bázisú kis áramú verzió is.
Felkészültél? Nagypályára léptél.
Az egyedi kivitelezés rengeteget számít, úgyhogy mások tapasztalatára nem nagyon lehet hagyatkozni, neked kell kiizadni az egyedi megoldásokat. Sokat segíthetnek az adatlapi beállítások. de tudnod kell, hogy a csövek maguk is eléggé egyedi gyártásban készültek. A hozzászólás módosítva: Szept 20, 2020
Egyenlőre megszólaltatni szeretném ezt a hatalmas szörnyet, anód 450V amit tudok most neki adni, de jól láttam szinte minden rajzon 900V körül üzemeltetik 2.2K kimenővel (SE). Előfoknak 6SA7-est javasoltak, de egyenlőre csak nézelődök még megérkezik hozzá a foglalat, aztán építek.
A gond a kimenő lesz mivel 900V anódot szigetelni rendesen , főleg légréses kimenővel....
Hát, ha nyekergőt akarsz, akkor jó lehet a 900 V. A csőnek 2000 V kellene, nem véletlenül AB osztályban, rácsáramos üzemmódban. A lineáris üzeme rácsáramos üzemmódban van, ekkor már a meghajtás is problémás, 4 - 5 W -ra is szükség lesz. Az AB üzemre (PP) azért van szükség, mert az Ug/Ia görbe kezdeti szakasza minden, csak nem egyenes. SE esetén a meghajtáshoz a rácsáram nélküli szakaszon is jelentős a meghajtó feszültség igény. Így is szólni fog valahogy.
Sziasztok!
Azt kérdezném tőletek, hogy ismertek-e olyan audio-val foglalkozó fórumot ezen a felületen kívül, ahol rendszeres hozzászólások vannak a félvezetős audio erősítőkkel kapcsolatban, DIY témában. Én hármat találtam: - AVX fórum. Itt a DIY témában az utolsó három hónapban összesen max. 10 hozzászólást találtam - audioforum.hu itt ebben a témában egyetlen hozzászólás született ebben az évben - audiodiyers.hu itt már több hozzászólás van, de jellemzően a sajti nevű felhasználó magánterepe Tudtok olyan felületet ezeken kívül, ahol a témában igazi élet folyik? Mint itt volt még 5 éve is? Az elmúlt 10 évben, vagy 200 különböző kapcsolást dolgoztam ki, amelyeknek egy része ( 20-25 féle) megépítve is üzemelt. Ezek bemutatásának keresek terepet.
Itt is próbáld meg, hátha fellendíti az érintett fórumtémát.
Abban én nem tudok igazságot tenni, hogy az udvarias, választékos, és indulatoktól mentes de közben tartalom nélküli hozzászólások a jobbak, vagy esetleg a magvas és szellemes gondolat, vitatható módon előadva. (A kettő kombinációja nagyon ritka kincs.) Innen számos géniusz távozott már, mert nem nézték el nekik a zsenik sajátságosan trágár stílusát.
Szabad kérdeznem, ez mért nem megfelelő hely erre?
Én azt tapasztaltam, hogy néha a zsenik, attól lesznek azok, hogy mindenki mást kitartóan, változatos neveken, kiírthatatlanul lefikáznak.
Szerintem a zsenit arról lehet megismerni, hogy önmagában kétkedik, nem az a jellemző, hogy másban. A zseninek nincsen szüksége a tömeg elismerésére mindenáron. Magasztosabb célt követ. Csak ki ne zárjanak ezért a beszélgetésért. A hozzászólás módosítva: Szept 21, 2020
Jó kérdés. Az évek során elég sokmindent feltettem ide, néha küzdelmek árán. Valahogy nem érzékeltem az igényt erre.
Csak halkan jegyzem meg, hogy a 2274. oldalon tartunk, ha ide írsz valamit elveszik a zajban. Nem nagyon lehet új témát nyitni egy bizonyos erősítő kapcsolásnak, mert azt ide be lehet skatulyázni, közben egy zümmögő zsebherkentyűnek meg lehet saját topikja. 200x-ben még megszületett sok topic néhány különböző erősítő kapcsolásnak. Ma ezt ha megpróbálod, nagy valószínűséggel át lesz pakolva ebbe a gyűjtőbe.
Szerintem ha be szeretnéd mutatni az erősítőidet, akkor érdemes saját honlapra felpakolni őket és itt mondjuk a Ki mit épített?-ben behivatkozni, majd esetleg ebben a topikban kitárgyalni. Megpróbálhatsz persze saját topikot nyitni, de nem hiszem, hogy fenn maradna. Esetleg ha nincs saját honlapod, akkor cikként is megírhatod ide, azt könnyebb megtalálni, mint bármit a gyűjtő topicokban.
Akkor épp ideje, hogy csatlakozz a "zsenik táborához", és ne foglalkozz mással. Sokan merítettek innen, esetleg megjegyzés nélkül. Szóval van miért. És e téma esetleges folytatásához ajánlanám a pihenő pákásokat.....
Az is egy megoldás. Azonban mindkettőre jellemző lehet, ha valaki nem veszi a fáradtságot, és nem lapozgat szorgalmasan, akkor kevesebb információja lesz. És tényleg nem itt kellene folytatni eme elmélkedést.
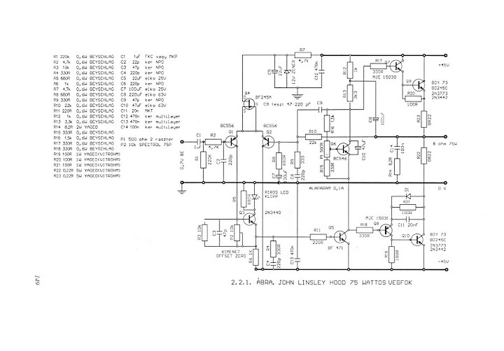
Sziasztok!
Lenne egy JLH 75 Wattos AB osztályú erősítő. Egy kérdés: Lehetséges-e valamilyen módon szimmetrikus jellel hajtani, vagy mindenképpen kell elé egy szimmetrikus-asszimetrikus átalakító? Ha jól gondolom az elején van egy fázisfordító. Ami normál esetben a bemenet, oda kerülne a melegpont, a hidegpontot valahogy a fázisfordítót megkerülve lehetséges rákötni? Lehet, hogy hülyeséget kérdezek, de megoldható-e valahogy? Az alábbi képen van a kapcsolás, amiről szó van. Köszönöm.
Köszi
Most volt időm lemérni. Az IC801-en nem tudtam mérni, csak előtte a diódán (D824-825 között ), ott 15V van 30 helyett. A kimenete persze jó. Viszont most éppen bekapcsol, és úgy is marad Egyre jobbak a parajelenségek. Amint kinyitottam az egyik hangszórócsatlakozót, már kapcsolt is le. A hanszóróból utána magas visítás jött jel nélkül, aztán semmi. A CD-in-re kötött jelet meg sehol nem hallottam a hangszórókimeneteken. Erős a gyanúm, hogy megérne egy átforrasztást a táp felől jövő része a NYÁK-nak, mert bármilyen mozgatásra lekapcsol, és errefelé volt egy olyan relé is, aminek az egyik lába gyak. nem volt beforrasztva.
Idézet: Szerintem ezzel beletrafáltál a dolog lényegébe. Nem ide-oda kell feltenni sok-sok anyagot, hanem egy saját oldalra/tárhelyre, így bármikor bárhol könnyen lehet hivatkozni rá, ugyanakkor nem fog beleszólni senki, hogy mi és hogyan kerülhet fel. Manapság az internet szolgáltatók nagy része is ad tárhelyet a szolgáltatás mellé, a digi pl. emlékeim szerint 40...50Mb-ot, akár egy ilyen tárhelyre is feltehető egy weboldal. Sok szolgáltató nem is reklámozza ezt, de ott van a szerződésben, és pár kattintással aktiválható a tárhely, és a hozzá FTP elérés. „Szerintem ha be szeretnéd mutatni az erősítőidet, akkor érdemes saját honlapra felpakolni őket és itt mondjuk a Ki mit épített?-ben behivatkozni, majd...”
Szia! Természetesen megoldható, a bemeneti diffrenciálerősítő támogatja ezt. Mi a jelforrásod? Annak kimeneti impedanciájához kell a módosításnak illeszkednie.
Az erősítőt egy DAC-ra szeretném csatlakozatni, aminek a kimeneti impedanciája 75 ohm.
Egy másik kérdés: Van-e értelme ennek a fajta jelátvitelnek otthoni zenehallgatásnál, lenne hallható hangminőség javulás? Vagy csak akkor, ha nagyobb távolságra szeretném vinni (mint pl. a hangosításnál). Viszont szerintem ha nem lenne, akkor ezeket DACokat nem szerelnék fel ilyen lehetőséggel.
A JLH erősítőt nem alakítanám át szimmetrikus bemenetűre. A DAC szimmetrikus kimenete híd kapcsolásnál hasznosítható, illetve ezt igényli több PWM céláramkör, gondoljunk csak a közkedvelt TPA3116-ra. Bővebben: Link
Két DAC-al van tapasztalatom. Kercso uram kisDAC-jával, és a ES9038q2m-el. Ezeknél nem gond a rádugott erősítőnél a kinyerhető hang. Inkább tartom jelentősebbnek a DAC minőségét, és a kimenetén alkalmazott analóg fokozat milyenségét. A 75 ohm szerintem a terhelhetőségnél számít. mondhatnám hallgatókimenetnek is kompromisszumokkal. A fontosabb dolognak tartanám a rendszer egészét és a felvételek digitális milyenségét. Példának, a kisDAC nagyon jól összehozott áramkör, jól szól hallgatóval, hangszóróval. Azonban a ES9038q2m tuningolva már hallhatóan lekőrözi a popcorn a410-el együtt, pedig azt a minőségi dacjával reklámozták. Persze ez nem ingyen van.
Csatlakozva reloophoz azt mondanám, használd ahogy van
Szia!
Ha a DAC ott van valahol az erősítő közelében, és nincs se brummogás, se kerregő zaj, akkor jó az aszimmetrikus csatlakoztatás. Ha valami nem kóser, akkor jöhet a szimmetrikus. De nem csak annyi az hogy kivezetünk a végfokból egy invertáló pontot, hanem szigorúan szimmetrikussá alakítjuk. Addig rendben is van hogy a visszacsatoló hálózat GND-re menő tagját lekötjük a földről, és jelbemenetként kezeljük. De! Igy az invertáló bemenet 680 Ohm bemeneti impedanciával rendelkezik, a nem invertáló pedig 220 kOhmmal. Ugye ez nem szimmetria. Ráadásul az alsó töréspontoknak is szigorúan együtt futónak kellene lennie, mert csak ebben az esetben biztosítható a minden frekvencián tökéletes szimmetria, ezért a csatoló kondenzátorokat is válogatni kellene, vagy jobb esetben DC csatolt megoldáshoz kell folyamodni. De tovább megyek. Ha nincs az erősítő és a DAC között földhurokból származó zaj, akkor az aszimmetrikus megoldás is jó eredményt hoz, ha viszont van, akkor a hangsugárzó csatlakozó GND pontját is be kell venni a szimmetrizáló körbe, hiszen ez a pont lesz a referencia amihez meg kellene jelennie a kimeneten a jelnek. További probléma forrása lehet, hogy a végfok invertáló bemenete nem maradhat szabadon, mert így a visszacsatolt erősítés 1-re csökken. A baj abból ered, hogy nem biztos hogy egységnyi erősítésnél is stabil marad az erősítő. Ha nem, akkor gerjedés léphet fel, ami szépen elfüstölteti a magas sugárzókat. Ha mindenképpen szeretnél szimmetrikus bemenetet az erősítőre, akkor egy szimmetrikus/aszimmetrikus (úgynevezett audió balun) előerősítőt kell építeni. Viszont kérdéses, hogy az nem ront-e a hangon annyit, mint amennyit javul a szimmetrikus jelkezelés miatt. Egy ilyet mutat a rajz is. Az "R" ellenállások egyformák legyenek, a többi értéke lényegében nem kritikus. Természetesen ez csak elvi rajz, a gyakorlatban még kell néhány kiegészítés. |
Bejelentkezés
Hirdetés |














