Fórum témák
» Több friss téma |
Mielőtt kérdezel, a következő két dolgot ellenőrizd!
I. A helyes tápfeszültségek megléte.
II. A kimeneten van-e egyenfeszültség.
Élesztés.
Mond valamit az, hogy Yamaha R300? Az erősítő része még oké de a rádió része antenna nélkül csendes majd néha recseg egyet. Mi lehet a baj?
A hozzászólás módosítva: Nov 13, 2020
Sajnos nagy katyvasz az egész, ebben turkálni nekem már kicsit magas.
![]() Tuti rosszul van méretezve. Csak a mély és a magas reléje ilyen forró, a többi 30 fok körüli. Leginkább azért aggaszt, mert a relé is azzal a sárga ragasztóval van rögzítve, ami idő után vezető lesz ha sokszor felmelegszik.
URH rádióhoz antenna kell! Nélküle csak az adó közelében mutat életjelet.
Sosem tudtam milyen antenna kell ezekhez. Mellesleg hajlítottam egy másfeles drótból egy pár menetet. Jobb lett a vétel de valahogy nagyon halk. Most vagy a jel kicsi vagy a jel erősítő gyenge.
Pár menet? Nem mobiltelefonról van szó!
Az URH valami 3-5m hullámhosszon muzsikál. Az antenna dipól Lambda/2. Szalagdipól De erre biztosan van topic. Bővebben: Link A hozzászólás módosítva: Nov 13, 2020
Sziasztok!
Tranzisztorokat válogatok az alábbi kapcsolás alapján. 2db DMM és egy zsebkalkulátorral + stabil táppal szerencsétlenkedek. A mérési eredményeim már mások mint a "kici, óccó kínaival" . Amit az 1 Bétának mért az most 18, amit 177-nek mért az most 233. Kb. 30 eddig kimért tranzisztor esetén azt tapasztaltam, hogy a Bázis áramok tranzisztoronként 1,2-5,2mA között, a Kollektor áramok 80-350mA között váltakoznak. A Bétát az egy időben mért értékek hányadosaként számoltam. A kérdésem a következő: mi van akkor ha párba teszek két 30-as Bétájú tranzisztort, amiből az egyik 2mA a másik 5mA Bázisáramnál volt 30-as Bétájú? Nem lesz eltérő a kimeneti "félhullám"?
Egy ötlet: (lehet fikázni, ha hülyeség), de ha előre kimérném a B-C nyitó ellenállásokat és az egymáshoz közelieket mérném (közeli Bázisáram) és ez alapján válogatnék.....
Szia!
Célszerű lenne úgy mérned, hogy ugyanazzal az ellenállással ( pl. 22 kohm ) beállítasz egy bázisáramot, aztán némi védelemként 100 ohmot a kollektorba a +táp felé ( npn esetében ) és méred a kollektor áramát. Ezeket hasonlítsd össze. Ha a nagyjelű béta kell ( ritkábban ) , mindig az éppen mért Ic/Ib az érdekes, ha a kisjelű ( általában ), akkor 2 különböző bázisáramot állíts be 1 tranyónál és az ( Ic1-Ic2 )/(Ib1-Ib2) lesz a jó érték. Itt a majdani kapcsolásodban lehetséges kollektor áramokra gondolj, pl. 10 és 2 mA, vagy 18 és 5 mA, stb...
A bázisáram ilyen mértékű ingadozása valamilyen alapvető problémát jelez. 5V-os táp esetén a bázisáram (5-0.6)/820ohm=5.36mA körüli kell legyen. Ettől minimálisan térhet csak el a nyitófeszültség és a táp ingadozása miatt.
Kérdés, hogy milyen tranzisztorokat próbálsz mérni így, mert kisebbek 1-2mp alatt is megfutnak ekkora disszipációtól. A hozzászólás módosítva: Nov 14, 2020
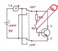
Szia!
Lásd a képen! Bázisáram 820 Ohmmal állitva.
Szia!
A tápom uA723 1A-es,. Eddig TO3-as tokozású 2N3442-es, 3055-ös és 2955-ös tranzisztorokat mértem. Ezeknél volt ekkora az ingadozás.
Én is hasonló kapcsolással mérem a végtranzisztorokat, de nekem nem volt ilyen problémám eddig. Én egy 7805-öt használok stabilizátornak, igaz eleve kisebb árammal mérek.
A TO-3-as tranzisztoroknál a megfutás talán nem annyira kritikus, de akkor sem érdemes 1mp-nél hosszabban mérni.
Jut eszembe: Nézd meg, hogy mekkora a multimétered belső ellenállása árammérésnél. Szerintem nem elhanyagolható a 820 ohmhoz képest, pláne 2mA, vagy 20mA állásban.
Ja, hát végtranyóknál a bázisellenállásnak ez jó érték, de a többi beírásom többszörös áramértékekkel és mérési eljárással akkor is helyes.
Így a kollektorba is célszerű 1-2 soros ohmot betenni és csak rövid idővel tesztelni. Tehát báisfeszültséggel ne foglalkozz, hanem áramokkal. A hozzászólás módosítva: Nov 14, 2020
A soros kollektor ellenállás nem biztos, hogy jó ötlet, mert akkor mérés során változik a kollektorfeszültség. Definíció szerint a hfe mérés konstans Uce feszültségnél történik. Ezt specifikálják is a gyártók. Általában 5V, de például a Sanken 4V-nál adja meg, ha jól emlékszem.
Azt csakis azért javasoltam, hogy ne a táp áramkorlátja avatkozzon be esetleg.
Persze hamisít kicsit, de azt figyelembe lehet venni. ![]() Ha pedig már 1-2 amperben gondolkoztok, az 5 V / 820 ohm úgysem jó, mert a nagyjelű béta csak 20 körül lehet és oda nem 10-20 mA Ib kell. 2-300 mA Ic pedig mit keres pl 3055-ös végtranyónál?
Én 30-40 éves és most vásárolt tranzikat vizsgálgattam..... Tesla, Motorola, Texas, stb, vs. most vásárolt kitudja milyen gyártmányú 2N-ek. Ha jól okoskodok, a bázisáramot a bázisosztó (820ohm) + a tranzisztor belső ellenállása határozza meg. A mostani (távolkeleti?) tranzisztorok Bétája sokkal nagyobb..... össze fogom hasonlítani a B-C ellenállásokat.
Pár másodperc alatt 300mA-rel ezek a 10-15A-es kütyük meg sem langyosodnak. A hozzászólás módosítva: Nov 14, 2020
Ezt értem, de ott a multiméter, amin látja, hogy nem sok e az áram.
Én például a nyugalmi áram környezetében 100mA körül válogatom a végtranzisztorokat. Úgy tapasztaltam, hogy ott fontosabb az együttfutás, mint -mondjuk-, 5A-nél.
Nem jól gondolod. A bázisnál egy dióda van, amit kinyit a 820 ohmon átfolyó áram. Onnantól azon a ponton fix a feszültség, a befolyó áramot pedig csak az ellenállás értéke határozza meg. Ezért mondtam, hogy vigyázz az árammérővel, mert 2mA állásban akár 100ohm belső ellenállása is lehet, ami sorba kapcsolódik a 820ohmmal!
Nem írtam 5 ampert...az már nagyon szélső érték 3055 féle tranyóknál, viszont a 100 mA meg kevés.
Alig kivezérlésnél a nyugalmi áram ( keresztezési torzítás ) az érdekes, de ha >10-20 wattban gondolkozol, ott már az amper környéki együttfutás/béta lesz az érdekes. Na jó, mindenki másképp csinálja. A hozzászólás módosítva: Nov 14, 2020
Elnézést, ha félreérthető voltam, az 5A-t talán Motorola adatlapon láttam, ha jól emlékszem MJ21193/94-nél. 2N3055-nél valóban sok az 5A. Sajnos Amper nagyságú áramoknál házilag elég kilátástalan erősítést mérni, mert tized mp alatt változik az áram a megfutás miatt. Impulzusmérés pedig nehézkes...
Nem tudom, nem láttam, milyen végfokokhoz érdekes éppen a 3055 vagy hasonló, ehhez képest kell gondolkozni, tesztelni és mérni.
De az tuti, hogy nem 2-300 mA Ic az érdekes. Házilag pedig muszáj mérni ilyen esetekben is, különben csalódás lesz esetleg. Megfelelő műszerpark és táp nélkül nem egyszerű dolog. Megfutás ellen pedig ott van az 1-2 sec mérési idő és egy alkalmi hűtőborda.
Szia mcc!
És Szia ferci! Nem azt kértem, hogy vitatkozzatok, hanem hogy Segítsetek!!! Persze a vita is előbbre juttathat.... ----Bázisáramot 20mA méréshatárral , Kollektort 10A-essel mérek. Reloop már felhívta a figyelmemet a Lamalas által feltett tranzivizsgálóra, de egyrészt lusta vagyok megépíteni, másrészt, ha már van több műszerem is miért ne mérjek pillanatnyi pontos értéket? Visszatérve az eredeti kérdésre: ha ugyanakkora Bétájú--- különböző bázisáram mellett--,tranzisztorokat használok, nem kellene-e a meghajtó fokozatok erősítését változtatni, hogy a kimenet azonos amplitudójú legyen?
Laci,
nem igazán értem a kérdésed: 1, Ha azonos a B, akkor miért lenne különböző a bázisáram (feltételezve az azonos kollektor áramot) 2, Mit szeretnél pontosan módosítani a meghajtó fokozaton? Azt sem értem, hogy miért lenne más a kimeneti amplitúdó. Egy kapcsolási rajz jó lenne...
Én egyáltalán nem vitázni akarok, hanem a megfelelő tartományú árammérésekre hívom fel a figyelmet.
Ide pedig kell egy szisztéma, táp és néha pár ohm/sok wattos ellenállás is. Többféle módszer is lehet, de nem részletezem. Annak semmi értelme, hogy a meghajtókat variáld a különböző bétájú végtranyók miatt és nehezebb is lesz.
Már megbocsáss, de a méréstechnika egy külön szakma. Azt is meg kell tanulni. (Dr Tarnay Kálmán Elektronikus Mérések 23.§ 439 - 452 old)
Az üzemközi, és labormérések között jelentős különbségek vannak. Az üzemközi méréseknél odabiggyesztünk egy általános paraméterekkel rendelkező műszert, a laborméréseknél minden esetben figyelembe vesszük a műszer belső ellenállásait is. A tranzisztor paraméterek mérésénél alapesetben is egyszerre négy pontos, ismert belső ellenállású műszerre lesz szükséged, (két feszültség, és két árammérőre) kapcsolgatni nem lehet, mert azzal megváltoztatod a körülményeket. Maga a mérés négypólus mérésekhez hasonlít. Ha bármelyik tranzisztor adatlapját megnézed, hogy pl. az erősítési tényező (h12, hFE, β) jelentősen függ a kollektor áramtól (is). A bázisáramot változtatható áramú áramgenerátorral, a kollektor feszültséget változtatható feszültségű feszültség generátorral kell előállítani. Ez így elég bonyolult, de ha elhanyagolsz dolgokat, ne csodálkozz, ha nem jönnek össze a mérési eredmények.
Sziasztok van itt olyan aki nagyon otthon van erősítő pwm táp javításban ? Már mindent többször végig néztem . Hiba sajnos fen áll. Alkatrészeket át mértem mind ! Minden jó. Ic-k újak mind smd tranyok jók. Stb ..Egy a gond valamelyik kondenzátor lehet hibás ami smd.. viszont kapcsolási rajz nincs . Így már teljesen tanácstalan lettem. Maga a pwm vezérlésen rosz valami. De valyon mi ? 85khz kéne menni de 100felett ketyeg . A ,,C " tag cseréje sem hozott eredményt. Tüskés a négyszög jel, és nem megy lejebb a freki. ?! :/( T.amp tsa 2200 ) ról lenne szó.
A hozzászólás módosítva: Nov 14, 2020
|
Bejelentkezés
Hirdetés |



















