Fórum témák
» Több friss téma |
- Ez a felület kizárólag, az elektronikában kezdők kérdéseinek van fenntartva és nem elfelejtve, hogy hobbielektronika a fórumunk!
- Ami tehát azt jelenti, hogy a nagymama bevásárlását nem itt beszéljük meg, ill. ez nem üzenőfal! - Kerülendő az olyan kérdés, amit egy másik meglévő (több mint 17000 van), témában kellene kitárgyalni! - És végül büntetés terhe mellett kerülendő az MSN és egyéb szleng, a magyar helyesírás mellőzése, beleértve a mondateleji nagybetűket is!
Ekkora időzítést analóg módon inkább a 10 µF-os kondenzátorral lehet megvalósítani, mint a 100 nF-osokkal. Valószínűleg a bekapcsolási és kikapcsolási késleltetést is ezzel a kondival oldják meg. Ehhez meg az szokott kelleni, hogy valamelyik ellenállással párhuzamosan van egy ellenállás-dióda soros áramkör. Mivel csökkenteni akarsz az időn, azt is lehet, hogy a lehetséges ellenállással párhuzamosan kapcsolsz egy másik ugyanolyan értékűt. Ha az idő nagyjából felére csökken, akkor megtaláltad az ellenállásodat. A másik út, hogy a 10 µF-ot csökkented, de akkor valószínűleg a bekapcsolási késleltetés és a riasztási idő is csökkenni fog.
Biztosabbat csak a kapcsolási rajz alapján lehet mondani. De változtattam már meg akkutöltő kikapcsolási feszültségét ehhez hasonló módon, és nem rajzoltam vissza a (különben mikrovezérlős) kapcsolást. (Ott arra kellett figyelni, hogy akkora ellenállásokat kellett párhuzamosan rakni, hogy csak kicsit változzon az eredő érték.)
Visszarajzolás nélkül megpróbálhatod 1-1 kondi értékét megduplázni, ráforrasztani a lábaira és figyeled mi történik
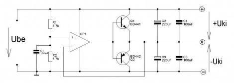
Sziasztok! Van egy stabilizált 10V-os feszültségem, de a TL072-vel megvalósított előerősítőhöz/hangszínhez stb, +/- táp kell. Találtam egy egyszerű osztót, szerintetek ez jó lehet? Mennyire terhelhető, mitől függ?
Köszönöm!
Üdv szép napot.
Pofozkodni készülök a villany szolgáltatómmal és szeretnék felkészülni előre. A legnagyobb bajom az hogy van hogy naponta 8-10 alkalommal leáll a számítógép. Igen az rendben van. De a kompresszor és a 140w csiszoló is le akar fulladni mert elmegy az energia. Hol lehet olyan eszközt venni/kölcsönözni ami hétig monitorozza a hálózatot? Túlterhelve sincs a hálózat. A bojler külön van vezérelt áramon. Van egy számítógép, fagyasztó, hűtő, mosógép és egy hobbi lézergép. A kompresszor és a csiszoló alkalmanként van használva. Volt hogy minden ment és a bojlert is átkötöttem nappalira és akkor sem eset le a feszültség hogy bármi is leálljon vagy döcögjön.
Nem jó. Csatolt képen egy példa ami kellene. A tranzisztorok lehetnek kisebb teljesítményűek, illetve el is maradhatnak, de akkor a 47µF szűrőkondi sok lehet az ic. kimenetének bekapcsoláskor.
Köszönöm, ez kb. mekkora áramot bír leadni? Ha féloldalasan terheljük, akkor nem billen el a feszültség?
Nem billen el a feszültség, mivel az ellenállás osztó osztáspontját követi le a kimenetre, ami mindig fél feszültség marad. A leadott áram a tranzisztoroktól függ -egy szintig- kb.: 1-2 amper lehet.
Ha csak a TL072 -höz kell, akkor még a BC327-BC337 is elég. De a BD13x bőven jó. A hozzászólás módosítva: Nov 15, 2020
Szia! A hangfrekvenciás jel váltakozóárammal terheli a tápot, nem fog elbillenni, hacsak nem kötsz valamit még a féltápra. Az általad csatolt rajz 4k7 ellenállásokkal és 470 µF kondival elegendő erre a feladatra. Előerősítőt, aktív hangváltót mindig így építem. A feszültségstabilizátortól viszont jó lenne ha megszabadulnál, mert zavart is okozhat.
Az a baj, kimegy a szolgáltató, mér feszültségeket, akkor és ott mindent rendben talál és kiszámlázza a kiszállási díjat. ÉV műszerrel hurok és vonali ellenállásméréssel kellene feltérképezni a rendszert. Könnyen lehet hogy valóban nálad van a probléma, ugyanakkor megeshet, még ha ritka eset is, hogy a téged tápláló transzformátor előtt van gond (pl. átkapcsolnak másik forrásra), azt viszont a műszer nem fogja kimutatni.
1 hétig ellenőrzik a vonalat. legalábbis az eonnál. Nemrég olvastam utána hogy is működik a dolog.
kb 2 éves a bekötés. Átnéztem már minden csatlakozást kábelt stb a villanyóráig. Nem fekete nem füstöl nem olvadt és nem is laza. Hetente legalább 40-60 gépindítás van emiatt a gépben. Idézet: „Feszültség a kisfeszültségű felhasználási hely csatlakozási pontján A felhasználási hely csatlakozási pontján az Engedélyes a névleges feszültség ± 7,5 % (leágazási ponton +8/-7%) tartományon belül szolgáltatja a villamos energiát normál üzemállapotú egyhetes mérése alatt (bármely nap) a napi bármely 10 percre átlagolt értékek 95%-ában. Az egyhetes mérés valamennyi 10 perces átlagértékének a névleges érték +10/-10 % tartományába kell esnie. A legnagyobb feszültség-növekedés mértéke a névleges feszültség 115%-át, feszültség-csökkenés mértéke a névleges feszültség 80%-át nem haladhatja meg 1 perces átlagban.”
Ilyen eszköze van a szolgáltatónak. Fel is szereli a bejövő elé, ha eleget piszkálja őket a delikvens. Nálam is 1 hétig fent volt, aztán elismerték, hogy ők a hunyók (R 200 V, S 205 V, T 260 V). Utána átrendezték a lekötéseket, nem billen el a hálózat. Azóta volt újabb hiba, de azt is elismerték: Minden nap 22 h körül elment az egyik fázis. Vagy 3,-4-es szél esetén, akár az egész.
Mindenesetre alaposan nézd át a saját hálózatodat előtte. Nálam is E-On van. A hozzászólás módosítva: Nov 15, 2020
Ma néztem át mindent megint 3x. A villanyóra dobozába nem látok bele hogy ott milyenek a kötések. De ha ott baj akkor az ő hibájuk még. De a kismegszakítótól egészen az utolsó konnektorig minden rendben van szerintem. Teljes terhelésnél 35 perc alatt nem borult a rendszer egyszer sem. Meleg csatlakozó sem volt. (bojler, számítógép, fagyasztóm kompresszor, csiszoló)
A számítógép viszont néha elég furcsán áll le. Van hogy pörög a venti mint a nyavalya máskor meg csendes. Terhelést csak a face okozza általában vagy a N.fix.
Számítógépre ilyen ügyben nem szabad hagyatkozni, millió oka lehet annak ha furán viselkedik.
Ha az ÉV műszer hibát mutat valamelyik fázison vagy a nullán, akkor azzal el lehet dönteni, hogy a mért vagy a méretlen oldalon van-e a hiba. Ilyen mérések nélkül ne nyaggasd a szolgáltatót mert a semmiért fogsz fizetni. A hozzászólás módosítva: Nov 15, 2020
Igen akkor éljek együtt a hibával? Mert azért egy 500.000Ft készülék megvásárlása nem igazán logikus.
Nem ezt írtam. A felesleges köröktől és költségektől akarlak óvni. Csak van olyan villanyszerelő, ÉV felülvizsgáló a környéken, akinek van ilyen műszere. Ha másként nem megy, keress meg egy közeli céget és kérdezd meg, oda ki jár felülvizsgálni.
Kicsi kellemetlenséggel jár, de egy-két nap. Az óra feletti, (mért), biztosíték utánra köss egy hosszabbítót és arról használd a gépeket. Ha leállnak, nem nálad a probléma. A pillanatnyi feszültségesés nagyon nehéz regisztrálni.
A szomszédokat is körbe lehet kérdezni, tapasztalnak-e hasonló gondot. Az is egy jó támpont lehet.
Körbejártam a témát amit ajánlottál. ÉV felülvizsgálat 30.000Ft tól kezdődnek.
Köszi! Valóban nem is kell nagy áram, pár 100mA bőven elég.
A rajzon az OP1 lehet TL071 is? A hozzászólás módosítva: Nov 15, 2020
Szia! Csak hangfrekvenciás jel lenne, de 5-6db TL072 IC legalább. Autóban lesz alkalmazva, a 10V stabilizátor pont azért van, hogy a többi LED-es áramkör állandó feszültséget kapjon járó és leállított motornál is, sajnos elég sok zavaró jel van az autóban, például a kivezérlésjelzőn felfut az első 3 LED, ahogy jár a motor
Egy próbát megér. AZ a pillanatnyi elég sokáig tartott. Másodpercekig nem tért magához se a kompresszor se a csiszoló. A csiszoló szó szerint megáll ha rányúlok újjal és csak erőtlenül nyög.
Ha közvetlen a mért oldalon lévő kismegszakítóra csatlakozol és "üzembiztosan" tudod produkálni a hibát, akkor nyert ügyed van, lehet hívni a szolgáltatót. Fontos a hiba produkálása előttük is, különben hülyének néznek és fizethetsz.
Írd le ezt az összeállítást, mert autóban a földhurok megakadályozása végett speciálisan kell eljárni. A korábbi javaslatom máris tárgytalan.
Film készítés, ha összejön.
Mekkora a hálózati feszültség amikor "megbolondulnak" a kütyük?
Ha nincs műszered, de van egy hagyományos izzód a házban, azon nagyon jól észre lehet venni, ha ingadozik a hálózati feszültség! Nem mondtad hogy a kompresszor, csiszoló, PC hiba egyszerre jelentkezik-e ... ha nem egyidejű hiba akkor esetleg PC hűtőbordák tele vannak porral, túlmelegszik ... Csiszoló szénkefés ... Kompresszor vezeték megtört ... A hozzászólás módosítva: Nov 16, 2020
Sajnos led van mindenhol. Így azzal nem tudom ellenőrizni bár ha körbenézek hátha van valahol a lakásban eldugva hagyományos lámpa csak be kell szerelnem. A kompresszor motor lefulladása és a gép leállás egyidejűleg történt. Amikor a csiszoló fordulata ingadozott nem emlékszem hogy le e állt a számtógép.
Lehet kapni még hagyományos izzót szerintem
A foglalat itt a fő kérdés. Amikor az új hálózat be lett húzva a régi csatlakozások, kapcsolók és foglalatok ki lettek dobva. Időközben találtam már egyet holnap be is szerelem a hálózatba.
Még fent de elég ramaty állapotban.
|
Bejelentkezés
Hirdetés |










