Fórum témák
» Több friss téma |
Még a tirisztorok előtt játszottunk a transzduktorral.
El tudom képzelni.. a 80-as években hasonló módon, csak kis eltéréssel csináltam szabályozott mágneses erősítőt ( én így szoktam meg..).
Sziasztok,
Építette már meg valaki a Radiotechnika 2000-es évkönyvében megjelent tirisztoros szabályzót? Mi a tapasztalat róla? Előre is köszönöm. Üdv Bubu54.
Sziasztok!
Ez az áramkör alkalmas lehet CO2 hegesztő szekunderköri szabályzásra? Természetesen a 12V-os trafó helyett a főtrafó lenne néhány illesztés elvégzése után.
A hozzászólás módosítva: Júl 30, 2020
Szia!
Az Arduinó programozásához nem nagyon értek, ahhoz nem tudok részleteiben hozzászólni. A kapcsolás elvileg működhet, de a gyakorlatban az ilyen jellegű készülékeknél sok kis apró egyéb van, ami az üzembiztonságot szolgálja: -Kommutációs RC tag a teljesítmény félvezetőkön -Hálózati túlfeszültségvédelem (legalább a trafóban tárolt energia felét magára tudja venni, mielőtt a félvezetők zárófeszültségét elérné a kapcsolási túlfeszültség) -A nullátmenet vizsgálat azonos potenciálon, vagy sokkal nagyobb közös módusú elnyomást adó kapcsolás -A nullátmenet jel érzékelése a trafó előtt, hogy annak a torzító hatását kikerüljék -Szűrés a nullátmenet jelben hardveresen és szoftveresen, gyakran PLL-el követés -A tirisztorok gyújtástartományának korlátozása -A gyújtójel hosszának korlátozása -Ez a fajta félig-vezérelt híd üzembiztosabb, ha van nulldióda a kimenetén -A tirisztorok gyújtására gyakran külön tápot építenek fel, hogy minden gyújtásszöghöz ugyan olyan nagyságú gyújtóáramot tudjanak biztosítani -Ez igazából nem szabályozás, hanem vezérlés. Ha lenne áramérzékelés, akkor lehetne áramszabályozót is ráépíteni. Mondjuk ahhoz valószínűleg nem elég egy arduino
Szevasztok,
ez egy ötperces kapcsolás, működése az arduinóba töltött programtól függ. Meg kell építeni így, egy 12Vos izzóval, ha a potival lehet állítani a fényerőt 0-tól maxig, érdemes foglalkozni vele. A CO2es heggesztőnél nem követelmény az áramszabályozás. Ha működik, a pótméternél kell egy kis beavatkozás, ami nem gond, mert csak kb. 60 tól 100 %os vzérlésre lessz szükség. Ha még nincs trafód, duó szekundért ajánlok, lehetőleg minél kissebb belső ellenálással... Szükséged lessz két nagyteljesítményű tirisztorra, és egy visszafutódiódára. Az átalakításban szívesen segítek...
Köszi a segítséget és a választ!
Trafóm már van, sajnos 1 szekundere van, nem kettős, ezért a greatz félig vezérelt megoldásra gondoltam. A híd is készen van 2db 160A dióda+2db 160A tirisztor. Fojtó is készen van, csak ez a fránya vezérlés várat még magára. A "visszafutó" dióda említésekor egy a +,- kimenetre záróirányba kötött diódára gondolsz? A szűrőkondenzátorral is bajban vagyok, mert ha rákötöm a kimenetre, akkor a tirisztor nem tud kikapcsolni, bár olcsó gépekben nincs is ilyesmi, gondolom ez elhagyható. A hétvégén összehuzalozom a kapcsolást és beszámolok a működéséről. Még van egy orosz rajz ami ettől is egyszerűbb. Kíváncsi vagyok a hozzászólásokra ezzel kapcsolatban is.
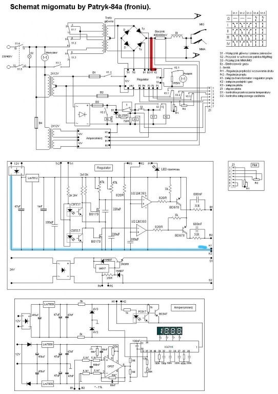
Én építettem egy tirisztor vezérlőt, igaz kicsit bonyolultabb, de megvan minden dokumentációja és nem tartalmaz semmi extra alkatrészt.
Ha publikus, légyszives mutasd már meg!
Köszi! Láttam már itt a fórumban ezt a rajzot Fronius néven, de több hozzászólásban is olvastam, hogy nem megfelelően működik. Neked zökkenőmentes volt a működése és élesztése?
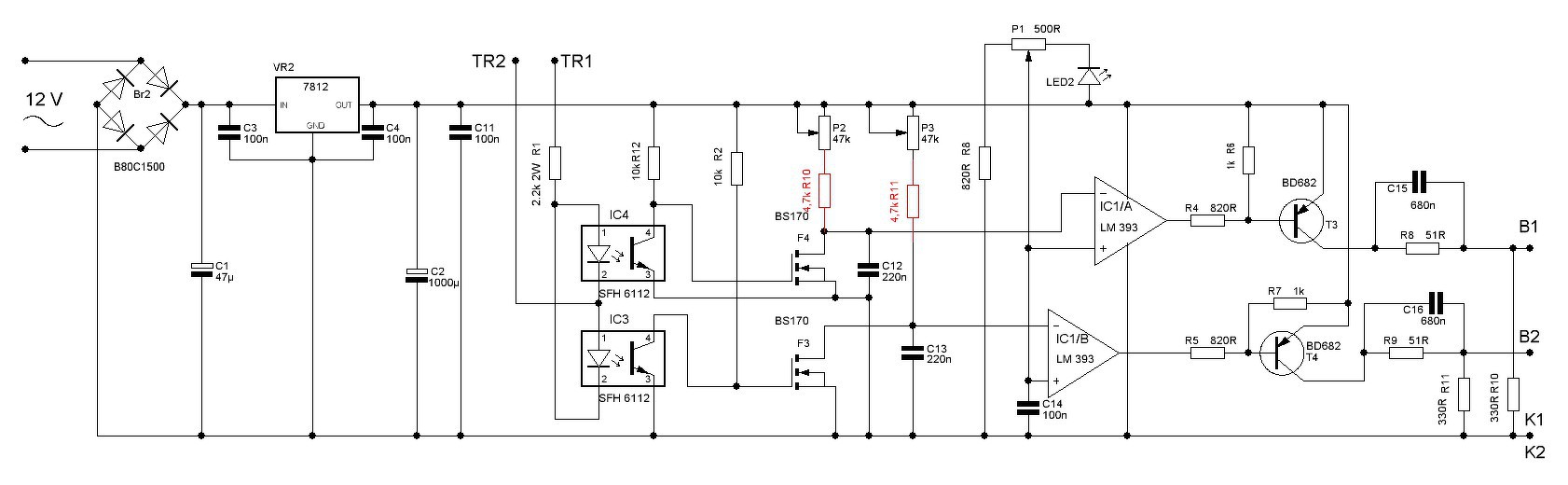
Van bent egy tervezési hiba, valószínű akiknek gondjuk volt vele azt nem vették észre. (először én sem, csak mikor a második FET garnitúrát lőttem el, akkor néztem meg a kapcsolási rajzot) Nagyon könnyű orvosolni a P2 és F4 közé és a P3 és F3 közé be kell tenni egy 4,7k ellenállást, mert a poti végállásban ráadja a FET-re a +12V-ot a másik fele meg testre van téve és ez egy kicsit sok neki. A módosítás után semmi gond nem volt vele. A mivel nem volt több FET-em, ezért sima BC 307-es tranzisztorral helyettesítettem, és azóta is azzal működik.
Felteszem a módosított rajzot, hogy beállításkor ne csináljunk hibát.
Nagyon szépen köszönöm! Akkor megpróbálom összerakni.
Légyszives még némi instrukciót adni, hogyan célszerű elvégezni a 2 trimmer beállÍtását?
Van hozzá nyák tervem is, igaz a két utólagos ellenállás nincs rajt. A két trimmerrel ha jól emlékezek azt lehet állítani, hogy a két tirisztor egy helyen nyisson és az áramszabályzó hol kezdjen szabályozni. A legkönnyebb szkóppal beállítani. Amennyiben jól emlékezek, mert 4 éve készült.
Köszi! Ha van nyákterved betehednéd azt is, mert a gyáriét leszedtem innen, de át kell rajzolni mert vasalható, vagy sprintes lay verzióban nem volt fent.
Kijavítottam, a két + ellenállás is rajt van. Mellékelem az alkatrész listát is mert nem azok a pozíció számok amik a kapcsolási rajzon vannak. A szerelt képen nincs rajt a módosítás és BC tranzisztor van beültetve. A FET és tranzisztor beültetése nem egyforma, arra vigyázz. IC-t LM293 használj, mert az -20 C-g működőképes, mig a LM383 csak 0 C-ig.
A hozzászólás módosítva: Aug 4, 2020
40x40x3 zártszelvény hegesztéséhez mekkora áramot és milyen vastag elektródát ajánlotok ?
2,5 mm rutilos elektróda, kb. 80 amper.
Működik a cucc. Annyit módosítottam rajta, hogy egy dc-dc konvertert raktam bele a 7812 helyett, mert a 24V-os segédtáp trafóra kötöttem és nehogy összekakálja magát menet közben a stab IC. Többféle verziót építettem már meg(HBFS, lengyel trafós AcessDeined féle, meg privát tranzisztoros nem publikus rajzot is kaptam ami meg se nyekkent.) A tranzisztoroson kivűl mind működött valamilyen szinten, de ez a favorit CO-ba, a fentebb általam belinkelt ruszki is végzi a dolgát. Arduino is működik, bár 15V-nál akadozott. Ez marad. Köszi mégegyszer! Üdv
Örülök, hogy jó lett. Amúgy az enyém is a 24 v-os segéd trafóról működik. Amennyiben jól emlékszek, szinte 0- 98 % között lehet állítani a kitöltést, ami felesleges. A poti értékét csökkentettem és sorba kötöttem vele egy ellenállást. FET-et vagy tranzisztort használtál?
Sziasztok meslac és tufatofu.
Az lenne a kérdésem, hogy a főtrafó résznél a D1,D2 és TIR1,TIR2 használjak? A hegeasztótrafóra még ne mértem rá de apósom 4-es pálcával használja általában csak néha túl erős, saccra azt mondanám olyan 160-180A. Köszi.
A D1,D2 és TIR1,TIR2 szükséges, ez az áramkör a TIR1-TIR2 tirisztort vezérli. Egyébként CO hegesztő szekunderköri vezérlésére szolgál. Valószínű hegesztőtrafó is szabályozható vele, de bizonyos változtatásokat kel végezni rajta.
Szia, Köszönöm a válaszod. Akkor lehet hogy nem ez a legmegfelelőbb kapcolás számomra. Viszont ha esetleg segítenél, hogy milyen irányba induljak azt megköszönném.
Megmértem a trafót. Primer körön 3 tekercs van (feltételkezem párhuzamosan kötve) 3 fokozatú kapcsolóval kapcsolhatók be. Primer oldal 1 fázis 230V 1-es fokozaton szekunder oldal 40V 0,25A üresjárat és primer oldalon 16A hegesztés közben 2-es fokozaton szekunder oldal 55V 0,5A üresjárat és primer oldalon 20A hegesztés közben 3-as fokozaton szekunder oldal 73V 1,8A üresjárat és primer oldalon 23A hegesztés közben (ezen a fokozaton nagyon zizeg a trafó) Ehhez kellene valami szabályzás és egyenirányítás mert a legkissebb fokozaton 2,5-es pálcával még nem nagyon gyújt, a 2-esen egész használahtó csak fröcsköl (feltételezem egyenirányítás hiánya miatt) 3-ason meg szétfújja az anyagot, szóval jó lenne ha valahogy visszább lehetne finoman venni. Előre is köszönöm. A hozzászólás módosítva: Nov 20, 2020
Esetleg a mellékelt kapcsolás jó lehet?
|
Bejelentkezés
Hirdetés |


















