Fórum témák
» Több friss téma |
Fórum » VFD óra IV-6 csövekkel
Témaindító: rockersrac, idő: Jún 28, 2010
Témakörök:
Szia! A clock azért van ott, mert órához a kereső megtalálja.
a NOS pedig a "new-old stock" rövidítése, hogy régi, új, a polcon van soksokéve...
A NOS jelentése ilyen hírdetéseknél a "new old stock", régi-új készlet, azaz régi, de még sose volt használva. Gyakorlatilag zsírúj csövet jelent.
Hasonló a BINB, az a "brand new in box", vadi új és dobozban van.
Köszönöm szépen a segítséget! Akkor meg is rendelem.
Szia, a for clock, hogy órába... De amúgy bármire jó. A NOS az New Old Stock, szó szerint újak, régi készletből. Vagyis használatlan, ennyi.
Jó építgetést! Melyiket tervezed összerakni?Szerk: nem láttam az előző hozzászólásokat, de most már itt hagyom... A hozzászólás módosítva: Dec 29, 2020
Szia,
ha anyagilag belefér, vegyél inkább iv-11-es csöveket (nem drága az sem), jóval nagyobbak, és a kész óra is impozánsabb látványt nyújt. Én olyat építettem, és nagyon tetszik mindenkinek.
Most azokat a csöveket vettem meg amit linkeltem. Ha sikerül ezt szépen megcsinálni akkor ez marad itthonra nekem. Aztán csinálok egy másikat is a munkahelyre nagyobb csövekkel. Köszönöm az ötletet.
Sziasztok!
Szeretném megépíteni ezt az órát. Bővebben: Link Az alkatrészlistánál írva van hogy 22k trimmer poti kell a kapcsoláshoz. Helyettesíthető 25k potival ? 7-35pF trimmer helyettesíthető 6-50pF trimmerrel ?
Igen, mindkettő helyettesítő megfelel.
Sziasztok!
Megépítettem ezt az órát de még nem üzemeltem be. Bővebben: Link Az lenne a kérdésem hogy hogyan élesszem fel ? Arra gondoltam labortáppal indítanám elsőként. Mondjuk 10V, és hány mA-el hajtsam meg ? A trimmer kondival mit tudok állítani, illetve kell állítani ? Ha igen hogy és miként ?
Feszültség alá helyeztem a nyákot, viszont egyenlőre csak az alját. Remélem nem okoztam ezzel bajt.
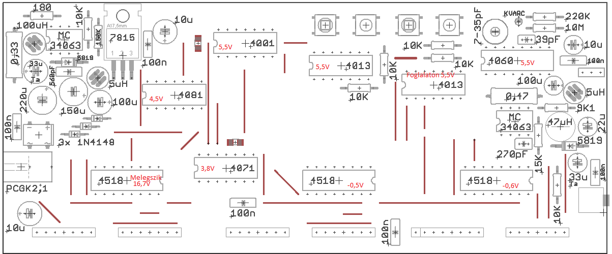
Sajnos az alkatrész lista alapján rendeltem meg az alkatrészeket, gondolván jól vannak felírva, de sajnos nem. 1db 4013 IC van feltüntetve miközben 2 db lenne szükség. Na mind1, így is feszültség alá helyeztem. Méregettem egy kicsit de nem győzött meg a dolog. Az egyenirányító most még nincs beültetve. A bemenetre 10,4V adtam. Áramfelvétel a halk ciripelő hang hatására 180-200mA között ugrál a mutató. 7815 kimenetén 14,7V-van. Az IC18 (MC34063AB) 4 és 6 lábán 10,4V van. Az IC19 (MC34063AB) 4 és 6 lábán viszont miért -8V mérek ? Miért nem sima 8V-ot ? A többi mért értéket ráírtam a beültetési rajzra. Kérhetnék egy kis segítséget hogy merre induljak tovább hibakeresés szempontjából ? Az IC lábakat már többször is végig mértem nincs e zárlat közöttük. A hozzászólás módosítva: Jan 16, 2021
Üdv!
Elsőre és az IC-k nélkül nézném meg a feszültségek meglétét az összes IC foglalat megfelelő pontjain a 34063-sok berakásával és utána a 4060 -kimenetén már mérhető a 2Hz ( led és soros ellenállással is) aztán mehet a többi. A melegedő IC -t nem fordítva tetted be véletlenűl? A másik 2 4518-as IC nem kap +16.8 v -ot a 16-os lábra (nincs összekötve a melegedő IC 16 lábbal. A nyák terven legalábbis nincs. A hozzászólás módosítva: Jan 16, 2021
A 4001,4013,4013,4060,34063 (beültetés jobb felső rész) nem kap GND-t
A kijelző panelen az IC-k 4 lába csak 1 helyen van bekötve (minegyiknél kel)
Több hiba is van!! A hozzászólás módosítva: Jan 16, 2021
Az IC-k tápfeszültsége katalógus szerint 3-15V . A kapcsolásban 16.7V ezt szerintem hosszú távon nem fogja elviselni. Igaz a csöveknek meg kevés a 15V , valamilyen megoldást kel találni ,hogy meglegyen a 17-25V.
A hozzászólás módosítva: Jan 16, 2021
A Texas által manapság gyártott CD sorozatnál az absoltue maximum Vdd = 20V, a recommanded operating condition Vdd 3 .. 18 V
Felmerül bennem, hogy egy cikkhez miért nem lehet megjegyzést, építési tapasztalatot, értékelést hozzáfűzni? Ebben az esetben a panelterv hibáira lehetne felhívni az utánépítők (és a szerző) figyelmét.
Szia!
Kivettem minden IC-t a foglalatból. A DC-DC konverterek maradtak csak. Nincs fordítva a melegedő IC. A következőket mértem. Képet mellékeltem. Áramfelvétel most alig volt. Külön mértem úgy is hogy csak az alsó panel és külön úgy is hogy a két panel össze volt csatlakoztatva. Miután rátettem a felső panelt is a ledek nem világítanak rajta. Mondjuk azt nem tudom hogy így kellene-e nekik. A felső panel IC foglalatain 16,8V mértem.Mindegyiken. Beletettem a 4060 IC-t és az 1 2 és a 15 lábon ha rajta a led akkor villog. Ez így akkor rendben ? Jöhet a többi IC is bele egyesével, vagy ami már üzemelt és leteszteltem az maradhat is benne ?
Akkor ez az egész nem is működőképes ? Hagyjam is a fenébe mert nem fog működni ?
![]()
Működni fog, de egy kicsit nyomozni kell. Feszültség mentesen, ellenállásmérővel sorra ellenőrizni kell, hogy az integrált áramkörök egyes kivezetései tényleg össze vannak kötve minden a kacsolási rajzon összekötött ponttal. egy kicsit fárasztó, de ezzel a panel megmenthető.
Ellenőrizni kell, hogy az összes átkötést megvalósítottad (piros vonalak). Amit eddig tudunk: - Óra panelon egyes IC -k föld bekötése nem kapcsolódik a közös föld ponttal, - A kijelző panelen a CD4511 -esek 4. lába csak az egyiknél van bekötve. Gyűjtsük itt össze a problémákat. Ha életre kelt, kérjük meg a szerzőt ill. a moderátorokat, hogy a feltárt hibákat javítsa vagy egy hibalistát adjon/adjanak a cikkhez. A hozzászólás módosítva: Jan 16, 2021
Nekem egy kicsit bonyolult ez a kapcsolás, így kérdeznék egy két dolgot.
Az IC2A IC2B az egy IC ugye ? Csak így vannak jelölve a kivezetései az adott ic-nek. A többi IC is ugyan ilyen alapon van ahogy látom.
A CD4001 , CD4071 illetve a CD4081 tok 4 darab egyforma, azonos működésű egységet (kaput) tartalmaz. A rajzon IC4A , IC4B, IC4C, IC4D egy CD4071 négy kapuját, az IC5A, IC5B, IC5C, IC5D a CD4081, az IC6A négy kapuját, az IC6B, IC6C, IC6D egy CD4001 négy kapuját jelöli.
Ugyanakkor a CD4013 és a DC4018 is két egyforma, azonos működésű egységet tartalmaz. Azonban a rajzon őket a kétféle módon jelöli a rajz: CD4018: IC7A - CB4018/1 , IC7B - CB4018/2, IC8A - CB4018/1 , IC8B - CB4018/2, IC9A - CB4018/1 , IC9B - CB4018/2 CD4013: IC2A - CB4013/1 , IC2B - CB4013/2, IC3A - CB4013/1 , IC3B - CB4013/2
Sziasztok!
Érdeklődni szeretnék hogy lenne esetleg valakinek kapcsolása IV-11 csövekkel készült órához ? Ha meg még nyák terv is lenne hozzá az még jobb lenne. Olyanra gondolok mint ez. Bővebben: Link Lehet akár Pic-el működtetett is. Vagy ezt átlehetne alakítani ? Tudna esetleg segíteni valaki ?
https://www.hobbielektronika.hu/forum/ki-mit-epitett?pg=1504
Itt is körül nézhetsz
Üdv!
Építek egy órát IV-6-al, és az lenne a kérdésem, hogy a multiplexelést hogyan célszerű megoldani? A katód ki-be kapcsolgatásával, vagy a rács segítségével? Mik az előnyök és hátrányok a két módszernél? Köszi!
A multiplexelést a rács vezérlésével célszerű végezni. A fűtést ( a vfd katódja a fűtőszál) nem érdemes kapcsolgatni és akár két iv-6 is kerülhet sorbakötve egy fűtési áramkörre.
Köszi!
![]() Esetleg van valakinek magyarra fordított adatlapja a csőről?
Sziasztok! IV-11 VFD csöves órához nem lenne valakinek kész panelja?
Vezérlő nyák és csőpanel van (saját terv, beültetési rajzot és hex et adok mellé ) ha érdekel keress meg privátban.
|
Bejelentkezés
Hirdetés |




a NOS pedig a "new-old stock" rövidítése, hogy régi, új, a polcon van soksokéve... 






