Fórum témák
» Több friss téma |
Fórum » FM antennához erősítő
Témaindító: szegibalint, idő: Feb 20, 2008
Témakörök:
A hiba a sávszélesség. A 9088 sávszélessége a 70 kHz -es KF -ben 10 kHz körül van, míg egy 10,7 MHz -es hagyományos KF esetén 180 - 360 kHz. Az érzéketlenség a sávszélességek különbségéből adódik.
Van tippetek, hogy ez a kapcsolás hogyan működhet?
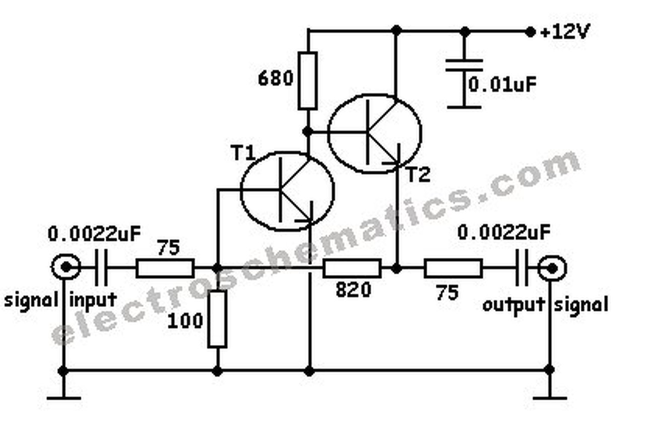
Egy 4Car gyártmányú autóba való antenna, erősítővel. Azzal hozták, hogy nem működik. A vezetékek nem szakadtak, zárlat nincs. A kapcsolás elég érdekesnek néz ki...ha ez jó szó rá.
Biztos jó helyre rajzoltad a 10u kondit?
Most látom pnp tranyokhoz még a tápfesz polaritása sem stimmel. Így a rajzod biztos hibás. A hozzászólás módosítva: Aug 21, 2017
Vagy az a panel fordított lábkiosztású és NPN tranzisztorokhoz lett tervezve. Akkor lehetne egy darlington, amit ezen a frekvencián már nem szoktak használni. Vagy csak az egyik volt PNP és valaki rossz típusra cserélte. Így sose működhetett. Vagy már gyárilag nem azt tették bele, amit kellene?
Mindkét tranzisztor S9012, PNP. A bekötése EBC szemből. Ha megnézitek a rajzot, meg a panelt, akkor látszik szerintem, hogy ez így sikerült...
Persze, hogy nem stimmel, ezért írtam érdekesnek...A tranzisztorok forrasztása arra utal, hogy nem piszkált bele senki. Sokszor forgattam a szemem a visszarajzolás alatt, újra megnéztem, biztos PNP? Biztos az a kollektor? Biztos az a plusz táp? ![]() Ja, azt nem írtam a kis panel egy autós antenna talpában van, mindenféle rögzítés nélkül. Ha kétszer megtekerik a kilógó vezetékeket, már le is szakadt az árnyékolás. De ennek a panelnak úgy néz ki nincs szüksége ilyenre sem a nem működéshez. A hozzászólás módosítva: Aug 22, 2017
Én is nézegettem a fényképeidet és a rajzodat legalább fél óráig. Azt is megállapítottam, hogy jól rajzoltad le, de így nem lehet működőképes.
Idézet: Elképzelhető,hogy valahol távol-keleten egy dzsunkán rakták össze, és ott csereberélték össze a tranzisztorokat. Legjobban jársz, ha az egészet újjáépíted. Találtam neked egyet, ami biztosan működőképes. Ha nem kell akkora erősítés, az első fokozatot egyszerűen elhagyod, majdnem olyan, mint a tied, rá is fér ugyanarra a panelra. Bővebben: Link „A tranzisztorok forrasztása arra utal, hogy nem piszkált bele senki.”
Vagy itt van egy olyan egyszerű, mint ami nálad van. A 75 ohmok itt nem kellenek, helyükre rövidzár is mehet.:
Köszönöm a fáradozásod, közben kiderült, hogy 1750Ft a szerkezet... :o Visszaadtam. Sajnálom, hogy elvett az életedből fél órát, nem ért ennyit. Majd valahogy meghálálom.
A hozzászólás módosítva: Aug 22, 2017
Sziasztok! Hozzon valaki képbe legyenszives, a távtáplálással kapcsolatban! Autó rádió kimeneten erősítős antenna de szét ette az idő.... Szívesen építenék egy jó erősítőt is hozzá hely van ...
Nos, a koax belső erén van 12 volt meg a jel, az árnyékolás meg a test.
Nah, az ant. erősítőnél a jelet kondival csatolod be, a tápot pedig folytótekercsen keresztül veszed le. Ez a kép jól mutatja a megoldást: http://www.techlib.com/electronics/graphics/antbufnew.gif
Sziasztok!
3 elemes Yagi antenna jelét szeretném 4 rádiókészülékhez elosztani. a rádiók kb 10-20m távolságban vannak az antennától, ami a padláson van. Mi a helyes eljárás ilyenkor? A hozzászólásokat elolvasva arra jutottam, hogy egy antennaerősítő megfelelő lenne erre a célra. Nálam nem az antenna jelszintje alacsony, hanem a kábelezés csillapítása nagy. Jól gondolom? Mit javasoltok? Köszönettel, Csaba A hozzászólás módosítva: Jan 11, 2021
Hello! A rádiókészülék bementi impedanciájának illeszkedni kell az antenna talpponti ellenállásához. Ezért kell az erősítő fokozat, plusz azért, hogy a szétosztás hatására létrejött jelszint csökkenést pótolja.
Megjegyzendő hogy az erősítő szélessávú mivolta miatt, alapból rongálhatja a rádió vételi minőségét.
Ha ott laksz ahol az adatlapodon megjelölted, még külső antennára sincs szükséged.
Ha pedig kis térerejű távolabbi helyi adók vételére vágysz, annak vételét pedig az országos nagyadók Széchényi hegyről sugárzott nagy térereje fogja lehetetlenné tenni. Ha pedig mégis külső antenna jeleit szeretnéd négyfelé szétosztani, azt vidáman megteheted egy négyes elosztóval minden erősítő nélkül, ehhez elég nagy jelet szolgáltat az antennád. Azonban mind a négy rádiódnak 75 Ω aszimmetrikus bemenettel kell rendelkezni.
Szia! egy 3-as osztó max 7 dB-t csillapít. ezt visszaerősíteni? Ha meg közel lakik egy (gerinc)adóhoz, akkor az erősítő úgy le fog ülni...
Egy mondás jut eszembe, jó ez az erősítő, parasztnak tanyára! Mivel onnan többnyire messze van egy nagy teljesítményű adó...
A XXIII. kerület (Soroksár) viszont kb. 14 km, tiszta rálátással. Úgyhogy a Széchényi hegyi nagyadók jelentős térerőt produkálnak.
A hozzászólás módosítva: Jan 11, 2021
Nagyon köszönöm a válaszokat mind a négyeteknek!
Igen Soroksáron van az antenna. Ezek szerint az osztás- és kábelhossz miatti veszteség nem kíván kompenzálást az én esetemben? Ha már szóba került az illesztés: a bot antennás, teleszkóp antennás, drót antennás stb. rádiókat, vagyis amiknek nincs se szimmetrikus 300 ohmos se aszimmetrikus 75 ohmos bemenete, lehet valahogy illeszteni 75 ohmos kimenettel? A hozzászólás módosítva: Jan 11, 2021
Idézet: „amiknek nincs se szimmetrikus 300 ohmos se aszimmetrikus 75 ohmos bemenete” Azokra minek akarsz külső antennát kapcsolni, hiszen szólnak a saját antennájukkal, hacsak nem pincében, vagy bunkerban szeretnéd használni, akkor meg oda olyan való, aminek van antenna csatlakozója. Külső bemenetet lehet fabrikálni rá, de nem egyszerű a feladat, bele kell nyúlni a rádió URH fokozatának a bemenetébe, az pedig még megfelelő eszközök birtokában sem egyszerű. Idézet: Valószínűleg nem. Ha mégis így lenne, egyszerűen cseréld ki az antennát egy nagyobb nyereségűre, attól jobb megoldás nincs. „Ezek szerint az osztás- és kábelhossz miatti veszteség nem kíván kompenzálást az én esetemben?”
Igen ilyesmire gondoltam. Amikor a XVIII ker zavarmentesítését végeztük, (2000 után...) A NOD-nál 49,25 MHZ-n 135 dB betörési zavart észleltünk. Ez kb a 7. visszirányos erésítő volt. A 3COMM-os főnök kéjelgett, én ezt kikapcsoltatom!!! Szerényen, halkan szóltam neki, szerintem Laci ez neked nem fog menni! ??? Nézett rám, mert ez a Szabadsághegy, O1, MTV1! Szerintem nem fog ez neked menni!
![]() (Csak úgy eszembe jutott... ) A hozzászólás módosítva: Jan 12, 2021
Hát az egyik ilyen az pincében lenne...
![]() Köszönöm a válaszokat!
Esélyes, hogy az is szólni fog a saját antennájával, hacsak nem vasbeton a pince. Ha mégis, akkor csak oda kell levinni az antennától a koaxot, és vagy teszel oda egy korrekt antenna bemenettel rendelkező rádiót, vagy a meglévőre umbuldálsz rá egy koax csatlakozót, úgy hogy a csatlakozó ház a panel testjére , a közepe az antenna bemenetre, minél rövidebb vezetékkel. Aztán vagy jó lesz, vagy nem.
Bővebben: Link Bővebben: Link Kerestem volna RF koax aljzatot, de meg lehet oldani függő anya csatlakozóval is, rövid koax darabbal, aminek a másik végét kibontod. Talán jobb is ez a megoldás, kevesebb roncsolással ját. De vagy a saját, vagy az utólagos csatlakozás legyen, a kettő együtt biztos nem jó. A hozzászólás módosítva: Jan 12, 2021
Köszi! Valami hasonló "tákolásra" gondoltam én is, vannak is csatlakozóim hozzá.
Üdv!
Autórádióhoz szeretnék antenna jelerősítőt vásárolni. Milyen paramétereinek kell lennie, hogy betöltse a funkcióját?
Nem igazán értem a kérdést. Visszapillantó tükörbe épített antennához gyárilag van benne erősítő. Normális antennához autóba soha nem kellett erősítő. A mostani autókba már gyárilag be van szerelve a rádió. Ez érvényes rájuk már úgy 15 -20 éve. Talán valami veteránautó? Vagy gyenge a rádió?
A hozzászólás módosítva: Aug 14, 2021
Ahogy fecameca írja, gyári antennához nincs szükség erősítőre, mert minden ma használt egzotikus autó antenna tartalmaz erősítőt. Ha meghibásodott, vagy nem kap tápfeszt, meg kell javítani, vagy cserélni.
Az életben senki nem keresett engem ilyen kéréssel, pedig beszereltem jónéhány autórádiót. (Pedig már 64 éves vagyok)
Nem tudni, nem közölte miért van szüksége antenna erősítőre. Azt biztos nem tudja, hogy az autórádiók elég érzékenyek önmagukban, normális antennával nincs szükség antenna erősítőre.
A mai egzotikus antennáknak (cápauszony, tükörbe épített stb) pedig van gyári beépített antennaerősítőjük. Ezekhez, ezért nem kell. Hogy mi is az elképzelése, majd kiderül, vagy nem. Én meg +12, és láttam már karón varjút. |
Bejelentkezés
Hirdetés |







Persze, hogy nem stimmel, ezért írtam érdekesnek...

)





