Fórum témák
» Több friss téma |
Hello! A 7. oldalon a működési leírásban "vagylagos" működésről beszél, tehát nem kell bekötni csak a tápfeszt.
Kipróbáltam így is, úgy is, de nem akar leállni. Most nincs bekötve az LT.
Nem úgy kellene bekötni, hogy az L és N az állandóra kell és az LT az a kapcsolószállal működtetett időzítőé lenne? Annak a legrövidebb ideje kettő perc amit 30 percig lehet állítani. Ha ezt nem akarod használni akkor csak a páratartalom lesz a mérvadó ami 60-90% között működteti a ventilátort.
?? A hozzászólás módosítva: Nov 3, 2020
Igen. Ezt akarom elérni, de akár hova tekerem, ez nem áll le.
A leírás azt állítja hogy a pára megszűnése után is kivárja a beállított időzítést. De ha ez alatt nem szűnik meg a pára, nem áll le.
Mindkét értéket minimumra. Szerintem.
Egy másik típus manualjában találtam részletesebb leírást.
https://i.ibb.co/M7Syg9k/Untitled-1.png
Nem. Időt minimumra, párát maximumra. Utána csökkenteni a párát.
Igaz, a párát minél nagyobbra veszi az ember annál hamarabb lesz érték alatt ha működik a ventilátor.
Sziasztok!
Vettem egy obis szellőztető ventilátort. L, N, LT kapcsolási pontok vannak rajta. Annyi találtam róla, hogy impulzusra indul, beállított idő után lekapcsol. A problémám az, hogy azt szeretném, hogy a WC világítással induljon. Ennek megfelelően 2 vezeték megy a kapcsolótól el. Hogy tudnám megoldani, hogy a folyamatos 23V-ből impulzus menjen ki a megfelelő helyre? Mi kell hozzá? Segítséget köszönöm előre is!
Kell mégegy folyamatos 230, amit nem kapcsolsz le. Az L és az N kapcsokra kell kötni, a kapcsolt pedig az LT. Én így értelmezem a leírásod alapján.
Majd, ha nem "egy obis"-t írsz, hanem pontos típust...akkor pontosan megmondjuk!
Meg a "23V-ből"...az mennyi is? Az efféle ventilátorok bekötéséhez általában 3 vezeték kell. De ennek a témának van már fóruma, amelyben minden infót megtalálsz!: Bővebben: Link
Uniman nincs pontos típusa, ezért nem azt írtam. A 23V 230 akart lenni, de lemaradt a nulla valamiért.
System 125 (Lux), ennyi van a dobozán. A lényeg az lett volna, hogy a kapcsolt 230-ból mivel tudok egyszeri impulzust kicsalni. Minden más feltétel adott.
A linket köszi, már olvastam, nekem nem segít. Ez egy szimpla szag kihajtó ventilátor.
A linkje: https://www.obi.hu/ventilatorok/obi-ventilator-air-style-system-125...986909 Tisztában vagyok a 3 vezeték szükségességére. A hozzászólás módosítva: Nov 1, 2021
A kapcsolt 230-ból hogy lesz impulzus? Erre lenne csak szükségem.
Biztos vagyok benne, hogy nem gyártanak olyan ventit, ami impulzussal megy, valószínűleg a felfutó élre bekapcsol és egy off delay típusú időzítő van benne, de akár ki is próbálhatod. Feszt ráadod és indul, feszt leveszed és beállított X ideig fut még majd leáll. Az impulzus fordítási hiba lesz.
Az impulzus csak egy jelző . Olyan kapcsoló kell hozzá mint a csengőgomb (visszaugró)
A hozzászólás módosítva: Nov 1, 2021
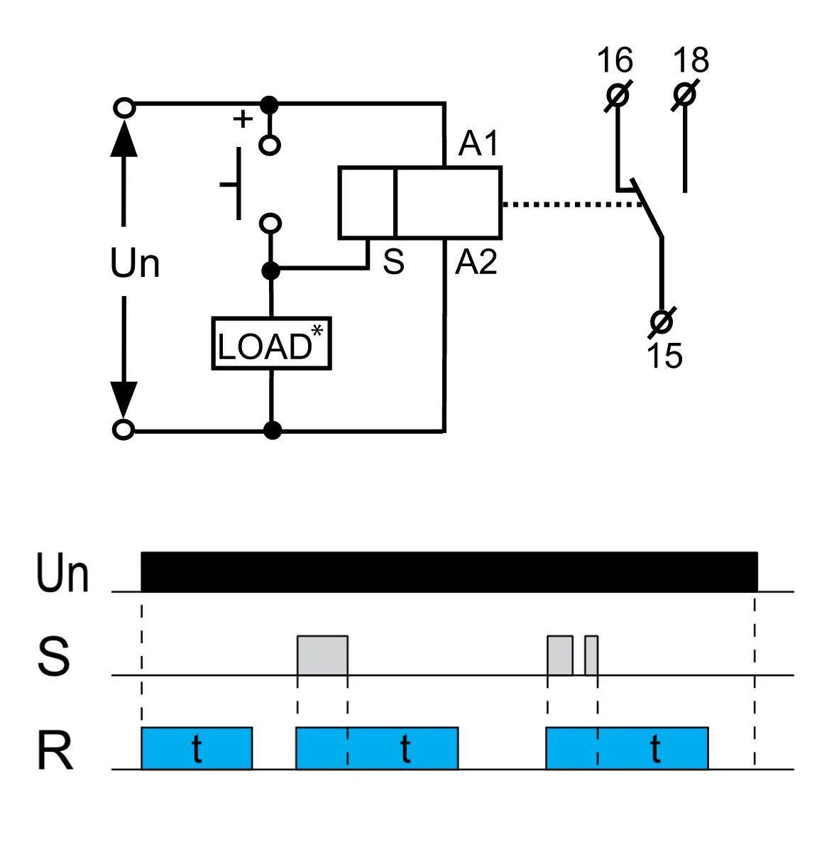
Nem kell semmit variálni. Az egésznek annyi a lényege, hogy nem azonnal kapcsol le, hanem a beállított késleltetés után. Ehhez kell neki nulla, fix fázis és egy kapcsolt fázis. Az impulzust nem kell szó szerint venni, amikor a kapcsolt megszűnik, onnan indul az időzítés. Direkt úgy van kitalálva, hogy pl. a WC világítást felkapcsolod, és ennek a kapcsolt fázis szálát kötöd az LT pontra, ennyi. Amikor kijössz, lekapcsolod a villanyt, de a ventilátor még megy egy darabig, hogy a szagos levegő kimenjen.
Beállok a sorba.
A képen minden rajta van. A load helyére képzeld az izzót. Amíg a lámpa kap áramot már megy a venti, de a lámpa kikapcsolásától indul az időzítés.
Ha tisztában vagy ezzel, akkor azzal is, hogy az e célra gyártott pl. WC ventilátorok egy lámpa felkapcsolásával egy időben kezdenek el működni, és a kikacsolása után késleltetve kapcsolnak ki.
Miért pont ezt a típust választottad...mikor létezik "időzítős" is. Ebben valószínűleg nincs is időzítő áramkör beépítve (amit a hozzászólók többsége feltételez)... ami pl. ebben a típusban benne van. Itt a lényegről egy videó! A hozzászólás módosítva: Nov 1, 2021
Rakj már fel egy képet a bekötési részéről, mert most már tényleg nem egyértelmű, hogy mid is van. Az OBI-s linkeden tényleg egy időzítő nélküli van...
A kért kép. Plusz kapcsolási rajz.
Ezzel kellett volna kezdeni! Már csak az a kérdés, hogyan szeretnéd használni: időzítővel, vagy csak ki/be kapcsolgatni? Ki/be: A két fekete vezetékre mehet a 230V ...(panel kikötve)
Időzítve akarjuk használni. Állandó 230 megy az L-re, nulla a helyére, a kapcsolt fázis meg az LT-re.
Legközelebb képekkel indítok.
Akkor egyszerű: Egy 230V-os nyomógombot bekötsz a L és az LT közé. Egy pillanatra megnyomod, akkor a beállított ideig működni fog a ventilátor (Ha nem világítással szinkronban kell működnie)
A hozzászólás módosítva: Nov 2, 2021
Moderátor által szerkesztve
Akkor az előzőleg már vázoltak szerint.
Villanyszerelőm magyarázta, hogy impulzusra indul a ventillátor. Én biztos voltam benne, hogy a kapcsolás megszűnés után indul az időzítő.
Ne hallgass másra. Indul impulzusra IS. Az is egy impulzus, amikor felkapcsolod a villanyt, majd le...csak kicsit hosszabb.
|
Bejelentkezés
Hirdetés |





??



