Fórum témák
» Több friss téma |
Mielőtt kérdezel, a következő két dolgot ellenőrizd!
I. A helyes tápfeszültségek megléte.
II. A kimeneten van-e egyenfeszültség.
Kvázi A-osztály, alacsony keresztezési torzítást ígér az adatlap Bővebben: Link.
Ha a két szélső, 1 és 0 lábakon testhez képest ± 2-2,5 V mérhető, akkor az STK-t jónak mondanám.
Remélem a vége jó. Amint írtam, szól az egyik oldal, vagyis nincs elbillenve, védőáramkör passzív.
Holnap postázzák és kiderül, mi a baj.
Így néz ki a belseje. Neten találtam. Van olyan is, ahol a trafót végharangos borítása van. Már nagyon kíváncsi vagyok, mert a mérések majd mutatnak valamit. A jó oldalon végül is már meg tudom mérni a konkrét teljesítményt, tápfeszültséget...
Ha kell a rajza, hifiengineen fent van, de ha írsz egy emailt privátra el is küldöm.
Nagyon jó lenne, írok! Amúgy a hifiengine-n nem láttam, de hiába lenne, újabban nem enged letölteni, valami nem személyes okból. Pedig sok manuált szereztem be onnan.
Íme: IP: xxxxxxxxxxxxxx
ASN: 21334 Cég: Vodafone Magyarország Kft. Szolgáltatás: ez a hálózat visszaélés miatt le van tiltva Ha blokkolt mobil-, proxy- vagy VPN-szolgáltatást használ, a folytatáshoz jelentkezzen be újra normál vezetékes internetkapcsolaton keresztül. Köszönjük. Vegye figyelembe, hogy a proxy- vagy VPN-szolgáltatásból származó ismételt csatlakozások a fiók további értesítés nélküli törlését eredményezik.
Megjött a készülék. Segítség az nem de ilyen az élet.
Szóval a készülékben már csak az egyik STK van benne, ami nem egyezik meg a sima 8250-el. Még rosszabb a kifejlet, hogy a II változatról nem is találok rajzot a neten. A 8250 10 lábú, a II-es változat 12. Az Eladó szerint egyik oldal szól, szerintem nem nagyon, de még kutakodom. A paraméterei miatt érdemesnek gondoltam megjavítani, ha nem sikerül alkatrészt keríteni, a dobozba másik erősítő kerül komplett.
Varázsló!
Köszönöm!
Amint látható az egyszerűbb STK körítése se semmi. A most műtött erősítőben is látok egy tokban 2 tranzisztornak tűnő tokokat, elképzelhető, hogy hasonló a II-es változaté is.
Nekem úgy tűnik, ezek az erősítők utánzási kísérletei klasszikus vakvágányok az eredeti alkotók nélkül.
Idézet: „egy tokban 2 tranzisztornak tűnő tokokat” Vannak duál tokozású tranyók! Hőegyüttfutás okán jó alkalmazni, talán a bennük lévő tranyók is össze vannak válogatva. Nekem ezek az STK IC-k hangban ugyan tetszetősek, de evolúciós zsákutcák. Pont a vég integrált, szerintem az elejét kellett volna... A hozzászólás módosítva: Nov 23, 2021
Hamar - viszonylag - leálltak velük, a mostani integráltak - LM,TDA - típusokat olcsóbban és egyszerűbben szerelhetően készítették. De valódi, jó hifi holmikba mégsem teszik utóbbiakat.
Az LM3886-al vannak jó tapasztalatok, de mégsem kéne...
TDA hangja gyalázat, LM jobb, de az integrált végtranyók miatt szintén nagy a termikus torzítás.
Van egy oldal, ahol az alkatrészeket tekintve nagyon jónak tűnő körítéssel az LM3886-ot feldícsérték. De ugyanazon az oldalon a TDA2003-at is. Eloldalogtam onnét...
Fejlemény: A CA-350 meglévő oldala tényleg szuperál. A tulaj leírta, a készülék hátulján levő EQ ki-bemeneteket össze kell kötni és tényleg. Még a végén vennem kell egy 8250-II-t...
Az eredetire valamelyest hasonlító példány 30 dolcsiba fáj.
A kapcsolás valószínűleg hajaz a 8280II-re. A Fisherben a 2SK185 dual JFET lehet a bemeneti diffreneciálerősítő, ez egy igen értékes alkatrész. Szerk.: A kiforrasztott STK helyén összekötöd a 3-4-10-12 lábakat, be kéne állni a kimeneti offsetnek. Ugyan semmivel sem terhelhető, kivéve a mérőeszközt, de megtudod tényleg csak az STK-t kell-e pótolnod. A kiforrasztás nem tette tönkre a NYÁK-ot? A hozzászólás módosítva: Nov 23, 2021
A javításról szóló filmben a 2 STK cserélése után még mindkét oldalon cserélt Q7-Q8-ként említett pozícióban 2SC2240 tranzisztorokat. Ilyen pozíciószám az IC-k körül nincs is, de hátha a fordító program egyszerűsített, még utánajárok.
Az STK8250II 10. és 12. lábához emberi számítás szerint egy-egy tranyó kollektor kapcsolódik a VAS topológiájától függetlenül. Ezeket kiforrasztva érdemes megmérned, hátha elvitte őket az STK.
Ha elbillen a nagyjelű erősítő tesztkapcsolásban, akkor a hibás tranyók többnyire elcsíphetők az irreális B-E, C-E feszültségük alapján anélkül, hogy doksit vennénk a kezünkbe.
Új fény az alagút elején...
Az egyik Tanyás Kolléga észrevétele, ajánlása alapján letöltöttem, megnéztem a CA-550 erősítő doksit. A készülék kívülről szinte azonos, belül meg a nagyobb teljesítményű végfok, táp különbözése tűnik csak másnak, de a körítés ugyanaz.A meghajtás átvizsgálása így még könnyebnek tűnik, hamarosan megejtem. (Az új alkatrész, STK mennyire lesz megbízható, beszerzése a jövő kérdése lesz)
Remélhetőleg belátható időn belül megérkeznek.Ha nem pillanat működésű az IC, akkor lesz egy tartalék darab. A nyákon szereplő alkatrészeket jónak mértem, reménykedem.
Egy kérdés: Mivel 2 db IC-m lesz, mi a véleményed, cseréljem-e le a meglevő működőt is, hogy egyforma legyen a 2 oldal?
A hiányzó alkatrész után a nyák, forrszemek nagyon nem rongálódtak, 1 kivétellel, ott egy pici huzaldarabbal megoldom. Mivel a nyák nem üvegszálas, nem melegíteném nagyon a kiforrasztásnál a működő oldal huzalozását, pontosan tudom állítani a páka hőfokát... Ami izgalmasnak ígérkezik, a nyugalmi áramot egy ellenálláson eső 7 mV-os feszültséggel lehet indikálni és ezt egy trimmerrel beállítani. Most annyi a könnyebbség, hogy a működő oldal beállítását meg tudom mérni...
Én nem bolygatnám a régit, ha amúgy tökéletesen működik.
Lesz egy összehasonlítási alapod az új IC meghallgatásos tesztjéhez. Ha az új hangját ugyanolyannak ítéled, akkor van egy tartalékod, az nem árt. Ha az új hangja csapnivaló, az gáz. Akkor add el az egészet.
Logikusnak tűnik, amit írtál. A felemással próba amúgy kézenfekvő, hiszen az STK hiányt pótolva kézenfekvő...
Nézegetem ezeket a most kapható STK IC-ket. Pár sorral feljebb nézem, még a felirat betűi sem sikerültek szépen egy sorba...
![]() Anno leközölték egy korabeli STK IC belsejét, bárki utána építhette. Az eredmény mégis siralmas volt. Mivel a Sanyo több tízezer tranzisztorból válogatta össze az IC-k alkatelemeit, így azok akkoriban valóban kiválóan szóltak. Vajon ezek az utánzatok is ilyen precizitással készülnek?
Az ellenállásokat, kondenzátorokat lézerrel agyusztálták.
A hozzászólás módosítva: Dec 7, 2021
Ami jó azt nem piszkáljuk
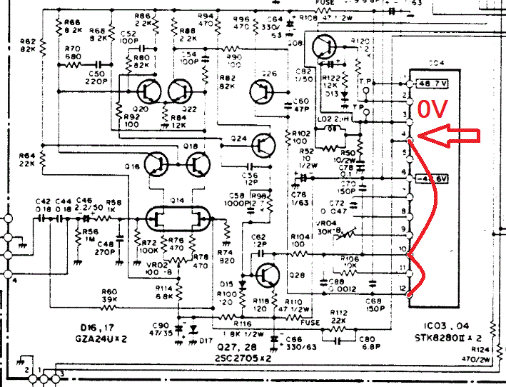
.Az STK beültetése előtt a mellékelt ábra szerint tesztelném a nagyjelű erősítőt. A kimeneten ±200 mV-nál kisebb egyenfeszültséget tekinthetünk elfogadhatónak. A 10 és 12-es lábak előtti (a CA-550 rajzán 100 Ω) ellenállásokon 5-10 mA-nek megfelelő feszültségesés a normál érték. Ha ezek nem teljesülnek, feltétlen javítandó a tranzisztoros fokozat az IC beültetése előtt. A 30k nyugalmi áram állító trimmer nagyobb ellenállás-értékéhez tartozik a kisebb nyugalmi áram. A primer-köri áramkorlátozó izzó remélem be van készítve. A hozzászólás módosítva: Dec 8, 2021
Idézet: Meg a nyitókapa és a csákány... „A primer-köri áramkorlátozó izzó remélem be van készítve. ” ![]() Köszönöm a segítséget, beszámolok, ha behajózzák az alkatrészeket és nekifoghatok. |
Bejelentkezés
Hirdetés |







Köszönöm! 










