Fórum témák
» Több friss téma |
Fórum » Muzeális készülékek-alkatrészek restaurálása
Témaindító: Kutyuli, idő: Márc 29, 2008
Témakörök:
10 mm-re van az alsó meg a felső érintkező egymástól, azok vízszintesek ( és középen meg van még egy függőleges)
Az AM sávokra 13mm-es a csati, és az egyik függőleges, a másik meg vízszintes, de olyanom van. Szóval köszi, de ez nem passzol. A hozzászólás módosítva: Jan 5, 2022
A kisebb a rádió FM akkor szimmetrikus 300 ohm de ha váltott irányban van benne a tüske akkor AM antenna és föld. Ha a szélesebb akkor tv antenna dugó UHF vagy VHF szimmetrikus 300 ohm tüske állástól függően.
Sziasztok! Örököltem egy Videoton Rapsody GR4900-at.
Szeretném felújjíttatni az elektronikáját, ezért keresem a kapcsolási rajzát, de eddig nem találtam, csak a Videoton melodyn R4900-ét. Mivel a Google a barátom, ezért rákerestem, elég erős a hasonlóság a külső, és a belső kinézete között, ezért, valamint az ezen fórum 2010 májusi bejegyzései alapján felmerül bennem a kérdés: Lehet, hogy a kettőnek ugyanaz a belseje? Továbbá kérdezném, hogy Szeged környékén tudtok-e olyan szakembert, aki vállalná a felújjítását, valamit OIRT-CCIR áttekercselését, hogy a mostani FM rádiókat tudjam vele hallgatni?
Szia!
Már nem tudom, honnan, de nekem pont ez a változat van meg kapcsolási rajzként Pedig anno én sima Melodyn-t javítottam, akkor meg azt nem találtam.. ![]() De mindegy is, mert a kettő egyébként tényleg ugyanaz elektronikusan. A GR változatban van egy lemezjátszó, ami annyival jár, hogy van egy motorindító kapcsoló pluszban, továbbá a lemezjátszó nyomógomb nem egy hátsó DIN dugóra, hanem a hangszedőre van kötve vezetékkel. A fájlhoz egy WinDJView nevű ingyenes program kell, ha nem ismerné a géped. Bár ha jól értem, végül magát a javítást nem te csinálnád, de annyi módosítást javasolnék a végfokban, hogy az R89 160 ohmot érdemes nagyobbra (220-270 ohm) cserélni. Alig érezhetően csökken a kimenő teljesítmény, cserébe nem zabál fel párszáz óra alatt egy végfokcsövet (és működik torzítás nélkül a használtabbal is), aminek manapság használtan is 2-3 ezer darabja.. Az áthangolás helyett megoldás lehet egy FM konverter is esetleg. Néha kapható a Vaterán készletként. A hozzászólás módosítva: Jan 8, 2022
Köszönöm, ez kimondottan gyors válasz volt!
Eredetileg arra gondoltam, hogy megpróbálom én megcsinálni, tekintve, hogy 1996-ban híradáspiari műszerész végzettséget szereztem, de rá kellett jöjjek, hogy ez nekem nem fog menni. A szakszavak ismerősen csengenek a fülemben, (primer, szekunder, stb) de az elmúlt 26 év nem múlt el nyomtalanul. Mivel sajnos nem ebben a szakmában, hanem a második szakmámban folytattam életem, így megkopott a tudásom, nem merek nekiállni. Arról nem is beszélek, hogy egy digitmultit leszámítva műszerparkom sincs egy rezgőkör kiméréséhez, vagy bármihez. Így marad a szakember..... A hozzászólás módosítva: Jan 8, 2022
Szia. Vannak jó híreim számodra, a kapcsolási rajzot tanulmányozva. Lehet, hogy a tekercsekhez nem kellene hozzányúlni, csak a vasmagokat kicserélni rézre, vagy alumíniumra. Gondolom, mindegyik M4 -es menettel rendelkezik, mert ha nem metrikus, akkor nehezebb az ügy. Másik jó hír, hogy a készülék nem variométeres, hanem forgókondenzátoros hangolású. Talán a végére a sávátfogás is meglenne. De bár szegedi vagyok, nem egészen ez a szakmám. Pont 20 évvel vagyok idősebb nálad. Elektroncsöves készüléket életemben talán csak 3 darabot ha áthangoltam. Ilyen rádiót meg életemben nem is láttam. Minekünk GR 4400-as volt, de gyerekkoromban, és soha nem javítottam. (FM adó-vevőkkel foglalkoztam állami cégeknél, de az már tranzisztoros technika. Most meg 1 évvel nyugdíj előtt nehéz fizikai munkát fogtam ki, nem a szakmámban dolgozom én sem. Talán a családban, vagy közeli ismerősnek megnézném, de a feleségem leharapná a fejemet, ha ide beállítanának egy ilyennel. Van egy kerékpárom, helyszíni kiszállás is csak nagyon közelre lehetne. ) Vagy marad a "B" verzió, a konverter, amit a Tomi94 kolléga is ajánlott.
A hozzászólás módosítva: Jan 9, 2022
Talán nem kéne erőltetni az URH áthangolást (ha már múzeális) ... esetleg egy segéd vevőt (tda7000 )beépíteni ami potival CCIR ben hangolható. A potit mechanikusan illeszteni a meglévő hangolóelemekhez .
A hangfrekis kimeneteket kellene csak váltani ccir/oirt vevők között. ötlet forrás YTbemutató A hozzászólás módosítva: Jan 10, 2022
A Thököly úti Amatőr boltban sikerült előbányászni egy megfelelő csatlakozót
Crystal-tone LJ40 (1961 elvileg) kapcsolási rajzot keresek
Szevasztok! Próbáltam különféle kulcsszavakra keresni, hátha korábban már volt hasonló kérés, de nem hozott eredményt. A fent említett, s a képeken látható lemezjátszó kapcsolási rajzát keresném javíttatáshoz / restauráláshoz. Eredetileg egy rádióba volt beépítve, de egyelőre külön dobozba kerülne, s ha a rádió is újra üzemképes, akkor vissza ![]() Minden tanácsot, javaslatot előre köszönök! A hozzászólás módosítva: Jan 12, 2022
Szia!
Ha jól emlékszem ugyan ez a mechanika Qualiton néven is volt. Elektronika a lemezjátszó részben nem is nagyon volt annó, csak kristály hangszedő ment közvetlenül a rádióba. A motor rövidrezárt forgórészű 220V-os volt. Üdv: Gábor
Szia!
Ha jól látom a hangszedő neked is hiányzik, én sem tudtam még beszerezni hozzá. Az eredeti ami annó még tű nélkül de benne volt, az mondhatni "szétporladt", teljesen megkeményedett és széttöredezett a belseje. Gondolom a fellelhetők mind hasonló állapotúak lehetnek, esetleg valakinek van ötlete a pótlásra?
Nekem sajnos a tányér alatti görgők is hasonló sorsra jutottak.
![]() A régebbi kazettás és videómagnókban ha meg is nyúltak vagy kirepedeztek a szíjak, de legalább egyben maradtak, a VHS korszak vége felé a gumialkatrészek (ékszíj, közlőkerék) idővel ragacsos, nyúlós, rágógumi szerű anyaggá váltak, levakarni is alig lehetett. Gondolom valami jóféle "műgumiból" gyártották őket. A hozzászólás módosítva: Jan 12, 2022
Köszönöm Gábor!
Nem az én készülékem, őszintén én nem is foglalkozom elektronikával, csak a lemezjátszó magyar vonatkozása miatt, kerültem a sztoriba, és próbálok segítséget szerezni Én csak pár fotót kaptam róla, az alapján (meg egy másik másik, későbbi gyártású, külön dobozba szerelt Crystal-ton lemezjátszóval összehasonlítva) mindene megvan ahhoz, hogy a rádiótól függetlenül is működjön. De láthatóan bütykölték már, a feszültségváltó forrasztásai hiányosak, szakadt, törött. Igazából pontosan ehhez kéne valami támpont a gazdájának, aki egy lengyel tanonc ![]() Szóval minden hozzászólás, javaslat segíthet neki. Köszi szépen még egyszer!
Szia! A képen nem látni valóban, de úgy tudom megvan az eredeti hangszedő. A belseje, ahogy te is írod teljesen szétporladt annak is. Ugyan azt is csak képen, de láttam már olyat, hogyha a hangszedő műanyag háza nem sérült, és használható, akkor kicserélhető az a a kis kristály vagy piezo lapka. Vagy lapkák, ha kettő is van. Csak legyen megfelelő türelem és kézügyesség. Illetve láttam már olyat is, hogy ilyen modern hangszedőt építenek be, különösebb technikai átépítés nélkül. Magát a pizo elemet is egy ilyen új hangszedőből szedik ki. Az aliexpressen rendelhető ilyen, nem valami nagy pénzen, ahogy láttam. De még egyszer mondom, ilyet csak képen láttam, olyanoktól, akik foglalkoznak ilyennel, én csak társalgás szempontjából kerültem ehhez közel, semmilyen saját tapasztalatom nincs
![]() De talán megéri, ha az időd engedi és a kedved is megvan hozzá ![]() A szétporladt közlőkerék szintén ugyanaz. Amit képen láttam, az a kis tölcsér alakú valami teljesen lapos barna izé lett. Erre meg olyat láttam, hogy kávéfőző fumibetétjét építették rá a letisztított fémvázra. De hogy hogy, azt nem tudom, na meg azt se, hogyy hogy tudta letisztítani a közlőkerék fémvázát De mindent lehet gondolom.
Sziasztok!
Egy barátom javít nekem egy Telefunken 341V csöves rádiót. Már szól, és a kontakthibák, zárlatok meg lettek szűntetve, csak a skálahúrozásra nem jövünk rá. Jól emlékszem, hogy két skálazsinór volt ehhez a készülékhez, amik közül egy tekerte a forgókondit, egy másik pedig a mutatót? Légyszi, akinek van húrozási rajza ehhez a rádióhoz, küldje el valahogy. A kapcsolási rajzát megtaláltam több helyen is, de az előbbit sehol sem. Előre is köszönöm. A hozzászólás módosítva: Jan 22, 2022
Ebből talán ihletet tudtok meriteni.
![]() Ha nem magyarul kerestek, akkor a húrozás ~ stringing, a skála ~ dial. Bár németül valószinűleg erdemesebb lenne keresni...
Köszönöm, megnézzük.
Bocsánat hogy 600 oldal
, és a tiéd nincsen nevesitve benne.Németül meg nem találtam meg a megfelelő kifejezést. Nem tudom mivel húrozzátok, apám szerint a fonott sebészeti cérna hurkához is, és húrozáshoz is jó, csak kórházi ismerettség kell hozzá. A hozzászólás módosítva: Jan 23, 2022
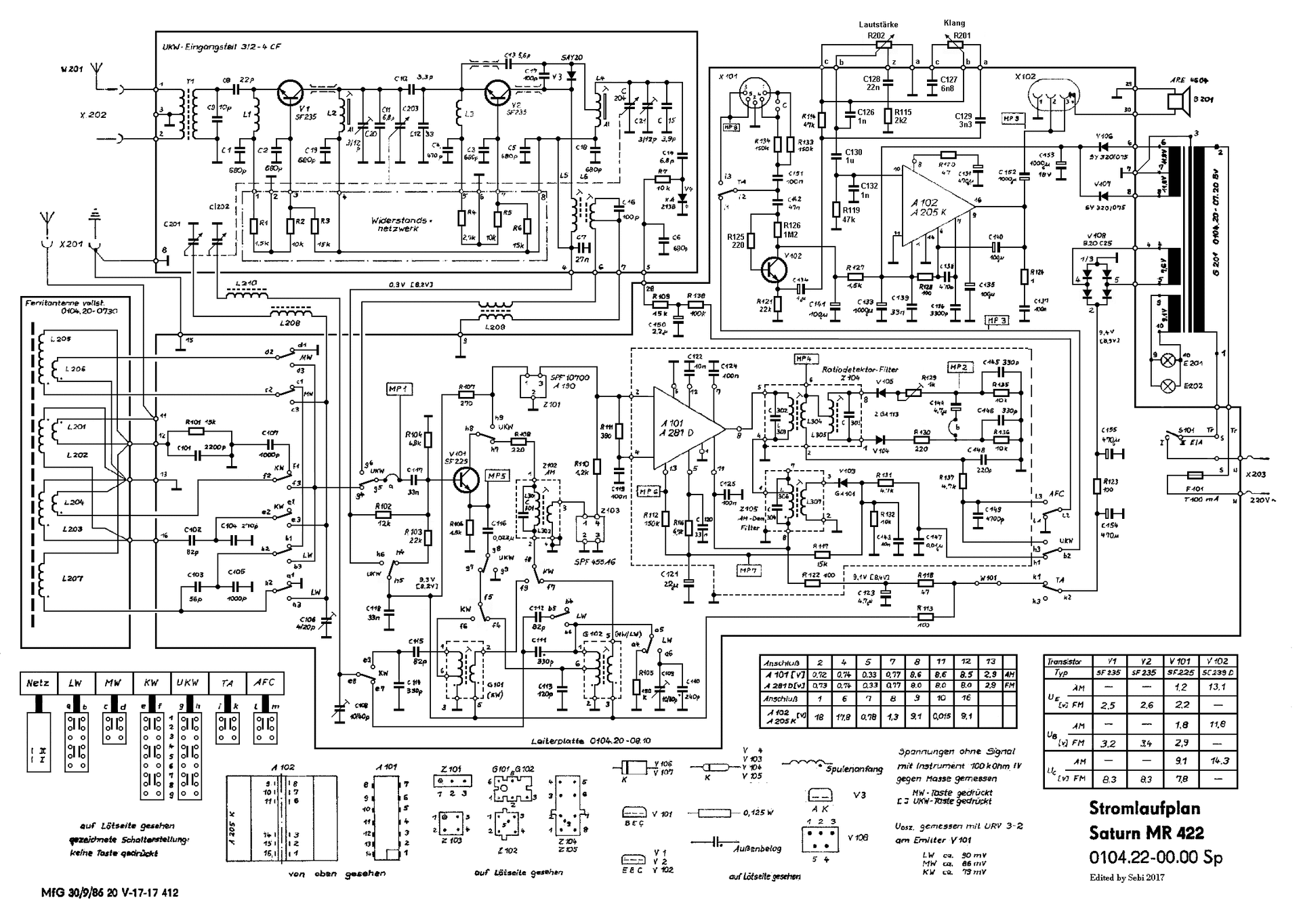
Bővült a gyűjteményem egy Saturn MR 422-el. Már csak szerelési rajzot kell keressek. Egy két dolog hiányzik belőle.
Szerelési rajzot aligha találni, de kapcsolási rajz:https://elektronline.hu/konyvtar/keszulekek/mr422.pdf. Jó kis tranzisztoros rádió, nekem is volt ilyen, szerencsére nem kellett javítani.
A hozzászólás módosítva: Jan 30, 2022
Ezzel eljátszottam egy ideig...
Sziasztok!
Nálam is kezd valami éledezni. Eddig egész biztatónak mondható. EAG AK-706/A keverő és egy picit hányatott sorsú , de éledező Audio AV 602 végfok. A tegnapi estét hiba nélkül zenélgettük át. A 602 est valaki valamikor régen átépítette, a hálózati trafó is egész máshogy nézett ki mint az eredeti, de legalább a vas megmaradt. Vagyis azt is újra kellett tekerni. Persze hogy a kimenőhöz is hozzányúltak. Abban az összeszerelésben ahogyan hozzám került, biztos hogy nem volt használható, (pedig nem volt csúnya összehányt munka) de a kimenőn a visszacsatoló tekercs fordítva volt bekötve így egyfolytában pozitív visszacsatolás volt. Ennek tükrében nem csoda ha egyfolytában gerjedni akart. Megpróbáltam a lehetőségekhez mérten az eredeti kapcsolást megépíteni, ugyan lett néhány alkatrész csere, de amit tudtam azt eredetiben építettem meg ismét. miután megfordítottam a vcs. tekercs polaritását fázisát, Eleinte kicsit bátortalan voltam a bekapcsoláskor, hiszen azért mégis csak közel 830 volt van a végcsöveknél, de amint negatív lett a pozitív visszacsatolás beállt egy nyugalmi állapot. Na mondtam akkor most teszünk rá vezérlést és megszólalt. Még van mit állítgatni rajta. Valahogy ez a rácsáramos meghajtás nekem még egy kicsit ismeretlen, de igyekszem megismerni. A kimenője még százvoltos, így kell egy illesztőtrafó hozzá.
Ezt a fajta hangszóró rögzítőt kellene valahogy leszedni de pont ilyenem nincs. Mi is kell ehhez? A hangszóró saruja leszakadt és a levegőbe lóg.
Egy csavarhúzóval hajtogasd ki a füleit.
Szia! Ha rugalmas lemez, zégerfogóval próbáld meg, szerintem nyit rajta annyit hogy le tudd húzni.
A hozzászólás módosítva: Feb 3, 2022
Amint látjátok sérült a dísz csík a rádió tetején. Mivel helyettesítenétek? Saturn MR 422.
Talán némi epokittel vékonyan, aztán azt a hullámvonalat is rácsalnám injekciósfecskendőből, aztán mattfekete festék. De ezt csak a fénykép alapján mondom, te látod igazán.
A hozzászólás módosítva: Feb 20, 2022
Szia!
Fordítva nézd! A faminta törött le a fekete a doboz. Szerintem bútor élfóliával lehet javítani! Üdv: Gábor
Az gáz, pedig még utána is néztem, és ott is fekete és hullámvonalas az a rész
![]() rádió De, ha úgy van eredetileg, ahogy mondod, hát famintás öntapadóst lehet kapni (én is 500-ért vettem a piacon), és egyszerűbb, olcsóbb, gyorsabb felrakni. A hozzászólás módosítva: Feb 20, 2022
|
Bejelentkezés
Hirdetés |




Pedig anno én sima Melodyn-t javítottam, akkor meg azt nem találtam.. 




, és a tiéd nincsen nevesitve benne.













