Fórum témák
» Több friss téma |
- Ez a felület kizárólag, az elektronikában kezdők kérdéseinek van fenntartva és nem elfelejtve, hogy hobbielektronika a fórumunk!
- Ami tehát azt jelenti, hogy a nagymama bevásárlását nem itt beszéljük meg, ill. ez nem üzenőfal! - Kerülendő az olyan kérdés, amit egy másik meglévő (több mint 17000 van), témában kellene kitárgyalni! - És végül büntetés terhe mellett kerülendő az MSN és egyéb szleng, a magyar helyesírás mellőzése, beleértve a mondateleji nagybetűket is!
Hello
szeretnek egy reg keresett kapcsrajzot letolteni a manulascenter.com-rol . valaki mar toltott le onnan?? hogy kell ingyen? en barmit csinalok akarnak fizettetni erte!!! ha valakit megkerhenek szepen nemprobalna meg letolteni nekem..??(persze ha kitudna cselezni.....vagy tudja hogy kell ingyen) Pioneer KEH5400RDS ;72es oldalon van asszem koszike elore is udv P.L.
Onnan nem lehet ingyé sajanos! Van egy másik oldal, onnan lehet ingyen, de azt már én letöltöttem és azt mondtad hogy az sem jó.
Hello!
Valaki el tudja nekem magyarázni, hogy hogyan tudok multiplexelni??? Köszi!!!
Mit? És hogyan? Mert lehet digi jeleket is és analóg jeleket is multiplexelni.
Esetleg kijelzőt akarsz Multiplex módon meghajtani?
Igen, egy PIC-cel akarok meghajtani nyolc lábon 15 ledet (3x5)
Hi!
Próbálkozok csinálni egy tápot, ami úgy néz ki, hogy a trafóról lejön 6,12,24,36,42 V; ezt egy 5 állású kapcsolóval változtatom, és itt egy kapcsolóval szétszedem 2db ágra, az egyik váltóáram, a másik egyen. Ezt úgy szeretném megcsinálni, hogy 2db vezeték jöjön ki és ne 4! Abban kérem a segítségeteket, hogy hogyan tudom megcsinálni ezt, hogy a trafót ne zárjam rövidre. Köszönettel: stefi
Szia!
Pl így! Kapcsolóként használj valamilyen 2 áramkörös váltókapcsolót
OK!
Köszönöm szépen! majd kipróbálom
gyartottam egy allati egysezru szabalyozhato tapegyseg kapcsolast lessetek meg es mondjatok velemenyt hogy erdemes e megcsinalni vagy sem
az lm337 labkiosztasa hibas mer nem talaltam a progiban egyhat azis 317 es lett csak atirva
Jópofa, csaktöbbe kerül a leves mint a hús...
Az a sok knitter...
Nem felejtettelek el! Csak nem sok időm van rá! De legkésőbb pénteken elárulom hogyan is kell a LED matrixot multiplex meghajtani.
Feltéve ha addig valaki el nem árulja neked.
Az, ami neked kell, az a DEKODER. :yes:
A multiplexer az adatválasztó-t jelent. Az dekoder, az egy adattípust egy másikba alakít át. Kösd a ledjeidet mátrixba. Ezt a mátrixot hajthatod közvetlenül a pic kimenetéről is "ha kevés az oszlopszámod" (persze a sor kivezetésekre sorba kell kötni az áramkorlátozó ellenállásokat), ekkor a oszlopcímzését szoftveresen kell megvalósítanod. / 3 oszlop * 5 sor / De megvalósítható az oszlopok címzése DEKODER-rel is. Ez főleg, nagy oszlopszámú LED-mátrixnál lehet előnyös. PLD: / 3 Bináris Címvonal => DEKODER => 8 megcímezhető oszlop * x sor/ / 4 Bináris Címvonal => DEKODER => 16 megcímezhető oszlop * x sor/ / 5 Bináris Címvonal => DEKODER(-ek) => 32 megcímezhető oszlop * x sor/ STB. A dekódolt kimenet kialakításnál, a PIC-nek csak a bináris oszlopcímeket kell a kimenetére kitenni, a többit a DEKODER IC elvégzi. Vagy, az oszlop címzése kialakítható ( n-1 dekódolt kimenetű ) számlálóval is. Ennél a kialakításnál, a PIC-nek, csak egy vagy kettő kimenetét használjuk fel az oszlopok "megcímzésére". Az egyik kimenet a számlálónak ad léptető impulzust (Órajelet, CLK-t ). Ha kell, egy másik lábon a számlálót alaphelyzetbe kell hozni (RESET-elni kell). Alaphelyzetbe állítás akkor kellhet, ha nincs kihasználva a teljes számláló (PLD: 4017-es számlálóval négy oszlopot címzel meg, ekkor 3-CLK után egy RESET impulzus kell kiadni, de ezt másképpen is meglehet oldani... ) A számlálóval kialakított oszlopcímzésnél, a kiküldött (sor) adatokkal szinkronizálni kell a számláló órajelét (és RESET jelét is), mert könnyen téves lehet a kiírási pozíció. A téves kiírást, a számláló ciklusos törlésével lehet a legkönnyebben elkerülni. (RESET = 0 - ás pozícióból indul az oszlopok címzése) 5x7 - es LEDMÁTRIX... F.T. Bocs eSDi, már folyamatban volt...
12*90=1080 kapcsolok
trafo mondjuk 1000 ic 155+80=235 RES, CC, DIODA mondjuk 200ft graetz kb 150 250ft ELKO meg egy 100 as biztikre 3000 áfa 3600 ![]() de azer jol mutatna egy ilyen jo szeles doboz tele kapcsoloval LCDs kijelzovel az asztalomon na majd 1szer....
van meg1 5letem...
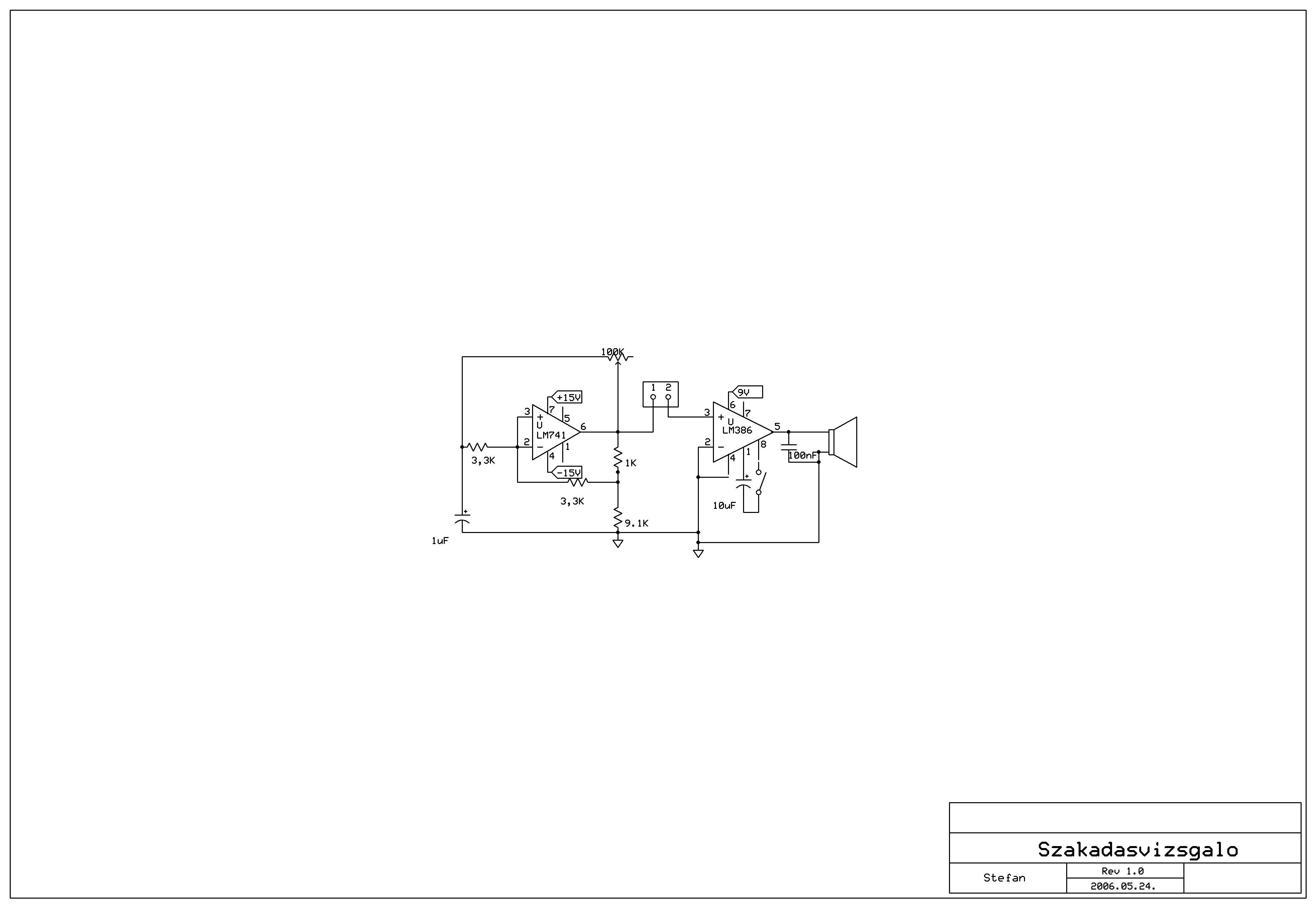
ma nagyon kreativnak erzem magam szoval a hagyomanyos szakadasvizsgalon ugye egy ellenallas mar elegge feladja a labdat ezzel nagyobb blokkokban lehetne elenorizni hogy minden okes e gyakorlatilag mint mikor multimeter 4szogjel kimenetevel probalgatjuk az erositot
ja a kerdes lemaradt
van valakinek 5lete hogy lehet megoldani hogy egy 9Vos elemrol menjen az egesz?
Sziasztok!
Én olyan oldalakat keresek ahol az alapoktól (fullra az alapoktól) lehet megtanulni a programozást és a piceket, lehetőleg magyarul. Keresgéltem már de ott már onnan kezdték, hogy írj be egy xx parancsot és azt fogja csinálni.Még azt sem tudom, hogy milyen progikkal lehet ilyet csinálni. Előre is kössz!
Látom megelöztél! Nem baj, legalább nem kell nekem leírni....
valaki tud olyan oldalt ahol magyarul es jo szajbaragosan van leiras a muveleti erositokrol? kicsit idegesito hogy kb mar a 4 edik et csinalom preamp nak egyik torzit masik sz@r harmadik kicsit budos volt egy pillanatig stb stb stb amit emg legeloszor csinaltam mikor meg ennel is amatorebb voltam levegoben oszeforrasztott labakkal az meg mukodott
szoval valaki ha tud ilyen jo magyarazos leirast akkor azt megkoszonom THX!!!
ezt mar elkezdtem parszor foiskolai tananyag ...
ez meg az opamp lelkivilagat is ecseteli olyan kene mint ami ezen az oldalon is van a pl a felvezetokrol Idézet: „ez meg az opamp lelkivilagat is ecseteli” mellesleg megjegyzem, hogy az opamp az a műveleti erősítő, nem tudtam, hogy ezt nem tudod... ha akkorse jó, akkor guglira fel.. addig is: Műveleti erősítő (operátor erősítő, opa, op-amp stb..). Igen nagy (néhány milliószoros) erősítési tényezővel rendelkező fázisfordító egyenfeszültség-erősítő, amelynek kimenete és bemenete között kétpólusok vagy négypólusok segítségével visszacsatolást létesítenek. A műveleti erősítő átviteli függvényét a visszacsatolótagok határozzák meg. Kétpólusokkal végzett visszacsatolás esetén az eredő átviteli függvény a visszacsatolóágba és a bemenetre kötött kétpólusok impedanciájának hányadosától függ. Így állandóval szorzás, differenciálás, integrálás és ezek lineáris kombinációja valósítható meg. A műveleti erősítő bemenetére tetszőleges számú jelforrás csatlakoztatható egy-egy soros impedancián keresztül. Ezeket a bemeneteket a jelformálással együtt összegezi. Négypólusokkal megvalósított viszszacsatolás esetén az eredő átviteli függvény a visszacsatolóágba és a bemenetre kötött négypólusok rövidzárási transzfer impedanciájának hányadosától függ. A műveleti erősítőt kezdetben analóg számítógépek műveleti elemeként használták, jelenleg a lineáris és nemlineáris jellegű jelformáló áramkörök legfontosabb alapáramköre. :integet2:
ezt azer tudtam
igyekztem ekrulni a szoismetlest majd korulnezek meg guglin azer thx
Hi
E két kapcsolás között mi a különvség? Egyik a jelre, másik a ahngfalra megy? De nem számít az hogy a hangfal hány ohmos? ÉS a beosztás lenáris, tehát akkor... pl a tda2030-nál nem lkehet olyan hogy kevés ajel neki, szal nem világít mind vagy az elsők folymatosan?
Láttam olyan előfokot -azt hiszem az volt- hogy volt 4-5 bemenet és mindnek külön hangerőszabályzója, és a kimenő jelnél lehetett azt hogy áthallatsznaka a csatornák...
Ez mi is akkor? Kapcsi nincs valakinek? Ára kb? Bemenetválasztót nehéz készíteni? Ami van garázs audio oldalán zsebméretű keverőpult, az mit tud, minek annyi poti? Az nagyon drága ugy nem? THX
Re!
Ezen az oldalon a ficko nagyon jo kis erősítőket készített, de lenne egy-két kérdésem: Ilyen dobozokat lehet nálunk kapni? A tápfesz csatlakozo az milyen a trafo és az erősítő között, mi a neve, nálunk van ilyen? Miért csinált ilyen bonyolult potikat ellenállásokbol? THX: ---ZoLee---
Kicsit sok a kérdés
Igen kapható ilyen doboz nálunk, saccra 2pénz. Ami a csatlakozót illeti gőzőm sincs mire gondolsz most, de valószínűleg az is beszerezhető (max nem pont ugyanolyan... részletkérdés) A potikkal kapcsolatban pedig olvasd el a képhez mellékelt leírást is, mert bizony benne van. A kivezjelzővel kapcsolatban: a második kérdéseddel már meg is válaszoltad az elsőt, vagyis igen az egyik vonalra, másik a hangfal elé megy. Nem nemszámít hány ohmos... A beosztás többé kevésbé lineáris,az 1k-s potival a 0 szint beállítható. Amit láttál azt úgy hívják fader (asszem), magyarul úsztatás, gondolom erre gondoltál. Az hogy mi drága és mi nem azt neked kell eldöntened (szerintem megfizethető). Én is kérdeznék... sok kérdésre úgy tűnik Te magad is tudod a választ, akkor miért kérdezed meg (ha mégsem így van, akkor bocs... biztos csak a véletlenek)? Egy kicsit több magabiztosságot, legalább az elméleti kérdésekben... ott még nincs anyagi következmény
Ezer boccs, a link lemaradt
![]() ez lenne az oldal Kössz a válaszokat! De ez az hogy csak azt hiszem, hogy tudom, azért vannak kérdőjelezve... Nem akarok hülyeséget csinálni emeltfővel, utána meg bizonygatni hogy az úgy van, inkább kérdezek, még mindig kevesebb macera
OK
|
Bejelentkezés
Hirdetés |







)
Bocs eSDi, már folyamatban volt...









