Fórum témák
» Több friss téma |
Fórum » Transzformátor készítés, méretezés
Ha kérdésed van, az alábbiak segítenek a hatékony választ megadni:
Mag típusa: M, EI, UU/LL esetleg I-kből összerakott, tekercselt, toroid. Lehetőség szerint képpel.
Méretek: magkeresztmetszet a*b (amit a tekercs körbeölel) ablakméret, lánc és toroidnál, belső-külső méretek.
Primer-szekunder feszültség(ek), teljesítmény igény.
Üdv és kérdésem
Hol lehet készen venni bármilyen transzformátor-vashoz csévetestet? Mintha valahol már láttam volna, hogy elvileg árusítanak is ilyesmit, és csak a bele menő vasmag méreteit kell hozzá megadni.
Szerintem jobban jársz, ha készítesz. Csak a "nagyon szabványos" vasakhoz van (esetleg) cséve.
Az enyém egy nagyon szabványos, de pl. tegnap a Lomex-nél nem kaptam.
Lemezelt vasmagot sehol nem árulnak, ezért csévét sem. Ezt a vevői megkeresés alapján -ha még van igény ilyen típusú trafóra-, általában maguk az üzemek gyártják le, az előre megvásárolt lemezszalag-tekercsből. Tulajdonképpen ugyanabból, amiből a toroid szalagot is hasítják. Majd a maguknak elkészített lemezből legyártják a trafót, azaz csak a kész trafót tudod elérni ilyen anyagból. Sőt amennyire tudom, nem is vállalnak el akármit, mert ma már szinte minden trafó toroid.
A csévekészítés nem bonyolult dolog. Kell hozzá egy kis gyakorlat, de megoldható.
Az ingyen elvihetőben ajánlottam egy rakás vasmagot + csévetestet. Kb. egy hónapja vitte el gcsabee.
Úgy emlékszem, több csévetest volt, mint vasmag, többféle méretben. Szerintem lehetséges, hogy tőle tudsz kérni...
Esetleg írd meg pontosan a méreteket, lehet van valakinél pluszban és ad.
Amióta a kapcsolóüzemű táp majd mindenhonnan kiszorította a hagyományos trafót azóta nem nagyon gyártanak és forgalmaznak sehol se vasmagot se csévét. A német waasner és weisser cég gyárt lemezt és csévét is, de mezei felhasználóval alapból nem állnak szóba csak viszonteladóval, és mostanra egyébként is növekedett náluk a minimálisan rendelhető mennyiség. Ha jól emlékszem vasból 50 ezer forint körül van, de csévéből is 20 ezer körül. Szabvány EI75-ből van feleslegem. A TME-nél is inkább csak ferrithez van már cséve, például.
Azért a kapcsolóüzemű tápokban is előfordulnak trafók...csévetestre tekert tekercsekkel !
Pl. itt is van pár tucat "szögletes" csévetest is!
Nem olyan mély a hó, Van magyar forgalmazó, viszonteladó, aki kintről száz db-okat vesz, összegyűjti az igényeket, mert ez az alsó rendelési határ - 100db.
Ezeket néhány hónapja, idén vetem onnét: M85a o.D. De úgy tűnik, nem sürgős, javasoltam, írj méretet, aztán...
Inkább egy jó cséve szabásminta kellene, a tekercselési gyakorlat már megvan hozzá.
Az én magméretem - 26x26x45 mm. A külső perem nem annyira érdekes, le lehet belőle vágni
Egy ilyesmi csévetest fel tudna izgatni engem is. A belső méreteket már leírtam. (26x26x45)
Milyen belső méretet írtál le? Nem nagyon látok a listában olyat mint amit írtál...
Nyáklapból le tudod magadnak gyártani, de jó móka a kis pöcköket pontosra kireszelgetni benne. Vagy marad az hogy kerítesz valami nem túl vastag és kemény kartonpapírt amiből kivágod a 6db részt, impregnálod, majd összeilleszted.
A régi megolvadt csévetestről vettem le ezeket a méretet (csak vonalzóval), de ha a vasról veszem le, valójában az sem sokban tér el. Mindkét oldala felé van benne egy-egy hengerelt vasmagpár (Hipersil)
Aztán az egész a saját hevederével összefogva. Valamikor egy orosz akkumulátor-töltőben volt. (Reszursz-1 vagy ilyesmi)
Az Oroszok rőffel meg arasszal mérnek nem vonalzóval. Így érthető hogy nem itteni szabvány.
De ha rezeusz 1, akkor annak össze is volt ragasztva a vasmagja. Ha szétjött, akkor szerintem kuka. Bár lehet hogy éppen a te verziód jön szét. A hozzászólás módosítva: Ápr 10, 2022
Mérhetem volna schublerrel is, de ott azért olyan fene nagy pontosság nincs! Valójában össze volt ragasztva, hogy ne zizeregjen, de szétszedéskor én szétütöttem ...
Ha már meg lenne tekercselve, újra össze lehetne ragasztani, kétkomponensű Araldit ragasztóm még van! Általában azzal szokták. No meg persze - beinjektálják mindenféle lakkokkal is.
Mellesleg - voltak nekem régebben ilyen hyperszil vasaim, ami meg mind magyar gyártmányú, de azoknak valójában ugyanilyen méreteik voltak!
A nyáklap maga kissé drága erre, no meg eléggé vastag is (1 mm, vagy több). Sokkal egyszerűbb rá a 0,5-0,8-as textilbakelit lemez, vagy esetleg valami "combosabb" kartonpapír!
Tekercselt-vágott mag nem szereti a püfölgetést. Nekem meglazultak a lemezek, nem sikerült újra összeszerelni. Próbáltam síkba köszörülni, de hiába. De ha neked nem sérült, hajrá.
Tekercselni lehet oldalfal nélküli csévére is. Sőt cséve sem kell, csak néhány réteg papír az elején. Én úgy csinálom, hogy a trafó belső magának méretére készítek fából sablont. Nekem az jött be, hogy négy darab fahasábot fogok egybe, és ezt csiszolom méretre. Középen az éleket lecsiszolom, így kapok egy lukat, amin keresztül megy a tekercselőgép tengelye, ami egy menetes szár. A négy hasáb közé teszek négy darab 1mm vastag fémlapot, amit a tekercs elkészült után ki tudok húzni. Ez nélkül úgy megszorul a cséve, hogy nem tudom lehúzni a sablonról. Természetesen el kell sajátítani a technikát, de nem nagy kihívás. Menet-menet mellé, majd az utolsó pár menet alá papír vagy fólia, de mind a négy oldalra. Következő réteg előtt vissza kell hajtani őket, majd szigetelő réteg, és mehet tovább. Aztán minden sor végén ugyanez.
Itt megtalálsz adatokat a hipersilekről is. A csévékről ITT
No igen, a vasak összeragasztásához mágnesezhető tartamú ragasztó lenne jó. Az orosz vasat, ha már tördelni kellett, nem igazán tartom hasznosnak, de majd látod. A hozzászólás módosítva: Ápr 10, 2022
Valamikor régen vettem "csupasz" nyáklapot. 0,8-as üvegszálas poliészter 1 m2.
Használgattam, de nem sok fogyott belőle.
Ha lenne a trafócséve szabásmintám, kaphatnék hozzá egy kis darabot belőle?
Nem kell oda annyi ragasztó, és az éppen csak azért van, hogy ne zizegjen az egész.
Láttam már életemben olyan trafót, hogy minden tekercselt sora mögé/alá papírszelet téve, és a szélein a következő sor kezdetekor visszahajtva. A csöves TV-k valamikori sorkimenője csaknem mind így készült, amíg be nem öntötték azzal a sárgásfehér műanyag-szarral.
Természetesen. Levélben is el lehet küldeni.
Én is láttam már sok oldal cséve nélküli trafó tekercset, de nincs igazán bizalmam hozzá.
Valahogy nem jelenik meg a lelki szemeim előtt, hogyan lesz minden sor ugyanannyi menet-sor. A befejezett sor után a rákerülő a legszélső és a befelé következő közé fekszik be biztonságosan. Ha így folytatódik, akkor egyre kevesebb menetből álló, trapéz alakú tekercselés jön ki... Nyilván valahogy ügyesen megoldható, ha eleve két segéd oldal között történik a tekercselés, akkor belátom, hogy minden menetet a kellő feszítéssel lehet tekerni. Utána viszont a rögzítés impregnálással, vagy a visszahajtott papírcsík már játszhat. Nekem nem szimpatikus, de egyéni ízlésficam nyilván.
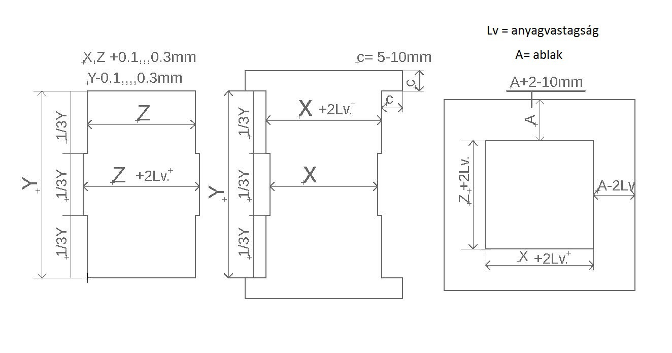
Cséve méretezés.
A hozzászólás módosítva: Ápr 11, 2022
Sziasztok!
Egy olyan kérdésem lenne, hogy talán off-topic. Topi nevű illető a szerző és a földhurok kiiktatása a téma. Na most van ott egy trafó karakterisztika ami a horizontális tengelyen logaritmikus. Szeretném tudni mik szerepelnek az origótól felfele és jobbra. Talán Ug és Id, vagy freki és Db? Köszönöm! Gabesz A hozzászólás módosítva: Ápr 12, 2022
Van egy co hegesztő gépem aminek a Primer oldala menetzárlatos megelgszik a trafó nagyon sűrűn is bekapcsol a hőkioldó.
Szeretném ujra szigetelni a primer oldalt 1mm kör átmérő a drót vastagsága mivel lehetne újra szigetelni a réz drótot. Ami a rendelkezésemre áll. Szőrös bandázs szalag,szigetelőszalag,gaz szerelő teflon szalag. Csak a primer oldal rossz. Válaszokat köszi és az építő hozzászolást is |
Bejelentkezés
Hirdetés |









