Fórum témák

» Több friss téma
Fórum » Erősítő mindig és mindig
Mielőtt kérdezel, a következő két dolgot ellenőrizd! I. A helyes tápfeszültségek megléte. II. A kimeneten van-e egyenfeszültség. Élesztés.
Lapozás: OK   2377 / 2570
(#) Massawa válasza mek-elek hozzászólására (») Ápr 11, 2022 /
 
Én nem vagyok sem kiado, sem jogtulajdonos.
Csak azt tudom mit vettünk fel, de hogy azok milyen néven kerülnek most forgalomba azt nem tudom. Elég sokat dolgoztunk német és osztrák kiadoknak amik többségét közben valaki megvette.
Nem igen követem az eseményeket, nem is az én dolgom.
Nemrégen egy régi kollégámtol kaptam egy lemezt, amit mi vettünk annak idején fel, de most valamilyen Marco Polo nevű kiado forgalmazza.
És még azt sem irták a lemezre, hogy melyik studio vette fel, ki volt a hangmérnök stb. Csak a zenekar neve van a lemezen.
A hozzászólás módosítva: Ápr 11, 2022
(#) mek-elek válasza Skori hozzászólására (») Ápr 11, 2022 /
 
A végén a "némelyik" hangsúlyos!
Mivel azokat is valaki felteszi a maga elképzelései szerint. Azonban igen igazad van, ha valakinek jó cucca van, és azt élvezni is akarja. Várják ott jó dolgok. Mondjuk elsőre érthetetlen az azonos kiadótól eltérő orgánum, de itt megint említem, hogy ugyanaz tette e fel? És bizony hallani a felbontást is.
(#) mek-elek válasza Massawa hozzászólására (») Ápr 11, 2022 / 1
 
Én ezt azért kérdeztem, hogy azonosítsuk a munkátokat. Most Karesz, hogy keressen CD-t Tőletek?
A hozzászólás módosítva: Ápr 11, 2022
(#) mek-elek válasza Suba53 hozzászólására (») Ápr 11, 2022 / 1
 
Emlékeztetnélek a fejhallgatóerősítő témában, amikor azt írtad nekem, hogy azért részletezem a munkámat, hogy dicsérgessenek. Nem hiszem, hogy én, meg a Karesz a Te dicséretedért közlünk valamit. Inkább okolásért, tapasztalatadásként, gondolom. Nem szorulunk a dicséretedre, meg a Te véleményezésedre sem. És ezzel nem akarnálak megsérteni, vagy rosszkedvet csinálni, csak a megértésedre vágynánk. Remélem lehetséges ez.
(#) Massawa válasza mek-elek hozzászólására (») Ápr 11, 2022 /
 
30 év távlatábol nehéz valamit ajánlani, nekem is csak néhány lemezem van. S nem azért irtam hogy hencegjek, csak azt irtam amit tapasztaltunk majdnem 18 évig ebben az iparágban.
Sokszor mi is meglepödtünk melyik lemezt/felvételt hozták ki nagyon jonak, arra nagyon ritkán futotta ilyeneknek, hogy a müszaki stábot is megemlitsék. Volt olyan felvétel amit személyesen vittem Londonba, hogy ott csinálják meg az LP mestervágást. S volt olyan felvétel amit 2 másik studioban külföldön kevertek. Jok lettek, tetszettek, mégsem lett referencia. S hidd el ugyanigy müködik ez a világ minden studiojában.
(#) mek-elek válasza Massawa hozzászólására (») Ápr 11, 2022 /
 
Nem gondolod, hogy véleményezni akarlak. Megértem én a hajdani háttérviszonyokat, mivel nekem is van ilyen tapasztalatom, ha másban is. Biztos, hogy érdekes emlékeid vannak abból a világból. Én csak Kareszt láttam a szemeimmel, ahogy belefárad a keresésbe, és jártányi ereje sem marad az eseti söréhez, vagy borocskájához. Az említett Naxos Madein Germany feliratos. Ha jól emlékszem a Rózsavölgyiből származik, Csajkovszkij évszakok című zongoradarabokkal a fedélzeten. Az előadóért nem vagyok oda, de vágytam anno a tartalomra zeneileg. És azóta megvan többféleképpen, így nem nagyon hallgattam mostanában. No meg DAC problémáim is vannak, és nem mindig csenem el a fiam kis-DAC-ját. Én meg már csak USB-n "kábítom" magam. A CD-et is így hallgatom, ha.... De majd előkapom Prunyi Ilcsikét nem sokára.

Naxos.JPG
    
(#) Suba53 válasza mek-elek hozzászólására (») Ápr 11, 2022 /
 
Elek! Neked súlyos gond van a szövegértéseddel. Most vissza olvastam a veled való kommunikációmat, és ilyet én sehol nem írtam. Hogy mit értelmezhettél félre?

A másik kérdésedre meg ha nem tudod magadtól a választ, akkor teljesen felesleges rágódnod rajta.
(#) Alkotó válasza Massawa hozzászólására (») Ápr 11, 2022 /
 
Hogyan hívták a céget akkor, amikor te voltál ott a a stúdió műszaki igazgatója? (Hátha még ez a név szerepel néhány kiadványon.)
(#) compozit válasza Skori hozzászólására (») Ápr 12, 2022 /
 
Kérdésedre talán az a válasz, hogy az itt levő vitapartnerek közül nagyon kevesen értenek ahhoz, hogy mi a fene az a D class power amplifier. Így nagyon helyesen, inkább maradnak a korábbi fanatizált AB, meg csöves erősítők kitárgyalásánál. ( tudod: a suszter, meg a kaptafa )
(#) mek-elek válasza compozit hozzászólására (») Ápr 13, 2022 1 /
 
Én mint öregember, nem vágyok fiatal "csirkére". Megszoktam, hogy az asszony hangzását. Hasonlóan a megszokott általam kikalapált hangzással. Szerintem nem vagyok rossz suszter, legalább is a fülem szerint.
(#) mek-elek válasza Suba53 hozzászólására (») Ápr 13, 2022 1 /
 
Mindenkinél vannak gondok. Igazad van, elfelejtettem, hogy az említett hozzászólásod a Moderátor eltakarította, helyesen. De hát nem árt néha takarítani, ha szemetelünk...
(#) Suba53 válasza mek-elek hozzászólására (») Ápr 13, 2022 /
 
Elek! Te rágalmazol, soha olyat nem írtam, amit említesz. Nem tudom mi a bajod, talán az, hogy nem értünk egyet sok dologban, és ezt meg merem írni? Na ne már! Ennél azért értelmesebbnek gondoltalak.
A hozzászólás módosítva: Ápr 13, 2022
(#) mek-elek válasza Suba53 hozzászólására (») Ápr 14, 2022 /
 
Hátha Te mondod...
(#) samtron77 hozzászólása Ápr 16, 2022 /
 
Sziasztok!

Lenne egy sony str-de 185-ös masina.
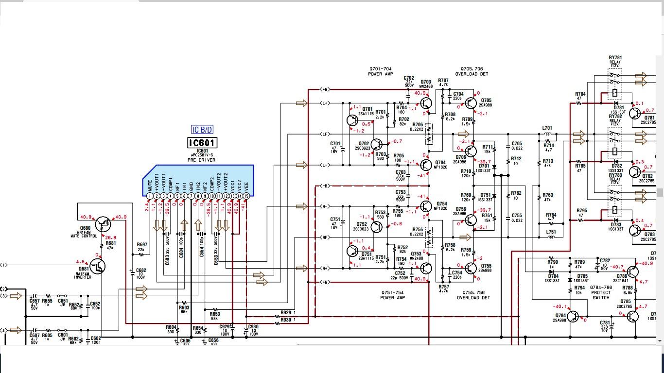
Tünet: bekapcsol majd kicsivel később kattanik a relé. Semmi protect vagy hasonló infót nem ír ki. Minden gombnyomásra (kivéve a mute) megfelelően reagál. Csupán hang nem jön ki belőle. Próbálkoztam eddig a factory resettel de semmi, továbbá találtam egy szakadt ellenállatot ami miatt az előfok egy kisé megbillenhetett (41V helyett 58-at kapott). A végtranyók jók. A mute gomb nyomkodására nem kattannak a relék. Van egy uPC2581V előfok benne ami szerintem nem ok. A bemenetén még ott a jel de ki már nem jön belőle. Vam egy "AC mute" nevü lába amit nem ismerek de a vezérlő IC-vel van összeköttetésben. Szerintetek meg lehet kerülni ezt az előfokot egy teszt erejéig. Továbbá hogyan tudom megkerülni az ic mutingolását (ugyanis erre gyanakszom)? Az UPC2581V lábait mérve eltérnek az SM szerinti értékektől pár esetben. Esetleg ha valakinek lapul a fiókban ez a delikvens kérem jelezze felém!
(#) reloop válasza samtron77 hozzászólására (») Ápr 16, 2022 / 1
 
Szia!
Az uPC2581 állapotát a ±VOUT lábak feszültségéből tudod megállapítani. Inkább Q701, 751 kollektor és emitter lábain mérnék, mintsem a driver IC lábai között kotorászva.
Az uPC jó forrón üzemel, jellemzően a környezetében található elkók pusztulnak.
(#) samtron77 válasza reloop hozzászólására (») Ápr 17, 2022 /
 
Köszönöm a választ!
Mértem ezeket a tranyókat 30/50mV-okat ad mindkét oldalon. Szerinted ha kikötöm az ac pontját az uPC-nek lehet abból füstjel? Vagy nagyobb feszültségjelre inaktiválódik a mute funkció? Nem vagyok jártas ezekben a kérdésekben.
(#) sad_Vamp hozzászólása Ápr 17, 2022 /
 
Srácok, van egy öreg hifi amit kaptam stk4122ii - alapú erősítő van benne. Aiwa márkájú kb 87ből. A rádión és az AUX-on kívül semmi nem működik. Viszont rákötöttem telefont szépen szól. Gondoltam megmenteném a hangfalakat a végfok részét. Van arra esély, hogy a MainBoard-ot el lehet úgy vágni, hogy végfok a hangfal csatlakozókkal továbbra is működjön?
(#) reloop válasza samtron77 hozzászólására (») Ápr 17, 2022 /
 
Ez némított állapotnak felel meg. Ami a hátterében állhat: tényleg némításban van, az 1-es mute lábon 0,5 V-nál kisebb feszültség mérhető testhez képest.
Ha pár voltos pozitív feszültség mérhető a mute bemeneten, akkor vagy hiányzik a táp 13-14, 15 lábak, vagy hibás az IC.
Az "ac" pont alatt mit értesz? Amúgy semminek a kikötését nem javaslom, míg egyszerű méréssel tudunk haladni.
(#) Gafly válasza sad_Vamp hozzászólására (») Ápr 17, 2022 /
 
Mi a bánatnak akarod szétfűrészelni, ha most (még) működik?
(#) samtron77 válasza reloop hozzászólására (») Ápr 17, 2022 /
 
Az uPC lábain:
1-2,4V
2-56mV
3-56mV
4-23mV
5-0V
6-1mV
7-0V
8-0,6mV
9-0V
10-26mV
11-35mV
12-57mV
13-41,5V
14-41,5V
15--41V
Jelen állás szerint. Az R681 47Kohmos ellenállás volt szakadt és a Q681-es bázisa megy az AC MUTE pontra a vezérlő IC-n. Ezen a bázison megvan a 4,8V.

k.jpg
    
(#) reloop válasza samtron77 hozzászólására (») Ápr 17, 2022 /
 
A 4 és 10 COMP lábakon csak 1,5 V-tal lehet pozitívabb a feszültség a negatív tápnál. Az IC belső áramköre ezek szerint nem kapja meg a negatív tápot. Kevés ónnal újrafuttatnám a 15-ös láb forrpontját.
(#) samtron77 válasza reloop hozzászólására (») Ápr 17, 2022 /
 
Ezt Korábban már megtettem. Kivettem az egész IC-t így Újra ónoztam. Lehet belső szakadás A magas hőingások miatt? Esetleg teszt jelleggel próbáljam neg melegíteni az uPC-t?
A hozzászólás módosítva: Ápr 17, 2022
(#) reloop válasza samtron77 hozzászólására (») Ápr 17, 2022 / 1
 
A Sony nem hűti az uPC2581-eket, pedig igény az volna rá A sajátomban is rövid használat után elszíneződött a NYÁK az IC körül. Ventilátort kapott, mert más is melegebb volt mint szeretném.
Ha túl vagy a melegítésen, akkor sajnos a cserénél nincs jobb ötletem.
(#) vision61 válasza sad_Vamp hozzászólására (») Ápr 17, 2022 /
 
Szia!
Gondolom azért szeretnéd szétvágni, mert kisebb dobozba építenéd be.
Nem ismerjük a konkrét típust, de ki lehet belőle "faragni" a végfokot, hogy továbbra is működjön. Viszont így nagy valószínűséggel nem lesz hangerő, hangszín állítási lehetőség, ami ha szükséges, megépíthető egy külön panelen is.
(#) samtron77 válasza reloop hozzászólására (») Ápr 17, 2022 /
 
OK. Köszönöm az eddigi segítségeket. Azt elfelejtettem leírni, hogy korábban a 13-14-es lábakon 58V-ot mértem az ellenállás cseréjéig utánna beállt a 41V. Továbbá jelenség még a pozitív oldalon a pufferkondiban napokig megmarad a 40V körüli érték míg a negativról percek alatt kisül. (vagy fordítva fejjel lefele van a boncasztalon....) . Amúgy Alin már utána néztem meg is rendelem! Továbbá eszetlenség lenne felrakni a nagy bordára ezt az IC-t? persze a jelvezetékeket valami jó kis árnyékolt vezetékkel vezetni!
(#) samtron77 hozzászólása Ápr 17, 2022 /
 
Meglangyítottam. Semmi reakció. Néma levente.
(#) reloop válasza samtron77 hozzászólására (») Ápr 17, 2022 / 1
 
Az uPC hibája miatt nincs nyugalmi árama az erősítőnek, ezért sül ki lassan a kondenzátor. A készülék blokkdiagramján látok egy 24 V-os feszültségszabályzót a negatív tápoldalon, az terheli.
Az IC-t nagyon kockázatos pórázra kötnöd, a parazita induktivitás és kapacitás a gerjedés melegágya. Viszont bőven hely felfelé egy 10-20 cm2-es alunak, ami felezi-harmadolja az üzemi hőmérsékletet.
(#) sad_Vamp válasza Gafly hozzászólására (») Ápr 18, 2022 /
 
mert BATÁR NAGY (így nagybetűvel)! Ebben a formában biztos nem fog használatba kerülni. Épp elég elhelyezni 2 hangfalat, nem még hozzá ezt a monstrumot, amiből számomra csak az AUX rész a hasznos (igazából a TV-re kötném szerintem) a több pedig nem is működik.
(#) sad_Vamp válasza vision61 hozzászólására (») Ápr 18, 2022 /
 
Pontosan, ez lenne a cél. Az előfok lehetne valami totál minimál akármi, azt igazából szerintem esetleg valami DIY kittel megoldom. Amúgy néztem Aliexpressen ilyen mini digitális erősítőket de kitudja hogy szól és azért annyira nem olcsók, hogy csak úgy bevállaljam. Ráadásul többnyire azok is meg vannak tűzdelve egy csomó fölösleges funkcióval.
(#) samtron77 válasza reloop hozzászólására (») Ápr 18, 2022 /
 
Egy utolsó kérdés még. Inkább csak lamentáció amolyan hangosan gondolkodás.
Kicsit túrtam a netet és erre ac ic-re bukkantam mint lehetséges alternatíva LM4702 egy orosz oldalon. Tudom hogy más a tokozás csak érdekességnek szánom....
Következő: »»   2377 / 2570
Bejelentkezés

Belépés

Hirdetés
XDT.hu
Az oldalon sütiket használunk a helyes működéshez. Bővebb információt az adatvédelmi szabályzatban olvashatsz. Megértettem