Fórum témák
» Több friss téma |
Szia!
Ez nem egyedi --de mindig kinai "műszer" van a hátterében. S akkor igy mér? Az Aldi.Lidl, Penny Market szaküzletek vajon miket vesznek meg? Szerintem a Conrad se kivétel,ez itt nem Németország. PL;; Steck STF 10 kisbetű;Made in PCR ! Az a CE jel elég árulkodó.Chinése Exported? A hozzászólás módosítva: Júl 29, 2022
"A készülék be van vizsgálva biztonsági szempontjából, és az
elektromágneses tűrésre (EMV), és megfelel az érvényes európai és hazai irányelveknek. A CE-konformitás igazolása megtörtént; a megfelelő dokumentumok a gyártó cégnél letétbe vannak helyezve." Ügyes a megfogalmazás. Mindenhol.
Németországban is pontosan ugyanezt a készüléket árulják.
Nekem is van pár éve ilyen saccométerem
![]() Forrás : Co**ad által visszavett "megreklamált" készülékek turkálója ... vajh miért vitték vissza a "nyugati" vevők ?
Nekem gyanús, hogy nem az összes áram folyik át a mérőnek azon az ágán, amin az áramot méri.
Kipróbálnám ezt is: 1. A mérőeszközt fordítva dugom a konnektorba, és úgy próbálom ki az előbbieket. 2. A TV-ből kihúzom az antennát és egyéb kábeleket (HDMI, scart).
Teljesen mindegy, hol készült és ki mit ír róla. Ezeknek a dugaszolós mérőknek van egy teljesítménytartománya, ahol közelítően jól mérnek. Mérik a CosFi-t, meddő teljesítményt számolnak, stb. Alacsony teljesítményen, bármit mérsz, azt látod, hogy CosFi = 1. Ha kapcsoló üzemű tápegység van valahol a körben, akkor a mérés máris hamis. Ha meg még ilyen trükköket is tud, hogy dugasz átfordításával változik a mért érték, akkor az már nem mérés, hanem jóslat.
![]() Ettől függetlenül vasalót, rezsót, bojler fogyasztását pontosan mérheti. Azaz, ami 100%-ban rezisztív (ellenállás jellegű) fogyasztó. De 15 W-os izzólámpát csak megfelelő "előítélettel" mérjél vele.
Szevasztok!
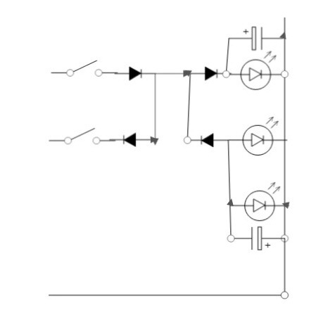
A hozzáértők véleményét szeretném kérni rezsicsökkentés ürügyén. Jelenleg egy egypólusú kapcsolóval felkapcsolok 3 db E27-es LED "izzót" a nappaliban, amire nincs mindig szükség, mert internetezni, háttérfénynek 1 db is elég lenne, viszont a 2 eres kábelezés adott, ha nem akarom szétvésni és átkábelezni a szobát, akkor más megoldás kell. Arra gondoltam, hogy egy csillárkapcsolóval és néhány diódával talán meg tudnám oldani a problémámat. (elnézést a rajzok minőségéért, de ezt a progit fél órája töltöttem le, azt se tudtam, hogyan működik, csoda hogy ilyen rajzot tudtam vele csinálni) Szóval a kérdés lényege, hogy ez így működhet-e (a rajzon a LED "lámpák" polaritását nem kell figyelembe venni, azok csak szimbolikusak) illetve az egyes ágba a 22µF és a dupla ágba a 47µF hullámosság szűrés elegendő-e? Majd el felejtettem! Egy ilyen megoldás" lassítja" egyáltalán a mechanikus, vagy digitális villanyórát? Segítő hozzászólásaitokat előre is köszönöm
1. LED-es világítás eleve energiatakarékos.
2. Minden jobb LED-es fényforrásban van a diódahíd után a teljesítményhez méretezett puffer. Mondanám, hogy felesleges a külső, de mivel egyutas egyenirányítás van, nem árt. Ha tudnánk a LED-ek teljesítményét, akár számolni is lehetne, de mivel E27-es, túl nagy nem lehet, ezért 10 és 22 µF elegendő. 3. Ha nem áramgenerátoros kapcsoló üzemű tápja van, csupán előtét kondenzátor és ellenállás, akkor nem fog működni. De ezt majd meglátod. Illetve nem látod meg. ![]() 4. Nem lassítja se a mechanikus, se a digitális villanyórát. A hozzászólás módosítva: Júl 29, 2022
Ahogy visszanéztem, mindjárt rájöttem, hol rontottam el, az elképzelt verziónál a két kapcsoló bemenete természetesen közösített, az a fázis. Amit még kihagytam, a LED-es fényforrások teljesítménye egyenként 13W, a tervezett diódák 1N4007
Nem fogja lassítani. Esetleg egy petróleum lámpa, ha nem sok fény kell.
A hozzászólás módosítva: Júl 29, 2022
Bocsesz, rosszul kérdeztem.
Arra gondoltam, hogy ha csak egy, vagy két LED üzemel, akkor az egyutas egyenirányítás miatt a mérő kevesebbet mér-e? Az egyértelmű, hogyha mindhárom LED működik, akkor a fogyasztásuk ugyanannyi, mint korábban, tehát nincs megtakarítás.
Szia!
Nem a Fogyasztásmérő precizebb ,a mechanikus 3-5W tól sok KWig -- a digitális meg 0,5Wtól mér pontosan.
Csak az egyenirányítás miatt valószínűleg nem fog kevesebb fogyasztást mérni. A fényforrásban (általában) található elektronika a hiányzó hullám energiáját a meglévőből pótolja, ezt viszont minden hivatalos fogyasztásmérő "látni" fogja, még ha az egyszerű, házi szerkezetek nem is.
Nyílván, ha csak egy vagy két LED üzemel, akkor kevesebb lesz a fogyasztásod, mintha hármat kapcsolnál fel.
Sziasztok!
A képeken látható lakáselosztó egy panel házban van megvalósítva. Tudom, hogy jobb lenne egyetlen 24 modulos dobozt alkalmazni, de az idők során úgy lett bővítve, ahogy az igények változtak. A 12 modulos elosztó szobák, előszoba, fürdő (innen van "párhuzamosítva" a másik két elosztó doboz). A középső 4 modulos a konyha, sütő. A jobb szélső 4 modulos elosztó 3,5kW-os klíma. A lakásban már régebbi időktől 2,5 mm2 Cu vezetékelés van. A villanyszerelő ezt találta, mikor arra kértem, hogy a mért fővezetéket cserélje Cu-re. Ő ezt megvalósította, az én amatőr, kusza vezeték elrendezésemet is szebbé tette. Anélkül, hogy kételkednék egy szakember munkájában, kicsit zavar, hogy az elosztókban a nulla sínekbe, és a védővezető sínekbe vegyesen van bekötve üzemi nulla, és védővezető. A fogyasztásmérőnél már szétválasztották a PEN-t, három vezeték jön be a lakáselosztó dobozba. Az én korábbi szerelésemnél egy sínen csak üzemi nullák, másikon csak védővezetők voltak. Úgy tudom, hogy ez után már nem szabad összekötni e két vezetőt a rejtett nullázás elkerülése okán. Vagy a lakáselosztóban még lehet, csak az onnan elmenő vezetékeken nem? Ismétlem, nem kételkedem a szakember tudásában, csupán szeretném megérteni. Köszönöm a türelmet.
A zöld/sárga vezetékek, biztosan védővezetők? Esetleg nem lehet, hogy felcserélték a színeket?
Mert ha tényleg védővezetők, akkor át kell kötni a vezetékeket közös sínbe. Szerintem. A hozzászólás módosítva: Júl 30, 2022
Idézet: „három vezeték jön be a lakáselosztó dobozba.” Egy panellakásba miért van 3 db FI-relé ? ( 3 fázis van esetleg ? ) Miért vannak csak 16A-es és C kismegszakítók beszerelve ? Tényleg jobb lenne 1 db 24 modulos lakáselosztó és abba rendet rakni.
Teljesen biztos, hogy a zöld/sárga vezetékek védővezetők.
A lakáson belül biztos, hogy nincs felcserélve sehol a két szín, egy regisztrált villanyszerelőről azt gondolom, hogy nem cseréli fel a színeket.
Elismerem, hogy túlzás a három FÍ-relé "az én saram", de úgy gondolom, hogy problémát nem jelenthet, egymástól függetlenül működnek (csak egy fázis van).
Az volt a cél, hogy egy FÍ-relé esetleges működésekor ne az egész lakás maradjon áram nélkül (gondolok két hűtőszekrény esetleges leolvadására, stb.). Tudom, hogy egy is megvédene egy panellakást. Azért tettem 16A-es kismegszakítókat, mert a lakásban mindenütt 2,5mm2 Cu vezeték van (még a lámpák felé is), úgy tudtam, ehhez a keresztmetszethez 16A-es kismegszakító jó. Egyetértek azzal, hogy jobb lenne egyetlen 24 modulos lakáselosztó, de lassan, folyamatosan változtak az igények, annak megfelelően lett alakítva. Most meg már munkában, anyagiakban nem kevés lenne...
Szerintem sem túlzás a három fi relé. Tök jó, hogy hiba esetén nem megy el teljesen az áram.
Erre gondoltam én is, ha a FÍ-relé old, néha nem túl egyszerű a hibát behatárolni, különösen sötétben (jó, van fejlámpa...).
Erkélyen klíma kültéri egység a zuzmarás, ködös időben, konyhában szintén sok pára gyakran. Ennek ellenére elismerem, hogy szakember szempontjából túlzásnak látszik, de életvédelmi, vagyonvédelmi szempontból gondolom nem káros.
A C jelleggörbéjű kismegszakítók okoznak általában tüzet. A gond az, hogy csak az van, mintha az a cél, hogy ne kapcsoljon le.
A lomha leoldási jelleggörbe miatt. Persze, jobb a több FI-relé, ha leold, van áram a többi helyen.. De nagyobb hibaáram miatt old le a 3, mint. az 1, Egy FI relé az egész lakást figyeli, az összes áramkörön kell elérni a küszöböt, így meg szétosztódik a hiba küszöb értéke. A FI-relé szerintem azért van, hogy védjen, nem azért, hogy ne oldjon le. A hibát egy panelben szerintem nagyon hamar meg lehet találni, nincs kültér, ami beázhat. Nem hiszem, hogy a hiba keresés tovább tartana egy óránál, de még annyi se. A hozzászólás módosítva: Júl 31, 2022
Nem a 16 Ampert kifogásoltam elsősorban, de az is gond, ha csak az van, hanem azt, hogy nem látod a különbséget a C és a B jelleggörbe között.
Így a védelem nem valósul meg. A hozzászólás módosítva: Júl 31, 2022
A FÍ-reléket a konnektorok védővezetőivel együtt szoktam egy-két havonta tesztelni.
7W-os izzólámpa (I~0,0304A) dugvilla egyik pólusát a konnektor védőérintkezőjére "köti", ha ez éppen a fázis, a FÍ-relé leold. Tesztek során ez minden esetben megtörtént. Az izzó hideg ellenállása nem tudom, hogyan befolyásolja a tesztet, ezzel nem számoltam. Az izzót kicserélem majd egy megfelelő rezisztenciájú, és teljesítményű ellenállásra, érdekel, mi lesz. A teszt gomb csak a relén belül generál hibaáramot a lekapcsoláshoz. A kismegszakítók jelleggörbéibe valóban nem gondoltam bele, a Szolgáltató a fogyasztásmérő helyen 25A C karakterisztikájút szerelt, ezért gondoltam, hogy a lakásban is jó lesz. Arra is gondoltam, hogy az a túláram, ami a B karakterisztikánál elektromágneses gyorskioldót hoz működésbe, az a C karakterisztikájúnál a bimetálos hőkioldót működteti majd, nyilván ez lassúbb, de csak működik. 2,5mm2 Cu vezeték meg csak kibírja ezt. Nem okoskodni akarok, azt sem gondolom, hogy igazam van, hisz nem vagyok villanyszerelő. Ezért is vagyok itt jelen, hogy tanuljak. Kedves Gyuszo mi a véleményed az eredeti hozzászólásomban közölt képen látható PE, és N vezetékek bekötéséről?
A PEN ha szét van választva utána már összekötni nem szabad.
Ha a meglévő dobozokat fel akarod használni, akkor is ok a PE és N sín. Így több vezetékre is szükség van. Elég lenne azt a 4 db hosszút meghagyni. Lehetne csak felűl egymás mellett az a 4 db hosszú.A Nulla és PE közötti átkötést meg kell szüntetni. Csak a Nullát a Nullával és a PE-t a PE-vel közti vezetéket kell meghagyni.
A hozzászólás módosítva: Júl 31, 2022
Köszönöm.
Az eredeti megvalósításban én minden dobozban egy PE és egy N sínt használtam úgy hogy a PE zöld/sárga egyiken, a N kék a másikon. A dobozok közti átkötések is ennek megfelelően voltak. A fogyasztásmérőtől érkező fázis egy közös pontból a három FÍ-relére. Ez volt. Mivel nem vagyok villanyszerelő, a vezetékek elrendezése, külleme kicsit kusza volt. Jószándékkal a villanyszerelő áthuzalozta, így letisztultabb a kép, de akkor sem értem, hogy egy regisztrált szakember miért használja vegyesen a PE és N síneket. Nem vonom kétségbe sem a tudását, sem a szándékát, de "elnézte volna"?
Ha a sárga színű teszt gombos FI-relét lekapcsolod, van a másik kettőn feszültség ?
Az a gyanúm, hogy nincs. A bejövő Nullának a FI-relé bemenetére kell mennie. Azon van a legnagyobb keresztmetszetű kék vezeték ( fehér érvéghüvely) A másik két FI-relé bemenetére vékonyabb keresztmetszetű vezeték megy. ( fekete érvéghüvely ) FI-relé kimenete után már nem lehetne zöld-sárga vezeték. Nagyon nem jó ez így. A hozzászólás módosítva: Júl 31, 2022
Ma már nem lesz alkalmam a burkolatokat leszedni.
Holnap mindenképpen megteszem, és közlöm. Azt gondolom, hogy ha a sárga színű teszt gombos FI-relét lekapcsolom (ez van közvetlenül a betápnál), van a másik kettőn feszültség. Ezt abból gondolom, hogy ma délelőtt, mikor teszteltem a FÍ-reléket, az említett relével kezdtem, és egy konyhai konnektorhoz csatlakozó rádió szólt, nem állt le. Az a konnektor a középső FÍ-relére csatlakozik. A nagyszobában a klíma beltéri egység jelzőlámpája is világított, az pedig a jobb szélső FÍ-relén van (más nincs is rajta). A középső, és jobb szélső ÁVK-kat is teszteltem, elvárt módon működtek, az első ÁVK-ra nem voltak hatással. Azt szeretném még kérdezni, hogy helytelen PE - N kötéseknél, a FÍ-reléknek nem kellene helytelenül működni? Holnap vizuálisan végig követem a kötéseket, mert a képen nem biztos, hogy tudjuk követni. Lerajzolom majd.
Mennyi egy villanyóra hitelességi ideje? Azaz menny ideig mér hitelesen? Örökre, 10 évig, 20 évig?
Azért kérdezem, mert az én órámon 2002 szerepel. Azóta ember nem nyúlt hozzá. Ha már nem hiteles, hogy lehet számlázni a mért adatokkal?
Elviekben 15 év de a szolgáltatók nagyon nagy csúszásban vannak folyamatosan.
|
Bejelentkezés
Hirdetés |
















