Fórum témák
» Több friss téma |
Sziasztok. AC feszültségszabályzót építenék sarokcsiszolóba (polírozáshoz) és dekopír fűrészbe (fémvágáshoz) max 1000 Wattig.
Ha tudnátok segíteni ebben azt nagyon +köszönném. Pár kapcsolást (triakost) találtam + volt már szó itt is ilyesmiről, de sok alkatrészes nyákos kapcsolások voltak, én pedig bele szeretném építeni a gépek testébe. Úgy tudom a gyári ford szabályzós szerszámgépekben is csak 3-4 alkatrészből áll az elektronika...
Nem feltétlenül fontos ac kapcsolás mert ezek az univerzális motorok mennek dc ről is.
Nekem ment 24v ról is csak nincs ereje.
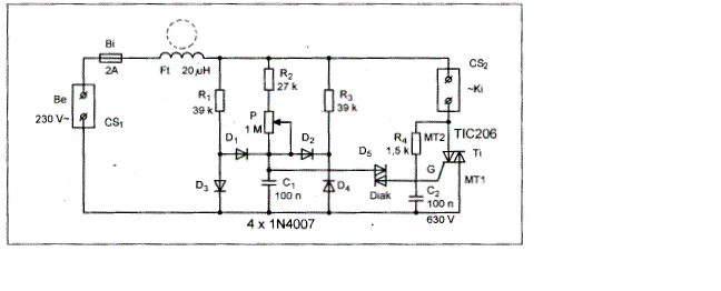
Hali nézd át ezeket ... nyák rajzaim nincsenek hozzá a Fényerő szab. nekem vibr.deszkába van beleépítve 400W szépen játszik
A teljesítm.szabályzó triac - a saját igényeid szerint. ![]() sorry.: ajánlom az utolsót mert sokoldalú használatra alkalmas
Sziasztok
Segítséget szeretnék 3 lenneegy sarokcsiszolom mutatom a képeket. Nem indul el mitöl lehet a szénkefe uj szinte a kábelek jok nincs törve !!! A hozzászólás módosítva: Ápr 16, 2022
Érthetőbben is írhatnál!
Láttad működni? Van benne egy állandó fordulatszámot biztosító elektronika...akár az is meghibásodhatott.
Üdv! A szerző nem nagyon aktiválta magát. Nekem egy kísérteteisen hasonló elektronikám van a metabó WEV 15-125 Quick típusú sarokcsiszolóban. A szénkefe egy rugó beépítésű védelemmel van ellátva. Ki szereltem az elektronikát a kapcsoló működik és a csiszoló is a szénkefék cseréje után. Kérdésem az, hogy üzemszerűen használhatom-e a csiszolót az elektronikus egység nélkül. Később nyilván cserélem. De addig használható-e?
Üdv! Még hétfőn össze raktam, de azt vettem észre, hogy nagyobb lett a fordulata. Lehetséges ez?
Vagy a szabályzó nem engedi rá a teljes 230 V-ot a motorra gyárilag, vagy ami benne volt, hiba miatt nem tette meg és azt szoktad meg.
Hasonló jelenséggel dekopír fűrésznél találkoztam (szintén Metabo), de ott a fordulatszám visszajelző mágnes esett darabjaira. A tulaj elmondása szerint így gyorsabban forgott, mint egyébként működő szabályzóval bármikor. A képen nem látom, hogy van-e visszajelzés de a lényegen nem változtat, lehetséges a dolog. |
Bejelentkezés
Hirdetés |















