Fórum témák
» Több friss téma |
Igen:yes: Bocs és minden egyéb!!!!
Tényleg rossz képletet adtam meg. A helyes (TELJES) képlet a következő: Ieff = Icsúcs / GYŐK2 = Icsúcs / 1,414 = 0.707 * Icsúcs Icsúcs = GYŐK2 * Ieff = 1,414 * Ieff Ueff = Ucsúcs / GYŐK2 = Ucsúcs / 1,414 = 0.707 * Ucsúcs Ucsúcs = GYŐK2 * Ueff = 1,414 * Ueff Ha valakit megtévesztettem, attót elnézést kérek, de nem volt szándékos... :buck: ...de a vágeredmény akkoris Idézet: „... megközelítőleg 16VDC lessz! ”
Sziaszttok!
Zahi barátommal elgondolkodtunk, hohy i lenne akkor, ha PIC-el csinálnánk ezt az egész dolgot, és nem motorral hajtanánk meg a harangot, hanem tekercsel Egyenéőre 16F84-et használnánk (mert ez van kéznél...). Nem használnánk külön érzékelőt, hanema tekercsben indukált feszültség alapján mérnénk be azt, hogy hol áll a tekercsben a vasmag, vagyis milyen helyzetben van a harang. Igazából azt nem tudom, h hogy oldjam meg , h ha a felső maximum pontot eléri (elvileg 0 az indukált fesz), akkor miután elindul lefle akkor húzzon rá a harangra... és ezt ismételje, de csak a fenti pontban, alul ne! És hogy válasszuk szét a húzfeszültséget az indukált fszültségtől? Mert ugye akkor 1 db 2 eres (ill 3 a földelés miatt) dróton menne minden... Relé?? Előre is köszi....
Szia !
Hát nem mondom, sikerült egy mosolyt csalnod az arcomra , sőt kettőt Üdv! Idézet: „Egyenéőre 16F84-et használnánk (mert ez van kéznél...).” A józan ész, mikor lesz kéznél ?
Sziasztok!
Megmértük a tekercsben indukálódó feszültséget, ami még az 1 V-ot sem éri el... Hogy lehetne ezt a PIC-re rávezetni, h érzékelje is ezt a feszültséget???
Sziasztok.
Ja :yes: :yes: , nekem is .(#49773) Matt: Jobb lenne egy áramlimitet beállítani, és amikot a tekercs ezt elérte, akkor azt elengedni és átkapcsolni a másik tekercsre a gerjesztést (és utánna vissza...). Lassab de kíméletesebb felfutás. A felfutás (belendítés) végére esetleg kellhet valamijen (pl:optikai, vagy induktív) érzékelő (vagy mikrokapcsoló), mert a húzásból átbillenhet fékezésbe. Avagy egy állandó sebesség fentartására kevesebb energia kell mint a annak nulláról való felgyorsítására... Vagy teljes energiával gerjeszetni a húzótekercset, és egy gyorsulás érzékelő szenzorral figyelni a mozgás változását. Amikor a gyorsulás megszűnik akkor kellene a másik gerjesztőteketcsre a feszt fákapcsolni (és utánna vissza...). Lendűletes indulás. Nagy energia fogyasztás. És a kérdésedre is válaszoljak: Müveleti erősítő (OPA) pl:1-5 erősítési aránnyal! Esetleg komparátor egy állítható referencia pontal... Sok sikert a projekthez... _jani_
Az egy munkatekercses változatnál értelemszerűen csak egy tekercs fog dolgozni (nem pedig kettő)!
Sziasztok!
Nálunk úgy van a templomtoronyban, h van ugye a tekercs, de csak egy kéteres kábel megy hozzá. Éppen tegnap lengettem be a harangot, és az indukált feszültség 0,5 V köröli volt (de itt már majdnem megszólalt a harang, szóval már többet nem indukálna). Biztosan úgy van megoldva a dolog, h van egy relé, amit a pic vezérel, h mikor "olvasson" és mikor küldje rá a teljesítményt a tekercsre. (Mivel csak két ér megy a mágnesehez, tehát azon megy a nagy áram a húzáshoz, és a tekercsben a vamag hollétét is figyeli felváltva). Vagy ti hogyan gondoljátok? Ezt kéne valahogy megoldani. Meg azt, h azt a max. +0,5 Voltot valahogy felhasználni a picnél, h tudja arra, h a harang éppen milyen irányban mozog. Meg ugye a másik kérdés. A teljesítmény rákapcsolása a tekercsre hogyan történjen. Úgy csinálja a templomban a pic, h amikor az egyik holtponton van, akkor ugye egy pillanatra megáll a harang, majd elindul vissza. És ahogy elindul vissza kap egy impulzusnyi húzást (az elvesztett energia pótlására). De én úgy néztem, h triackal van megoldva. Egyébként csatolom a panel fotóját.
Ezt a kapcsolást, alaposan ki kell vesézni.
... De legegyszerübb az, ha ismert a belengetési idő. Ekkor nem kell a tekecs és egyéd dolgok figyelésével bajlódni! Elég Idézet: a meghúzó impulzust kiadni, megfelelő időzítés mellet... „CSAK”
Ez a lényeg. Ki kellene vesézni.
Az nem jó, amit mondasz. Mert sokkal jobb ha szabályzásról van szó mint vezérlésről. Ha figyeled annál jobb.
Sziasztok!
Hol talalhatok egy "harang lakascsengo" kapcsolasi rajzot? Koszi.
helló! egy harangvezérléshez kellene egy spéci dőlésszögkapcsoló-féle. a lényege, hogy a mozgatott harang tartószerkezetére lenne felszerelve úgy, hogy mikor leng a harang, a szerkezetben levő inga folyamatosan kapcsolgat a két állás között. a kérdésem az lenne, hogy szerintetek mit kéne alkalmazni a kapcsoláshoz? az opciók:
- valami érintkezőfélét eszkábálni az ingára meg a két végálláshoz... (nem vagyok tőle elragadtatva, borítékolható hogy pergésmentesítést is kell csinálni. próbáltam már ilyet anélkül, nem volt szép látvány )-REED-cső -valami pici, esetleg SMD nyomógombokat építeni, amit megnyomogat az inga (jól méretezett nehezékkel) ja, ami még fontos, csak elektronikát kapcsolna, nem terveztem vele autót indítózni... köszi előre is a tippeket.
Szia! Ha egyszerűen akarod megoldani, akkor tegyél fel egy higanykapcsolót. Nagyobb méretű harangoknál és szorulásmentes járommal tökéletesen működne.
Á konkrétan ezzel a módszerrel akarok egy általánosan alkalmazható elektronikát összedobni. Olyat ami fékezni is tud. szóval mindenképpen erre a problémára keresnék megoldást. Amúgy gondolkodtam, hogy a fékezős elektronikához mi lenne az üdvös megoldás, ami szerény hozzáértésemmel is elkészíthető (Nem a Kapui-féle betáp dróton visszafelé figyelős szint...). És ezt kicsiben már meg is csináltam és működött. Másik ötletem az volt, hogy egy fémérzékelő szenzort kell feldobni és egy bistabil multivibrátorral számolgatni hogy minden másodikra húzzon, majd a fékezéskor meg minden elsőre. Csak attól félek, hogy mondjuk egy gyors kibekibe kapcsolgatásnál meg lehetne vadítani a dolgot. Aztán gondoltam, hogy kettő érzékelőt kell felrakni, ez már kitágítja a lehetőségeket (egyértelmű, hogy éppen melyik irányba lendül). Na de arra jutottam, hogy először ezzel az ingás izével próbálom meg. Amúgy a te kismotoros cuccod is tetszik, főleg, hogy láttam is már ilyet élőben. a krakkói Mária-bazilika harangjainál volt ez a megoldás (a két nagy 4000 kiló körüli, és az egyik XIV, a másik XV. századi. meg is húztuk őket )
majd megpróbálok képet küldeni. (link) Itt pedig egy aszinkronmotoros hajtás cseh barátainknál egy fémérzékelős vezérléssel felszerelve.
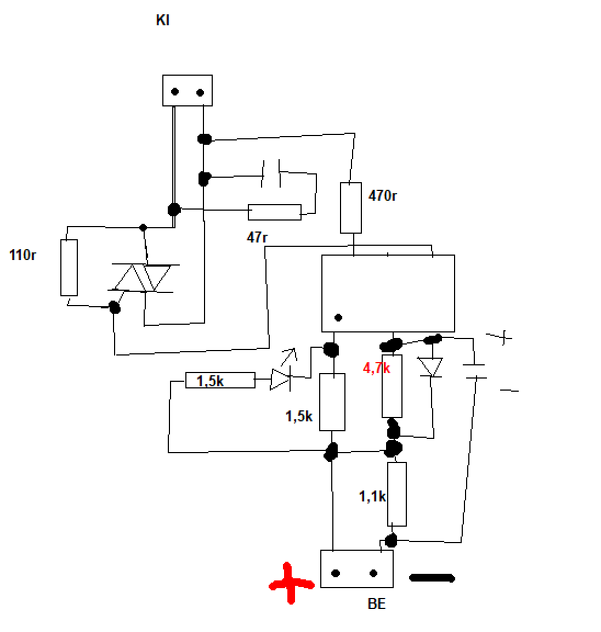
Sziasztok. Kaptam egy kis vezérlőt, amin elégett ellenállás van, aminek az értékét nem tudom. Működését se értem-tudom.
Félinfóim vannak csak róla. Jobb felső sarok kapocs a bemenet, bal alsó a kimenet az elektromágnesra, ami koppintja a harangot. Állítólag a bemenet 220Vrol, de egyenirányító után van... Nem értem az egészet. Mi lehet az ellenállás értéke, és hogy tudnám kipróbálni? A felső sárga lila fekete, az oké, de az alatta lévő szétégve, csak annyit látni hogy sárgával kezdődik. A hozzászólás módosítva: Feb 22, 2023
Ugyan van közöttünk torony és harang óra specialista
is, de nagy trükk nem lehet a MOC3083 adatlap ajánlásához (7.-oldal) képest (már ugye a LED-et leszámítva) benne.
Köszi az infót. 330-360ohm értékűt ír, az ellenállás viszont sárgával kezdődik. Tipikus 470R mehet bele? Hogy működik az egész, hogy tudom próbálni? Mi legyen a bemenet? AC230V?
Vagy egyenirányított hálózati 230V? Abból kiindulva, hogy időközönként üti a harangot, a bemeneti feszültség csak arra kell, hogy az időzítő kapcsolja az optocsatolót, tehát szerintem oda elég a hálózati AC230V. Ha egy izzót kötök hálózati feszültségre, és közbe iktatom ezt az időzítőt, a bal alsó sorkapoccsal, az izzónak valamikor fel kellene villannia? Így működik? Tulaj említett valamit, hogy hálózati feszültséget egyenirányítva használnak.. Nem a triak kapcsolta kimenetre gondolt? Árulja el valaki röviden ennek működését, bekötését. Idézet: „Árulja el valaki röviden ennek működését, bekötését.” Minden ott van a TE kezedben Bekötése is. esetleg ha vissza rajzolnád a nyákról az elvi rajzot akkor sokkal egyértelműbb lenne. Ki mit miért hogyan csinál az áramkörben?Csak 12 db alkatrész... MOC adatlap nem titok, se a teljesítmény kapcsolóé.
Valószínűleg menni fog 470 Ohm-al is. Azért van kettő, mert kikapcsolt állapotban a teljes feszültség rajta van. Az ellenállásoknál van olyan paraméter is, mint feszültség tűrés. Teljesítmény igény kicsi, csak a gyújtáskor van impulzusszerűen nagy áram. Érzékeny triak kisebb árammal is begyújt.
Igen, kipróbálhatod kisebb izzólámpával is. Az egyenirányítás jó kérdés. Valószínűleg az elektromágnes "jobban szereti" lüktető egyenfeszültséget, mint a sima hálózatit. De a MOC-ban lévő nullátmenet áramkör, meg valószínűleg pont fordítva. Tehát a diódahíd a mágnes és a modul között lehet, ha tippelnem kell. Jó lenne olyan ember szakvéleménye, aki látott már ilyet élőben... Kipróbáláshoz azt kell kitalálnod, hogy a LED hogyan van bekötve, hol és mekkora áramkorlátozó ellenállás van vezérlés oldalon. Azaz mekkora, és milyen polaritású feszültséggel lehet kapcsolgatni.
BTA41800B.
Kera_Will : kösz a segítséget, bekötés alatt azt értem hogy kössem be, próbáljam ki, nem a kapcsolási rajzra vagyok kíváncsi. Gafly: mitől éghetett el az ellenállás, de még az oda vezető út is a nyákon? Triakon nem mértem zárlatot. Kipróbáláshoz rákötöm AC230Vra, úgy említették, annyirol ment.
A snubber körben lévő ellenállás kondenzátor zárlat miatt is leéghet, azt is mérd meg.
Harang toronyban szokott lenni, a villám meg szereti a tornyokat.
Kipróbtam AC230Vrol, elégett még az is ami ép volt. Miért?
Villámkárok...Ahol korrektül megcsinálták a villámhárítót és az épület melletti fába érkezett a villany föntről. Az SSR-eket áthidaló VDR-ek hiába, a balszélső még fel is robbant. Nem kis örömömre mindhárom vezérlő ép maradt, dolgozik már lassan 10 éve...A villámvédő elektronikák a pofont a hálózat felől várják és 2-3 lépcsőben csillapítják. De! Maláj erőművész, miközben kikászálódott a likőrös állványból a pofon miatt: Én várni a pofont jobbról, te ütni balról! - Nem lehet minden pofon mellé irányító rendőrt állítani... - by Fülig Jimmi...
Mondd csak, nem akarod visszarajzolni? Nem lehet több 10 perces mutatványnál kirajzolni ezt az áramkört, s akkor legalább látszik, ha valami lemarad (mert mondjuk elpárolgott onnan a vezeték és nem vetted észre).
Én is ezt akartam kérni, mert például nagyon gyanús ott nekem az az utólag rámókolt nagy dióda.
Én most éppen nem érek rá fényképekből visszarajzolni, meg ha kézben van könnyebb is...
Berajzoljam az áramutat ahol leégett, vagy megteszed te?
![]() Hihető és jó a rajzod, első próbálkozásnak tök jó.
A bemenő oldal némileg problémás. Különösen az ellenállás utáni rövidzár...
Alapfeltevés, opto triakot oda tesznek, ahol a védendő gyengeáram találkozik az erősárammal. Ebből az alapvetésből számomra az következik, a harangot valami gyenge áramú elektronika vezérelte ( mert 230-230 közé általában felesleges optot rakni, mindkettő ráz... ) így a bemenetre sem kötnék alapesetben 12V-nál többet. Amúgy meg némi számtan, az optocsatoló ledje mennyit kér (20-30mA) , mekkora ellenállás van sorba vele, és már ki is jött a kért érték. Esetleg a beépített elektrolit kondenzátor feszültség értéke is adhat némi tájékoztatást...
|
Bejelentkezés
Hirdetés |




Tényleg rossz képletet adtam meg.
”
, sőt kettőt






is, de nagy trükk nem lehet a
Bekötése is. esetleg ha vissza rajzolnád a nyákról az elvi rajzot akkor sokkal egyértelműbb lenne. Ki mit miért hogyan csinál az áramkörben?




