Fórum témák
» Több friss téma |
A miért szól jobbanra nem műszaki, hanem pszihológia válasz létezik, nem is bonyolult.
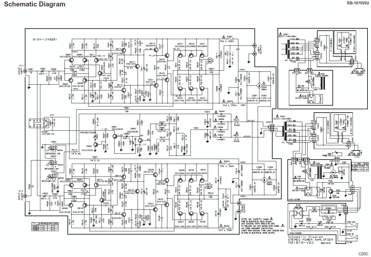
Itt van egy műszaki csemege az érdeklődőknek...
Köszönjük!
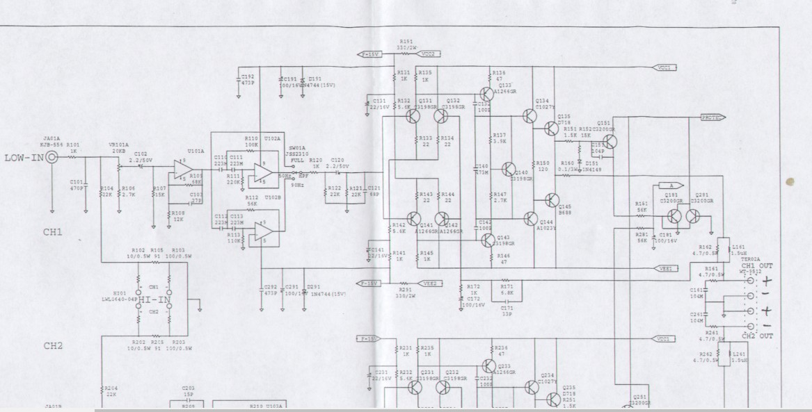
Azért ennyire pontosan nem rajzoltam volna vissza ![]() A Krell nekem is megvan... azért ez sem szólhat olyan rosszul.
Van egy-kettő, de nem lehet elég belőle. Köszönjük, ha kiteszed.
ML431:
Van egy egészen szokatlan kialakítású földelt bázisú szintáttevő a rajzon. Ezt is mindig elfelejtem leszimulálni, pedig szemmel láthatóan van értelme. Vagy már megtettem, de elfelejtettem.
A másik: 30 évvel ezelőtt még tudtam, hogy vissza lehet csatolni 90 fokos fázistartalékra (oda is írtam ceruzával az 5.5 ábra mellé), de mára már ezt is elfelejtettem. Most mit lehet erre mondani.
Ez, meg ez van. Az első három szinte ugyanaz.
Erről a Rotelről is jókat írnak. A nyákrajzot nem én firkáltam össze.
Most látom, hogy van Parasound szimulációm is. Talán elég is mára a sok "jóból"... Érdekes, hogy mindegyik szimmetrikus differenciállal kezdődik. És vannak diff. bememenet > kaszkód > áramtükör hívők A CFA hívők A negvcs. nélküli hívők És a hitetlenek : ) BJT/ FET hívők kimaradtak. A hozzászólás módosítva: Márc 8, 2023
Részben ugyanarról beszélünk. Olvasd el azokat a csatolmányokat meg ami még hozzá tartozik amiket a Karesz betett nemrég, gyönyörűen ki lehet belőle hámozni a lényeget. Nem lehet egy szimpla THD méréssel megmérni, hogy mitől szól jól vagy nem jól valami. Ez az alapprobléma. Vannak akik erre rájöttek (gyártók közül is sokan), van aki elfogadni sem tudja, számára ez nem létezik, inkább afféle ezotéria. Akik rájöttek, azok is megosztottak. Egy részük szimplán széttárja a karját, másik részük nekiállt valamiféle hangzásmódosító eszközökkel kísérletezni, harmadrészük pedig megmaradt az einsteini abszurditásnál (folyton ugyanazt csinálja, de más végeredményt vár), itt is ezt látod. Hogy hasonlatot is mondjak, olyan mintha rizsföldre mennél aranyat ásni.
Idézet: „Nem lehet egy szimpla THD méréssel megmérni, hogy mitől szól jól vagy nem jól valami.” Megint ugyanaz a lemez. Ezt sosem állította senki, mégis ezt ismételgeted.
Annak a Rotel rajznak az egyszerűbb változata van benne a világ legtöbb autós végfokában. Inkább nem mondok róla semmit.
A hozzászólás módosítva: Márc 8, 2023
Igen, mindenkinél megvan az ösvény, amin szeret haladni...
Most találtam Bruno-ról egy hat évvel ezelőtti interjút. Nem kicsit érdekes.
https://www-soundandvision-com.translate.goog/content/bruno-putzeys-head-class-d?_x_tr_sl=en&_x_tr_tl=hu&_x_tr_hl=hu&_x_tr_pto=wapp Időközben megjelent az amerikai piacon - elég nagy port felkavarva maga körül - a Benchmark AHB2 Abban van egyetértés, hogy az Ncore és a Benchmark jól érzékelhetően nem szólnak ugyanúgy. Két táborra szakadtak a hívők. Meglepő? https://www-audiosciencereview-com.translate.goog/forum/index.php?threads/review-and-measurements-of-benchmark-ahb2-amp.7628/page-26&_x_tr_sl=en&_x_tr_tl=hu&_x_tr_hl=hu&_x_tr_pto=wapp A magunkfajta barkács-amatőrök korszakának kezd bealkonyulni. Szomorú, de az a jövő. A hozzászólás módosítva: Márc 8, 2023
Én sem mondtam róla semmit. Azt írtam le amit olvastam róla... kommentár nélkül.
Nekem sem kedvencem ez a fajta szimmetrikus diff. bemenet. Van rá magyarázatom is miért nem. De ennek nincs jelentősége.
"...meg kellett várnunk a felismerést, hogy a kimeneti szűrőt valóban fel lehet használni ennek kihasználására. Ha harmadrendű visszacsatoló hurkot helyez egy olyan erősítő köré, amely másodrendű kimeneti szűrőt tartalmaz, akkor ezt felhasználhatja egy ötödrendű hurok létrehozására. Csak azt kell megtudnia, hogyan tarthatja stabilan. ..."
Itt van a Purifi (Hypex?) (Ncore?) működésének leírása is - amit Skori emlegetett - az a sok látszólag céltalan RCRCCCR : ) tag a visszacsatolókörben. Olyasmi lehet elképzelésem szerint, mint két-pólusú kompenzáció, csak ez három pólusú, vagyis 60 dB/dekád meredekségű... és mindez a kimeneti szűrő utánról visszavezetve. Csak azt kell megtudnia, hogyan tarthatja stabilan... : )
Pedig akkor még nem volt Purify. Ma már kapni is lehet a NAD M33-ban.
https://www.arukereso.hu/erosito-c3646/nad/m33-p579787140/?gclid=Cj...Lw_wcB
Azért nem kell Purifi, mert építenem kellene hozzá teljesen szimmetrikus előerősítőt. Az elé meg venni valami szimmetrikus kimenetű izét műsorforrásnak
Végig olvastad az interjút?
Ez már régi cikk. Brunó a purify születéséről is beszélt egy másik interjúban, ahol azért elég sok mindent mondott a visszacsatolásról, a nem visszacsatolásról, a Cordell féle hibakorrekciós erősítőről, meg a téveszmékről, stb. Ezt a cikket nem találom sehol.
Nem véletlenül csak a D osztály érdekel. A hozzászólás módosítva: Márc 8, 2023
Hajnalban bevillant a dolog lényege. Az nCore és a Purifi működési elve között már nincs különbség. Minden ott van abban a két mondatban, amit két hozzászólással ezelőtt idéztem tőle. És még volt 2-3 utalás arra az interjúban, hogy hol van elhibázva a mai erősítéstechnika.
A visszacsatolt rendszerek csak addig működnek rendeltetésüknek megfelelően amíg hurokerősítés állandó. Tehát egy elsőfokú rendszernél (pl. Miller-kompenzáltnál) legnagyobb a "pazarlás". Ha az első pólust mondjuk 20 kHz-re toljuk ki és 40 dB-es visszacsatolási tényezőt állítunk be, akkor az egységerősítési frekvencia 2 MHz-re tolódik ki. Ha még szeretnénk mellé mondjuk 20 dB zárthurkú erősítést is, 20 MHz lesz az egységerősítés határfrekvenciája. A 20 kHz-től 20 MHz-ig terjedő sávra nincs semmi szükség. A frekvencia növekedésével arányosan csak a torzítások nőnek fel az egekig... feltolódnak egészen a rádiófrekvenciás sávba ahol minden tele van parazita kapacitásokkal, szórt induktivitásokkal, nyákon és alkatrészeken kialakuló rezgőkörökkel. Tehát Bruno csavarintott egyet az elméleteken és a szükségből erényt kovácsolt. Az UcD-nek úgyis szüksége van -180 fázistolásra ahhoz, hogy "begerjedjen". A stabil működés feltételeinek teljesítéséhez maradt még újabb -180 fok. Amíg a rendszer nem éri el a -360 fokos fázistolást, addig stabil marad. Ha egy háromállású szabályzót alakít ki a visszacsatolókörben, kap egy ötödrendű szűrőt. A szabályzókör határfrekvenciájának - ideális estben - egybe kell esnie a kimeneti szűrő határfrekvenciájával és akkor a hurokerősítés állandó marad a teljes átviteli sávban. Felette pedig mintha ollóval vágnák le azt a felesleges átviteli sávot ahol torzítások felnövekedhetnének. "Csak" azt kellett kitalálnia, hogy öt pólushoz hány zérus tartozik, hogy a stabilitás feltételei teljesüljek... és az ezekhez tartozó frekvenciákat. Analógban erre hajaz a két-pólusú kompenzáció, vagy utódja a TMC (Transitional (átviteli) Miller Compensation) és ezek még további variánsai ETMC, ITMC. Ezek mindegyikében közös, hogy 40 dB/dekád vágási meredekségre állítják be a nyílthurkú az erősítést. Így az egységerősítés határfrekvenciája fele lesz az első fokú rendszerhez képest. Állítólag drasztikusan feljavítja az erősítők szubjektív hangminőségét. Aztán itt van ez a Benchmark, aki az előreszabályozás alkalmazásával valószínűleg megcsinálta a "nemtudomhanyadrendű" szűrőt. Csak találgatok. A THX szabadalom talán valamennyire hasonlít a QUAD-ban alkalmazott előreszabályzáshoz. Jó lenne látni egy frekvencia-átviteli görbét róla. A Benchmark egy "analóg Purifi" lehet. De lehet, hogy hülyeséget beszélek. A hozzászólás módosítva: Márc 9, 2023
Mi az a háromállású szabályozó a visszacsatoló körben? A kétállású egy félhíd, a háromállású meg egy teljes híd lehet. AD, vagy BD moduláció, de ezt betenni a szabályozókörbe? Két állás, háromállás, ezek kapcsolót jelentenek. Kétállású pl a vasaló. Ezt nem értem.
Az elmélet nagyon frappáns, szépen összevág azzal, hogy egy szalagos stúdiómagnó sem visz át 500 kHz-ig, csak mondjuk 20-ig, aztán mégis elképesztő minősége van. Ugye 20 kHz után nagyon meredeken csökken az átviteli tényező, tehát én elfogadom, hogy nem kell óriási sávszélesség. Viszont kell a nagy hurokerősítés, mert másképp a torzítások nagyok lesznek. Ez meg csak úgy valósítható meg, ha mondjuk 40dB/dekáddal esik az átvitel az első töréspont után. Persze jobb lenne a 60, vagy még több. Pwm-ben el tudom képzelni, analógban már nem, legfeljebb azzal a girbe-gurba fázismenettel, ami valamelyik irományban volt, talán a Díyaudioról? Ugyanezt láttam pwm-ben is, az egy cikk, bár távolról sem voltak olyan kis THD értékek, mint amit az Ncore, vagy a Purifí tud. Majd előveszem a linearizált modellt, mert a direkt pwm-et nem szimulálja rendesen az AC sweep. Addig nagyon jó, hogy az első töréspontig az átviteli tényező állandó, ennek megfelelően nagyjából állandó a THD 20 kHz-ig. Az első töréspontot meg beállítja a kimeneti szűrő, ettől a törésponttól kezd csökkenni a hurokerősítés. Tehát, akkor azt kell megcsinálni, hogy mondjuk 20 kHz felett minél kisebb legyen a hurokerősítés. Ennek csak az mond ellent, hogyha nem 20kHz-en van az első töréspont, vagyis a kimeneti szűrő töréspontja, hanem mondjuk 40-en, akkor miért nő meg a THD már a kisfrekvenciákon is? Holott a hurokerősítés ugyanaz maradt? Idézet: „Állítólag drasztikusan feljavítja az erősítők szubjektív hangminőségét.” Kérdés, hogy ez a valóságban mit jelent, valójában mit okoz.
Lehet, hogy hülyeséget írtam és nem kellene belekeverni a szabályozástechnikát - mert tényleg nem értek hozzá - de háromállású szabályzó akkor sem teljes híd, hanem ha jól veszem ki, egy integráló- és egy differenciáló jellegű tag soros átviteli jellemzője.
Inkább ne menjünk bele, mert úgy sem jutunk el sehová... csak gondoltam valamire hirtelen, de biztosan nem így működik. Minden visszacsatolt erősítő belsejében girbe-gurba fázismenet van, amit ki is lehet egyenesíteni, meg tovább is lehet gurbítani : ) Lehet nem írtam oda, hogy a 20 kHz-es sávszélesség az: például 20 kHz, de lehet 70-, meg 200 kHz is.
Megint csak diyAudio. Az asztrál Ostrapper az aki kipróbál minden "marhaságot" a gyakorlatban is. Ő írt le ilyeneket, rá kell keresni. Én még soha nem próbáltam ki és nem is látom át teljesen tisztán az egészet. Ahhoz még rengeteget kellene gyakorlatozni a szimulátorban és a zsebszámolón, hogy azt mondhassam jutottam vele valamire.
https://www-diyaudio-com.translate.goog/community/threads/2stageef-high-performance-class-ab-power-amp-200w8r-400w4r.235194/?_x_tr_sl=en&_x_tr_tl=hu&_x_tr_hl=hu&_x_tr_pto=wapp És itt van a szomszéd "osztrákiában" "astx" aki elég elképesztő dolgokat alkot, ő csak ilyeneket használ. A hozzászólás módosítva: Márc 9, 2023
Idézet: „Kérdés, hogy ez a valóságban mit jelent, valójában mit okoz.” Éppen csak a kérdésre nem válaszoltam. Azt okozza amiről hajnalban írtam.
Addig világos, hogy a felesleges frekvenciákat levágják és ezzel csökken a hallható tartományban a torzítás, ezt láttam már magam is a gyakorlatban, a miértre pedig sajnos nem csak én nem tudom a választ ezekszerint.
Talán rossz a megfogalmazás, de ha megnézed az ábráidat, akkor ott egy olyan kapcsoló van a különbségképzés után, aminek 3 állása van. Hiszterézise is van, különben nem működik. Ilyen háromállású kapcsoló egy teljes híd is, mert azzal meg lehet csinálni, hogy a kimenetnek három állapota legyen. Az egyik, amikor pozitív, a másik amikor negatív, a harmadik meg amikor nulla feszültség van. Ebből mindjárt kettő is van, mert a hídban vagy a két felső, vagy a két alsó kapcsoló van bekapcsolva. Tehát a harmadik állapot nem azt jelenti, hogy lóg a levegőben a kimenet ( ilyet is lehet, az összes kapcsoló ki van kapcsolva ) hanem hogy rövidre van zárva. Még olyan is lehet, amikor az összes kapcsoló be van kapcsolva. ( Ez olyan helyen jó, ahol a bemenettel egy fojtó van sorbakötve, aminek sosem szakadhat meg az árama. Áraminverterek. ) Ha megnézed a második ábrát ( a felét lehagyták ) ott az van, hogy az egy olyan állapot, ahol csak két állapot van kihasználva, mondjuk a nulla és a negatív. Ha tovább rajzolták volna, akkor látszódna, hogy van neki egy pozitív-nulla állapota is. Ebből van a nagy probléma, mert nem lehet akármekkora hurokerősítést használni, mert a kapcsolók ugye hiszterézisesek, tulajdonképpen hiszterézises ablakkomparátor, ha túl nagy a hibajel, akkor mindkét irányban fognak ezek a komparátorok kapcsolgatni és végül +/- kimenetet kapunk, vagyis kétállapotú lesz a rendszer. Ez a kis hurokerősítés a szabályozás pontosságára hat, ha ez mondjuk szinuszt csinál, akkor terhelésre ejteni fogja a feszültséget. Persze van erre is megoldás, nem is rossz, de az a rész már nem szabályozás, hanem egyszerű kompenzálás. Meg az is látszik, hogy túl kicsi bemeneti jelnél nem alakul ki semmilyen moduláció, mert a komparátorok nem billennek sehova. Meg az is probléma, hogy mekkora is legyen a holt sáv a komparátorok között? Valójában úgy néz ki, hogy amikor az egyik komparátor dolgozik, akkor mondjuk alulról közelíti a bemeneti jelet, amikor a másik, akkor pedig felülről. Pont olyan torzítást okoz, mina keresztezési torzítás. Inverterben elmegy, erősítőben nem.
A kétállapotú meg a vasaló, fűt, vagy nem fűt... Tehát nem a kompenzálás, frekvenciamenet, stb jelenti a két, vagy három állású szabályozót, hanem maga a teljesítményerősítés, tehát, hogy a moduláció 2-, vagy három állapotú lesz. Erősítőbe nem jó. De azért kipróbáltam... )
Hétfőn 5:17-kor (még mindig nem tanultam meg hivatkozást beszúrni) kitettem a két-pólusú kompenzáció méretezésének szimulációit, csak éppen magyarázatokat nem fűztem hozzá.
Az a lényege az egésznek, hogy a hurokerősítés (visszacsatolási tényező) az első törésponti frekvenciától csökken. Ha a hurokerősítés csökken, a torzítás nő magasabb frekvenciák felé haladva. Ez egyszerű és könnyen belátható. Ha a nyílthurkú erősítés 6 dB/oktávval esik, nagyon széles lesz az az átviteli sáv míg eléri az egységerősítési frekvenciát. A bemeneti aluláteresztő pl. ezt a sávot csökkenti le azzal, hogy levágja magasabb frekvenciákat. Ezzel csökkenti közbenső fokozatok túllövését, aminek következtében kisebb lesz a TIM. A másik megoldás lehet az, hogy 12 dB/oktávval esik a nyílthurkú erősítés, így hamarabb éri el a nyílthurkú erősítés az egységerősítési frekvenciát. Lecsökken a sávszélesség, csökken a zaj, javul a tranziens átvitel (talán, ezt még át kell gondolni). Csakhogy a 12 dB-es átviteli meredekség begerjeszti az erősítőt, ezért be kell szúrni az átvitelbe egy zérust ami helyre állítja a fázismenetet, elegendő fázistartalékot biztosít, megteremti a stabilitás feltételeit. Igyekeztem, de nem tudom mennyire volt ez érthető. |
Bejelentkezés
Hirdetés |













De azért kipróbáltam... ) 