Fórum témák
» Több friss téma |
Fórum » Futófény
Hello! Nem tudom hol nézted, a RET elektronikánál a 74HC4060DR 88Ft. a 74HC4042D 65Ft, bruttó..
Hogy mi a különbség számodra, azt döntsd el Te. A 4060-ban van egy ütemadó és egy 14 tagú számlánc, a 4042 pedig egy BCD decimális átalakító, amit három biten 0..7-ig használunk. A negyedig Bit a Fet tranyókat kapcsolgatja.
Sziasztok!
Mivel még új vagyok a témában így ha hülyeséget kérdezek előre is bocsi. Milyen megoldás lenne arra futófénnyel kapcsolatban, hogy a futófény egyszer menjen oda vissza és utána folyamatosan világítsanak a ledek?
Hello! Tisztázni kellene, hány Led-re gondoltál, mekkora teljesítményűekre és tápfeszültségre.
Valamint hogy egy világító Led futna-e oda-vissza és milyen gyorsan. Mert egy lehetséges választ, ilyenek is befolyásolhatják..
Helló!
10db Led-re gondoltam 2V 20mA/Led 0,04W kb ha jól számoltam 14,4V tápfeszültség igen 1db Led futna oda vissza utána pedig eggyesével kezdene oda világítani. KB 2mp lenne a gyorsasága úgy értem hogy 2mp oda 2mp vissza és 2mp oda amíg az összes világít
Akkor megoldásnak talán a legegyszerűbb egy LM3914-es, melynek van pont és vonal üzemmódja. Így csak a vezérlését kellene megoldani. Vagy mikroprocesszor..
A vezérlést úgy gondoltad, hogy táp megjelenik. Fel, majd lefut a pont (DOT), majd felfut a sáv és úgy marad (minden Led bekapcsolva) a táp kikapcsolásig?
Igen pontosan úgy ahogy írtad.
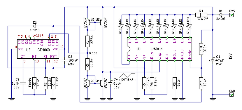
Hello! Lerajzoltam az analóg megoldást. A vezérlés ütemét a 47k-val lehet beállítani. De ekkor módosítani kell a "Slope" két ellenállását, mert a kondi töltőáramát (ezzel a fel-lefutás meredekségét) a két 220k és a 10µF határozza meg. De majd meglátod, tényleg ezt szeretted-e volna.
Ó, elfelejtettem kijavítani az IC típusát! Ehhez a lineáris LM3914 kell..
Köszönöm a segítséget remélem sikerül.
Hello! Nem tudom mire gondolsz a "remélem sikerül" alatt. De kijavítottam a hibát, meg kicsit "előrelöktem" a dolgot. Bár nem tudom hova/minek lesz ez, de gondolom kocsiban lesz valami látványelem..
Hello! Összeraktam de nekem nem működik idáig, még átnézem nem e kötöttem el valamit.
Hello! Ezek szerint nem a nyákot készítetted el. Az, hogy "nem működik" csak egy egybites információ..
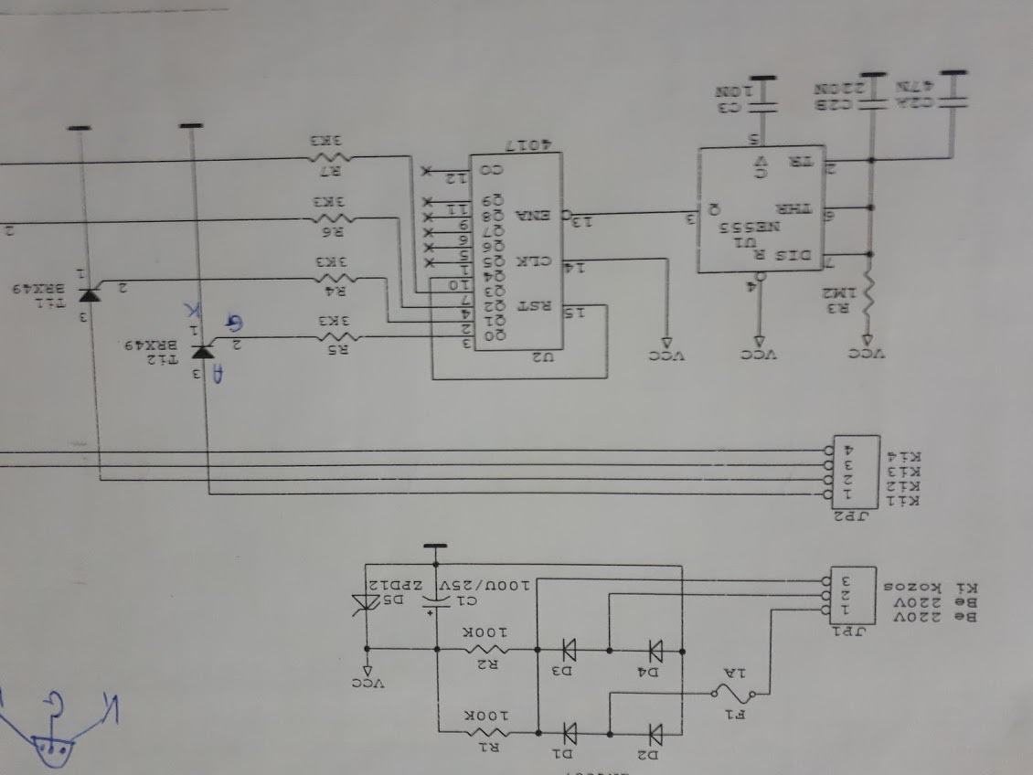
De ezek a fokozatok részegységenként is próbálhatók. Pld. - Az LM3914 5-ös lábára lehet feszültséget adni, 0..12V-ig és erre a Led-sornak sorba jelezni kell. Ha így van, akkor a kijelző működik. - A CD4060 7-es lábán, kb. a féltápot kell mérni (mert gyorsan billeg) a táp bekapcsolása után kb. 6 másodpercig. Az után 0V lesz rajta. - A CD4060 1-es lábán bekapcsoláskor 0V-nak, majd 2 másodperc múlva tápnak, majd tovbbi 2 másodperc múlva ismét nullának kell lenni. A 2-es lábon bekapcsolás után 4 másodpercig nulla, majd ez után tápfesznek kell lenni. - A C4 kondi feszültség formáját oda rajzoltam a kapcsolási rajzra.
Sziasztok. Segítséget szeretnék kérni, futófényhez. Meg építettem a rajzon látható futófényt, 2db. Az eredetiben BRX49 van, tökéletesen működik. A másikban MCR100 van, de nem kapcsol. hozzáértők szerint,az ellenállást kell cserélni. De mekkorára? Hogyan tudom kiszámolni? A másik hogy kicsit lassú a futási sebesség. Melyik kondin kell változtatni, a C3 vagy a C2A C2B-n, és kisebb vagy nagyobb értékre?
Hello!
- A sebesség növeléséhez a C2a-C2b kondi kapacitását kell csökkenteni, vagy kivenni egyiket. Megoldás lehet az R3 csökkentése is. - Az MCR100-nak valószínűleg nagyobb Gate áramra van szüksége. Annak növelése az R4..R7 ellenállások csökkentése a megoldás. Hogy mennyire, azt a Vcc táp értékének hiányában nehéz megmondani. Adatlap szerint 200uA az áramigénye. Tehát ennél nagyobb Gate áramot érdemes beállítani. Ha a tápfeszültségből levonod a Gate-katód nyitófeszültségét (ez kb. 1V), ls ezt elosztod a Gate árammal, megkapod az ellenállást. De az IC-nek is van csatorna ellenállása, de az a tápfesz értékétől és a terhelés nagyságától függ. De ha 5V a táp és 1k-t teszel bele, nagyon nem tévedhetsz, mert az abszolút maximális Gate áram 1A körül van.
Hello. Köszönöm szépen. A tápnál 12 voltos zener van. De még semmit nem mértem. Illetve annyit, hogy a BRX nél kapcsolja a 230 voltot, Az mcr nél csak 1 voltot mérek a kimeneten.
A tápot kellene megnézni, tényleg meg van-e. Mert 12V mellett, majd 3mA lenne a Gate áram, ami mind kettő tirisztornak megfelelőnek kellene lenni. Ha a tápban kondi van trafó helyett, akkor annak kapacitását kell ellenőrizni.
Amúgy egy tirisztor vagy begyújt vagy nem. A kimentét meg terheléssel kell mérni.
Amit mértem a digi műszer mutatta. Az össz alkatrész, ami a rajzon van. 1 100U 25v kondi. Nem mértem, mert vadi új. Rendeltem BRX et, de kínából, nem jön meg az ünnepekre. Próbálok ellenállást csökkenteni.
Mármint a 12V-ot mérted? Mert ha a 100µF-on meg van, a 12V, akkor nem érthető a dolog.
Nem a 12v ot. Hanem az mrc kimenetét. Ugyanis nem akartam rákötni az égősort, hanem műszerrel mértem, hogy kapcsolja a kimenetet.
Egy műszerrel mért érték terhelés nélkül nem mérvadó. Mi baja lenne az égősornak, ha rákötnéd? Maximum állandóan világítani fog. Feltéve hogy a van egyenirányítás az áramkörben és nem a tirisztor kapcsolja csak a félhullámot.
Pedig ha nincs elég gyújtóáram, akkor a tápfeszt is nézni kell. Ha ellenállással állítják elő a tápot (met a rajzodon semmi nem látszik) akkor azokat is meg kell mérni, nem nyúltak-e meg.
Szia. Rákötöttem az égősort, de nem csinál semmit. A brx49 adatlapja ugyanazt írja, mint az mcr nek. Csak fordítva kell bekötni. Én így csináltam de nem megy. a másik panel, ugyan ilyen, csak abba a brx van, ami a kapcsolási rajzon is, és tökéletesen működik.Multkor írtad,hogy az R3 csökkentésével is lehet a sebességet csökkenteni. Ha egy potit tennék a helyére, tudnám állítani a sebességet?
Hello! Lehet az R3 helyett potit tenni, de egy 10k ellenállást célszerű a potival sorba tenni, hogy ne lehessen nullára tekerni. De nem írtál a tápfeszültség méréséről semmit. Célszerű ellenőrizni, hogy az R1-R2 100k ellenállások nem nyúltak-e meg. Meg pld kipróbálni hogy ha a tirisztor G-K helyére egy-egy fehér Led-et kötsz (Anód a Gate felé) működik-e a kapcsolás egyáltalán.
Szia.Tápot még mindig nem mérte, mert történt egy kis bibi. Megjöttek a BRX 49 ek. Beraktam a helyére,de amikor bedugtam a 230- voltra, a 4db ellenállás kis lánggal elégett. A működő darab, kb 20 éve állt a fiókba, akkori új alkatrészekkel, első rugásra indult. A másik panelt pár hónapja ültettem be, vadi új alkatrészekkel,csak BRX nem volt, ezért kapta a másik tipust. A panelt átnéztem nem volt sehol zárlat. Azo agyalok,hogy talán a négy ellenállást néztem el, mert ha azt tettem be, mint a másikba, akkor működni kéne. De ezt már nem tudom megnézni, mert elégett. Teszek be amit a kapcsi rajz ír, hátha beindul. Annyira már nem sietek, mert ünnepekre biztos nem tudom már felrakni.
Idézet: Tartok tőle, hogy nem csak az ellenállások vesztek oda..... „a 4db ellenállás kis lánggal elégett”
Hello! Ha elégett a négy ellenállás, akkor az már nem fog elindulni. De nem lehet hogy elfelejtetted hogy a két tirisztor bekötése más (Te írtad)..
Hello. A tirisztort jól raktam be. A működő panel is előttem volt. Onnan puskáztam. Meg a beültetési rajz is ott van.
Hello! Akkor pedig valamit elkövettél. Mert ha a tirisztor anód-katód között átvezet, akkor csak világít a lámpa. Túlterheléstől, vagy túlfeszültségtől átüthet a Gate-re, akkor leéghet a Gate ellenállás. De ekkor az IC is megadja magát. Mert hogy egy tirisztor megpusztul, az még hihető lennem de hogy négy, az biztos hogy nem életszerű.
Szia. ugyan azt az égősort kötöttem rá, amivel a másik panel működik. Túl nem terhelhettem.Mindenképpen működésre bírom , de csak jövőre, már nincs erre időm. Sőt a működő példányt még be kéne húzni a slagba. Aztán felkínlódni az eresz alá.
A jobb oldali két LED egyszerre világít. A két ellenállás ugyanarra a kimenetre van dugva.
|
Bejelentkezés
Hirdetés |













