Fórum témák
» Több friss téma |
Mielőtt kérdezel, a következő két dolgot ellenőrizd!
I. A helyes tápfeszültségek megléte.
II. A kimeneten van-e egyenfeszültség.
Élesztés.
Az a cikk 1997-es, tehát kb. 26 éves. Ma már valóban sokmindent másképp kellene csinálni. Ha az általad is felsorolt dolgokat javítanánk benne, még akár használható is lehetne.
Amik nekem feltűntek ebben a kapcsolásban: - Az áramtükör hiányzó emitter ellenállásai. - Korrekt túláramvédelem hiánya - C14, C21 elég fura megoldás, nem tudni "mit akart a költő", ill. hová akarta hidegíteni a bázist. - C13, C20 hasonlóan hülye megoldású - T13 és C16 esetén nem ilyen fura a hidegítés, de itt sem veszi figyelembe a zener jelentős zaját a konstrukció - Az IC tápelnyomása sem végtelen, itt sem foglakozik a zenerek zajával (nem elég a párhuzamos 10uF) - Ha már átmegy az IC-n a jel, és nem sima szervóként működik, akkor csökkenthetné a torzítást megfeleően méretezett visszacsatolással. Azonkívül gyakorlatban is hallható, (és mérhető is), hogy az invertáló kapcsolás általánosságban jobb hangú, mint a neminvertáló - A kimeneti tekercs csillapító ellenállása hiányzik - A hőfok stabilitás megoldása nem tudom mennyire jó így a gyakorlatban, vannak kétségeim, de ha PA erősítőnek tekintjük, akkor B osztályú működés sem annyira gáz ![]() .- Érzésre az R9, C10 sem jó helyre van földelve, és a méretezését is megnézném (talán így volt csak stabil a végfok).
Már semmiben sem vagyok biztos, de nagyjából ugyanazt látjuk : )
A gyakorlatban kipróbáltam (más kapcsoláson), hogy a nyugalmi áram akkor lesz nagyjából hőfokfüggetlen, ha a BIAS tranzisztorral sorba kötünk kb. 4.7V-os Zener-t. A DC szervó szerintem jól van így bekötve. Hangfrekvencián feszültségkövető, DC szempontból szervó. Talán annyit módosítanék, hogy R3, R15 = 100k és C4 = 1µF Wima, vagy valami "rendes" kerámia. De tényleg le kellene szimulálni és nem ártana egy kísérleti nyákon kipróbálni. Nem szívesen nyúlkálnék bele így látatlanba egy ismeretlen kapcsolásba... szívtam már meg az okoskodásommal egyszer-kétszer.
A DC szervót be lehet, úgy is kötni, hogy nem megy át rajta a jel - azaz nem ront a hangminőségen. Ok. itt a bemenő impedanciát is növeli - de ha már átmegy rajta a jel, akkor jobban ki is lehetne használni.
A zenerekkel rossz a tapasztalatom, durva zajforrások, ráadásul a kicsi dinamikus ellenállásuk következtében (nagyságrendileg 5Ω-40Ω) a rajzon szereplő 10µF nem söntöli ezt a zajt. Pl. 10Ω - 10µF ->177Hz határfrekvenciát ad, tehát itt 3dB-el lesz kisebb a zaj, a 6dB/oktáv meredekséggel számolva, 1kHz-en mindössze 15dB körüli csillapítást jelent. Ha azt is hozzáveszem , hogy egy 10µF-os elkó ESR-je is Ω-os nagyságrendben van, akkor még rosszabb a helyzet. Magyarán illene RC szűrővel szűrni a zenerről nyert feszültséget, vagy valami referenciaforrást használni helyette (pl. TL431), de ha semmiképp sem oldható meg másképp akkor sokkal nagyobb és esetleg alacsony ESR értékű kondi kellhet rá. Ha magamnak építenék ilyesmit (de nem fogok) akkor alaposan átalakítanám - vállalva az ezzel járó kockázatot, kísérletezést, stb... De, azóta hallottam szólni pl. a purifi-t, és azt mondom, hogy max. hobbiból érdemes A vagy éppen AB osztállyal játszani. Csak érdekességképpen: még egy D osztályú erősítőnek is mérhetően rosszabbak lesznek a paraméterei, ha a gate drájver IC tápfeszültsége zajos (pl. egy zener miatt, ami rossz helyre van tervezve).
Itt például párhuzamosan használom, de valamennyire mindig beleszól a hangképbe. Van úgy, hogy javít rajta, de ahhoz szerencse is kell.
Igen a Titze-Schenk is kihangsúlyozza, hogy felesleges a Zener-rel párhuzamosan kötni szűrőkondit, mert úgysem csinál semmit, ennek ellenére próbálkozunk vele : ) Nekem semmi bajom a 6V8-as Zenerek-kel, ha lenne akkor valóban RC tag és kompozit darlingtonnal kell megtámogatni. A TL431-et nagyon meg kell nézni hová és hogyan teszi be az ember, ha nem kell pontos referencia fesz, akkor nekem inkább a Zener. Én is azóta nem építek diszkós erősítőt mióta megláttam a Dynacord L2400 belsejét : ) Ezekkel az analóg izékkel meg nem ártok senkinek.
Szia!
Ez melyik rádiótechnika füzet, vagy évkönyv? Köszi!
Sziasztok!
Adott egy 100V rendszer Philips SQ10 60W os keverőerősítője. Mikor nincs jel egy eléggé hangos 50-hzes búgás hallatszik a hangszórókon, szerintetek ki lehetne ezt küszöbölni valahogy? Csatolom a szervízkönyvet, található egy VR106 trimmer poti, az mi célt szolgál? Bővebben: Link
Szia! A VR106 a nyugalmi áramot állítja.
A búgás lehet értékvesztett kondenzátortól, vezető szakadástól, vagy új korában sem volt sokkal jobb. Külön vizsgáld a végfokot és a keverő részt, melyikre jellemzőbb?
Konkrétan semmi nincs rácsatlakoztatva, minden hangerő szabályzó 0 állásba, akkor a leghangosabb, de ha egy akármilyen audio jelet kap akkor nem hallatszik. A Tone potinál ha a mély potit a legkisebb pozicióba állitom akkor halkabb. Ahogy én értelmezem mikor nincs jel az adott csatornán akkor NPN tranzisztorral azt a bemenetet a földre húzza.
Ez a rendszer egy templom hangosításáért felelős, szerintetek ha újrakondizom, illetve beültetnék egy 100-120 Hz nagy meredekségű felüláteresztőt meg lehetne ettől a zajtól szabadulni? A hangládák eléggé érzékenyek lehet ezért feltűnő. Terveznének még egy mikrofont rákötni a 3 bemeneten kívűl ezért arra gondoltam, hogy jobb lenne beruházni egy külső keverőre a beépített helyett. A hozzászólás módosítva: Ápr 2, 2023
Az egyes mikrofon bemenet a 4-5 lábak közötti opcionális kapcsolóval tudja a többi jelforrást némítani, erre szolgálnak a tranzisztorok.
Mivel a mély hangszínszabályzó változtatja a búgás erejét, már a korábbi fokozatból jön a zaj, vagy legalábbis egy része. A test vezetésben lehet kontakthiba a potik és a hangszín IC között? Jó lenne látni a készülék belsejét. Árnyékolás van benne? Jól érintkezik? A műveleti erősítő tápszűrőjében és a tápfelezőben nem árt a kondik cseréje. C114, 135, 139. További mikrofon bemenet könnyen létesíthető, mert az U102 fele üresen lóg a levegőben (1-2-3 lábak). Csak le kell másolni a MIC 2-t. Képek alapján többet lehet majd mondani.
Üdv Mindenkinek!
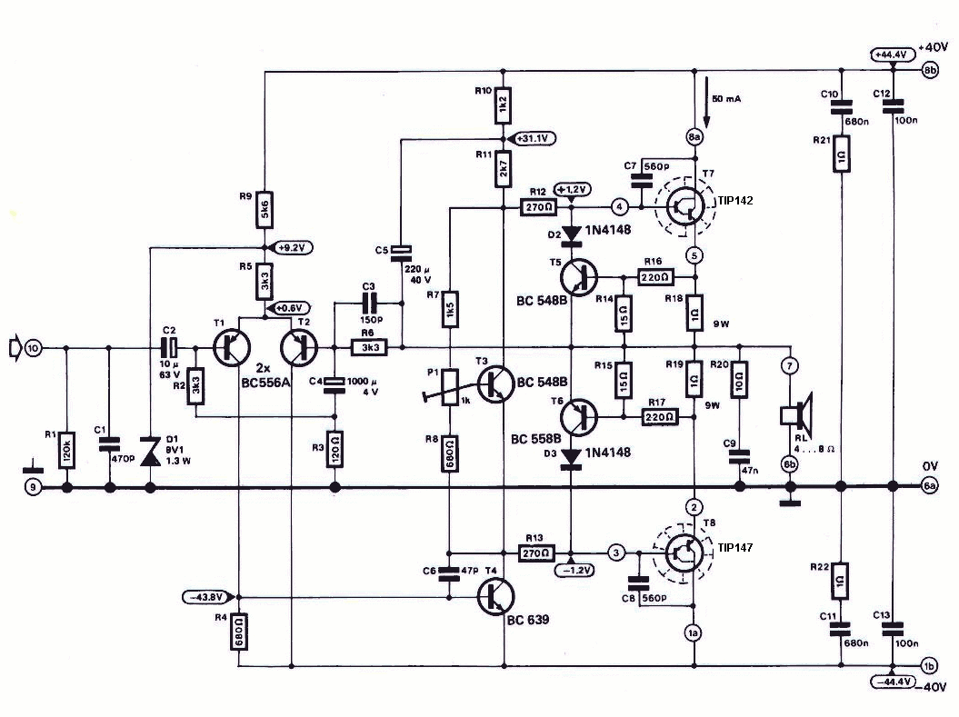
Ezzel a darlintonos végerősítő kapcsolással szeretnék segítséget kérni. A hobbi elektronika 82/2-es újságjában közölték le , ezt szeretném után építeni de csak +- 60 volt feszültségű(egyenirányítás után) transzformátor állnak rendekelzésemre. Mit kellen módosítani a kapcsoláson , hogy tudjam magasabb tápfeszültségről járatni ? Vagy alkalmas jelen fomájában is ( megfelelő feszültségű félvezetőkkel építve)? Előre is köszönöm! A hozzászólás módosítva: Ápr 4, 2023
Szia! Az R18, R19 emitter-ellenállásokon elképesztő veszteség jön össze így is. Ha növeled a tápfeszültséget még nagyobb terhelhetőségű ellenállásokra lesz szükséged.
Hány ohm-os hangszóró lesz rákötve?
Szia
4-8 ohm-os hangfalaim vannak , lehetőség szerint mindkettőnél szeretném használni. Miért nem a szokásos 0,22 vagy 0,33ohm-ok vannak ott ? A darlington tranzisztorok miatt ? Vagy más az elv ?
A T3 nincs a hűtőbordán, így a nyugalmi áram termikus ingadozását az emitter-ellenállások nyelik el. Milyen darlington végtranzisztort szemeltél ki ami a legalább 120 V feszültségtűrést, a 15 A áramot és üzemi hőmérsékleten a 200 W disszipációt elbírja.
A ±60 V-os táppal 4 Ω-ra akár 300 W teljesítmény leadására képes egy AB-osztályú erősítő. Ökölszabály szerint 100 W-onkét kell egy pár végtranyó. Szűken méretezve is legalább kettő. Mekkora a trafód névleges terhelhetősége és hány csatornát kötsz majd rá? A hozzászólás módosítva: Ápr 4, 2023
12 pár sanken MP1620 és MN2488 párba válogatva ,ezek végtranzisztorok. Uce-re elég, csupán a disszipációjuk 150W, kollektor árama 10A. Ha a T3 helyére olyan tokozású tranzisztor teszek amivel könnyen hűtő bordára rakható akkor lehet kissebb értékű emitter ellenállások használni?
Két darab 290VA teljesítményű transzformátor van egészen pontosan 41v váltó feszültséggel így a táp +-57,8volt mínusz rézveszteség, meg ami esik a tranzisztorokon. Dual mono elrendezésben lesz.
Gombhoz a kabátot, értem
![]() Mellékelem a Sony méretezését.
Igen , van félvezető illetve trafó igy most a kapcsolást igazítanám hozzá.
Módosítottam a rajzon , kissé elnagyolt de a célját betölti. Így kellene kinézete az értékeknek?R12-13 módosítása esetén az R7-8 értékeit kell változtatni ? Illetve R14-16 R17-17 a védelem részét képezi, ezek maradnak a megadott értéken? Bocsi ha hülyeség kérdezek csak nem vagyok biztos benne és szeretném érteni. Esetleg ilyen darlington tranzisztorokhoz van olyan kapcsolás ami számomra jobb lenne mint amivel most próbálkozok?
Nyugalmi áram beállító trimmert ne így kösd be, mert érintkezési hiba esetén maximálisra fog ugrani a nyugalmi áram (még ha ebben az esetben a védelem valamennyire meg is fogja). Úgy szokás, hogy a trimmer a bázis és az emitter között van (csúszka és egyik vége összekötve). Így ha nem érintkezik a csúszka, akkor minimálisra áramra ugrik, nem maximálisra...
Nem szívesen szólok bele a diskurzusban, ám valakinek el kellene mondani, ha nem tudod, ha segítséget kér az ember, az rendben van, de másnak a Te vélt elképzelésed miatt, jelentős mértékben elvenni a szabadidejét, kicsit önzőnek mondanám. Csak ajánlanám, tisztázandó, hogy milyen elvárásod van az építéstől. Hangminőség, teljesítmény, milyen hangfalhoz, stb. És mindent ehhez kellene hozzárendelni, nem fordítva. Nekem is van a "szertárban" pár trafó, sokféle tranzisztor, stb. Szóval észszerűen kellene a dolgokhoz állni a véleményem szerint. És némi öntevékenység sem árt a dologban. És így mindjárt más segítséget kérni egy két dologban. De tudok abban segíteni, hogy egy-két hasznos tudnivalóhoz juss. Nézz rá Király Tibor oldalára (tkiraaly), ahol sok hasznos információt találhatsz képekkel. Talán ez után másképp fogsz gondolkodni.
Szia.
Javítom ezek alapján a rajzot ,köszönöm az infót.
Szia
Segítséget kértem az áramkörrel kapcsolatban ,hogy tudom nagyon tápfeszről hajtani ,illetve némi elmélet működéssel kapcsolatban. Egy szóval nem mondtam hogy valaki áldozza az idejét. Szerintem nem sértettem meg senkit ,vagy pár kérdéssel ártok akarkinek. De ugye adott az alkatrész lehetőség amit fentebb írtam, légyszíves írj nekem akkor hogy ha hangminőség a cél milyen kapcsolást tudnál ajánlani ,ha ezzel nem veszem el jelentős mértékben a szabadidődet. Most a tapasztalat szerzés a cél, es nem egy illesztett rendszerben gondolkodni ,csupán egy végerősítőt szeretnék. Ha megsértettelek akkor elnézést, szép napot.
Én értem, hogy mindenkinek van egy elképzelése valamiről. Azonban az élet arra tanítja az embert, hogy tudjon kompromisszumot tenni dolgokban. Az alkatrészek, és az építés milyensége alapvetőleg befolyásolja egy erősítő várható hangzását. Olvasgass, tájékozódj, hiszen mindenki így lett jobb abban amit csinált. Egy erősítő alapvető része a tápegység. Ezért ez az egyik legdrágább része annak. Alkatrészt, meg bárhonnan rendelhetsz, az nem lehet akadály. Az elején felrakott rajzodhoz, duál-monóban két trafó kellene. Ránéztem a kettő darab bizony egy 40-es. Viszont akkor nem kell variálni. A házilagos építésnek ára van, ha a hangminőség számít. Azonban, ha készüléket vásárolnál hasonló minőségben, az sokkal többen fájna. És mint írtam, nem a darlington a fő szempont az erősítő hangjában.
És nem vagyok sértődős. A magam módján segíteni próbálok, ha furcsa is első olvasatra. Magam is sokat olvasgatok, hátha valamira jó lesz a hátralevőben... A hozzászólás módosítva: Ápr 5, 2023
Készítek majd kapcsolási rajzot.
Az áramkorlát mellett a pF nagyságrendű kompenzáló tagokat is újra kell méretezni. Báziselőtét-ellenállás külön kell minden egyes darlingtonhoz! Ha bevertem az alkatrészeket a szimulátorba, megnézem jobban adnák-e ki a darlingtonok csak B-osztályban. A nullátmenet 1 V-os környezetét vihetné egy jól bevált A-osztályú kapcsolás. A Quad405 egész jól ellavírozik ezzel a topológiával. Az is megér egy próbát, hogy a darlingtonok még egy tranzisztorral kompozittá kiegészítve földelt emitteres kapcsolásban működjenek. A monoblokk kialakítás meg földelt kimenetes topológiára csábít. Itt ugye a végtranzisztorok kollektorai szigetelés nélkül fogathatók a testen lévő hűtőbordához és a táp középmegcsapolás adja a tényleges kimeneti jelet.
Sokat olvasok , és igyekszek tájékozódnak de sajnos iskolában nem tanították hogy kell egy kapcsolási rajzon értelmezni a különféle áramköri részeket,rajzot értelmezni és ezt magamtól próbálom megtanulni(pl miért1ohm-os emitter ellenállásokvannak a kapcsolasban ,nem jöttem rá miért).Így most igyekszek ezt pótolni. Igyekszek fejleszteni magam,és gondoltam fórumról is kérek segítséget, mert egyedul nehezen megy. a fentebb megnevezett tranzisztor pár, illetve 2db transzformátor lesz dual mono felepitesben, ahogy fentebb írtam.Ezzel hogy építek egy ilyen végerősítőt csak tapasztalatot akarok szerezni.
Igyekszek minőségi munkát végezni, rendelkezésre áll jó minőségű japán félvezetők, minőségi nagy kapacitások ,ellenállások...arra törekszek hogy minél jobb végeredmény legyen belőle. A hozzászólás módosítva: Ápr 5, 2023
Idézet: „pl miért1ohm-os emitter ellenállásokvannak a kapcsolasban ,nem jöttem rá miért” Gondolom azért, mert a "mérnök" aki ezt tervezte, kiszámolta, hogy az adott áramkör a megkívánt működést, ezzel az ellenállás értékkel fogja tudni! A hozzászólás módosítva: Ápr 5, 2023
Az 1 ohmos ellenállások szerintem azért ilyen értékűek, mert a kapcsolás tervezője így álmodta meg. Az okát valószínűleg csak ő tudja. Szerintem semmi változás nem lenne, ha pl. 0,47 ohmokkal helyettesítenéd. Csak ebben az esetben a túláramvédelem is módosításra szorulna. Egyébként most van előttem ez a végfok, úgy fél éve készítettem hozzá nyákot egy ismerősnek. A napokban hozta vissza beültetve, egy félig kibelezett erősítő dobozával, hogy be kéne üzemelni és össze kéne rakni belőle valami működőt.
Érdekes ennek az 1 Ohmnak a betervezése, jó nagy veszteséggel jár.
Ugye az a célja, hogy az 1 Ohmos ellenálláson eső feszültség egy adott áramnál nyissa a BC548 tranzisztort, ami ekkor elveszi a bázisáramot a végtranzisztorról, és így korlátozza a kollektor áramot is. Az elv maga jó, viszont egy komoly osztón ( 220/15 Ohm ) keresztül jut ez a feszültség a védelmet biztosító tranzisztor bázisára. Vagyis ha egyéb más célja nincs az 1 Ohmnak, akkor nyugodtan csökkenthető úgy, hogy a bázisosztó osztás arányát csökkentjük, mondjuk úgy hogy a 15 Ohmot növeljük. A pontos értéket a szerint kell meghatározni, hogy mekkora áram esetén nyisson a védő tranzisztor. Például: 10A esetén nyisson a védő tranyó, 0,33 Ohm emitter ellenállás esetén. Ekkor a 0,33 Ohmon 3,3V lesz, a tranyó nyitásához 0,7V kell, így az osztó értéke durván 4,7. Ez nagyjából 220/59 Ohm esetén adódik. Ha szabványos 62 Ohmot választunk, akkor kicsit csökken a max áram, de ezt lehet faragni az egyéni ízlésnek megfelelően. ![]() Ez más értékű emitter ellenállásra is számolható. A hozzászólás módosítva: Ápr 6, 2023
Miért kell oda a 15 ohm? Vagyis minek oda az az osztó?
A soros része mindenképpen kell, védeni a védő tranzisztort.
Én a diódán szoktam problémázni, mert elvileg az sem kell, mint ahogyan osztani sem feltétlenül.
A soros rész persze, hogy kell, de akkor már nem osztó.
A dióda esetleg biztosítja az áramkorlát hőfüggetlenségét? Na de minek? |
Bejelentkezés
Hirdetés |

















