Fórum témák
» Több friss téma |
Mielőtt kérdezel, a következő két dolgot ellenőrizd!
I. A helyes tápfeszültségek megléte.
II. A kimeneten van-e egyenfeszültség.
Élesztés.
Értem mire gondolsz. Sajnos egy ilyen kapcsolás nem mondható végleges megoldásnak, bár az aktuális szerepében lehet használható.
Úgy gondolom, célszerűbb lenne rendes balun (DI box) használata. Nem nagy költség ha saját készítésű, lehet műveleti erősítős tisztán elektronikus is. De trafót sem nagy gond készíteni, főleg ha nem teljes sávra kell. Az XLR GND lába azért nem teljesértékű jelöld, mert nem arra van kitalálva, hanem egyenpotenciálra hozás, valamint az árnyékolás csatlakoztatására. Lehet rajta zaj, ami a földhurokból ered. Amit írtál, hogy ne terheljük feleslegesen a forrás invertáló kimenetét, ez érthető. Egyszerűbb szimmetrikus kimeneteknél ez valóban így is van. Viszont a szabvány előírja a vonalszintű illesztést, ami azt jelenti, hogy 0 dB 600 Ohmon. Terheletlenül +6 dB. Rövidzár esetén a kimeneti áram duplájára nő csak. Találkoztam tisztességes szimmetrikus kimenettel, ahol nem csak egyszerűen egy invertáló és egy nem invertáló kimenet volt rákötve a csatira, hanem olyan megoldást használták, hogy ha például GND-re került az invertáló kimenet, akkor duplájára nőtt a nem invertáló kimenet jele. Ergo a nem invertáló kimeneti fokozat nem a GND-hez mint referenciához képest adja ki a jelet, hanem az invertáló kimenethez képest. És visszafelé is. A hozzászólás módosítva: Ápr 8, 2023
Kikötöttem a 3 lábat és így is működik azt hittem hogy igy nem fog.
Sziasztok! Most egy Crown Macro-Tech 1200-as erősítőt próbálnék javítani és egy kis problémába ütköztem. Kölcsön volt adva, rövidre zárták a CH2 kimenetét, megtörtént a pukk. Raktam bele egy szett ebayes végtranyót, élesztés közben mikor eljutottam odáig hogy jelet adjak, elkezdtem kivezérelni, megint elpukkant. Szétbontva a végtranyókat kiderült hogy hamis tranzisztort vettem. Jelenleg kapott egy szett eredeti crown végtranzisztort bontásból.
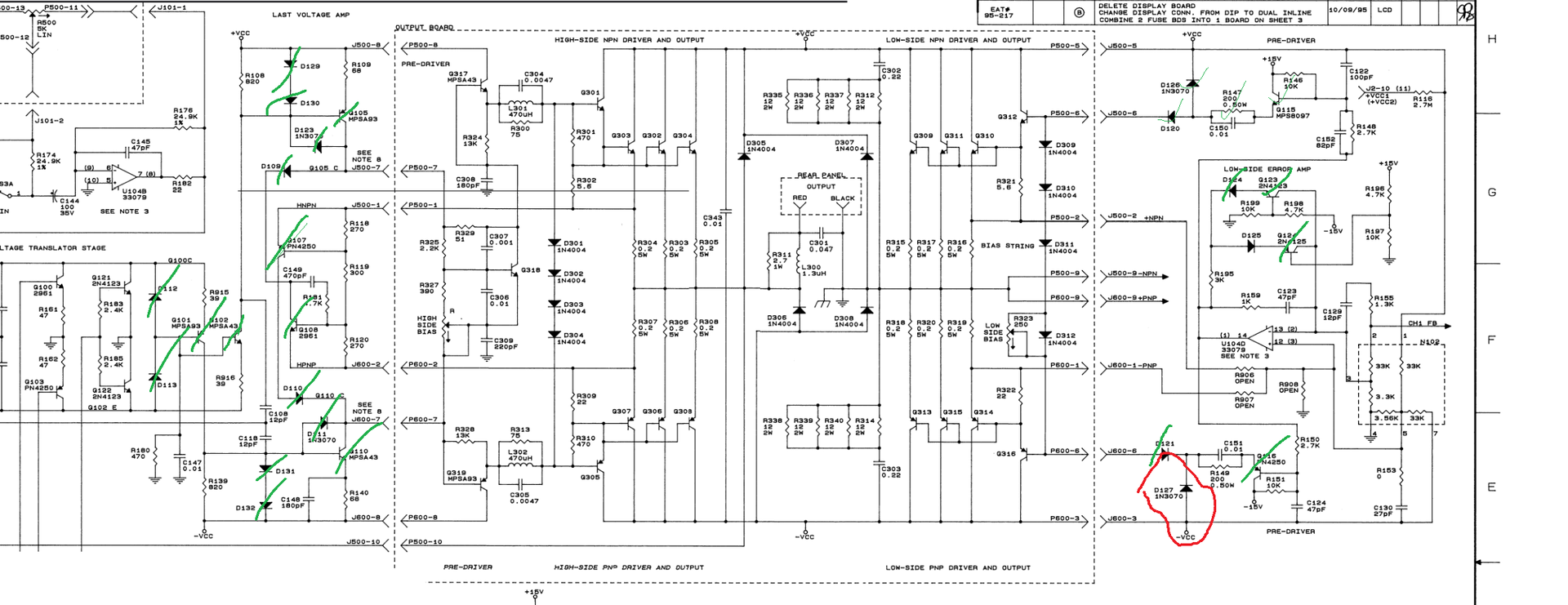
Itt egy szimpla táp van per csatorna, szűrés után direktbe a végtranyó hűtőbordáira csavarozva, onnan pedig egy-egy csavar fogja át az output board PCB-t és így vezetődik tovább a kisebb áramigényű komponensek felé, minden csatornán egy hidalt AB+B végfokozat (CrownElvi.png segít a tájékozódásban) Mikor próbáltam éleszteni IOC kialszik, de az ODEP nem engedi indítani, a primerben erősen világít az izzó. Nekifutottam mégegyszer mindent lemérni hidegen, nagyjából egyeznek az értékek a két csatorna között, ezért rákötöttem a jó csatorna driverjét és próbáltam indítani. Az izzó elhalványul mint a jó csatornán, majd nemsokra rá az ODEP engedi indítani a végfokot, kimeneten 6mV DC, nyugalmi áramot beállítottam a service manual szerint, 300mV DC körüli van úgy mind a két ellenálláson (High side és lowside) keresztűl. Elkezdtem pontos odafigyeléssel hidegen megvizsgálni a driver board félvezetőit, csak egy gyanús diódát találtam, bekarikáztam pirossal, kicseréltem 1N4007-re de semmi változás. Ha a saját csatornájának megfelelő driver van rákötve a végfok panelre amivel nem indul rendesen akkor Low Side bias R321 ellenáláson keresztűl 700mV DC, High Side meg 14mV DC az R302 ellenálláson keresztűl, pedig a másik csatorna driverjével be tudtam állítani. A test képen bejelöltem zölddel a jónak ítélt alkatrészeket a másik oldalhoz viszonyítva diódavizsgálóval. Lehet, hogy mégis valamilyen alkatrész a végfok modulba nem jó és az egyik csatorna driverje érzékenyebb a hibára? A hozzászólás módosítva: Ápr 8, 2023
Sziasztok. Értelmezésben kérnék segitséget..
Van egy yamaha yst sw300 aktiv mélysugárzóm ami a házimoziban vesz részt, a fő erősitő pre out kimenetén egy darab rca van mélysugárzó részére.. A mélysugárzó még régi konstrukció,így nincs lfe bemenet megjelölve,, az input 2 L-és R rca-n fogadja a bemenetet. Segitségeteket kérném az elemzésben a feltöltött service manuálból és a képből,, hogy jól értelmezem e.. Mi változik ha egy rca kap jelet (R vagy L) egy sub rca-kimenetről? MI történik ha mindkét rca ugyanazt az egy kimenetet kapja (ugyanaz a fázis) egy rca-ról (y osztó).. És mi történik ha egy két sub kimenetes erősitő jelét kapja meg a két rca-ra?.. . Jelenleg az egy rca sub kimenetet egy y elosztóval kapja meg mindkét rca-ra az input 2 ( R-L) bemeneten, de lehet csak beképzelem hogy így jobb.. Elméletben, a kapcsolási rajz szerint az input2- r (jobb) csatorna lenne képes jelre bekapcsolásra,, és oda menne az erősitő egy szem sub kimenete .. De hogy is van valójában? Köszönöm a segitségeteket az értelmezésben előre is..
Szia!
A rajz szerint közösítve vannak a csatornák, így mindkét csatornáról képes bekapcsolni és mindegy melyikre csatlakoztatod az egy darab RCA-t. "Mi változik ha egy rca kap jelet (R vagy L) egy sub rca-kimenetről?" Szerintem semmi. "MI történik ha mindkét rca ugyanazt az egy kimenetet kapja (ugyanaz a fázis) egy rca-ról (y osztó)" Szintén semmi ".. És mi történik ha egy két sub kimenetes erősitő jelét kapja meg a két rca-ra?.." Mivel mindenképpen összegzi a jeleket, szerintem semmi
Szia!
Nagyon szépen köszönöm a segítséged!
Sziasztok!
Csináltam én is egy KD -féle B5-öt. Amint elnézem, ez sokkal B5-ebb lett. Lehet, hogy nem működik, de tök jól néz ki.
Nagyon szépen megcsináltad! Egyszer kivehetnél már valamit a vitrinből és meg is hallgatnád... esetlen írhatnál róluk valami rövid élménybeszámolót, melyik miért tetszik jobban az egyiknél. Szerintem többünket érdekelne ez a része is - mivel nem értesz hozzá - teljesen objektív véleményként fogadnánk el amit leírsz
Köszönöm.
Hát igen, de ahhoz kéne jó hangadó, meg mindenkinek más a hallása, nekem meg már úgyis mindegy. Ebből aztán lenne egy nagy verekedés. Állítólag jól szól, csak azért csináltam meg. Persze ez lesz az Orion végfokban. Merthogy lesz olyan változat, ahol külön van az elő és a végfok. ![]() Még a VF2-őt fogom megcsinálni. Meg a Videotonban a hangszínszabályzót, plusz, a teljes belsejét.
Változatlanul tetszik a lelkesedésed és a hozzáállásod is : )
Sziasztok!
A mélyládába csináltam régen egy quad405-t és egy tda 1524A az előerősítője, félbemaradt a projekt, mert az előerősítő miatt iszonyatosan begerjedt az egész. Van benne egy mikrofon előerősítő, amit ha kiveszek akkor valamit javul a helyzet. Ha jók az értesüléseim, akkor a tápegységem miatt van a gerjedés. Nem vagyok jártas a témában, a 405 +-24V az előerősítő 12V ot kap a trafóról. Ez utóbbi külön van tekerve a trafóra. Nincs túl bonyolítva, két egyenirányító és a puffer kondik vannak benne. Nincsenek a 0-ák összekötve, külön megy az egyenirányítókról a végfokra és külön az előerősítőre. Csináltam valami nagy elvi hibát, hurkot, vagy ilyesmit, amiről nem is tudok? Mivel tudok a tápon javítani valami egyszerűbb megoldással?
Remélem, hogy így jobban fog látszódni a kép!
Üdv Mindenkinek!
Tudom nem ide tartozik , de sajna sehol máshol nem tudom feltenni ezt a kérdést! Nos létezik e olyan webshop , bolt , ahol csöves erősítőhöz való alkatrészeket lehet beszerezni ? Gondolok itt olyanra pl, hogy egy helyen lehet venni kis , és nagy kapacitású fólia kondenzátort , de azon a helyen lehet kapni forrlécet, ellenállásokat , esetleg ilyen kenderszövet jellegű sodrott kábeleket stb! Szóval mindent egy boltban! ![]() Minden segítség jól jönne , köszönöm előre is! A hozzászólás módosítva: Ápr 15, 2023
Az volna a kérdés, hogy tudnátok ajánlani valami loudness áramkört, ami ki-be kapcsolós.
Néztem neten, de ott inkább 4 kivezetéses potikhoz vannak rajzok, vagy nem jól néztem. ilyesmi kéne, mint a képen, a Videoton6383-ba raknám bele, a régit kiváltandó. A hozzászólás módosítva: Ápr 16, 2023
Jól nézted. Ha loudness akarsz 4 kivezetéses poti kell. Az a lényege, hogy alacsonyabb hangerőn emeljen ki. Kb fél hangerő után már nem csinál semmit, úgymond a poti 4. lába "kapcsolja ki". Ha van otthon loudnesses erősítőd, vagy a kocsiba fejegységed próbáld ki.
Értem, de a Videoton-on van egy ilyen kapcsoló is. Az mit csinál? Gondolom valami RC izét rákapcsol a valahova és akkor tök mély lesz minden.
Azzal kapcsolod be. Mindegyik így működik. De hiába be van kapcsolva a poti fél állása után (a poti fél állásában van a 4. láb kivezetve), már nem emel ki. És igen egy ellenállást meg egy kondit kapcsol a poti előtt.
Ja, én meghagynám a régit, szerintem jó az úgy ahogy van. Nekem 6380van.
Igen, de újracsinálom és nem lesz benne 4kivezetéses poti. Azt gondoltam egyszerű, mint a képen.
Sajna, kell a 4 vezetékes poti. De lehet kapni. Ha más nem az aliról.
Szia! Megcsapolt hangerőpoti nélkül is készíthetsz loudness áramkört. Azt a közmegegyezést, miszerint a poti pálya alsó felén van loudness a felsőn pedig nincs nyugodtan felrúghatod. Ez az eljárás próbálja a hétköznapi júzert gátolni abban, hogy nagy hangerőn a kiemelések által tönkre tegye a szett hangsugárzóit.
Erről már tettem fel korábban rajzot, emlékeim szerint T-szűrő, vagy hasonló néven. Ha nem kerülne elő, újra elkészítem.
Üdv! Remélem nem ezt akartad ajánlani. Felkeltette az érdeklődésem, mit szívhatott aki ezt papírra vetette
Köszönöm.
Egy kapcsolóval a két végét rövidrezárom, ha nem kell? Vagy hogyan kössem be az on/off kapcsolót?
Igazából nem, a link megnyitásáig már nem jutottam el, régebben kerestem rá és emlékeztem, hogy itt találtam kapcsolós megoldást is, lóri pedig ilyent keres amire te is hoztál megoldást.
Az idézett hozzászólás szerint, az r4 meg a test közé kell a kapcsoló
Köszönöm a kisegítést, valóban így használom.
Köszönöm!
Ezzel az oldallal én is találkoztam! Mi a vélemény, rendeltél e innen valaha? Mennyi idő a kézbesítés stb? |
Bejelentkezés
Hirdetés |


















