Fórum témák

» Több friss téma
Fórum » Erősítő mindig és mindig
Mielőtt kérdezel, a következő két dolgot ellenőrizd! I. A helyes tápfeszültségek megléte. II. A kimeneten van-e egyenfeszültség. Élesztés.
Lapozás: OK   2456 / 2570
(#) tothbela válasza Massawa hozzászólására (») Máj 7, 2023 /
 
Igen. Ott is van:
-before turn-on.
Tehát lefut a teszt mielőtt indul az erősítő, hogy van e terhelés a kimeneten.
A zárlatot utólag is figyeli:
-after turn-on.
(#) Massawa válasza tothbela hozzászólására (») Máj 7, 2023 /
 
Lehet, hogy piezo a magas, vagy kondival van leválasztva.
(#) tothbela válasza Lacaboy hozzászólására (») Máj 7, 2023 /
 
Úgy rémlik, egy kondenzátor van a magassal sorosan. Az maradjon, de az erősítő kimenetét meg kellene terhelni. Nem találtam az adatlapon értéket, ezért még kellene tesztelni. Én próbaként rendre 10, 100, 1000 Ohmos ellenállást tennék a kimenetre, és figyelném a viselkedését. Ha mondjuk 1000 Ohm már nagy de 100 még jó, akkor nézném 220, 470 Ohmmal. Majd tovább is lehetne pontosítani és megtalálni a maximumot, mert ne kelljen már feleslegesen fűteni vele. A maximális ellenállás érték megtalálása után annak a fele értékkel terhel fém a biztos bekapcsolás érdekében.
(#) tothbela válasza Massawa hozzászólására (») Máj 7, 2023 /
 
Kondit említett régebben úgy rémlik.
Amúgy jó találmány az ilyen, mert minek terhelje a tápot, ha nincs használva. A hangosítós emberke annyi erősítőt visz vagy kapcsol be, ahánynak van mire dolgozni. De egy doboz amiben van mondjuk 10 erősítő, nem tudatja hogy hány hangszórót köt rá a felhasználó. Vagyis ilyen opcióval tudatja.
(#) Lacaboy válasza Massawa hozzászólására (») Máj 7, 2023 /
 
MNC ring 8Ohm, gyári hangváltó van előtte. De hangváltó nelkul is ez a helyzet.
(#) Massawa válasza Lacaboy hozzászólására (») Máj 7, 2023 /
 
Akkor még egyet probalj ki, köss az erösitöre egy masik hangszorot ( pl a müködök közül),ha azzal sem indul, akkor valoszinü a TDA ludas, vagy lehet, hogy össze kell kötni a slave bemeneteket.
A hozzászólás módosítva: Máj 7, 2023
(#) szuli15 válasza reloop hozzászólására (») Máj 8, 2023 /
 
Üdv!

Készül a deszka modell ,és írtad előző kommentben ,hogy változhat a beépítendő félvezetők tipusa. Esetleg volt változás
? Mert elkezdem közben az alkatrészeket is össze szedni.
Előre is köszönöm!
(#) reloop válasza szuli15 hozzászólására (») Máj 8, 2023 /
 
Ezen a rajzon a T5 tranzisztornak legalább 120 V feszültségtűrésűnek kell lennie, MJ340-et ajánlottam.
(#) btamas81 hozzászólása Máj 29, 2023 /
 
Sziasztok!
Két kérdésem lenne. Nad 3020 előerősítő/hangszínszabályzó.
Hogyan tudnám csökkenteni a erősítését? Ugyanis minimális potitekerésre is már bőven szobahengerőnél járok. Poti csere nem jöhet szóba, mert az a gyári 20k, a kapcsolás előtt van.
Második. A hangszínpotik jelenleg árnyékolt kábellel vannak bekötve. Sima kábel mehet a helyére vagy maradjon így?
(#) mcc válasza btamas81 hozzászólására (») Máj 29, 2023 /
 
Bekapcsolt "Mute" kapcsolóval mennyivel lesz halkabb?
(#) Gafly válasza btamas81 hozzászólására (») Máj 29, 2023 /
 
Kacifántosan rajzoltad vissza.
Én itt matatnék. Mute használatával is nagyon hangos?
(#) btamas81 hozzászólása Máj 29, 2023 /
 
Mccnek és Gaflynak. Nincs mute kapcsoló.
A 3020nak a receviere van nekem(7020) azon csak teljes némítás van a hangfalválasztó kapcsolóval.
Ja és a balance poti nem a végén hanem a hangerő poti előtt van
A hozzászólás módosítva: Máj 29, 2023
(#) btamas81 válasza btamas81 hozzászólására (») Máj 29, 2023 / 2
 
Rosszul emlékszem, tényleg van mute csak low level a neve. Csak én azt másnak gondoltam, és be se lett kötve.
Megpróbálom letestelni a 1.5k-t.
A potik kábelezésére valami javaslat?
A hozzászólás módosítva: Máj 29, 2023
(#) reloop válasza btamas81 hozzászólására (») Máj 29, 2023 /
 
Szia! A poti kábelezést lehetőleg el kell kerülni. Ha árnyékolt kábellel nem zajos akkor nincs tennivalód.
Az áramkörrel az a helyzet, hogy a visszacsatolt lepke szabályzó vágás állásban egységnyi erősítésű. A (viszonylag) egyenes átvitel 10-szeres, a kiemelés 100-szoros. Mint a kollégák is javasolták a kimenő jelet kell leosztanod a tized részére.
A hangszín potik C-sek, azaz fordítottan logaritmikusak. Sikerült ilyet beszerezned?
(#) btamas81 válasza reloop hozzászólására (») Máj 29, 2023 /
 
Tudom, hogy potit nem illik kábelezni, de ha emlékszel ez az a receiver amiből ki lett vágva az erősítő/hangszín/táp, és a gyári helyre nehézkes lett volna betervezni a nyákot. Hála isten nem zajos, marad akkor így. A hangszín potik is gyáriak.
Most bekötöttem a mute kapcsolót, kívancsi leszek.
(#) btamas81 hozzászólása Máj 29, 2023 /
 
Jó lett. Mostmár a negyed hangerő a szobahangerő. Köszönöm mindenkinek a segítséget! Kb 3év után csak összeállt.
(#) zoli0078 hozzászólása Jún 1, 2023 /
 
Sziasztok!

Egy Genius 5050v2-es hangfalszettet próbálok életre kelteni. Alapból amikor hozzám került bekapcsolt de semmi hang nem jött ki belőle. szétszedtem és az erősítős részre ekkor már semmilyen feszültség nem érkezett. Sikerült kibontani a kapcsolóüzemű tápegységet is, nem látható rajta semmi égés vagy elszíneződés vagy púpos kondi, de mégsem indul el.
A tápban a TOP260EN vezérlő IC van elképzelhető, hogy ez megadta magát? Minden ellenállás és dióda jónak mérhető.

Segítségeteket előre is köszi.

PSU.pdf
    
(#) reloop válasza zoli0078 hozzászólására (») Jún 1, 2023 / 1
 
Szia! Elsőként a +HV pontra mérj rá, 320-340 V egyenfeszültséget várunk. Ha ez nincs meg, akkor egyenirányító, varisztor, NTC, biztosíték mérendő és persze a kapcsoló is meghibásodhatott.
A TOP IC, a tekercs és a környező alkatrészek vizsgálatáról a kapcsoló üzemű tápos topicban kéne tárgyalnunk.
A hálózati feszültségről üzemelő kapcsoló üzemű táp javítása a munkavédelmi szabályok betartása nélkül életveszélyes!
(#) david87 hozzászólása Jún 4, 2023 /
 
Sziasztok!
Épitek egy TDA7377 ic ből egy 2.1 rendszert.
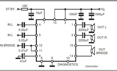
Kérdésem a következő elég a st-by lábhoz a 10k és a kondenzátor?
Mert amiről bontottam a panelon 100k val párhuzamosan van egy dióda ezekkel van sorosan egy 10ohm ellenállás
és így megy fel a + tápra. képen rajzoltam.
A hozzászólás módosítva: Jún 4, 2023
(#) reloop válasza david87 hozzászólására (») Jún 4, 2023 /
 
Szia! Akár az ellenállás, akár a kondenzátor értékét növeled, később kerül üzemkész állapotba az erősítő. Ha a jelforrás és az előerősítő nem okoz koppanást bekapcsoláskor, akkor elég a 10k/10 uF.
A bontott panelen a dióda a kikapcsoláskori leállást gyorsítja, így az is koppanásgálóként szolgál.
(#) SultanJr hozzászólása Jún 4, 2023 /
 
Üdvözlet! Megépítettem Ezt Link a sztereó erősítőt,élesztve tesztelve
minden úgy működik ahogy annak kell mindkét csatornán. Viszont olyan szerepet fog betölteni hogy szubládára
is alkalmaznám. Építettem egy külső fázisfordítót, (Siva), annak a jelét megnéztem, teljesen jól működik, invertál, esetleg lehetne hídalni vele ezt az erősítőt?
Kapcsolási RAJZ.
(#) lóri hozzászólása Jún 4, 2023 / 2
 
Sziasztok!

A vitrinkém.
Amolyan Videoton fejlődéstörténeti múzeum.
Majd szedek belépőt és tök gazdag leszek.
(#) david87 válasza reloop hozzászólására (») Jún 4, 2023 /
 
Köszönöm a választ volna még egy kérdésem a 6 lábon lévő 47 µF kondi mi célt szolgál?
(#) reloop válasza david87 hozzászólására (») Jún 4, 2023 /
 
A 6-os láb kondenzátora feszültséget simít a bemenet számára.
(#) Longa György hozzászólása Jún 8, 2023 /
 
Tiszteletem Urak! Ha egy végerősítőbe a végtranzisztorok helyett darlingtonokat teszek be, mit kell alakítanom?
(#) mcc válasza Longa György hozzászólására (») Jún 8, 2023 /
 
Ez függ az erősítő kapcsolásától is. Ami a legvalószínűbb, hogy kiszedni a meghajtókat.
(#) SultanJr válasza Longa György hozzászólására (») Jún 8, 2023 /
 
Mindent! Röviden tömören..
(#) mcc válasza SultanJr hozzászólására (») Jún 8, 2023 /
 
Ez ebben a formában erős általánosítás.
(#) Suba53 válasza Longa György hozzászólására (») Jún 8, 2023 /
 
Először is jó volna látni a végerősítő kapcsolását. Ugyanis végtelen sok végfok kapcsolás létezik, és nem mindegy, hogy te melyiket szeretnéd buherálni.
(#) Longa György hozzászólása Jún 8, 2023 /
 
Már egyiket sem. Találtam egy oldalt, ahol leírták a darlington előnyeit, és az én erősítőmben is darlington kapcsolás van, csak nem egy tokban.Köszönöm.
Következő: »»   2456 / 2570
Bejelentkezés

Belépés

Hirdetés
XDT.hu
Az oldalon sütiket használunk a helyes működéshez. Bővebb információt az adatvédelmi szabályzatban olvashatsz. Megértettem