Fórum témák
» Több friss téma |
- Ez a felület kizárólag, az elektronikában kezdők kérdéseinek van fenntartva és nem elfelejtve, hogy hobbielektronika a fórumunk!
- Ami tehát azt jelenti, hogy a nagymama bevásárlását nem itt beszéljük meg, ill. ez nem üzenőfal! - Kerülendő az olyan kérdés, amit egy másik meglévő (több mint 17000 van), témában kellene kitárgyalni! - És végül büntetés terhe mellett kerülendő az MSN és egyéb szleng, a magyar helyesírás mellőzése, beleértve a mondateleji nagybetűket is!
Ott a link, azon megtalálod a Tranzisztor atlaszt. Adatlapja(itt az egyes elektronikai alkatrészek legfontosabb mechanikai és eketronikai tulajdonságai vannak felsorolva integrált alkatrészek esetén példa kapcsolásokkal): Felmész pl. ide: www.datasheetcatalog.com pepötyögöd oda a számokat/betűket és megnézed a pdf adatlapot, azon ilyeneket keress:
- PNP (SI-P) vagy NPN (SI-N) -Vces (collector-emitter voltage) -Ic (Colector current) Ha ezek megvannak, már gyerekjáték helyettesítőt találni. Példaképp: Vegyük a BC516-ot, a fentebbi módszerrel ez a sor jön ki: SI-P 40V 0.5A ezt beírod pl. hqvideo katalógusába és megkapod a helyettesítőket. Ha nem kaptál semmit, akkor kicsit növelheted az értékeket.
sziasztok..mennyire kavar be ha nem 16Vos kondit hanem 50Vosat raktam a kapcsolásba?Bővebben: Link
oké köszi a gyors választ..azért gondoltam hogy baj lehet mert mindig csak 9 led világít illetve most csak az első de tuti hogy valamit a gndnél megszakítottam mert próbapanelon van csak
Sziasztok!
Abszolúte kezdő vagyok ne tessék kiröhögni. Az lpt portról csináltam delphi alatt egy motorvezérlést. Tranzisztorral vezérlem a motor áramkörét működik is minden, csak az a bajom, hogy a tranzisztor pár másodperc alatt irtózatosan felmelegszik, ráadásul a motor csak nyögvenyelősen forog. A motor 9V os és 12 voltról járatom amit a száímtógépből vezettem ki. Kérdés, hogy az lehet e a baj, hogy nem megfelelő tranzisztort használok? Tudnátok ajánlani egy célnak megfelelő tranzisztort, amelyet jó eséllyel be tudok szerezni valamelyik elektrotechnikai boltban? Előre is köszi
Szia!
Így elég nehéz válaszolnia a kérdésedre. Tedd fel a rajzot, amit megépítettél, és motor adatokat. Azt is tudni kéne mekkora áramot vesz fel a motor, ahoz, hogy meg lehessen mondani milyen tranyó kell. Milyen motor ez? Mi van ráírva? Sívesen segítek, hiszen építettem pár ilyesmit, de több adat kéne a művedről. Üdv t
A motor 9Vos technik legóból kioperált egyenáramú motor.
erhelés nélkül 35 mA -t vesz fel, és 70mA re ugrik fel amikor lefogják a tengelyt( amennyiben jól fordítottam a stalled current kifejezést). Egyébként itt találsz eegy csomo műszaki adatot http://www.philohome.com/motors/motorcomp.htm Az én motorom a 74569 es.
Hello!
Húha! Ez a rajz nagyon rajz! Nem cikizni akartalak, csak így nem érthető, mit tettél. Ami a rajzodon van az nyilvánvaló, csak úgy néz ki, mint egy blokkvázlat szintű valami, hogy kell egy táp, egy tranyó (kapcsoló valami) és az LPT. De azért a tranyón kívül is kell még alkatrész. Na meg a tápfeszültségeket ia kell kötni valahova. Remélem ezen a sematikus rajzon el tudsz menni, ha nem akkor mást találunk ki. Minden esetre a BD tranyóban kb. fél watt hő keletkezik, annak sem árt egy kis hűtőborda (1-2cm^2-es alulemez már jó.) Az IRF-nem nem kell. A dióda, pedig azért, hogy a motor induktív lökése ne tegye tönkre a tranyót. Ja, az LPT-nél a GND-t nem feltétlen szükséges bekötni. Jobb, ha arra nem folyik áram. PCtápon sárga a +12V és fekete a GND. üdv! proli007
Sziasztok!
A segítségeteket szeretném kérni, hogy az rtlklub.hu-ról szeretnék letölteni egy XXI. százados videót, amit ma adtak le (szerintem ez ismétlés volt) Nicola Tesláról volt benne szó, ezért érdekelne, viszont stream-es? és nem tudom letölteni. Kicsi inkább informatikai jelllegű, de azért írtam be, mert Nicola Tesláról volt szó, ami igencsak az elektronikához kapcsolódik.
Sziasztok!
Pic-ről szeretnék relét kapcsolni, de nem teljesen tiszta. A relé 1 aper terhelhetőségű nyákos relé. 12 voltos, behúzáskor 0,15-0,2watt igénye van, benntartásjóval 0,1 w alatt. Csatoltam a tervet, csak kérdés, hogy jó lesz-e így, illetve ekkora legyen az ellenállás? Jó lenne ha kicsit szájbarágósan írnátok le a megfejtést. Köszönöm
hopsz a kép lemaradt...
És i lenne ha kihagynám az ellenállást? Úgy is űködne nem?
Szia!
Nos, a bemeneti feszültség az 290V, a kimeneti jelenleg 152V, és én 200V-ot szeretnék belőle kivenni. A terhelés az 4 és 24 mA között változna. Az R4-nek az ellenállása többé kevésbé ugyanannyi, néhány kohmmal kevesebb, sztem ez annyira nem nagy baj, de a potinak az ellenállását 2000 kohmos méréshatáron nem tudtam megmérni, az R5-ön meg 300kohmot mértem. szóval szerintem e miatt van, hogy nem tudom kivenni belőle a 200V-ot, de azt nem értem, hogy mitől változott meg így az ellenállások értéke. A tápon mérés közben nem volt terhelés. Azzal tisztában voltam, hogy a tranzisztorokat hűteni kell, és az már meg van oldva, csak éppen nem úgy működik ahogy kéne neki.
Vettem egy kártyakeverő gépet, de nem vagyok elgedett vele, hogy elemről megy és gyorsan lemerül. Gondoltam, hogy lecserélem hálózati táplálásúra. Viszont ötletem sincs, hogy mekkora trafót vegyek. Két 1,5V-os baby elem van benne sorba kötve. Tehát 3V egyenírányított feszültséget fog kérni, ami nagyjából azt jelenti szerintem, hogy egy 2V-os trafót Graetz híddal egyeniránytok (lesz úgy 2,8 V kb.).
A kérdésem az lenne, hogy vajon hány VAC-ot trafó kell?
Két dolog:
Mérd meg az áramfelvételt egy-az elemekkel sorbakötött-multiméterrel. 2V-os AC trafó nem nagyon van. Kell építened egy stabil tápot pl. LM317-tel és be kell állítania a kimenete feszt 3V-körülire.
Igen, valóban. Kerestem a Lomex-nél, HQVideo-nál, valóban nincs 2VAC-os trafó. Kösz szépen, pont az lesz a megoldás, amit javasoltál.
Az a helyzet, hogy sajnos az összes elemem lemerült, nincs esélyem megmérni. Nincs esetleg ötleted, hogy mekkorát tegyek bele (max nagyobb lesz, de az nem zavar).
Üdv!
Köszönöm a válaszokat! De lenne még kérdésem a rajzzal kapcsolatban. Miért kell az áramkörbe a sok ellenállás? Ami leginkább érdekel, hogy az LPT port után miért van 1 Kohmos elllenállás? És a dióda miért nem közvetlenül a tranzisztor előtt van?
Szia!
Csak vissza találtam én is, bár úgylátom a kérdés megoldva. Az 1K-s ellenálás azért kell, mert az ltp porton 5 volt jön ki. Ekkora fesz közvetlenül sopk lenne a tranyónak. üdv
Sziasztok!
Az alkatrészek leírásánál ez mit jelent: RoHS Köszi!
Azt jelenti, hogy ólommentes. Egyébként mindenben ugyan olyan mint elődje.
Hello!
Akkor én is kérdeznék. Miért probléma, ha van két 8Ft-os ellenállás valamiben? És az mit jelent, hogy a dióda miért nem a tranzisztor előtt van? De félretéve a tréfát, ezek nem egészen érthető kérdések. - A nyomtató port kimenetén egy TTL LS kimeneti szintű meghajtó áramkör van. Ennek garantált logikai kimeneti szintjei: "L" szint esetén 0,6V, "H" szint esetén 2,4V (ha jól tévedek, mert nem tudhatom adott gépben milyen meghajtó van, de közelítőleg ez a hejzet). Maximális terhelése kb. 24mA. - Nos a darlington tranzisztor bázis-emitter szakasza, kb. 1,2V-nál nyit ki, és a feszültség növekedésel kb. négyzetesen nő ar áram. Ha közvetlen kapcsoljuk a kimenetre, túlterhelheti a meghajtó IC kimenetét. (Nem korlátozza az áramot, csak a tranyó nyitott bázis-emitter diódája és a meghajtó kimeneti ellenállása, ami elég kicsi lehet.) Tehát áramkorlátozás (soros ellenállás) nélkül, illetlenség a kimenetre kapcsolni a tranyót. - A bázis-emitter közötti ellenállás két okból kell. Részben, ha a port le van húzva, ne lógjon a levegőben a tranyó bázisa, másrészről az R1 és R2 ellenállás egy feszültségosztót képez, így a tranzisztor kapcsolási értéke kb. 1,7V lesz, ami a TTL kimenet kb. közepe. - A diódának funkcióját már leírtam, nem tudom, mit keresne a tranyó bemenetén. De meg írom, miért van rá szükség. A motornak van induktivitás jellege is. Amikor a tranzisztor bekapcsol, akkor a motoron folyó áram felmágnesezi a tekercset. Amikor pedig kikapcsol, akkor a Lenz törvényében ellenindukált feszültség keletkezik. Ennek iránya, ellentétes az őt létrehozott folyamattal. Ezt nyitási indukciónak is szokás nevezni. A feszültség értéke, függ az áramtól, az induktivitástól és a kapcsolási sebességtől. Ha a sebesség végtelen lenne, akkor az indukált feszültség is végtelen nagy lehetne. Minden esetre, könnyen elérheti a tranzisztor maximális zárófeszültségét, és akkor a kollektor bázis dióda átüthet. Ez a tranyó életének végét is jelentheti. (Gépkocsi gyújtótranszformátora is ezen elven működik és ott a 12V akkumulátor feszültségéből a nyitási indukció, kb. 400V feszültséget készít a trafó primer tekercsén. És még egy kondival is lassítva van a feszültség növekedése.) Szóval ez ellen illik tenni valamit, védődióda-varisztor-soros ellenállás/kondi... Amikor a tranzisztor bekapcsol, akkor a diódára fordított (záró) feszültség kerül, és mint ha ott sem lenne az áramkörben. Viszont amikor az ellenindukált feszültség megjelenik (ami ugye fordított polaritású), akkor az már a diódára nézve nyitó irányú. És a tekercsben felhalmozott energiát visszavezeti a tekercsbe, ezzel megakadályozva a káros feszültség növekedést. - A Fet esetében nem kell soros ellenállás, mert a Fet feszültségvezérelt eszköz (ellentétben a tranzisztorral, ami áramvezérelt). Így a TTL IC által kiadott "H" szintű feszültség vezérli a Fet tranzisztort. A lényeg, hogy a Gate-Source küszöbfeszültsége elérje azt a szintet, ami ehhez a Drain áramhoz (motoráram) szükséges. Ezért ajánlottam az IRFZ44-et. Nagyobb terhelés esetén esetleg más tranyót kellene választani, és vannak kimondottan olyan Fet eszközök, amik a TTL szinthez vannak illesztve. - Párhuzamos ellenállás viszont itt mindenképpen szükséges, mert lehúzott LPT csatlakozó esetén a Gate nem lóghat a levegőben, mert annak bemeneti ellenállása akár a Giga Ohm értéket is elérheti. Akár statikusan is feltöltődhet és működteti a motort. Nos, remélem kielégítő válaszokat kaptál. Minden esetre, nem ártana az alapfogalmakkal megismerkedni, ha ilyesmire adod a fejedet. Gyanítom, hogy a válaszomat is csak akkor fogod megérteni és elfogadni, ha már átrágtad magad valamin. üdv! proli007
Hello!
Hát akkor azért vannak problémák. - A potit nem tudtad a 2000kohm-os (2Mohm) tartományban megmérni, akkor az leéghetett, mert ha igaz 1Mohm-os. - Az R5-nek sem szabadott volna megnyúlni. Azért ha ez így van, valami perverz dolog történt itt! Nem írtad, hogy a 290V az egyen-váltó, és hol mérhető. De feltételezzük, hogy egyen és a C1 kondin van. - 200V/24mA esetén, R1 ellenálláson T1 kollektorárama (24mA) és az R2 illetve R6 árama folyik. Ez maximálisan 42mA, így az R1-en maximum 20V feszültség fog esni. (UC2=290V-20V azaz 270V. - Az R3 ellenálláson 24mA folyik, így azon kb. 3V esik. Tehát a szabályzónak van elég tartalék feszültsége a 200V-os kimenethez. - Ha a T1 kollektorárama 24mA és a bétája kicsi kb. 50, akkor a bázisában kb. 0,5mA fog folyni. Ez az R2 ellenálláson 5V feszültséget ejt. Így semmi akadálya, hogy a kimeneten akár 260V feszültség jelenjen meg. - Az R2 ellenálláson 200V kimeneti feszültségnél, kb. (270V-200V)/10kohm= 7mA áramnak kell folyni. Legrosszabb esetben a T2 kollektoráramára 7mA. A T2 kollektor feszültsége kb. 200V-(2*47V)=106V. Tehát a T2 maximum disszipációja, 750mW. A szabályzónál az A-C pontok között, a két zéner éa a T2 bázisfeszültsége van. Azaz 2*47V+0,65V= 94,6V. Így az A-B pontok között 105,4V feszültséget kell mérni, ha a kimeneti feszültség 200V. Ha a feszültséget nem szeretnéd "nagy" tartományban szabályozni, csak beállítani a 200V-ot, akkor az osztó értékeit megváltoztatnám. Ebben az esetben nem fogy a potin nagy feszültségkülönbség lenni és esetleg nem megy tönkre. Az R4 és R5 ellenállást 100kohm értéken tartva, és a potit 22kohm-ra cserélve, minmum állasban 210V feszültség, még maximumra tekerve 148V mérhető. (ezt az értéket T2 bázisárama kismértékben, kb 10%-ban befolyásolja) A poti két végén, így maximum 20V feszültségkülönbség mérhető. Ez a potira nézve 20mW-ot jelent, R4-R5 esetén maximum 120mW-ot. Ekkoraa teljesítmény mellett 0,6..0,9W-os ellenállás eltűri a 95-105V feszültséget. Ha a kapcsolásod nem működik, akkor vedd ki a T2 tranyót, és nézd meg, hogy le tudja-e adni a táp 24mA mellett a 200V-ot. (legalább 240V-ot kell mérned) üdv! proli007
Helló
Milyen IC-vel lehet vezérelni a motort a vezérlőjével együtt! Egy kis vonathoz használnám. Legyen rajta két IR érzékelő, és ha valamit érzékel akkor induljon el a ellenkező irányba. Meg lehet ezt oldani? Üdv kisedison. Utóirat: lehetőleg PIC nélkül szeretném.
Amire válaszoltam hozzászólásodban volt egy lpt-s motorvezérlő rajza.
Szeretném megépíteni a FET-es változatot csak még nem sokat tudok a FET-ekről. FET-nek egy IRF Z44-et írtál. HEStore-ba csak IRF Z34-es van raktáron (IRFZ 34 N FET N 26A/55V TO220) Ez is megfelelő oda? Ha jól értelmeztem akkor ugyanaz csak a terhelési lehetőségek mások. Esetleg a 24-es is jó lenne? Ja és 1N4001-es diódát sem találtam abból csak 1n 4007-est találtam az valami 1000V 1A-es gondolom ez is megfelel?
Sziasztok!
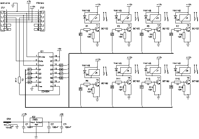
Szeretnék csinálni egy kis ketyerét, amit párhuzamos porton köthetek a PC-hez és relés kimenetekkel rendelkeze... Találtam egy Urbánelektronika féle kapcsolást, de nem igazán tudom, hogy ezt hogyan lehet a párhuzamos portra kötni... Nem ismerem ezt az IC-t amit használnak... Miért van külön szerver és kliens? Tudnátok segíteni? Köszönettel: Zoli
Sziasztok!
Egy LED sorban, pl az ilyenben: Bővebben: Link valahogy ki lehet cserélni pár ledet más színűre? Utolsó 2-3 kéne sárga pirosra, vagy létezik az ilyen LED sorból olyan ami nem egy színű?
Kétlem hogy ki lehtne méghozzá azért mert az egész tok ki van öntve valami műgyanta szerűséggel.
Hello!
Ez a panel, valamilyen modul rendszerhez van illesztve. De nem kell foglalkozni vele, az LPT-re csak négy drótot kell kötni. - Data, Clock, Strobe és GND üdv! proli007 |
Bejelentkezés
Hirdetés |














