Fórum témák
» Több friss téma |
- Ez a felület kizárólag, az elektronikában kezdők kérdéseinek van fenntartva és nem elfelejtve, hogy hobbielektronika a fórumunk!
- Ami tehát azt jelenti, hogy a nagymama bevásárlását nem itt beszéljük meg, ill. ez nem üzenőfal! - Kerülendő az olyan kérdés, amit egy másik meglévő (több mint 17000 van), témában kellene kitárgyalni! - És végül büntetés terhe mellett kerülendő az MSN és egyéb szleng, a magyar helyesírás mellőzése, beleértve a mondateleji nagybetűket is! Idézet: „Lehet, teljesen félre értettem eddig a hangszóró működését de a nyugalmi állapotához képest hátrafelé már csak a membrán tömeg tehetetlensége viszi, nem?” Nos, nem. A membránnak ( és a rajta lévő tekercsnek ) van egy nyugalmi helyzete, ez középállás. A membrán pereme tartja itt, de rugalmas és kifelé és befelé is elmozdulhat. Ha "+" irányban kapcsolsz rá feszültséget ( áramot ), akkor kifelé, ha "-", akkor befelé. Körülbelül ugyanannyit.
Pontosan. És mi a hangjel? Folyamatosan változó frekvenciájú váltóáram, ami intenzitástól és frekvenciától függően kisebb-nagyobb kitérésre készteti a hangszóró membránját a középállástól előre/hátra, azáltal, hogy a hangszóró membránjára rögzített tekercs egy állandómágnes közepében kiképzett résben foglal helyet. Remélhetőleg így már a kérdező is megérti.
Ha két egyforma hangszóró van egymás mellett és az egyik fordítva van bekötve, alapesetben (otthoni körülmények között) nem lehet észlelni különbséget.
EcoPityu (gondolom jelen van itt is valami más néven) is valami ilyesmit mondott a videójában, hogy van egy nyugalmi állapot, és (+) kifelé, (-) befelé húzza a membránt (vagy fordítva)
A lényeg az, hogy amíg töltődik a kondi addig + van a kimeneten, amikor kisül, azaz megfordul az áramirány, akkor minusz lesz a kimeneten ... Tehát váltó feszültség kerül a hangszóróra!
Idézet: Ha közel vannak egymáshoz, a levegő a kettő között fog oda-vissza rezegni mivel ellenfázisban mozognak. Azonos fázisban kell működniük, ezért vannak a csatlakozók megjelölve + és - jellel. „Ha két egyforma hangszóró van egymás mellett és az egyik fordítva van bekötve, alapesetben (otthoni körülmények között) nem lehet észlelni különbséget.”
Sziasztok!
Nem elektronika, inkabb villanyaszat. De En vagyok a helicopter, tudom. 3fazisos halozatban a nullahoz merve 230V van. Ha 2 fazis kozott merek, az 400V lesz. Ez hogy jon ki? Nem 2 sorba kotott tekercskent mukodik? A hozzászólás módosítva: Szept 12, 2023
Hát nem
http://users.atw.hu/villanynebulo/letoltesek/Aharomfazisjellemzoi.pdfHa felrajzolod a fázisok hullám jelalakjait, látod hogy "nem mindenhol adódnak össze" http://www.sze.hu/~bertam/Komplex_energetikai_rendszerek/3_fazis.pdf
Koszonom!
Tanulmanyozom majd. Jobban belegondolva, valoban itt 3db rgymastol 120fokra eltolt jelalak van.
De nehéz az iskola táska . . . Matek, vektor algebra.
Van három 230 egység hosszú vektorod, az origóból kiindulva, egymástól 120 fokra. Ha két vektort összeadva, az eredményt a két vektor csúcsai közti távolságot kapod. Magyarán, ez egy egyenlő szárú háromszög, aminek a csúcsszöge 120 fok, és a két egyenlő hosszú szárának hossza 230 egység. Hány egység hosszú lesz a csúcsszöggel szemközti oldal? Csak egyszer oldd meg ezt a példát, többé nem lesz gondod a háromfázisú rendszerekkel.
@pucuka
sin(60) * 230 = 199,185 S akkor a teljes tavolsag ennek 2x-se, azaz : 398,371 egyseg Koszonom! @pipi Koszonom ismet segitsged
Na ugye, nem is olyan nehéz két vektort összeadni.
A 230 V a fázisfeszültség, a 400 V (398,185 V) a vonali feszültség. És 230 * négyzetgyök3 =? A hozzászólás módosítva: Szept 12, 2023
Idézet: „És 230 * négyzetgyök3 =?” kiszamoltam (ezert is koszontem meg pipi-nek)négyzetgyök 3 = 1.732 S 230 * 1.732 =398.36 (kerekitesi hibaval 400 )
Üdv!
50 volt anódfeszültséget kellene előállítanom egy telepes rádiónak, szemezgetek az egyszerű megoldásokkal vannak igen olcsón step-up konverterek vajon ezek mennyire zajosak? Rádióról van szó így ez hatványozottan számít, teljesítményben nem kell sokat tudni maximum 10mA, mivel ilyen kicsi az áramfelvétel jó lenne ha nem egy dög nagy akkupakkot kellene vinni hanem ez így működne. Van valakinek tapasztalata ezekkel?
Szia! Én 9 voltos elemeket vagy akkumulátorokat használtam sorba kötött felállással.
Az apróbb elektronikai alkatrészek (1N4148 dióda, 0,6W ellenállások, stb...) mekkora hőt képesek elviselni?
Mostanában a páravédelem miatt a lakkozáson túl még be szoktam ragasztó pisztolyozni is ezeket az alkatrészeket. Sőt, az Arduino nyáklapon is be szoktam teríteni rendesen a gyári IC-ket, smd alkatrészeket. Lehet hogy ezzel nagyobb kárt okozok? Ha minden igaz ezek a pisztolyok max. 200 fokot tudnak. Elméletileg a forrasztások ekkora hőfokon még nem oldanak fel, viszont az alkatrészek lehet hamarabb elhaláloznak. A hozzászólás módosítva: Szept 14, 2023
A melegragasztót elviselik arra az időre amíg lehűl. Addig lehetőleg ne kapcsold be amíg ki nem hűlt a ragacs.
Amúgy ezzel esetleg megnehezíted az esetleges javítását az áramkörnek, ha valami probléma lépne fel. A meleg miatt szerintem nem kell aggódni, de használhatsz pl. savmentes sziloplaszot, vagy direkt elektronikák kiöntésére való szilorka gumit is.
Szia, persze lehet, de nem ártana ha kb fix lenne az az 50 volt, mert a munkapontok elmásznak ami nem túl pozitív.
Igazándiból régen volt olyan, hogy anódtelep.
Mostanság már nagyon szívom a fogam, ha valami régi készülék kipróbáláshoz szóbakerül, hogy elemet kellene venni...
Csak az elem abszolút zajmentes. Ami zajt a kapcsolóüzemű tápok zöme generál, nagy erősítésű áramköröknél szívok rendesen.
Sokszor zselés akkut használok 78xx vagy LM337 stabilizátornak tápnak. A hozzászólás módosítva: Szept 15, 2023
Értem én, csakhát egy laposelem majdnem egy ezres mostanság...
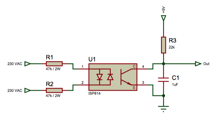
Üdv! Szeretném a 230V jelenlétét érzékelni egy optocsatolóval, találtam is valami kütyüt ami erre hivatott, és annak a kapcsolási rajzát nézegetem, de nem értem. Légyszi nézzétek meg a csatolt képet, próbáltam berajzolgatni hogy mi merre, és a kérdéseim a következő, hány ohmos a nagyobbik ellenállás? Képtelen vagyok megállapítani a szélső színeket. Gondolom a graetz híd után az egy zener dióda, a sárga vonallal csak úgy gondolomra húztam be a vezeték útját, mert az nélkül nem lenne értelme.
Mennyi lehet a fogyasztása, nem melegszik? Én valami másik rajzon ahol 230V-ról ledet kellett meghajtani ott a nagyobbik ellenállás helyére nanofarádos kondenzátort raktak sorba, csodálkozok, hogy itt meg ellenállást. Ti is így csinálnátok? Köszi a segítséget! -domel
Szóval ha zajmentes és stabil 50V-ra van szükséged, akkor tényleg nem túl egyszerű a feladat. Azért megfontolnám a 9 Voltos tölthető lítium akkukat, mert azok a teljes kimerülésig stabilan tartják a feszt. Igaz, hogy 6 db kellene belőlük, ami egy vagyon, és még valami komoly zajszűrés is kellene utánuk. Cserébe hosszú távon kifizetődnének (ha kell a hosszú táv).
Egy további ötlet: 6-9-12 VDC-ből csinálni egy igazi színuszos invertert, azaz trafóval felnyomni a kívánt feszre, egyenirányítani és analóg stabilizátorral megfogni. Nem is kell, hogy 50Hz legyen, azt a fél-egy wattot fazékvason, akár 20 kHz fölött is meg lehet csinálni. Ja és a primer oldal lehetne egy közönséges oszcillátor is...
Soros kondi +soros védőellenállás kombóval jobban jársz. Skori társunk mindent leírt
![]() http://skory.gylcomp.hu/kapcs/led230.html
A forrasztási oldal valahogy furcsán tükrözve van.
Üdv a tisztelt fórumozóknak. ! Ennek az akkunak a pótlására vásroltam egy méretben, kapacitásban pont megfelelőt. Az eredetin 3 kivezetés van, az újnak csak kettő. Kérdezném, okozhat-e ez az eltérés töltés, vagy terhelés közben bármi gondot? Mi a szerepe a fehér vezetéknek?
Én így csináltam/csinálom, lásd melléklet.
Hőszenzor. Nem fog menni, ha meg kijátszod az gondot okozhat ha túlmelegedne töltéskor. Drága cuccban lehetne kommunikáció is.
A panelra csatlakozó cellának is csak két kivezetése van nézd meg jobban.
A panelt tartsd meg, és csak a cellát forraszd le róla, majd forraszd rá az új celládat. A hozzászólás módosítva: Szept 15, 2023
|
Bejelentkezés
Hirdetés |














