Fórum témák
» Több friss téma |
- Ez a felület kizárólag, az elektronikában kezdők kérdéseinek van fenntartva és nem elfelejtve, hogy hobbielektronika a fórumunk!
- Ami tehát azt jelenti, hogy a nagymama bevásárlását nem itt beszéljük meg, ill. ez nem üzenőfal! - Kerülendő az olyan kérdés, amit egy másik meglévő (több mint 17000 van), témában kellene kitárgyalni! - És végül büntetés terhe mellett kerülendő az MSN és egyéb szleng, a magyar helyesírás mellőzése, beleértve a mondateleji nagybetűket is!
Mire szeretnéd használni azt a leválasztó trafót?
Üdv!
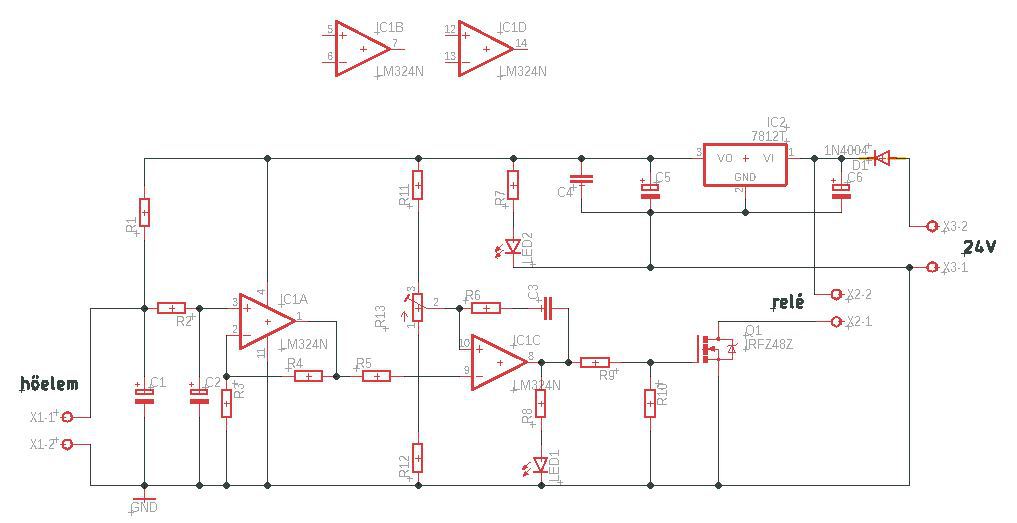
Ezt a fűtésvezérlőt fordítottan szeretném használni. Elég ha a 9-10 lábak bekötését felcserélem ? A lényeg "100 fok" felett bekapcsolt alatta kikapcsolt állapot legyen . Köszönöm. A hozzászólás módosítva: Nov 13, 2023
Hello! Nem, mert akkor a visszacsatolás is megfordulna pozitívről negatívra. Egyszerűbb, ha az OPA kimenetét egy tranyóval invertálod. De a relé, nem igazán fog örülni a kattogásnak, mert ez a szabályzó, sűrűn vált. Meg ha relé lesz benne, arra dióda is kell. Meg egy komparátornak mindig kell hiszterézis, kivét ha pont ez a cél.. (De nem írtad, milyen a hőelem.)
A hozzászólás módosítva: Nov 13, 2023
A hőelemen kb 300 fokon 8mV mérhető. Típusát nem tudom - DVM hőmérő érzékelője. A relé egy solenoid tekercs amely elejtené a "vastestet" ha alacsony a hőfok. Magas hőfokon (amikor aktív a tekercs) kézzel kel behelyezni a vastestet.
A hozzászólás módosítva: Nov 13, 2023
Érdekes. Nem tudom mi ez. Én fagyásra csináltam ilyesmit. Bekevertem fagyállót az adott hőfokra és beletettem egy áttetsző filmtekercs dobozába egy ólomgolyóval. Beletettem a fagyasztóba és amikor megfagyott, fejre fordítottam a dobozt. Ha kiolvadt valamikor a hűtő, akkor lent volt az ólom. Ha nem, akkor fent.
De amúgy miért választottál hőelemet 100Cfokra? Hogy az tényleg annyit mérjen hidegőpont kompenzációra is szükség van. Mert a hőelem a hideg és a melegpontja közötti hőmérséklet különbséggel arányos feszültséget adja. Tehát ha a hidegpont (környezet) hőmérséklete változik, akkor a mért érték is változik. A DVM-hez általában K típusú hőelem van. Annak hőegyütthatója, kb. 40,6uV/K Tehát 100 fokon az csak 4mV-ot ad, ha a hidegpont jégben van.. Az OPA offset feszültsége meg kb. 2..5mV tartományban van. Tehát ezzel nem fogsz pontos hőfokon komparálni, még megközelítően sem. Ha csak 100Cfokot érzékelnél, akkor egy NTC választása sokkal észszerűbb. Annak változása kb. 3,6%/K. Tehát egyszerű eszközökkel is pontosabban érzékelhető a hőmérséklet. Persze ha a hőfok nem megy fel 150C fölé, mert az egy félvezető. A hozzászólás módosítva: Nov 13, 2023
Huzatszabályzó automatizálása , amikor leég a kazánban a tűz a mechanikus szabályzó (gyári ) teljesen kinyitja a légbeeresztőt és így kihűti a kazánt . Ezzel az elektronikával amikor a füst hőfoka kb:100 fok alá megy elejti a láncot és lezár a légbeeresztő. Azért hőelem mert akár 350 fok is lehet a füstgáz.
Innen az ötlet: Bővebben: Link A hozzászólás módosítva: Nov 13, 2023
Oké, akkor ott nem probléma a pontatlanság..
Ha így csinálod meg, akkor nem kell az inverteres fokozat. Én minden esetre a Szoleonidot az egyenirányított de nem szűrt 12V-ra tenném, és csak a komparátornak szűrném/stabilizáálnám a feszültséget. Akkor csak egy 12V-o trafó kell hozzá.
Sziasztok!
Egy régi rádiós erősítő skálavilágítását szeretném ledesíteni. Forrasztgatni,tákolni nem akarom,hanem a hagyományos izzók helyére az alábbi ledes E10-es körtét szeretném lazán becsavarni: https://www.mall.hu/autos-menetfeny-fenyszoro/motoledy-led-izzo-e10...527321 A kérdésem az,hogy ez a körte AC-n fog-e működni ? Sajnos semmilyen gyártói specifikációt nem találtam róla a neten. Sok kereskedő árulja. Van aki csak DC-re írja,viszont van ahol az AC/DC-van feltüntetve. Köszönöm.
Ha nincs benne semmi vezérlő elektonika csak egy előtétellenállás akkor müködni fog.
Eléggé zavarosan van leírva, talán azért mert lengyelből géppel van sok helyen fordítva az adatlap.
6 V-os izzónál eléggé kérdéses, hogy van-e benne diódahíd. De E10-es foglalatnál arra sem lehet megesküdni, hogy a csavaros rész a negatív. Szerintem ki kell próbálni...
Otthoni,hobby javításokhoz.
Idézet: „Otthoni,hobby javításokhoz.” Na, erre pont nem gondoltam! ![]() Kapcsolási rajz: Trafó primerjével sorba kötöd az izzót, az izzóra párhuzamosan egy kapcsolót. Trafó mérete: Jó a 60-100W-os ... de lehet hogy kicsi ... akkor tegyél nagyobbat, de lehet elég a 30W-os is, akkor tegyél bele kisebbet! Izzó: Jó a 60W-os, ha nagy akkor tegyél kisebbet, ha kicsi akkor tegyél nagyobbat! Nem mindegy, hogy 3W-os 230V/5V-os kapcsolóüzemű tápot akarsz javítani, vagy egy mosogópet, vagy inverteres hegesztőt ...
Biztos,hogy nem mosógépet vagy inverteres hegesztőt.
50-100W-nál nem nagyobb elektronikákat. Van jelentősége,hogy a primerre vagy szekunderre megy a soros izzó ?
Hellóka! Meg e tudja mondani valaki egy 24V -os normál 21/5W -os izzónak párhuzamos kötésbe mennyi a hideg ellenállása? Sajna nincs nálam ilyen, hogy meg tudjam mérni.
A számolással meg az a bajom, hogy az üzem meleg állapotban történik, így az meleg ellenállás lesz, ami kb 22.22Ω -ra jött ki. A hozzászólás módosítva: Nov 16, 2023
Mérésem szerint
230 volt 60 wattos izzó hideg/meleg ellenállásának aránya 0,0821, 230 volt 40 wattosé 0,0738. Becslésem szerint 1,55 ohm körüli.
Nem hagyott nyugodni, úgyhogy eddig kutakodtam én is a neten, és Wikipédia szerint 1/15 -öd érték az izzószál hideg ellenállása a meleg ellenállásénak.
Idézet: „Current and resistance The resistance of the filament is temperature dependent. The cold resistance of tungsten-filament lamps is about 1/15 the resistance when operating. For example, a 100-watt, 120-volt lamp has a resistance of 144 ohms when lit, but the cold resistance is much lower (about 9.5 ohms).” Igaz itt 120V -os izzóval számol, de hasonló lehet a törpe feszültségen is. Máshol ugyan 1/10-ed értéket is olvastam, úgyhogy szintén átlagoltam és 1/12.5-öd értékkel számolva 1.77Ω jön ki. Ez így nekem kb elég is.
Üdv!
Milyen érzékelőkkel működhet a videón szereplő kapcsolás ? Házilag mi lenne a legolcsóbb megoldás (kész részegységek vagy alkatrészekből saját panelek) ?Bővebben: Link Köszönöm.
Sziasztok!
Van két kisgép, amit javítani szeretnék. Az egyik egy felső maró, ez meg egyszer csak be se akar kapcsolni, nem a motor égett le, én a fordulatszám szabályzóra gondolok, vagy a potméter, a kis fekete valami, amire az van Írva, hogy BT137, ez egy triak, ha jót néztem!? Van a panelen egy kék dióda, az semelyik irányba sem vezet és van egy barna fekete, barna, barn ellenállás, ami szintén nem mutat életjelet! Apropó, miből tudom, hogy melyik irányba kell olvasni a csíkozást? A dióda az mi célt szolgál, az valami védelem akar lenni? A triak lábain ha mérek, 180ohm van az 1-2 és az 1-3 közt, a 3-as ábon meg szintén 180ohm van a középső lához képest, de csak az egyik polaritásban, ez így jónak tűnik, nem? A másik egy kis sarokcsiszoló, aminek a lágyindítója bekapcsolás után általában pár másodperc után lekapcsolja a gépet, újra indításnál szintén. Elsőre kicsit tovább megy általában. Amikor videót akarok csinálni róla, akkor meg nem csinálja 20 ki-be kapcsolásra sem, terhelés mellett sem. Ha dolgozni akarok, akkor 20mp után leáll. Most szedem szét, teljesen új gép. Mit szokott ezeken tönkremenni? Mit vizsgáljak rajta? Kos panel van a kapcsolóban, meg valami három lábú félvezető. Egyenlőre nem bontom szét, mert mindent szét kell forrasztani, hogy kijöjjön!
Talán az a legegyszerűbb, ha a bejövő fényt érzékeli, ha az kevesebb, mint a bejövő átlag fény az összes érzékelőn, akkor bekapcsolja a hozzá tartozó ledet.
Vedd ki a szénkeféket, mert lehet hogy az kopott el, és ha kiugrik belőle a kis műanyag pöcök,
szakítja az áramkört, és soha nem fog működni, míg szénkeféket nem cserélsz benne. Ha áthidalod a fordulatszám szabályozó vezetékét, rögtön kiderül, hogy az áramkör vagy a szénkefe esetleg motor hibás e. Ez után ráérsz foglalkozni az elektronikával. A triak 1-2 lába közt szakadást kellene mérni mindkét irányba, a 180Ω nem megfelelő. A "kék dióda" egy diak, ami 30-40V környékén kezd el csak vezetni mindkét irányba, elvileg az jó. Ui.: Az ellenállás valószínű 100Ω lesz (BFBB), a 11Ω (BBFB) nem jellemző. A hozzászólás módosítva: Nov 17, 2023
Ezt a felsőmarót nemrég pofoztam helyre, mert megállt a csapágy, és szénkefék rendben voltak. Nem ott lesz a hiba az biztos.
Ez a diak-nak 30-40V-ig egyik irányban sem szabad vezetnie? Minek van ez benne? Az ellenállásnál meg akkor, ha olyan, aminek mindkét irányból értelmezhető, a színkód, akkor az egyik irányból jellemzően nem lesz szabványos, vagy honnan tudják a szakik, mérnek ilyen esetben ők is? Triak menyire számít, hogy milyen kerül bele, tudok valamiből, pc tápból bontani esetleg?
A diak adja a triaknak a gyújtóimpulzust (trigger jelet).
Az ellenállás értéket max kapcsolási rajzról meg áramköri elrendezésről lehet kideríteni kb. De mint írtam a 11Ω nem jellemző (általában valamennyire kerek értékek használatosak), legfeljebb akkor, ha valami precíz feszültséget, feszültségosztást, söntöt stb kell beállítani. Triakot PC tápban ne keress ott nincs. De kapható minden elektronikai boltban. Az áramterhelhetőség és a feszültségtűrés egyezzen meg legalább, vagy legyen nagyobb, ha pont olyat nem találsz. Ui.: Vezetékszakadást még akkor is kereshetsz a motoron belül bárhol. A hozzászólás módosítva: Nov 17, 2023
Idézet: „Az ellenállásnál meg akkor, ha olyan, aminek mindkét irányból értelmezhető, a színkód, akkor az egyik irányból jellemzően nem lesz szabványos, vagy honnan tudják a szakik, mérnek ilyen esetben ők is?” Ismeretem szerint az utolsó csík távolabb van az előzőektől.
A másik áramkör kicsit komolyabb, ott már legalább egy 8 lábú IC-t látok csak a típusa nem látszik.
Ha megvan a típus utána tudunk okoskodni. És nem ártana egy normális éles kép is, mert ezek így használhatatlanok. Van ott még egy igen nagy SMD ellenállás is, talán áramkorlátozó lehet, de így csak a sötétben tapogatózom. A hozzászólás módosítva: Nov 17, 2023
Elcsesztem a képfeltöltést, nem jót raktam fel. De közben az megoldódott!
A kapcsoló külső burkolata alumínium, és a nagy félvezetőnek az a hűtőbordája, csak úgy rádbava. Valószínű, nem feküdt fel rendesen és nem ért hozzá, kicsit alakítottam rajta, meg pasztát tettem alá és mint ha jó lenne, de majd éles használat közben kiderül!
Az ellenállás csere után, ha nem lesz jó, akkor még a triakot kicserélem, ha a motorban van szakadás, azzal nem tudok mit csinálni, meg nem is teljesen vagyok képben, a kommutátorra párban vannak 180°-ban felváltva kivezetve a tekercsek végei?
Hány tekercs szokott ezeken lenni? Körülnézek, hátha van triak is itthon valamiben.
A forgórészt sima DMM-el nemigen tudod ellenőrizni, legfeljebb testzárlatot mérhetsz rajta.
Ezt megteheted az állórész tekercseken is, azon még szakadást is mérhetsz. De ha figyeltél, úgy kezdtem, hogy kerüld meg a fordulatszám szabályozó áramkört, és adj direkt csak a motornak tápfeszt, úgy kiderül rögtön, hogy ha megy a motor, akkor az elektronika halott, ha nem megy, akkor meg a motor döglött meg.
De figyeltem és köszönöm a tippet, de a kis panellel fogok kezdeni, mert elég nagy százalékban biztos vagyok benne, hogy az halt meg, nem a motor.
A használat módja és a megállás módja ezt teszi 99%-ban valószínűvé. Az ellenállás csere után még egyszer rámérek a triac-ra, hogy biztos jól emlékeztem a mérésre és tényleg rossz e? |
Bejelentkezés
Hirdetés |


















