Fórum témák
» Több friss téma |
Az nem lehet, hogy reszben a tukorelnyomas bealdozasaval eleve kisebb KF lett tervezve?
Elvetemult 1kmester fiokjaban pont volt 1 olyan donor es akko r "r rakom be aztat oszt jovan az ugy". 1kmester zsakbacica csomagjabol azt huzta ki ...Bocs a djvukat nem lestem meg , ha 10.7 emlegetnek akkor oda kell hangolni valoban. Anno URH vevok epitese hajnalan , nem volt a 10.7 annyira fix kf ertek. Nekem ez remlik regebbi radiojavitos konyvek tipus parameterek ismertetoiben.
Lehetne más KF freki is, csakhogy a KF modult 10,7 MHz -re készítette el.
Az idők során használt KF frekik tekintetében igen széles a választék, nagyjából 75 kHz -től 75 MHz -ig, melyek közül jópárra lehet szűrő, és keverő kristály készleteket beszerezni, többféle sávszélességgel.
Köszönöm szépen. Így már teljes a leírás.
Köszönöm a hangolási segédletet. Először megpróbálom kondenzátorral áthangolni, de ha nem megy akkor újratekerem az 1973-as ,,helyreigazítás” cikk alapján
Azon gondolkodtam hogy az egyenes csöves rádiók szinte mind regenerat1van vagy szuperregek. Miért nem terjedt el a reflex? Tranzisztorosoknál sokkal elterjedtebb és tényleg működnek ferritantennával.
A reflex rádiós megoldás esetén egy aktív elemet mind nagyfrekvenciás, mind hangfrekvenciás erősítésre használhatunk. Ez nagyba hozzájárul az elemek számának csökkentésében. Azonban az aktív elemek erősítése véges, és a csövek nagyfrekvenciás erősítése mellett már nincs sok "tartalék" a hangfrekvenciás jel erősítésére. ( Az impedancia illesztés sem tűnik egyszerűnek. ) Ellenben a régi tranzisztorok NF viselkedése jóval gyengébb volt. Ráadásul kisebb tételben is voltak elérhetőek. Ma a reflex vevőknek ilyen értelemben nincs létjogosultságuk. Illetve az adók növekvő teljesítménye miatt nem is az érzékenység jelenti a kihívást, hanem a szelektivitás és a jó dinamika.
Azért, mert ennek akkor volt valamekkora létjogosultsága, amikor még drága volt a tranzisztor!
A másik..., egy reflex erősítése 2 aktív elem erősítésének felel meg. A visszacsatolás, szupreg elv "végtelen" erősítést ad egy elem esetén is! Cserébe előbbit állandóan hangolgatni kell, utóbbi pedig nem jó alacsony frekvenciás AM vételhez...
Tudom miért készültek de néha építek egy -egy régomódi rádiót és a csoveseknél nem igen van reflex elleben rengeteg visszacsatolt van. Tranzisztorosnál nálam nagyon bevált a reflex főleg ha hozzádaok egy visszacsatolást is. Pl https://www.youtube.com/watch?v=VUf6SuJ0jQ8
Azt értem, de mint egyenes vevő csövesek szinte visszacsatoltak még tranzisztorosál van ez is az is és tranzisztorosnál jól bevállt. Csöveseknél nm vállt be annyira?
A konkrét kérdésedre a választ nem tudom!
Viszont..., azzal, hogy bevált, vitatkoznék! A visszacsatolt elven működő rádiók kizárólag kezdők és amatőrök(nem rádió!) számára érdekes, mert egyszerű, pár alkatrész, és megvan a sikerélmény egy viszonylag érzékeny, szelektív vevő formájában. De ez valójában egy használhatatlan konstrukció, kivéve a szupreget, mert állandó abajgatást igényel, az egyébként szerény paraméterei mellett is! Az az érv sem állja már meg a helyét, hogy kb 10 alkatrész, és működik a rádió..., hiszen manapság olyan bőséges az integrált, a fentieknél sokkal jobb, megbízhatóbb, garantáltan működő(!!), minimális alkatrészt igénylő rádió IC, hogy csak a mazochisták ragaszkodnak a legkezdetlegesebb elvű rádiókhoz, vagy a nagyon kezdők!
Régen sorozatgyártásba is volltak visszacsatoltak
sőt csövesből ott a reflex Pajti. Én imádom őket, sokszor ezektől a kinai modern cuccoktól jobb eredmenyt adnak. De ami tetszik szinte bármiből összerakhatóak. Én az első sikeres megépített szuperhet rádióm után hagytam abba a hobbyzást két évtizedre. Megint érdekes de csak a regi, egyszerű fura megoldások.
Nálam a közeli adók jelszintje rendre S9 +50dB, illetve felette. Azaz kicsit kerekítve ~100uW (mikroWatt), ~60mV 50ohm-on. Azaz egy darab tranzisztoros hf erősítő elég ahhoz, hogy ezek az adók üvöltsenek a fülhallgatóban.
A rádió, nekem nem arról szól, hogy ezt a tucat adót tudom-e fogni, hanem, hogy a mellettük rádiózó, a föld túloldalán működő kis adót meghallom-e a maga -110dBm jelszintjével. E mellet le a kalappal bigrobi, tnl és a többiek előtt, hogy rendre látni a weben a megvalósított, kézzel fogható, működő rádióikat. Az Övék működik az enyém meg soha sem készül el teljesen....
Üdv, kérdezni szeretnék!
Épült ez az URH vevő a CCIR sávra. Működik is, csak a hangolása furcsa, egy frekvencia környékén több helyen jön be és torzan ugyanaz az állomás. Talán a KF erősítő karakterisztikája "többpúpú"? Az erősítő kapcsolása az adatlap szerint, a demodulátor tekercs gyári, a KF szűrő környezete az általánosan használt.
Sziasztok!
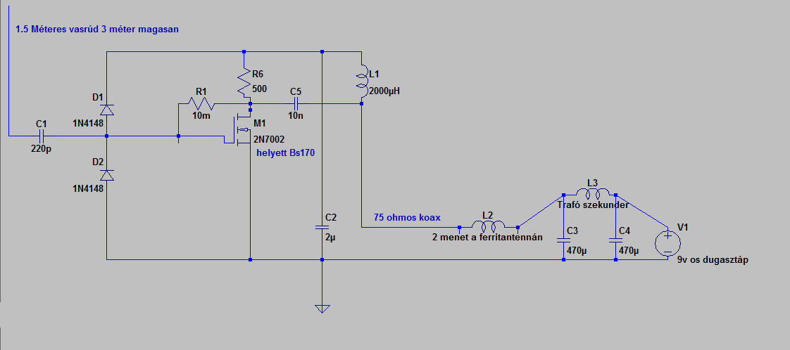
Készítettem egy miniwhipet egy mosfettel. Az ötletet Ingus Silins kapcsolása adta, de az enyém kicsit más. Készítettem felvételt is a középhullámú vételről, de ezen, nem sokkal jobb, mint a 20M-es hosszúdrót antennával. A rádió, aminek a ferritjére 2 menettel vittem be a jelet, egy Konrad kit-es egyenesvevő. A felvétel most nincs itt, de később feltöltöm.
Sziasztok !
Elkészítettem a felvételeket, ma 10 órakor. Lassan végigtekertem 500-1600 KHz-ig. A felvételt egy olcsó telefonnal készítettem, de a másik le volt merülve, és annak se lett volna szebb hangja. Az előző posztomban látható, a rajzon, mi hogy volt megvalósítva. Összességében nem tűnik a felvételen jobbnak mint a hosszúdrót antenna, ha több lenne a helyi zavar, például járna a PC, akkor lehet hogy megérné használni. Ezt majd még kipróbálom. Az erős adók szolnak több helyen, ez nem tudom hogy az egyenesvevő, vagy a miniwhip túlvezérléséből adódó intermoduláció okozza.
A bemenetére mindenképpen célszerű tenni egy aluláteresztő szűrőt, mely az FM adókat kiszűri! Enélkül telítésbe mehet az erősítő(az antennád kitűnő FM antenna), és mindent fog csinálni, kivéve amit szeretnél....
Szia!
A szűrőd kimenete nagyon le van terhelve, R7 ellenállást cseréld 330ohmra.
A miniwhip lényegében arra van, hogy helyetesítse a hosszú antennát. Távoli vevéknél nem tudommennyire tudja kiválltani a 20m antennát.
Igen, ez igaz, 1.5 méter éppen félhullámhossz 100 MHz-n.
Ingus Silins nem foglalkozott a URH kiszűrésével, pedig lehet hogy kellene. A Bs 170 source-base kapacitása 40 pF is lehet,de ha csak 30, akkor is jelentős. De 10 ns alatt kapcsol ki meg be, ami 50 Mhz-s működést lehetővé tesz, de lehet hogy e felett is működik, főleg ha nincs szükség teljes ki, meg bekapcsolásra. Ezért kellene kötnöm egy 10uH-s induktivitás az antenna és a bs170 bemenete közzé. A 30 pF 100 MHz-en kb 53 ohmos ellenállás. A 10uH 100 MHz-en 6.28 kOhmos. Ezek ketten egy feszültségosztót alkotnak, így a feszültség 100 Mhz-en le lesz osztva kevesebb mint 1 %-ára. 1 Mhz-en a helyzet megfordul, a 30 pF-ből lesz 5 Kohmos ellenállás, 10 uH -ből meg 60 ohmos. Így megmarad a jel 99%-a. Ez jó megoldás, de kell induktivitást keresnem, meg lefektetni az oszlopot, bár ezt a miniwhip közvetlen földelése beépítéséhez is meg kellene csinálnom.
Igen, és mivel nagy ellenállású az erősítőjének a bemenete
nem kell olyan hosszú antenna. Egyszer láttam egy oldalt, ahol valaki leírta mi az összefüggés. Ttt volt egy kapcsolás 20Khz alatti vételhez, amihez kiszámolta a készítő, hogy normálisan milyen több száz kilométeres antenna kellene, de a nagy impedanciás bemenet miatt elég egy teleszkópos antenna is. Idézet: „miatt elég egy teleszkópos antenna is.” Annyira sok , hogy a miniwhipemet (j310/bfw16) annó fél literes "nesz/ájsz tí" műanyag házába építettem. Kb.: olyan hosszú nyákra ami majdnem végig érte és kb 3cm széles ami befért a tetején, kupakja közepén 1 menetesen dobozra csavarható F aljzattal , "manhattan stilusban". Fém tornyunkról kb 6 méter magasan, oldalra lógattam ki 3 - 4 méteres faléc végén. Távtáplálva kb 30 méter TV koax után vettem le a jelet. 12V 7Ah zselés akkuról hajtva a HP notebook (noname/standard ) alaplapi hangkártyájában ott voltak az orosz Alpha NAV 10-14 kHz körüli jelei, 3 4 csatornát is láttam belőlük . SpectrumLab programot használtam. ( R.I.P. ! A közeli természetes alapú dirac delták megviselték a kapuját ) A hozzászólás módosítva: Nov 20, 2023
Nem
Az illesztés akkor tökéletes, ha az antenna impedanciája (jelen esetben kimeneti) megegyezik az erősítő bemeneti impedanciájával. Minden más esetben veszteség ( "zaj" ) jelentkezik. Igaz a magasabb bemeneti impedancia a bemeneti rezgőkört kevésbé terheli, annak jóságát így nem csökkenti. A vevők előtt alkalmazott erősítők használatának előnyét mindig a jel/zaj viszony érdemi növekedése mellet kell vizsgálni, mivel az fülre mindig jónak tűnik, ami megtévesztő. Minőségi rádiókban rendre 10MHz felett találjuk meg, ahol a környezeti zaj már eleve alacsonyabb. Feladatuk jellemzően a keverési veszteségek kompenzációja. Mivel az aktív erősítők a jelet és a zajt is egyformán erősítik, azok előtt szelekciót kell használni, különben a jel/zaj viszonyt még az aktív elem zajával is rontjuk.
Én ezt a kapcsolásod nem értem. Most azzal a 2 menettel csatlolsz be egy ferrintantennára? Így szerintem a trafó szekunder elnevezésű tekercs és a 2 db 470 µF-os kondenzátor erősen leterheli a kimetetet.
A C3-on rövidzár a váltóáram számára, így az Rf jelnek is, amit
a C5-ön át csatolunk be. Mivel a RF jel nagy áramerősséggel folyik C5 ön és C3-on át a föld felé, a közbe iktatott kétmenetes tekercsen is nagy áramerősséggel folyik át, így az viszonylag erős mágnes terével átviszi az RF jelet a rádióba.
C3 C4, L3 meg egy szűrőt alkotnak, ami a tápfeszt szűri.
C5 növelése is tervben van, Mert ez elég középhullámhoz, de jobb lenne
egy nagyobb az alacsonyabb frekvenciákhoz.
Értem. Nem tudom mennyire szól bele a csatolás.
Én így is kipróbálnám.
Majdnem pont így tervezem megépíteni
![]() Lényegében mára terveztem. L2-höz csatlakozik a kondenzátor(1n-10nF), annak baloldalán van egy csatlakozás ami felfelé halad, ide kell beépíteni egy fojtó tekercset. Nélküle a RF jel a 470µF-os kondenzátoron keresztül lefolyik a földbe. A fojtón nem jut át, és L2 felé veszi az útját.
Szerinted van esély, hogy a diódák megvédik az enyémet?
|
Bejelentkezés
Hirdetés |





...
sőt csövesből ott a reflex Pajti. Én imádom őket, sokszor ezektől a kinai modern cuccoktól jobb eredmenyt adnak. De ami tetszik szinte bármiből összerakhatóak. Én az első sikeres megépített szuperhet rádióm után hagytam abba a hobbyzást két évtizedre. 


)






