Fórum témák
» Több friss téma |
Fórum » Kapcsolási rajzot keresek
Témaindító: Kallai Csaba, idő: Márc 11, 2006
Témakörök:
Van egy autóriasztó aminek a távadója meghalt a típusa rhino z1m . Ennek kellene a kapcsolási ,az az a bekötési rajza .Vettem egy másikat , annak megvan a bekötési rajza . Ki szeretném cserélni az újra . csak nem tudom a régibe melyik vezeték hóvá megy . Ebben szeretném segítségeteket kérni . Köszönettel .
Hello. Ha a riasztó bekötési rajzára gondolsz, azt a használati utasításában megtalálod, csatolom.
Miért nem próbálod meg a jelenlegi riasztóhoz feltanítani az új távadót?
Sziastok. Mindenkinek tiszteletem.
Kapcsolási rajzot szretnék kérni egy 2021-es gyártású Castone CPA-100H 400VA 100V kimenetű kimenőtrafó nélküli erősítőhöz. Eljutottam addig hogy mindkét végfokot rendbe raktam, végtranzisztorokat cseréltem, source ellenállásokat, ami megvolt égve 2db 0,6W-os ellenállás azt is cseréltem ezek 680Ohm-ok voltak a bal oldaliban, de a nyugalmi árama mégis lassan felfelé kúszik. A jobb oldal stabil, de Szkópra még nem tettem rá. Végtranzisztorok IRF640N. Nem vagyok már kezdő, de a rajz sokat segítene, Ha nem lesz rajz akkor visszarajzolom. Legyetek szívesek ha van valakinek akkor szeretném elkérni. Előre is köszönöm A hozzászólás módosítva: Okt 31, 2023
Jó reggelt,sziasztok!
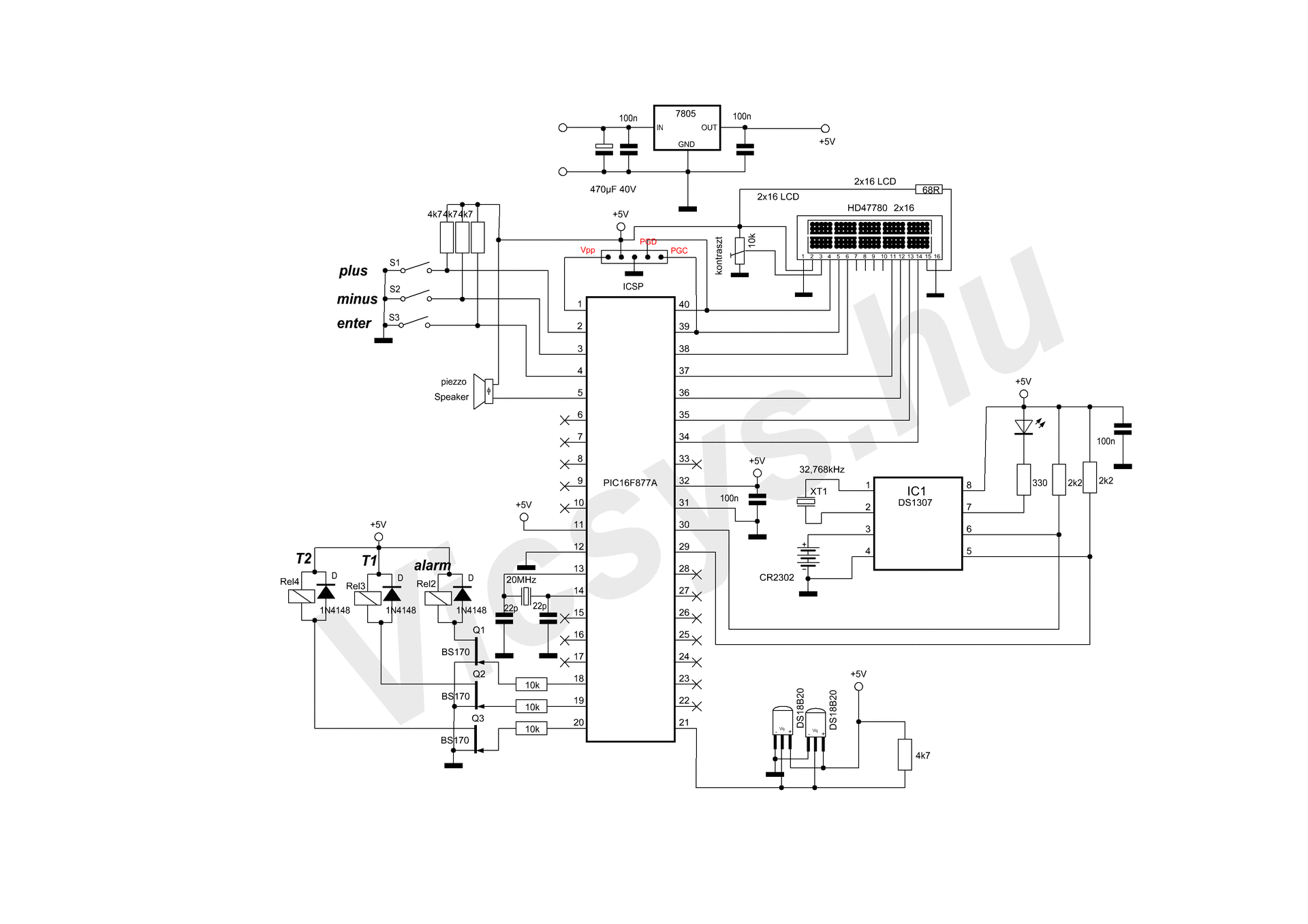
Keresem a Vicsys féle Chronotemp dokuját. Találtam itthon a sűrűben egy félkész példányt,befejezném. Még az üres PIC is benne van,nem rémlik miért akadt meg a dolog.
Nem csak a 16 f877A üres,de egy pár alkatrész is hibádzik,csak nem tudom mi.
Anno Vicsys honlapjáról szedtem,de már nincs fent.
Szia!
Talán ez az.
Van egy lay is. Első fül eredeti, a többi saját.
Bár a régi honlapja már nincs meg, csak az internet archívumban, a kapcsolásait ide a hobbielektronikára rakta fel, azok továbbra is elérhetőek. Bővebben: vicsys adatlapja
Pont ez nincs benne.
Meg sok más sem. Pl. menetszámláló.
Ezért írtam úgy, hogy az internet archívumban van meg a lapja... Ezt a kapcsolást érdekes mód valóban nem itt tette közzé, viszont elérhető: Internet Archive 2010
Üdv minden hozzáértőnek!
Az YS-1012-T12 típusú 12v 1A-es tápegységem kimenő feszültsége egy kis terhelésre(pl.0,5 A) lesik(5V körülire). A kérdésem, tudna-e valaki egy kapcsolási rajzot küldeni? Megköszönném a segítséget.
Bővebben: Link
A hozzászólás módosítva: Nov 17, 2023
Köszönöm szépen a gyors segítséget!
Ha netalán "elakadnék",majd jelzem! Mégegyszer Köszi!
Szervusztok !
Keresem a THO DH-MMA300A inverteres hegesztő kapcsolási rajzát. Segítséget előre is köszönöm.
Szervusz Endrusz !
Magyon szépen köszönöm a megküldött kapcsolási rajzokat keresésemre. Üdvözlettel:Alita
Audio Note I zero erősítő (ECL82) kapcsolását keresem. Blokkvázlat is elegendő.
A hozzászólás módosítva: Nov 26, 2023
Sziasztok!
Szükségem lenne MIO MiVue SmartBox kapcsolási rajzára ha van neki, vagy mivel helyettesíthető ez az egység. Valami szünetmentes autós kamera tápegység lenne, de mégis hogyan épül fel? Mivel lehetne 100%-ban helyettesíteni, ami házilag is megépíthető? Sajnos nekem nincs ilyenem. Köszönöm, Gábor
Hello a Xiaomi-nak is van hasonlója Hardwire kit néven, a lényege hogy, a gyujtás levétele után is működik amíg az autó akksija egy adott szint alá nem merül.
Sziasztok!
Egy walkie-talkie-t szeretnék készíteni, azonban az online kapcsolási rajzokba belekeveredtem. Tudna valaki küldeni egy megbízható kapcsolási rajzot könnyen beszerezhető alkatrészekkel?
Szerintem vegyél inkább készen.
Akkor hol marad az építés öröme?
De ez csak ultra "rövid " hullámú
Szevasztok!
Keresem az EXPERT NXWI200 hegesztő kapcsolási rajzát vagy esetleg a közelítő hasonló felépítésű készülék rajzát. Előre is köszönöm ha valaki tud ezzel kapcsolatban segíteni. További kellemes napot mindenkinek. Üdv. M.
Köszi szépen.
Akkor először fejböl megoldom a méréseket. Üdv. M.
Sziasztok!
Ezekhez a végfok panelekhez keresnék kapcsolási rajzot és leírást. Hány Voltról megy, hány Ohmon mennyi Wattot ad le, milyen színű dobozban érezné jól magát, stb. Előre is Köszönöm a segítséget! |
Bejelentkezés
Hirdetés |





















