Fórum témák
» Több friss téma |
Egy érdekesség: a jelenlegi hifishow-on demóznak/tak techno zenével. Finom lehet. Ahogy a cselló megszólal...
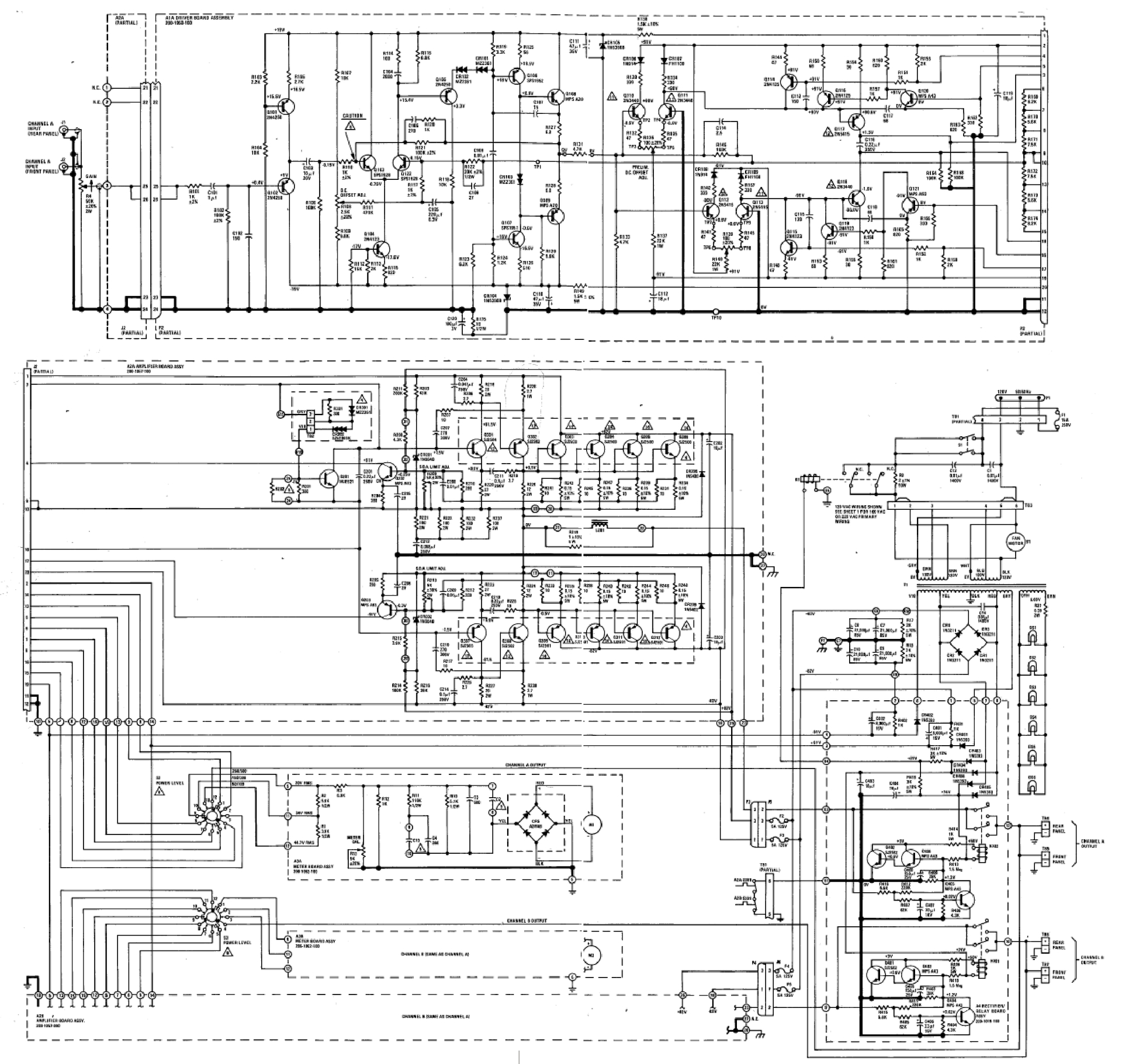
Köszönöm a kapcsolást. Classic, valami ilyenre gondoltam.
Ez a kimenetről egy szimmetrikus utánhúzó áramkör? Nem láttam még ilyent.
Inkább R31 lesz trimmer. Köszi. A hozzászólás módosítva: Okt 15, 2023
Ne legyen R31 trimmer, mert ha véletlenül megszakad, akkor megugrik a nyugalmi áram. R30-at összerakhatod 1.5kohm fix+1kohm trimmerből.
Az utánhúzás a bemeneti impedanciát növeli. Ha elég erős a meghajtás és elvisel 4-5kohm körüli terhelést, akkor el is hagyható.
Látom fejlődik a technika, egyszerűsödnek a dolgok és kiforrottabb konstrukció : )
Nincs Schottky, helyette dupla Graetz. Így szebben szól? (Jól kitaláltad a Graetz-ek hűtését, könnyen szerelhető, jól néz ki.)
Pont azért nem megyek el ilyen rendezvényre!
Tőlem szólhat a jazz csilliárd drága berendezésen, ott fogom hagyni, mit eb a ...!!! Természetesen nem egy "kiforratlan" FruityLoops-on összehányt "diumdisu" zenét hallgatnék, hanem olyat amit valamelyest ismerek: Quen pár számát, filmzene válogatásokat, pl az Interstellar pár track-jére igen kíváncsi lennék!! De Gangxta - A Jó a Rossz És a Kartel-jét is feltenném, ezt egyszer volt szerencsém egy jobb rendszeren hallani..
Én a stílusra nem hegyezem ki, azt akartam érzékeltetni, mihez lehet egy hasonló zenét - valósághoz - hasonlítani? Ha hanghűségre "hajtunk" érdemes olyasmire fülelni, egy ismert akusztikus hangszer, énekhang hogy mutat. Egy ismerősöm kizárólag komolyzenét hallgat, valamin játszik is. Egy neki tetsző hangdobozról elismerően nyilatkozott, csupán azt jegyezte meg, az a bizonyos hangszer, amin ő is játszik, az nem úgy szól élőben. Egy ilyen kiállítás, érdekes, élmény. Semmiféle következtetést le nem vonnék...
Amíg ott voltam egy szobából sem hallottam techno, rave, diumdisu zenét. Azokban a szobákban ahol én voltam és aki zenét kért annak lejátszották. Olyat is láttom, hogy valakinek a hozott CD-jét tették be.
Ennél kiforrottabb már nemigen lehet. Sikerült a teljes védelmi áramkört rámigrálnom a végfokpanelre... A graetz új fejlesztés, kapcsolóüzemű tápokhoz készült. Mindkettő mellett van RC snubber is, ami elég hatékonyan csillapítja a rezgéseket. Azért a felső panelen gyors diódák vannak.
A fenéklemez 10mm-es alumínium lap, hatékonyan hűt..
Ejj-hejj.....
Ezen, hogy/hova rajzoljak munkaegyenest, (ami a legjobb eredményt adja) úgy, hogy a maximális anódáram nincs megadva, a maximális katódáram 250mA, és 110W a maximális disszipációja a csőnek.....
Szia, régen hallottunk már felőled.
Ránézésre ez egy közel sem audió célra készült trióda (hát ha még tipusa is lenne ).Pozitív rácsfeszültségű részt érdemes elfelejteni, mert a rácsáram miatt hatalmas lesz a torzítás, hacsak nem alkalmazol brutális meghajtást. Ha nincsen rácsáram, akkor a katódáram egyenlő az anódárammal. Akkor itt már látszik is, hogy maximum 200 mA, maximum 600 V kiadja a 3 kOhm munkaegyenest. De én nem vadulnék ennyire, 450 V és 2 kOhm. De akkor 120 Vpp, 2 kOhm-on. Ne szorozd ki hogy hány Watt, mert rögtön a kardodba dőlsz.
Közben kiderült a cső tipusa: GI-210
A hűtést rajta hagynám, mert fontos design elem. Még akár fejjel lefelé is fordítanám az egészet mint ahogyan a mikrosütőben van, hogy az anód van a testen. Jobban mutat, és nem ráz meg senkit... Ahogy látod, rácsáram nélkül csak pár nyavadt Watt jön ki belőle maximum. ![]() De még úgyis torzít mint a fene...
Tény, hogy csak pár W jön ki belőle! A kisebbik tesójával van elkészítve роксана. Sajnos vagy sem, alig akar megmozdulni melóra a cső
2W ot sikerüt eddig kihúzni belőle ,(söntellenálláson mérve 4V, söntellenállás 8ohm) viszont, ami meglepő, hogy szép hangja van, a mélytartománya pedig szinte pusztító! Most, olyan kapcsolást kerestem, ami elég izmos, hogy rendesen, rácsról tudjam hajtani. Meg fogom kísérelni a wiliamson kapcsolást is, meg valahogy rábiggyesztek egy 6E5П csövet, mint előfok, vagy előerősítő. Katódkövetőbe, majd a GI-210 est csinálom meg, mert veszett jószágnak nézem rendesen nameg, olyat még nem építettem! A kép, роксана - ról, még a mostani állapota szerint.:
Tőled a gumi átvezetők/gyűrűk hiányolását vártam volna a fedélzetek között.
A lemez, le van sorjázva, emiatt nem tettem neki plussz kábelvédelmet az emeletek közzé.
Rácsáramos tartományban jelentősen többet ki lehetne hozni belőle, de akkor mindenképpen valami kis impedanciás meghajtás, például katódkövető, vagy trafó kellene (az perverz), hibridet meg gondolom nem szeretnél.
Valamint megmérni a rácsáramot, akár egy laposelemmel is. Rövid időre talán elbírja. A jelenlegi kapcsolás publikus?
Írtam a 7242 PSE erősítőmről egy rövid műszaki leírást, ami angol forditásban a facebook ETC European Triode Circus csoportjához is felkerült.
https://m.facebook.com/groups/164921830213087/ 7242 tube PSE fejlesztése és annak a háttere. Az elektroncsöves no NFB single end erősítőknek sajnos két nagy hátránya van. - magas a THD értéke - gyenge a "damping factor" A torzítást az általánosan használt 2 feszültségerősítő fokozat hozza össze, ezen egyszerű módon úgy javíthatunk, ha csak egy optimalizált feszültségerősítőnk (VAS) van. Ez a bemeneti fokozat egy 1:2 áttételű interstage transzformátoron keresztül vezérli a kimeneti katódkövetőt. A katódkövető hajtja meg a megfordìtott primerrel üzemelő kimenőtranszformàtort, hogy a kimeneti jel fázisa megegyezzen a bemenőjelével. A katódkövető alkalmazása nemcsak a damping factor értéke van jó hatással, hanem egy új megoldás segítségével a második fokozat ellenkező fázisú torzítása semlegesíti a VAS fokozatét! Mivel a 7242 katódkövető nem egy, hanem 3 belső triódával rendelkezik, ezeket a triódákat így elosztott, 1/3 értékű árammal járatva ezek egy jóval görbültebb munkaponti szakaszra kerülnek. Az így üzemelő 7242 végtrióda a bemeneti 417A/5842 VAS fokozat keletkező torzítását radikálisan eltünteti, 1kHz/1W teljesìtményszint alatt csak 0,02-0,03% THD mérhető. Ez a torzítás a névleges 10W teljesítménynél is csak 0,5%-ra növekszik meg, tehát a hagyományos SE erősítőkhőz képest kb. tizedére sikerült csökkenteni a keletkező torzításokat. Tehát a bevezetőben említett két nagyon jellemző hátrányos tulajdonságot sikerült lecsökkenteni, minimalizálni. Végezetűl még megjegyezném, hogy ez az új fejlesztésű PSE erősítő, csak 9 darab alkatrészt tartalmaz ehhez az elvi működéséhez. TJ.
Jó lenne azt meghallgatni egyszer valami értelmes dobozon, mert az az aprócska szélessávú izé szerintem messze van attól. Tettél fel ide valahova egy linket ahol a jutubos videó volt arról a ráénekléses dologról az idei show-n, de már nem találom se a linket se a videót. Akkor én azt meghallgattam, hát, lehet hogy az eltérő hangerők miatt, de ég és föld volt a különbség az élő hang javára, ami a dobozból jött az a fasorban sem volt az élő hanghoz képest így a felvett videóról hallgatva vissza az egészet.
Aztán az építkezés. Próbáltam kutakodni ezután a Tango NC15 után, illesztést, áttételt, átvitelt, ohmos ellenállást, induktivitást ilyeneket ki lehet deríteni róla, de hogy milyen vasra és hogyan van megtekerve azt már nem, pedig az lenne a lényeg ha valaki megpróbálná reprodukálni. Meg azt is írta valahol valaki, hogy hangra nincs olyan jó mint a Tamura B5003-B6003 vagy a Lundahl A531 vagy valami ilyesmi. A cső erősítése sem kritikus ha bírja egyébként az illesztést, legfeljebb nem 1:2 hanem 1:3-as inerstage kell hozzá, végcső ugyanúgy, lehet az szerintem tetróda is, vagy akár enhanced trióda módú pentóda is. Hirtelen ennyi jutott eszembe erről.
A legutolsó áramköri módosítás meghozta az eredményét a négyszögátvitel feljavítása után a no NFB torzítási adatban is.
1kHz/0,5W/0,02% THD-t mértem, amiben benne van a jelforrás hanggenerátor torzítása + 50Hz + 100Hz maradéka. TJ.
Engem csak birizgált ez az NDFL, hát leszimuláltam. Szó volt róla, hogy a Pioneer volt az egyetlen aki megvette Cherry szabadalmát, két vagy három erősítőjében használta, aztán szépen elfelejtődött az egész. Szép körítést mellékeltek hozzá az A6-os szervíz könyvében. A CM szimulációja egészen biztosan nem pontos, de a lényeget mutatja.
Ha a "találmányokat" kiiktatom a szimulációból, a torzítás nem változik, a fázistartalék javul. Nyomkodtam néhány órát a CM-et, de én nem találom a zérusokat a kapcsolásban. Szerintem azokkal a tulajdonságokkal rendelkezik és úgy van kompenzálva, mint minden rendes opamp: nagy nyílthurkú erősítés, alacsony frekvenciájú domináns pólus (10 Hz körüli), 20db/dekád vágási meredekség. Mellé a sok rizsa. Úgy érzem be lettem csapva.
Ha jól emlékszem a Pioneer-ből az A400 volt aminek a hangjáról ódákat zengtek régen, az egyik szomszéd emiatt vett is egyet pár éve a vakeráról és az utolsó mondatod szerint járt vele, hamarosan tovább is adta.
Ajánlom ennek a Marantz model 500 erősìtő (1975) szervizkönyvének az átböngészését, a harmadik oldalon ott a blokkvázlata.
Talán korai előfutára volt ennek a "beágyazitt NFB" ötletelésnek, mindenesetre aranyárba adják el ezeket a régi vasakat ![]() TJ.
Rendesen átböngésztem, hogy ne érje szó a házelejét : )
Ebben én nem látok semmiféle beágyazást. Szerintem arra ment ki a játék, hogy stabil nyílthurkú erősítést akartak, stabil egységerősítési frekvenciával. Végül is nem rossz, de semmi különleges nincs benne kapcsolástechnikailag. Át van gondolva egy szisztéma, oszt kész : )
Az akkori, hazai hifi sajtó szerint:
"A három M (Még Menőbb Manó) avagy három B (British Best Buy) csalódást okozott nekünk. Nem tudtak meggyőzni arról, hogy az erősítő-technika igenis töretlenül fejlődik, és hogy az évek során egyre magasabbra kúszó áraknak egyre korrektebb mérnöki munka teremti meg a fedezetét. Lehet, hogy ezek a gépek most, a 90-es évek elején tényleg árkategóriájuk élvonalába tartoznak, de nem érezzük őket Best Buynak..." ( http://hifimagazin.hu/HFMCD/HFM/CIKKEK/HFM3810.HTM )
Végül mégis megváltoztattam a bootstrap megoldással kapcsolatos hozzáállásomat és kihagytam az utánhúzó ellenállást, és a hozzátartozó JFET-es áramgenerátoros bias tápot.
Inkább a további egyszerűsítést , és az ezzel járó "kevesebb alkatrész jobb hang" hatásvadász szlogent választottam.Most az R1 és R2 ellenállások kettős kihasználtsággal működnek, egyszer a fix BIAS feszültségének az ellenállás osztóját alkotják. A további szerepe az R1-nek mint a 7242 katódkövető rácslevezető ellenállása, míg az R2 az NC15 interstage transzformátor szekunder köri lezárását is adja. Jelenleg így az erősìtő elvi kapcsolása 8 darab alkatrészt tartalmaz ![]() TJ. A hozzászólás módosítva: Dec 15, 2023
Egy karácsonyi ajándéknak köszönhetően
eddig el nem végzett méréseket tudok publikàlni a 7242 PSE erősítőről.1kHz/1W és 10kHz/1W teljesítmény mérésnél készültek a fotók, amiből az jön le, hogy 1kHz-nél kb. a műszer méréshatára alatt van a második és harmadik harmonikus - gyakorlatilag eltűnik a zajban. A 10kHz-es mérésnél - 50dB alatt van a második harmonikus, a harmadik már a - 60dB-nèl. TJ. |
Bejelentkezés
Hirdetés |







).

2W ot sikerüt eddig kihúzni belőle ,(söntellenálláson mérve 4V, söntellenállás 8ohm) viszont, ami meglepő, hogy szép hangja van, a mélytartománya pedig szinte pusztító! Most, olyan kapcsolást kerestem, ami elég izmos, hogy rendesen, rácsról tudjam hajtani. Meg fogom kísérelni a wiliamson kapcsolást is, meg valahogy rábiggyesztek egy 6E5П csövet, mint előfok, vagy előerősítő. Katódkövetőbe, majd a GI-210 est csinálom meg, mert veszett jószágnak nézem rendesen
nameg, olyat még nem építettem! 














