Fórum témák
» Több friss téma |
Nem rézszálat, hanem ezüstöt kell használni. Az összes félvezető gyors biztosítóban ez van.
Egyelőre kipróbálom ezt az OFC kábelből kihúzott 0,15 mm-es ezüstözött szálat. Beforrasztva 8 mm hosszúságúra adódik, ez kb. 8 mOhm. Ez annyira pici tömeg szerintem, ha szétfröcsköl akkor sem okoz semmilyen kárt és mérve valamivel gyorsabban olvad ki az üvegcsöves biztinél.
Köszönöm az SMD 'bizti' ötletet, a legközelebbi alkatrész beszerzésnél venni fogok ilyeneket.
Ilyen biztiket használtunk ill. javítottunk régebben, volt hozzá gyári, előírás szerinti ezüst szál.
Délben vitte el Béla a Burgumot. Áthágva az illemszabályokat, kiteszem ezt az sms-t, mert igenis büszke vagyok arra amit csináltam. Pénzért nem lehet így dolgozni, csakis a hobbi iránti szeretetből. És van még egy jó hírem (magamnak). Az enyém is összeraktam a héten és nagyjából ugyanúgy szól mint a legújabb modell. Nagyon picit más a hangszíne, -egy új kompenzálás következtében- valamivel több a mélye és talán kicsit nyíltabban szól. Meg lehet szokni ezt is, nem rosszabb, de nem ugyanolyan. Még hallgatni és járatni kell. Tehát a KEMET kondik felelősek a jó hangért, ez a dolog tanulsága. És még egy "vicces" dolog történt. Az enyém csak 30mA-es nyugalmi árammal jár - és még sincs ott az az érdesség amit legelőször hallottam - és csak a nyugalmi áram növelésével tűnt el. Most jéghidegek a hűtőbordák ezekkel hűtöm a szobát : )
Már csak az az egy gondom maradt, hogy nem tudom mi legyen a következő projekt. Na... majd holnap biciklizés közben kitalálok valamit
Shanytól kérdezem, hogy tudsz e olyan ic-t, ami szimmetrikus kimenettel és bemenettel rendelkezik és van Vocm bemenete, továbbá van mondjuk 100dB nyílthurkú erősítése mondjuk 100Hz-en. Szóval nem ADC-hez kellene, nem kell 1GHz-es sávszélesség, elég a 20...50V/us-os slew-rate is. Hangfrekvenciára kellene, igazi teljes hídhoz.
Amit írtál valamikor az év elején, az ADC-hez való, de nagyon kicsi a nyílthurkú erősítése. ( THS4141 ) Az Analog Devicesnek van sok ilyen, de ami nekem kén' az nincs.
Ez nagyon jó lenne, de kicsi a nyílthurkú erősítése.
Bár nem engem kérdeztél, de mzperx-nek kész tervei vannak, ha érdekel kiindulási alapként.
Ez a kiindulási alap? Milyen lenne, ha már lenne egy továbfejlesztett változat?
Én egy kicsit egyszerűbben gondolom. Először kipróbáltam a THS4141-et, működik, de kicsi a hurokerősítés, így aztán nem jók a THD értékek. Ezt az ic-t nem erre találták ki. Aztán kipróbáltam az LMH6550-et, ez sem az igazi, de egy jó nagy bulierősítőt lehet belőle csinálni. THD: 20kHz-n 0,098%, 1kHz-en 0,004% 300W-on. Aztán csináltam diszkrétet, ez azért egész más. THD: 20kHz-en 0,0067% 1kHz-en 0,00058% 300W-on. Valójában látni akartam, hogy a páros felharmónikusok mennyire tűnnek el.
Végül is tetszik. Ki kell próbálni.
Tegnap találkoztam egy földönkívülivel, aki éppen az aszfalton ténfergett. Az úttörő ott segít ahol tud (a kisdobos meg csak a környéken) hát bevittem az erdőbe, ne ijesztgesse ott tovább az autósokat. Mondjuk pechje volt, ha éppen onnan jött és nem odament. Szerintem a Jó Istenke megnézte a "Nyolcadik utas a halált" és csak azután rémálmodta meg ezt a szarvasbogarat... ilyet másképp nem találhatott volna ki. Meg még vicces kedvében is lehetett, hogy a fülét (orrát?) a hóna alá rakta.
Ez egy olyan bogár, ami a nevét egy olyan állatról kapta, ami elöl puha, hátul kemény és az erdőben szaladgál.
Ez a telefonom. Nem hurcolok fényképezőt biciklizés közben, mert minek.
Unatkozó nyugdíjasként meglátogattam egy régi kedves ismerősömet a szomszéd városban. Nekem szögezte a kérdést, csinálnék-e neki egy fejhallgató erősítőt. Gondolkodás nélkül rávágtam, hogy nem. Aztán eszembe jutott, hogy megvan még a fiókban a HTB 1.0 nyákja, (a harmadik legyártatott panel) amit Tóth Bélával közösen terveztünk pontosan 5 évvel ezelőtt. Játszásiból alakítottuk át HTA-30-at DC csatolt fejhallgató erősítővé. Aztán mondtam az ismerősömnek, ha megveszi bele a hiányzó alkatrészeket (trafó, poti, RCA aljzat) akkor ezt összerakom neki, de nem dobozolom be - mert még mindig lusta vagyok - viszont már rég nem csináltam semmit. Meg is méregettem nagyjából, meg is hallgattam, de ez a fejhallgatós zene hallgatás nem az én világom. Alig érzékelek különbséget ha a Denon fejhallgató kimenetéből átdugom a HTB-be. Talán az utóbbi mintha picit tisztább lenne és mélyebbre menne. De mérve elég jó, legalábbis közepes, vagy ilyesmi.
Idézet: „de ez a fejhallgatós zene hallgatás nem az én világom” Ugyanezt tapasztaltam én is. Pedig kipróbáltam sok félét, IC-s, FET-es, tranzisztoros és ezek keverékét. Építettem nyákra és forrasztottam pont-pont, egyszerű táppal, összetett táppal. Mindig oda lyukadtam ki, hogy a fejhallgató hangját hallom és egyik erősítő sem rosszabb, mint a másik.
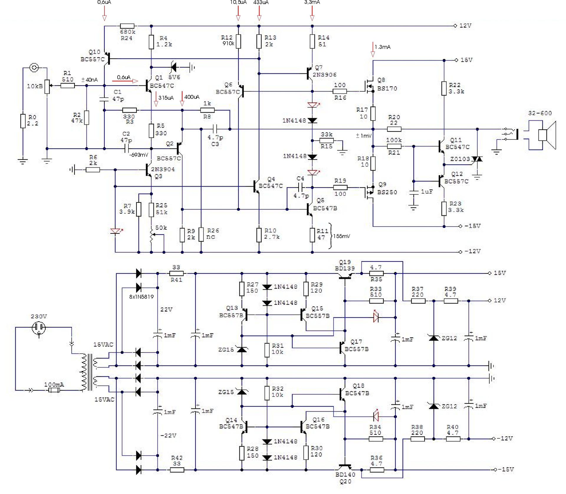
A fejhallgató erősítő kapcsolási rajza és a legújabb hifi láncszemem: a gránitlapok az állványon.
És a nyákrajz... A hozzászólás módosítva: Jún 4, 2024
Lehet, hogy csak unatkozom, de ez a félhullámú továbbra is birizgálja a fantáziámat. Nem tudom van-e vele bármi célom, de néha előveszem... nézegetem, szimulálgatom, bámulom a kapcsolási rajzát és közben nincs semmi jó ötletem mit lehetne ebből még kihozni.
Egy is "történelem" hozzá képekben. Ez már egyszer be volt dobozolva, de valamiért szétszedtem. Tudom miért... a földelt kimenetű nyákjait raktam bele abba dobozba. Tegnap aztán újra bedrótoztam és megmértem. Nem is olyan rossz a THD ahhoz képest, hogy mennyire egyszerű kis kapcsolás ez. Szerintem figyelemre méltó mennyire jó a tápelnyomása. 1Veff kimeneti fesznél 10uV-os szinten van a kimeneti jelben a 100Hz-es "brumm", 20W-nál ez 100uV körüli érték. A nyugalmi áram 150mA félhidanként, a puffer 3x4700 uF, plusz 2200 µF szűrés van a nyákon. A THD-ban főleg a 2. harmonikus dominál, a páratlan fokszámú harmonikusok meglehetősen alacsony szinten vannak jelen. A különbségképző LME49710, a hibajel-erősítő MC33078, a félhidak nyugalmi DC szintje 1V. A kapcsolási rajza a JLH topic végén található. Persze arra is emlékszem miért szedtem szét anno. Nem tetszett a hangja. Azért ma újra meg fogom hallgatni a műhelyben a "szokásos módon, teszt üzemben"... csak úgy kíváncsiságból.
Az elso ket kepnel azt hittem egy masik forumtars audiophile epiteset latom...
Nálam is előfordulnak ilyen "gubancok" első körben : ) Nem szégyenlem, azért mertem kitenni.
Közben leesett a tantusz, kire gondolsz : ) A hozzászólás módosítva: Jún 24, 2024
Meghallgattam tegnap a félhullámút a műhelyben. Újabb talánnyal lettem gazdagabb (szegényebb). A Burgumról vannak határozott emlékeim a fejemben, ahogy az szólt legutóbb ezekkel a SAL dobozokkal. Talán írtam is akkoriban, hogy olyan érzésem van mintha ezek a pici és vacak dobozok nem 5, hanem 50 literesek lennének... olyan mélyre lemennek és olyan tiszta megfogott basszusa lett. Ezt így biztosan nem írtam le akkor, de most igen.
A félhullámúval azt éreztem, mintha egy kimenőtrafó lenne a végfok kimenetén. Nem szól rosszul ez a végfok, de olyan lágy, lagymatag hangú nem akarom azt leírni, hogy olyan mint egy csöves, de engem arra emlékeztetett hirtelen. Nekem nem jön be ez a hang. Amiatt érdekes szerintem ezt a mélyhang dolgot megemlíteni, mert erre megint nincs hirtelen olyan egyszerű/ésszerű magyarázat ami ezt a lagymatagságot mérésekkel is alátámasztaná. Ez DC csatolt végfok, kicsi a harmonikus torzítása, nagyon kicsi a kimeneti impedanciája, kisfrekvencián hatalmas tápelnyomása van. Mérve még jobb is, mint a Burgum és mégis ég és föld a kettő. Régóta azt gyanítom, hogy a szubjektíve jó mélyátvitel a nagyfrekvenciás tranziens viselkedéssel van összefüggésben. Ez persze így olyan nesze semmi fogd meg jól duma. Süketelés. Nem tudom pontosan mit kellene mérni és minek kell jónak lennie ahhoz, hogy pl. egy lábdob ezerféle hangon tudjon megszólalni, úgy ahogy a felvételen van... mert nincs két egyforma felvétel (nálam) a Burgummal. A félhullámúnál arra gyanakszom, hogy egyszerűen az opampok hangját hallom. A földelt kimenetűnek is ez volt a másik gyenge pontja. Nem rossz kis végfok ez, de sose lesz "hájend" kategória. Esetleg még brahiból kipróbálom mi van akkor ha - van még egy BEAG 800 VA-es trafóm - kipróbálom ezzel és a fiókomban található legjobb/legnagyobb pufferkondival. De szerintem kutyából nem lesz szalonna. Azt kellene kitalálni, hogy lehetne ezt a kapcsolást diszkrét alkatrészekből megcsinálni, mert magában a kimeneti fokozatban látok fantáziát (majd elmúlik). Meg az is lehet, hogy halva született ötlet az egész, mert nyílthurokban 1 és 10% közötti torzítást mutat rá a szimulátor. Persze a VF2 is ilyen és az is viszonylag jól szól. És ezek ugye áramkimenetű végfokok, a visszacsatolókör tart kézben mindent. Ezek az áramgenerátor jellegű végfokok tudnak valamit, amit az emitter(source)követők nem. De most csak hangosan gondolkodom, nem kell komolyan venni. A hozzászólás módosítva: Jún 25, 2024
Csak a tranziens viselkedéssel nem lehet szerintem magyarázni, mert akkor a csövesek mélye lenne a legjobb, mert azoknak kb. nincs is tranziens viselkedésük.
A csöveseknél ez a dolog ugyanígy megvan, ott nekem az eddigiekből az jött le, hogy a meghajtás valamint a tápfesz függvénye lesz hogy hogyan fog szólni. A kisebb tápfeszről és mezei meghajtással működő csövesek lesznek ahogy írod afféle lágy, lagymatag hangúak (a csöves kapcsolások kb. 99%-a ilyen), és azok lesznek nagyon jó, egyáltalán nem csöves hangúak amik magas tápfeszről (500V vagy felette) járnak, korrekt, katódkövetős meghajtással. Tehát ahogy azt valaki egy jutub videóban helytelenül kikövetkeztette (oka a kimenő), nem, nem a kimenőtrafó csinálja a csöves hangot, de ez akkor is kiderül ha a tranyós végére tesz valaki kimenőt, vagy eleve kimenőtrafósra épít egy félvezetős végfokot.
Szerintem a zenének vannak tranziensei és szerintem a csövesek elvesznek ebből, a félvezetősök hozzáadnak (valamennyit). Évekkel ezelőtt megírtam neked (nyilvánosan), hogy Münchenben ez volt az egyik legnagyobb tapasztalatom amit elkönyveltem magamnak, hogy a a világ legjobb csövesei és a legjobb félvezetősei egyformán szólnak. Akkor ezt nem hitted el és lehet, hogy ma sem hiszed, de ezt én a saját füleimmel hallottam - nagyon sok rendszert meghallgatva. Egyiket sem fogjuk tudni megcsinálni otthon garázsipari technológiával és a tudásunk is kevés hozzá... vagy csak a magam nevében beszéljek: az enyém kevés.
Ui.: jó... én írtam le azt a fogalmat, hogy "tranziens viselkedés", de most megmódosítottam. Értsétek jól, mire gondolok. A hozzászólás módosítva: Jún 25, 2024
Próbálkoztam kétjeles méréssel, de az Agilent THD-ja eleve 0,007% körüli, a Brüel 0,03% (új korában sem volt sokkal jobb). A -100dB és az az alatti összetevők mind a generátorokból származnak. Lehetetlen kibogozni ebből az FFT-ből, hogy mi az amit a végfok tesz hozzá.
Talán annyi tanulsága van ennek a félnapos játéknak, hogy semmi extra torzítást nem lehet kimérni két jellel sem egy jobb minőségű végfokon. A THD mérés pontosan kimutatja a statikus torzítást és szoros összefüggésben van az IMD-vel. Az Audio Science és a Streophile igazán profi méréseiből is ez jön le nekem. Valami mást kellene kitalálni ami összefüggésben van a szubjektív hangminőséggel, de ez még senkinek sem sikerült idáig ha jól tudom.
Ez egy érdekes kérdés. Én arra gondolok, hogy azért 19 és 20kHz az IMD mérés frekvenciája, mert a normál THD értelmezés szerint, az alapharmónikus frekvencia egész számú többszörösének valamilyen viszonya az alapharmónikushoz. Ugye, a 20kHz-nek az első felharmónikusa a 40kHz. Ha csak 20-kHz-ig mérünk, akkor a 40kHz nem fog beleszámítani. Vagyis még a négyszögjelnek is nulla lesz a torzítása.
Au IMD mérésnél, - ha jól tudom, - akkor a két jel által kikevert jel amplitudója lesz mérvadó. A kikevert jel, - jelen esetben, - csak 1kHz-egész számú többszöröse lehet. Erről tettem fel korábban szimulációkat, nagyon jól értelmezhető. Ha ezt elfogadjuk, akkor teljesen mindegy, hogy a két bemeneti jelnek mekkora a torzítása, hiszen azok csak a 19 és a 20kHz feletti frekvenciák egész számú többszörösei lehetnek, amit nem mér az IMD torzításmérő. A SpectraLab-ban van IMD mérés is. Valahogy úgy csinálja, hogy a két meghajtófrekvenciát látja és ahhoz képest mér, számol mindent.
Ennél sokkal jobban érdekelne, hogy mi az a TIM? Hogyan értelmezik? Hogyan mérik?
Ugyanez a DIM-re is.
Nálam a zajjal van gond. Az rendben van, hogy bármekkora lehet a generátorok THD-ja ha 18+19 kHz-el (vagy bármilyen 14kHz-nél magasabb frekvenciákkal mérek), de amit 18 kHz alatt látsz az mind-mind a generátorok saját zaja.
Ebben a laptopban meg sajnos nem működik az SpLab saját generátora. Költeni meg nem akarok már semmilyen mérőkütyükre. Tudom vannak már megfizethető áron egészen jó kis cuccok, de most mi van akkor ha látom rajta, hogy mondjuk az a 0.002% THD amit most már elég pontosan meg tudok mérni - az IMD-ben 0.003%, vagy 0,02%. Okosabbak leszünk tőle? Szerintem nem. Hidd el, semmilyen összefüggés nincs a hangminőség és a THD között. Szerintem igaza van annak orosz srácnak (nem jut eszembe most hirtelen a neve) akit mindenki lehülyézett a Diyaudio-n, hogy a nagy nyílthurkú sávszélességre kell törekedni. A Burgummal is ebbe az irányba menetem és soha nem volt még ennyire jó végfokom, hogy ne vágyjak ennél jobbra. Meg persze kellettek ehhez a jó alkatrészek, a jó tápegység, stb...
Nekem akkor sem gömbölyű. Azt írtad, hogy Münchenben meghallgattál nagyon jó csövest és nagyon jó tranyósat. Ugyanúgy szóltak. Ugye, nem azt akarod mondani, hogy a csöves is tudott olyan slew-rate-et, mint amilyet nemrég feltettél? ( Egy 200kHz-es négyszög. ) Vagy a tranyós nem tudott csak annyit, mint egy csöves? Akkor végképp nincs igaza ennek az orosz srácnak. Szerintem, a nagy slew-rate mindössze technikai bravúr, de nincs szükség rá.
Azt mondod, hogy nem a THD számít. Szerintem, nagyon is számít. A Burgum lett talán a legkisebb torzítású erősítőd, ha jól láttam a az eredményeidet. Nem lehet, hogy ettől hallod olyan jónak? A Purifi-ről, meg a Toppingról is olvastam valami meghallgatási cikket. Ugye mindkettőnek nagyon kicsi a THD-ja. Biztosan nem véletlenül. Nagyjából ugyanúgy szóltak, a Purifiről azt írta a cikk szerzője, hogy egy lehelettel kevesebb mély hang van benne. És akkor még nem is beszéltünk arról, hogy egy PWM erősítő sose fog akkora slew-rate-et tudni, mint egy analóg. Aztán mégis nagyon jók. Idézet: Közvetve ugyan, de lehet, hogy mégis kell. Ettől is függ, hogy az erősítő negatív visszacsatolása mekkora frekvenciáig, és mennyire tudja hatékonyan csökkenteni a zajt és a torzítást. Itt a hatékonyan egy kulcsszó, hiába hatalmas a negatív visszacsatolás, ha az erősítőben a torzítások (és zaj) kompenzálása (és néhány további paraméter javítása) helyett (vagy mellett), további tranziens torzításokat visz be, és ahelyett, hogy javítaná - inkább rontja az erősítő stabilitását - mert akkor nem fog jól szólni az erősítő, azaz többet árt mint használ a visszacsatolás. Ha viszont elég gyors az erősítő (és van benne bőven tartalék) akkor egy megfelelő visszacsatolással sokat lehet javítani a hangfrekvenciás tartományba eső paraméterein.„Szerintem, a nagy slew-rate mindössze technikai bravúr, de nincs szükség rá.” D osztályban a kimeneti szűrő miatt ezt elég nehéz, de mint a példák mutatják (pl. purifi), azért nem lehetetlen jól megcsinálni. Az AB és a D osztályú végfokot nem olyan egyszerű összehasonlítani slew-rate szempontból, mert a D osztály kapcsolóüzemű részei irgalmatlanul gyorsak (még egy nagyon gyors analóghoz képest is), és szinte kizárólag a kimeneti LC szűrő korlátozza a sebességet. Egyrészt ennek a szűrőnek viszonylag jól kézben tarthatók a paraméterei, másrészt a visszacsatolás is állhat pl. több hurokból, és ezek részben ki is kerülhetik az LC szűrőt. (pl. a texas integrált D osztályú végfokjai zömében szűrő előtti visszacsatolást használnak). |
Bejelentkezés
Hirdetés |





































