Fórum témák
» Több friss téma |
Igen lehetséges. Ez az alkatrész van a feszültségtöbbszöröző végén, és ha a feszültség eléri annak a gáztöltésű szikraköznek az átütési küszöbét akkor a nagyfesz a TIG HF trafóra küld egy impulzust és ez a folyamat újra és újra lejátszódik amíg a hegesztőáram ki nem alakul.
Általában simán elöregszik a sokszori átütéstől.
Üdv mindekinek!
Mindenekelőtt megjegyzem, egy olcsóbb kütyü a kérdés tárgya, előzetesen, ennek megértésével közölt válaszban bízva dobom fel a témát. Belsőleg tökéletes, sem égés, sem ventillátor szelében érezhető túlmelegedés nem volt. A helyzet a következő. 16A a hálózat. A hegesztőt bekapcsolva a ventillátor felpörög - amiben meglepő nincs - majd működésbe lép és használható hegesztésre. Ez csak az első 3-4 alkalommal így volt. Utána változott a helyzet, első két bekapcsoláskor a kismegszakítót levágta. Volt, hogy a kismegszakító előtti kerámiabiztosítékot vitte magával, azóta nem mertem próbálkozni vele. Egy villanyszerelő rokon tapasztalata szerint, Ő 10A mellett is tudott hegeszteni. Így fejembe ötlött, más gond lesz itt, mégpedig az Én gépemmel. Egy ismerősömtől kaptam kölcsön egy Parkside PISG 120 A2 hegesztőt, szintén inverteres. (Mindkét gép adattábláját csatolom.) Ez a hegesztő nem vágja le a kismegszakítót, sőt, gyönyörűen működik. Itt lettem biztos a kérdésben. Az adattáblákat tekintve magyarázat lehet-e, hogy a Flinke túl nagy áramot akar felvenni induláskor, amit a kismegszakító nem tolerál? Ezen áramkörön Én ezt a gépet inkább ne használjam? Mert akkor beszerzek egy kisebb teljesítményűt, úgyis ház környéki kisebb feladatokra lesz szükségem egy masinára. Ám ha nem magyarázat, akkor kísérletet tennék a javítására. Az alkatrészbeszerzés nem okoz feltétlen gondot, így a kísérletet megejteném. Csatolok pár képet, merre felé, s mit teszteltem. Minden alkatrész, amit képen látni megfelelő paraméterekkel bír, már amit, amennyire multiméterrel megállapítani képes voltam. Nem a megfelelő mérés módja, útja, tudom, ennyire van módom. Az IGBT-k mindegyikén megvan az ellenállás, a kondenzátorok értéke megvan, diódákon pedig rövidzár nincs. Ha valakinek van ötlete, mit érdemes mérni, keresni, cserélni, ne tartsa megában. Köszönöm.
A Parkside-s gép jóval kisebb teljesítményű, kevesebb áramot kér. Talán csak ennyi a gond.
Újra összerakva a gépet meg kellene próbálni egy soros izzólámpával indítani, majd rövidrezárni az izzót. Ha akkor is old az automata, akkor a hiba maradt. Ha rövidrezárás után működik, akkor 60-80A árammal nem szabad a 16A automatának oldani. Esetleg nincs a gépben lágyindító áramkör, és az rakoncátlankodik? A hozzászólás módosítva: Júl 7, 2024
Szia!
Adattábla szerint nem kell meglepődni. A 16A-es hálózat milyen biztosítással van? A 10A-es biztosításról történő teszt lehet c10, ami jóval lomhább mint a b16. Függ hogy hova van bedugva a gép és egyéb is. A lágyindítás kérdéses, amennyiben van benne, lehet tényleg az bohóckodik. Ha nincs benne lágyindítás, akkor célszerű beépíteni! Nekem a kis kínai gépem verte a biztit, attól függően, hogy hol használtam. Tettem bele egy lágyindítást, azóta hibátlan.
Találkoztam hasonló gépekkel. Nem szokott bennük lágyindító lenni. Ebben sincs. Van még annyi hely benne, hogy elfér egy külön lágyindító.
Üdv!
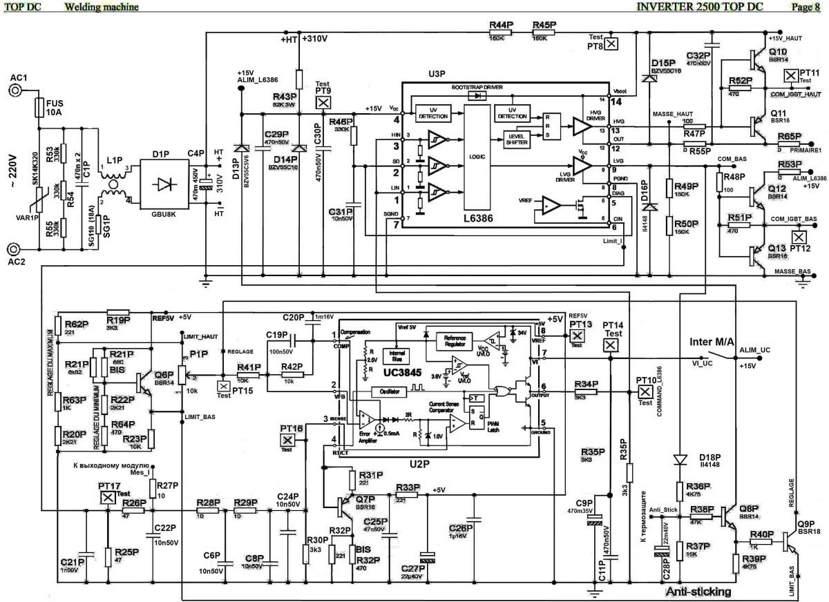
Az utolsó képen látható nyákon szerintem a TK1 pozícióban kellene lennie egy relének, ami úgy látom nem volt benne. Szerintem az zárná rövidre az RR1 ellenállást, ami elvileg a lágyindító lenne. A kép alapján úgy gondolom, hogy az RR1 helyén volt valami, amit te szedtél ki. Az nekem a képről nem világos, hogy a közelében lévő 2db sárga vezeték hová megy. Ennek a résznek a visszarajzolása segíthet a pontos helyzet megértésében, és egy megfelelő lágyindító kialakításában.
Mindenképp ki fogom próbálni, köszönöm.
A gépben nem volt lágyindító. De lehet lesz...
Nos; a gépből a képeken levő kondikon, SMD és TO-247 diódákon és IGBT-ken kívül nem szedtem ki mást.
RR1 helyen semmi sem volt... Az ellenállásokat is megnéztem, egyik sem rövidzár, mind megfelel a színkódjának. A 2 sárga vezeték a 230V bemenet, sanszos, hogy sarut kap. A szerelgetéstől tört a vezeték, nem hagyom így... Egyébként első látásra is úgy hatott nekem a dolog, amit most némileg megerősítettetek; a relét kispórolták belőle, mert a "két kapcsolt láb" a nyák forrasztási oldalán egy vastag darab rézszállal van összekötve. (Meló után készítek jobb minőségű, nem bemozdult képet... este nem csekkoltam vissza, ez nálam is kritikán aluli kép lett... bocsi.) Lágyindító kapcsolást tudnátok hozzá ajánlani? Gyanítom, ide való relét csak kínából tudnék rendelni. A segítséget köszönöm!
Idézet: „16A a hálózat. A hegesztőt bekapcsolva a ventillátor felpörög - amiben meglepő nincs - majd működésbe lép és használható hegesztésre. Ez csak az első 3-4 alkalommal így volt. Utána változott a helyzet, első két bekapcsoláskor a kismegszakítót levágta. Volt, hogy a kismegszakító előtti kerámiabiztosítékot vitte magával, azóta nem mertem próbálkozni vele. Egy villanyszerelő rokon tapasztalata szerint, Ő 10A mellett is tudott hegeszteni.” Azért kipróbálnám másutt is, az inverteres transzformátorok jellemző hibája a rövidzár. ( akár a graetz is mindjárt..)
Közel 1000µF a bekapcsolás pillanatában sok a megszakítónak. Ha nem mérhető semmilyen zárlat a félvezetőkön és kondenzátorokon, akkor ehhez semmilyen lágyindító kapcsolás nem kell, csak a relét és az NTC-t, vagy egy 47R/10W ellenállást kell betenni a helyre, ahonnan ki van spórolva. Ha a kondenzátorok feltöltődnek, már lehet kapcsolni, tehát mire megjelenik a segédtáp, addigra fel vannak töltve a kondenzátorok és át lehet kapcsolni az NTC-t. Valószínű, hogy 24V-os a relé, mással még nem találkoztam ilyen jellegű hegesztő inverterben.
Nekem van ide való relém, ha kell, keress privátban.
Sziasztok!
Tudnátok segíteni a gép beazonosításában? Szerviz leírást/kapcsolási rajzott keresek hozzá, elromlott. Az i-mig250-ra nem találok semmit, még csak hasonló kinézetű hegesztőt sem. Aki felismeri vagy ha megvan kapcsolási rajza s megosztaná velem, azt megköszönném ![]() Segítséget, válaszokat előre is köszönöm. A hozzászólás módosítva: Júl 9, 2024
Szerintem nem kell hozzá külön kapcsolás, amit lespóroltak, azt kellene beletenni.
Valamilyen előtét ellenállással (akár izzóval) be kellene kapcsolni a készüléket, és meg kellene mérni, hány volt jut a relé tekercs kivezetéseire. Ha van ott feszültség, és meg tudod mérni, akkor nyert ügyed van. Ilyen formájú relét nem olyan nehéz beszerezni: Bővebben: Link Bővebben: Link Az RR1 értékének én kb. 20 ohmot választanék, mondjuk 2db 10 ohmos 5w-os kerámia ellenállást tennék be állítva.
Sziasztok!
Elkezdtem megbontani a gépet. Sajnos semmi szerviz leírást nem találtam. Az igbt modulban az egyik résztvevő elhalálozott. A gate meghajtásán is vannak gondok, viszont beazonosítani nem tudtam a diódákat. Amit le tudtam olvasni róla az 18 ás alatta egy 2-es szám. Mérni sem tudok, mert az összes kis üveg dióda rövid zárban van. Nem tudom hogy sima 18V zener vagy sima 4148-as lehet ![]() Ötlet valakinek? Segítséget előre is köszönöm! A hozzászólás módosítva: Júl 11, 2024
Sziasztok!
Haladtam a javítással, igbt, s a meghajtó rész javítva, cserélve. Igaz nem a gyári típusra, de legalább 2x annyit tud. Viszont amivel elakadtam, az a élesztés. Nem tudom hogy kellene szakszerűen, hogy ne küldjem túlvilágra a drága igbt-eket. A gyárit szétszedtem S képen látszik hogy milyen sorsra jutott. Viszont nem tudom hogy miért. Trafó primert valahogy ki kellene mérni . Induktívitás méröm nincs ohm mérővel nézve rövidzár van, viszont akár jó is lehet, ekkora vezető keresztmetszett akkora vasmagon. Segítséget előre is köszönöm.
Pontosan nem látom mi helyett lett mi. De ha a kis fehér helyett a két nagy fehér IGBT, akkor pukk lehet ennek a folytatása gyanús..
Szia, igen. Miért is?
A a "kis" fehérben 4 felvezető volt integrálva a "nagy"-ban pedig 2 db. Ugyan úgy bridge be kötve,mi lenne a gond ezzel? Azon gondolkoztam élesztéssel , hogy a ~600V DC helyet lab.taprol max DC 180V (max2A) tudok neki adni. Az valyon elegendő lehet. Vagy 3L egyenerinyítas utan valami nyagy hallogent izzó sorosan?
Elég lesz a 180V.Arra gondolt,hogy a mostani két igbt-nek a frekije van e annyi mint az egy darabosnak.Pl:a szimpla tudott 50Khz 100A ez a kettő is tudja?
Már a fentebbi képen a gyári kivitelezés is eléggé "halálközeli", a gate meghajtásnál és a többinél azokkal a hosszú vezetékekkel. Ahogy előttem írták, ez valahol 50kHz közelében működik. Itt már kritikus az időzítés, hogy az IGBT-k ne nyissanak össze, pláne ha az a nagy új IGBT nem erre a célra van tervezve, hanem pl frekiváltóba. Töredék kapcsolási frekire.
Érdemes megnézni az adatlapokban a gate kapacitásokat és az on-off időket. Az is csak normálisan lezárt gate meghajtással értendő..
Szerintem jó lesz
Ez három fázisú gèp? Mert akkor a vcc kevés lesz.900-600vvolt
Szia, igen.
Ez volt a gyári: FP75R12KT4_B11, ez meg amit bele raktam: Semikron-SKM_300_GB_128_D Elvileg 1.2KV-os. Remélem tudni fogja a gyári paramétereket.
Tudna-e valaki egy Hetra-180 típusú inverteres hegesztő kapcsolási rajzot, vagy javítási segítséget adni?
Sziasztok. Orosz mini hegesztő inverteres vezerlője nem mutat semmit. Megkapja a 15 v ot, de a kijelző sötét. Semmi felirat nincs a kijelző ic jén. Valakinek ötlet? Pro 300E. Köszönöm
Parkside PFDS 33 B 3Hali mesterek. Munkatársam vett egy Parkside PFDS 33 B 3 tip. hegesztőt. Szerinte nagyon gyengén hegeszt, vastagabb anyagnál csak "taknyolni lehet vele"Van valakinek tapasztalata ezzel a géppel ,vagy javított már valaki ilyen tipust ?? Köszi, pittyu. |
Bejelentkezés
Hirdetés |































