Fórum témák

» Több friss téma
Fórum » Elektronikában kezdők kérdései
- Ez a felület kizárólag, az elektronikában kezdők kérdéseinek van fenntartva és nem elfelejtve, hogy hobbielektronika a fórumunk!
- Ami tehát azt jelenti, hogy a nagymama bevásárlását nem itt beszéljük meg, ill. ez nem üzenőfal!
- Kerülendő az olyan kérdés, amit egy másik meglévő (több mint 17000 van), témában kellene kitárgyalni!
- És végül büntetés terhe mellett kerülendő az MSN és egyéb szleng, a magyar helyesírás mellőzése, beleértve a mondateleji nagybetűket is!
Lapozás: OK   3973 / 4060
(#) KBal76 válasza morgo hozzászólására (») Szept 21, 2024 /
 
Segítek neked, bàr te akartál segíteni. Amúgy már ismétlem magam.
Az optocsatoló adó LED-jét illik 1-2mA árammal meghajtani. Ezt az 1...2mA áramot 2...1MOhm ellenáláson át tudod biztosítani 2 ezer volton. Ez 2...4Watt elfűtését jelenti... az bizony melegszik.
Remélem így már világos.
Ekkorára az egész tápot nem tervezem, mivel kb. 2...5uA terhelést kell viselnie majd a céláramkör felől.
Ha csak mikoampereket fogyaszt az oszó, mert egy nagy belső ellenállású komparátort kötök utána, ahogy előtted leírták, akkor nincs mi melegedjen.
(#) Skori válasza KBal76 hozzászólására (») Szept 21, 2024 /
 
Simán lehet 1...2µA áramra is méretezni az osztót, lehet kapni akár 1GΩ-os ellenállásokat is. De a viszonylag nagy feszültség miatt lehet pl. 10...20db 100MΩ-ot sorbakötni, hogy semmiképpen se üssön át. Az osztó alsó tagja meg lehet pl. 1MΩ. Szinte bármelyik opamp ennél jóval nagyobb bemenő ellenállású, és kapható olyan típus is, aminek a saját áramfelvétele is µA-es tartományban van. Egy ilyen elrendezéssel egész pontos mérés is megvalósítható, az MCU-ba épített A/D konverter használatával.
(#) abszoluthobbi hozzászólása Szept 24, 2024 /
 
Nekem egy bonyolult kérdésem van.Hogyan lehetne kipróbálni beépítés előtt egy,HD44780 LCD modult?
Mert bizonytalan vagyok, működni fog ?vagy szelektív kuka.
(#) proli007 válasza abszoluthobbi hozzászólására (») Szept 24, 2024 /
 
Nem lehetetlen, de macerás. Ismerni kell az utasítás készletet hozzá (adatlap). Mert inicializálni is kell..
HD test
(#) Bakman válasza abszoluthobbi hozzászólására (») Szept 24, 2024 /
 
Próbapanel, mikrovezérlő, abban pedig egy tesztprogram.

Ha csak tápfeszültséget adsz neki és beállítod a kontrasztot, akkor a kijelzőn fekete téglalapokat kell látnod. Ez csak egy apró teszt, nem jelenti azt, hogy tutira működik, de ez az első lépés. Továbbiakhoz kell a mikrovezérlő.
(#) Bakman válasza proli007 hozzászólására (») Szept 24, 2024 /
 
Te jó ég. Van, aki ilyenre vetemedik?
(#) pipi válasza abszoluthobbi hozzászólására (») Szept 24, 2024 /
 
Mit jelent a beépítés? az ilyet én mindig tüske+hüvelysor csatival használom, nem forrasztom fixre a fő panelba...
A tüske vagy hüvelysort elég belefeszíteni a furatokba a próba erejéig, nem kell beforrasztani.
(#) abszoluthobbi válasza pipi hozzászólására (») Szept 24, 2024 /
 
Gyorsak voltak a reagálások.Nincsen semmi okos eszközöm,megy a fiók mélyére a kijelző.
(#) gyulank hozzászólása Szept 25, 2024 /
 
Ezt hogy kell szétszedni? Már feszegettem, de csak deformálódott.
(#) JZoli válasza gyulank hozzászólására (») Szept 25, 2024 /
 
A billenőrészt kell lefeszíteni. Valóban nem könnyű!
(#) granpa válasza gyulank hozzászólására (») Szept 25, 2024 /
 
A billenőt két oldalt, késpengével finoman feszegetni kifelé, majd kézzel kihúzni.
(#) gyulank válasza granpa hozzászólására (») Szept 25, 2024 /
 
Megcsináltam már csavarhúzóval. Csak ezelőtt nem azt feszegettem, hanem azt amit a csavar fogott.
(#) Udvari Zsombor válasza gyulank hozzászólására (») Szept 25, 2024 /
 
A billenő tetejét pattintsd le a helyéről, alatta elő fognak kerülni az összetartó csavarok.
(#) martin66789 hozzászólása Szept 26, 2024 /
 
Sziasztok

A Philips SensoTouch RQ1145 borotvának a tartója tartalmazhat valami elektronikát, vagy speciális töltő adaptere lenne?
Elhagyták a tartóját és az adapterét így nem lehet tölteni, próbáltam más adapterről de nem veszi a töltést. Gyári adapterén 15V van, itthon egyenlőre 15,4V-ost találtam de nem akarja tölteni.
(#) Régi motoros hozzászólása Szept 26, 2024 /
 
Tud valaki ajánlani LM7812 / LM7824 típusú stabilizátort aminek a bemenete nagyfeszültségű mondjuk 60-100V közt valami? Sok áram nem kell, elég 100-300mA ami egy DC12 / 24V-os relét be tud húzni.

Napelem string feszültségét kell figyelnie, és ha van elég nafta, pl 12 vagy 24 fölött van a kimeneti feszültség, a relé bekapcsoljon.
(#) nagym6 válasza Régi motoros hozzászólására (») Szept 26, 2024 /
 
Nem tudom milyen pontosság kell 12V és 24V-ra, a 78xx-nek 2.5-3V többlet kell bemenetre, amitől a szabályozott feszültségük megjelenik. A relé behúzás a megadott feszültség alatt már bekövetkezik.
(#) proli007 válasza Régi motoros hozzászólására (») Szept 26, 2024 /
 
Hello! Egy 30V-os zéner egy 100k-val, meg egy Fet-el, nem volna egyszerűbb?
Azt átgondoltad, hogy 100V 100..300mA az 10..30W?
(#) granpa válasza proli007 hozzászólására (») Szept 26, 2024 /
 
Szerintem 12 V-on kell neki a 100-300 mA.
(#) granpa válasza Régi motoros hozzászólására (») Szept 26, 2024 /
 
Az adatlapokon szokott szerepelni nagyobb áramra,-feszültségre alkalmazás.
(#) Régi motoros válasza nagym6 hozzászólására (») Szept 26, 2024 /
 
Mint írtam csak a relé behúzásához kell, nem az a lényeg, hogy pont az adott feszültségen húzzon be, hanem az, hogy ha van már "értelmes" megvilágítás, akkor bekapcsoljon egy áramkört.
(#) Régi motoros válasza proli007 hozzászólására (») Szept 26, 2024 /
 
Nem tudom, igazából csak a stabilizátor jutott eszembe először. Szintén gondoltam soros ellenállásokra meg zénerre, nem tudom, hogy lenne célszerűbb megvalósítani. Az áramérték is csak feltételes módban van, nem néztem utána milyen relé kellene egyáltalán, lehet van olyan is aminek elég 50mA is 12V -on.
A lényeg, hogy a lehető legkisebb veszteséggel tudjon fogadni feszültséget kb 100V -ig,
mert nagyjából ennyi a kimenő feszültsége három 30V-os napelemnek sorba kötve.
A hozzászólás módosítva: Szept 26, 2024
(#) nagym6 válasza Régi motoros hozzászólására (») Szept 26, 2024 /
 
Próba: npn tranzisztor bázisára 60-100V zéneren keresztül csatlakozik ez a feszültség, bázis egy megfelelő -zener és tranzisztor béta függő- ellenállással negatívra. Kollektora relén keresztül 12V vagy 24V-ra. Esetleg darlington tranzisztor, ha relének nagyobb áram kell.
Ha zéner nyit feszültsége felett, bázisárama lesz a tranzisztornak, az is nyit.
Nekem ez tökéletesen jó csak 12V-nál, itt 6.8V zener van.
A hozzászólás módosítva: Szept 26, 2024
(#) Suba53 válasza Régi motoros hozzászólására (») Szept 27, 2024 / 2
 
TL783 - állítható nagy feszültségű stabilizátor.
A hozzászólás módosítva: Szept 27, 2024

TL783.pdf
    
(#) Lamprologus válasza Régi motoros hozzászólására (») Szept 27, 2024 /
 
Nem lehetne csak egyik napelem feszültségét használni? 30V-ra már van DC/DC konverter ...
Aztán egy komparátor, meg fesz osztó a nyers bejövő feszültségre ...
(#) Régi motoros válasza Suba53 hozzászólására (») Szept 27, 2024 /
 
Ez már egynek jó is. Köszi.
(#) Régi motoros válasza Régi motoros hozzászólására (») Szept 27, 2024 /
 
Közben rájöttem a válaszaitokat olvasva, hogy rossz végén fogtam meg a dolgot.
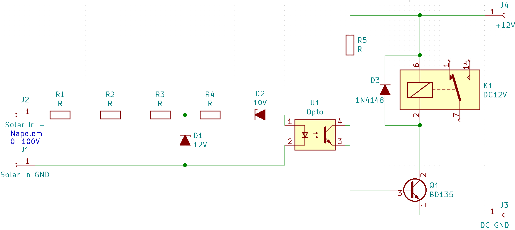
Én balga, mivel eleve akkus rendszer, a már meglévő akkut is lehet használni a relé tekercs táplálására, nem szükséges azt a napelemről "lopni". A napelemre elég lenne egy optocsatoló is amin keresztül vezérelhető a relé. Az alábbi kapcsolást gondoltam ki, így minimalizálni a napelem oldal felől nagy feszültség miatti veszteséget. Lehetne ezen még faragni valamit?

Ui.: Mondjuk a napelem GND ágába még mehet egy 200mA -es bizti az lemaradt.
A hozzászólás módosítva: Szept 27, 2024
(#) Régi motoros válasza Lamprologus hozzászólására (») Szept 27, 2024 /
 
Igazából a minél olcsóbb és "filléres" alkatrészekből összedobálható kapcsolás kellene. A napelem felől +1 érzékelő szál levezetése meg macerás volna, főleg mivel akkor kötést kellene kialakítani egy panel csatlakozásánál.
(#) Patópali válasza martin66789 hozzászólására (») Szept 27, 2024 /
 
Szia!
Képeket tegyél fel a készülékről és a csatlakozójáról is!
Üdv.
(#) proli007 válasza Régi motoros hozzászólására (») Szept 27, 2024 / 1
 
Hello! Nem kell ide bizti. A 4 ellenállásból kettőt átteszel a negatív ágba. Pld. 4*2,2k. Akkor a 12V-os zéner sem kell, viszont az optora érdemes tenni reverz diódát. Így max 10mA fog folyni 100V-nál.
24V-nál meg 2mA. A tranyó bázis-emittere közé illik egy ellenállást tenni. Pld. egy 1k. Az 600uA. Az optoval soros ellenállás is lehet 1k.
(#) martin66789 válasza Patópali hozzászólására (») Szept 27, 2024 /
 
Mellékeltem a képeket. A készülék két oldalán van 1-1 fém érintkező, ha jól mértem a jobb oldali a +, a bal oldali a -. A nyák másik oldalán nincsen alkatrész csak a 3,7V-os Li-ion akku.
A hozzászólás módosítva: Szept 27, 2024
Következő: »»   3973 / 4060
Bejelentkezés

Belépés

Hirdetés
XDT.hu
Az oldalon sütiket használunk a helyes működéshez. Bővebb információt az adatvédelmi szabályzatban olvashatsz. Megértettem