Fórum témák
» Több friss téma |
Fórum » Elfogadnám, ha ingyen elvihető
Dehogy is, ez csak vicc volt, azért is tettem OFF-ba.
Egyébként valamennyire mindegyik állítható két-három csatornát átfogó állíthatósággal rendelkeznek általában.
Azért kérdeztem rá erre is, mert a végkészülék, amire kéne majd befutnia a kimenetnek, egyenlőre nincs a kezemben, és csak egy régebbi okostévével tudok addig próbálkozni, amin egy kanyi beállítási lehetőség sincsen (az általam látottak szerint) coax-ra.
A coax-nak amúgy kéne majd működnie, mert emlékszem, hogy 2 éve egyszer rákötöttem egy C64-et, amiről végül frankón bejött a kép. Viszont ott is bőszen kellett tekergetni a C64-en a csatornaállítót, mire meglett a kimenet. DVI kábelKedves fórumtársak,DVI-I vagy DVI-D dual-link monitorkábelt keresek. Vidéki vagyok, itt a környéken már minden bolhapiacot megnéztem, nem volt sehol. Ha valakinek lenne elfekvőben, elfogadnám. Természetesen a szállítási költséget állom. Köszi szépen!
Ja, egyébként egy lehet, hogy fontos kiegészítés az RF-modulátor kereséshez:
Én koax kábel & csatlakozó alatt ezt értem : Link: Coax Cable Ugyanis videókban mindenhol azt látom - bár a nekem szükséges videót v. blogot eddig nem sikerült megtalálnom - hogy mindenki azt a vékonyabb tűs rácsavarozós csatit v. aljzatot mutogatja (amit én egyébként F-csatlakozó név (v. valami hasonló) alatt ismertem).
DVI-I single link kábelt - ha az jó - délután 5-6 óra fele megnézem, egy Macintosh G4 PowerPC projectből lehet, hogy maradt egy (talán kettő is).
Ha igen, akkor Pécsről tudnám majd FoxPost-al küldeni, de sajnos legelőbb csak a következő hét második felében.
Ott lehet problémád, hogy általában egy videomagnóban a készülék elektronikája irányítja a tunert és mondja meg számára, hogy hányas csatornán adja a kimenetet és hányas bejövő csatornát vegye. Tehát a videomagnó lehet mechanika hibás is, de annyira tudjon bekapcsolni, hogy a video bemenetére tudjál jelet adni és a tuner kimenetét tudd venni a régebbi eszközöddel.
Szerintem az pont nem jó neki, azért írta hogy dual-link kábelt keres. Nyilván nagyobb felbontáshoz kell neki, pl. QHD felbontás már nem megy át egy single-link kábelen.
Jaa, igen, most már látom. Telefonon olvasva kicsit félrenézhettem valamit.
Jaaaa! Na akkor várjunk csak:
Amúgy azt meg lehet csinálni, hogy egy működő VHS vagy DVD lejátszóról, vagy akármiről, aminek van kompozit és RF koax kimenete is, azzal a kompozitről koaxra viszek anélkül, hogy kazetta/DVD kerülne a lejátszóba?
Mondjuk az lehet, hogy hosszútávon nem lenne majd a legigényesebb megoldás, hogy egy rel. terjedelmes lejátszót kiteszek csak azért, hogy kompozitról átjátszak koaxra.
Bár a semminél több lenne, az igaz, főleg hogy lássam a dolgok működőképességét.
Ilyet nem a bolhapiacon kell keresni, mert gyakorlatilag bármelyik számítástechnikai boltban adnak neked megfelelőt. (Akármilyen vidéki vagy, egyszer a legközelebbi megyeszékhelyre beutazva beszerezhető. Max végig kell telefonálni pár üzletet, hogy oda menj ahol biztos van épp polcon.)
Persze lehet ingyen is lejmolni, a HDMI térhódításával a DVI-t egyre kevesebben használják. Nekem speciel még csak felemás kábelem van, mert a TV-n HDMI bemenet van, de a régi VGA kártyát még nem cseréltem le, azon DVI kimenet van. A hozzászólás módosítva: Okt 20, 2024
Nem bármelyikben, sőt... Az utolsó koszlott darabot vettem meg néhány éve e városban, amely közelében lakozom. Nagyon nem divatos (volt már akkor sem), olyan nagyon nem árulják kisebb városokban.(miközben kidobált cuccok közt rá-ráakadok ilyesmikre, amit csak megrendelésre, vagy aranyáron kapok)
Azért írtam, érdemes körbetelefonálni, és említettem, hogy megyeszékhelyen.
De akár websopból is rendelhető simán. Meg akár méretválasztékkal is. A hozzászólás módosítva: Okt 20, 2024
Idézet: „Persze lehet ingyen is lejmolni” A "lejmolás" eléggé pejoratív. Szerintem ez a téma nem erről szól. Hanem arról, amiről a "felajánlás...", csak itt nem a felajánlók teszik közzé az elvihető cuccaikat, hanem "leendő kedvezményezettek" kezdeményeznek. Nincs ebben semmi rossz, a segítőkész emberek itt is fognak segíteni, ahogy a másik témában is. Idézet: „akár websopból is rendelhető simán.” Ha boltból akart volna venni vagy rendelni, és abban lenne szüksége segítségre, hogy hol kapható, akkor valószínűleg abban a témában tette volna fel a kérdést. Idézet: „A "lejmolás" eléggé pejoratív.” -egyrészt: én is erre figyeltem fel először... -másrészt: pont az ilyen apróságok ide-oda tologatásáról szólna e topik.
Egy ilyenre lenne neked szükséged. No nem erre, mert ez nem ingyenes.
A modulátornak kell táp, test és bemenő videó jel.
Én ezen mondjuk nem látok kompozit csatit, csak F-csatlakozót (de azt a részét lehet, hogy félrenézem és nem az) meg koaxot.
Jaaa.... vagy Te csak a shield dobozkát mondod, az lenne az egész? És az az öreg(nek tűnő) NYÁK-os elektronika az már más? Na igen, akkor lehet, hogy ez kéne. Csak éppen csatornaválasztót nem látok rajta. Az már lehet, h. gond lenne. Egyenlőre sajnos cucc sincs, amiből tudnék bontani. De inkább rendeltem azóta egyet egy európai webshop-ból. Lesz minimum 1-2 hét, valószínűleg, amíg megjön, és olyan óccó se volt.... na, dehát ez van. Amúgy ez a fotózott elektronika miből lett bontva?
F csatlakozót sem láthatsz rajta.
Van 3db szigetelt forcsúcs. +, -, be. Ez egy Videoton TV foci elektronikája. A hozzászólás módosítva: Okt 20, 2024
Ok, már látom. Én az alábbit néztem annak.
R.I.P. TV-foci. =[ Az már valóban egy ritkaság lehet.
Oh, szóval ez van a shield dobozkán belül?
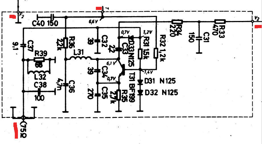
Mondjuk ha nagyon nem lenne más, ezt már talán lehet, hogy meg tudnám építeni, csak épp az induktivitások (én így hívom, mert a Pécsi boltban csak ilyen nagyobb ellenállásnak kinéző ?henger? induktivitásokat tudnék venni) értékét nem látom a rajzon. Én meg annyira nem vagyok okos, hogy a kapcsolás többi részéből kitaláljam, hogy mi kell oda.
A csatorna gondolom valamelyik kondival lenne "beállítható" ott a tranzisztor környékén, jól sejtem?
Nem, DC hangolófeszültség van 0-12V között (ha jól emlékszem mert rég volt).
Hát ezt tényleg nem értem. =[
Azt mondod, hogy 1 bemenet van, ami a kompozit videojel, meg a tápfeszültség (meg nyilván a föld/negatív (sose tudom, mi a szakmailag pontos megnevezés törpefesz. elektronikáknál)). És a fotón is ez látszik, meg a kapcsolási rajzon is, amit küldtél. Akkor hol megy be neki a hangolófeszültség?
Nem.
Azzal az induktivitással, amit bekarikáztál. A hozzászólás módosítva: Okt 20, 2024
Sehol. Fix frekvencián megy. Amplitudó modulált.
Ne értsetek félre, nem rosszindulatúan használtam a "lejmolni" szót. Én is szoktam.
És azt is leírtam, hogy nincs azzal semmi baj, ha egy "kacat" máshol új életre kel. Csak sucuka majdnem úgy adta elő, hogy ilyet sehol nem találni. Ha rossz helyen keresünk valamit, persze, hogy nem találni. Ismeri mindenki a mondást, cipőt a cipésztől...
Rosszul tudod. "Cipót, a cipóboltban!"Foszladozó emlékeim szerint így szólt anno a reklám..
Szerintem biztosabb és sokkal egyszerűbb, ha rögtön rendelsz magadnak egyet a TEMU-n. Ott minden ilyesmi viszonylag eléggé normális áron kapható.
Kerestem én is, de végül aliexpressről rendeltem, nem volt annyira vészes az ára.
|
Bejelentkezés
Hirdetés |






Nem bármelyikben, sőt... Az utolsó koszlott darabot vettem meg néhány éve e városban, amely közelében lakozom. Nagyon nem divatos (volt már akkor sem), olyan nagyon nem árulják kisebb városokban.









