Fórum témák
» Több friss téma |
Fórum » Leválasztó transzformátor
Gondosan vigyáztam rá, még a közelében sem jártam sem pákával sem egyéb szerszámmal. (A tegnapi teszt, és a mai teszt pontosan azonos állapotú egységen történt, a két mérés között semmilyen változás, semmilyen külső hatás nem érte a mérőegységet.)
Nem lehet, hogy a saját áramfelvételét méri valahogyan?
Előtétkondi értékét variáltad? Függ tőle? Ki és bemenet cseréjére változik? (az egyik esetben a sönt másik oldalára csatlakozunk, így mérheti a saját áramát is)
Ne zárjunk ki semmit, de igyekeztem odafigyelni.
A kondit nem változtattam, az eredeti van benne, nem tudom függ-e tőle. A ki és bemenet cseréjét nem értem, mert ezek nem felcserélhetők, egyértelműen van egy bemenet és egy kimenet. Az utolsó képen pontosan azonos a bekötés a tegnapival, csak a mutatott áram nem azonos (ezért nem értem mi okozza).
"Nem lehet, hogy a saját áramfelvételét méri valahogyan?"
Egyetértek, én is erre gondoltam másodikként. Vagy esetleges mérési hiba lenne? Mennyi a műszer hibafaktora?
Töprengtem rajta, mi változott tegnap óta. Amikor azt mondom semmi, akkor az igaz is a mérőegység bekötésére, de nem igaz a teljes kapcsolásra. Ma egy másik mérőegységet is bekötöttem (ezzel is volt tervem), ami szabályozható toroid áramfelvételét mérte. Ez tegnap nem volt, ezért most is kikötöttem. Az áram azonnal beállt stabilan nullára.
Szerintem ez kizárja a saját áramának a mérését, itt valami furcsa ráhatása van az egyik mérőegységnek a másikra. Legalábbis ha elfogadjuk tényként a tényeket. Ha az izzót kikötöm, akkor a feszültséget tudjuk szépen változtatni, és közben sem változik az áram, marad 0,00A.
1. Lassú frissítés
ITT írtam a különböző verziókról. Végül én a régi v3.0-át építettem be, pont a lassú frissítés miatt, mert ennél én gyorsabbnak éreztem a frissítést. A v3.0-nál ha nulláról tekerem 230V-ra akkor kb. 3 értéket ír ki, a harmadik az már stabil. Mindezt kb 1 másodperc alatt. Sajnos ez a fajta már beszerezhetetlen. 2. Nálam is van 0,01A ha nincs terhelés, akkor ennek külső oka is lehet. Nincs kedved esetleg a kondenzátoros táplálás helyett egy teljesen független feszültséggel megtáplálni próbaképpen. Kíváncsi lennék, ott is jelentkezik-e ez a probléma.
Idézet: „Behoztál a képbe egy új funkciót, amit hívhatnék mondjuk "NEM leválasztott, de mért és biztosított" lehetőségnek. Erre én egyáltalán nem gondoltam eddig és máshol sem láttam ilyen opciót.” Megtaláltam egy gyári készülék képét, amit lementettem anno. Ez is nyújt ilyen opciót, nekem innen jött az ötlet. Sajnos több adatot nem találtam róla.
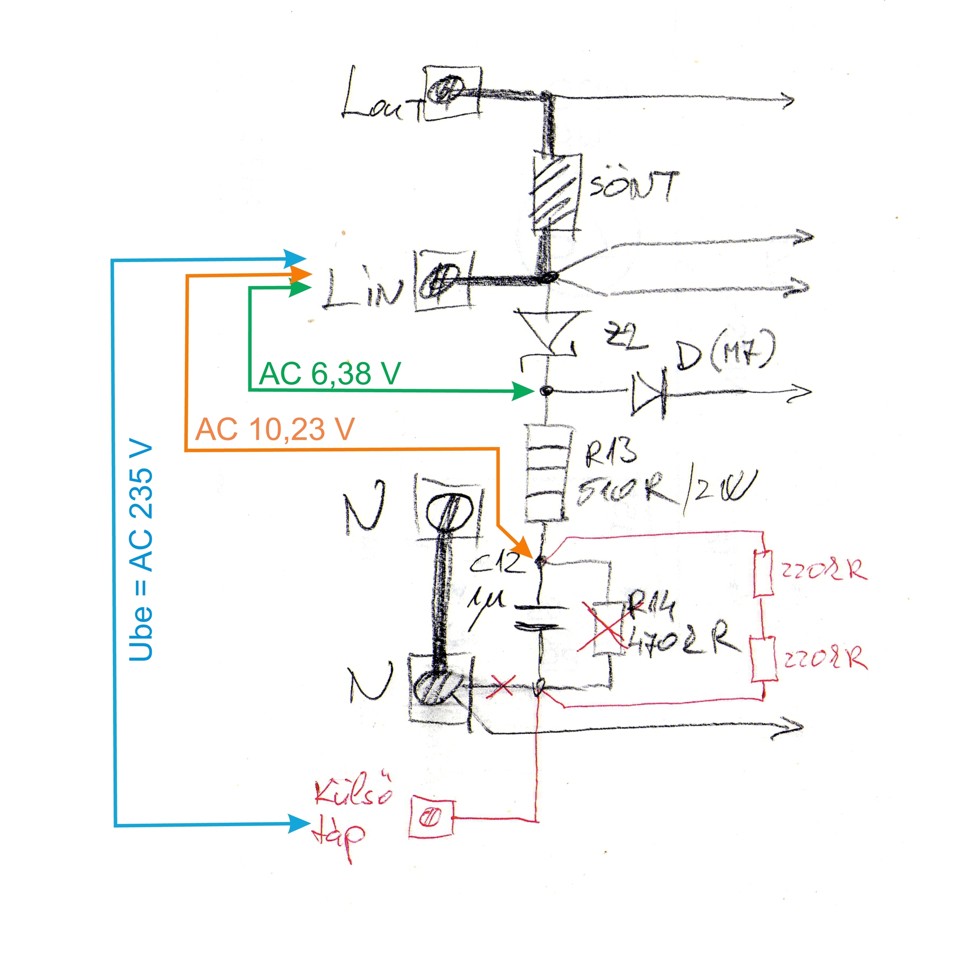
Nálam még meztelenül van az asztalon a mérőegység, így elvileg bármit tudok vele csinálni, akár a külső táplálás is megoldható. De a "teljesen függetlent" pontosítani kellene, mert ez lehet egy különálló mondjuk kis trafós AC 10-20 V-os táplálás is a mostani 1µF-ot kikerülve, vagy akár egy DC 8-10V körüli egyenfeszültség is a pufferkondira kötve.
Van azonban egy kérdőjel az egész tesztben, ugyanis nálam most helyre állt a rend, így eleve nem mutat áramot ha nincs terhelés, azaz nem érzékelhető mikor/mitől szűnik meg a "hiba".
Most megszűnt, de ha visszakötöd úgy ahogy korábban 0,02 A-t mutatott, akkor megint ugyanazt produkálja?
AC a R13-at meghagyva és a kondít elhagyva a legegyszerűbb, mert ilyen táplálás néhány menettel a leválasztó toroidra tekerve előállítható, de a DC a puffer-re is jó. A stab IC hány voltos? 3,3V? A hozzászólás módosítva: Nov 11, 2024
Rendben, játszok majd vele, csak nem biztos, hogy belefér a mai napba (most dolgozok, aztán elvileg tenisz, csak későn érek haza).
Esetleg összedobnál egy-egy kapcsolási rajzot a kétféle állapotról?
Most találtam, hogy a lassú frissítésre csináltam videót is, amikor készült a táp, összehasonlításként mellékelem.
Elméleti jelleggel: van quartz azon a mérő panelen? Mi történik akkor, ha dupla sebességűre cserélitek? Tippre gyorsulnia kell a mérésének.
Az 5.0-as mérőben Vango V9821S IC van, ebben egy 8052 MCU core. Az adatlap szerint:
Integrated oscillator, only one external 32768-Hz crystal is needed to generate crystal frequency. In the fullfull-speed operation, the “MCUCLK” frequency is 13.1072 MHz, “MTCLK” frequency is 3.2768 MHz, and “ADCCLK” frequency is 819.2 kHz which is a quarter of “MTCLK” frequency. Pontosan ez van mellette, egy 32kHz-es quartz. Ezzel nem lehet játszani.
Szia!
Alkotó most nem ér rá, így ha nem gond, neked írom az észrevételemet. Ahogy olvasom, más is beleszaladt ebbe a nem megmagyarázható hibajelenségbe. Mintha spontán előjönne néha, majd eltűnne. Gondoltam a földhurokra is, de végigkövetve a vezetékelést, nem láttam erre utaló hibát. Mekkora feszültség szinteken mér ez a műszerke? A feszültséget 1/1000 arányban osztja le a bemeneti osztó, azaz 230V bemeneti feszültség 230mV feldolgozandó szintet jelent az A/D konverter bemenetén. Az 1V legkisebb értékhez 1mV tartozik. Az áramot egy 1mΩ-os söntön eső feszültség alapján méri, tehát 20A-hez 20mV, 20mA-hez 20µV tartozik. A szimmetrikus bemenetek (a cél áramkör lábain) 1kΩ soros ellenálláson keresztül kapcsolódnak a sönthöz. Feszültség mérő osztója is ugyanekkora impedancián képvisel. Felvetettem a kérdést, mekkora parazita kapacitás tudja kizökkenteni a bemeneteket, hogy ilyen hibát okozzon a kijelzésben. A feszültségmérő esetében az 1V megjelenítéséhez 13pF parazita kapacitás kell a 230V-os hálózati vezeték és a cél IC feszültség mérő bemenet közé. Az áram mérő bemenetre vetítve 10mA alsó értékhez 0,13pF, azaz 20mA kijelzéshez 0,26pF. Ha ez a parazita kapacitás megjelenik, akkor a kijelző ezt jelezhet. Bár a fotók alapján a gyártó igyekezett egymáshoz nagyon közel vezetni a szimmetrikus bemenetek vezetékeit, előfordulhat, hogy egyszerűen ha fordítva csatlakozunk a hálózathoz, az asztal lapjának, vagy egy vezetékek a közelsége elegendő a hiba megjelenéséhez.
Ne számíts nagy áramkörre, de a teszteléshez jó volt, mert hűen tükrözi a későbbi bekötést. A kis kezemmel lerajzoltam az első állapotot, ahol mutatta a 0,02A-t. Ehhez képest a második állapotnál Az "A" jelzésű mérőegységet kivettem, és egy sorkapcsot használtam helyette.
Most utólag olvasva Béla gondolatait, azt nem figyeltem meg, hogy esetleg fordítva bedugott villásdugóval csatlakoztam-e a hálózathoz, ezért ezt sem lehet kizárni. És ha már ceruza volt a kezemben (és előrébb hoztam az ebédidőt), lerajzoltam a mérőegység érintett részét is az eredeti állapotában, majd ebbe pirossal belepiszkáltam a módosítás utáni helyzetet.
Ha jól emlékszem izzólámpa nélkül is 20mA-t mért ugye? Lehet, hogy Bélának van igaza, és egy fázis-nulla cserén múlik a dolog - ami jó esetben a leválasztó trafó mögött nem jelentkezik. Ha kapacitív hatás miatt van akkor lehet próbálkozni az áramkör árnyékolásával (az árnyékolást kb. a sönt potenciáljára hozzuk).
Izzólámpa nélkül ugye a sönt egyik lába nincs bekötve - tehát nem igazán eshetett rajta feszültség, marad még az, hogy valami zavart szedett össze a műszer. Erre megint csak az árnyékolás lehet megoldás - de az is lehet, hogy a fém készülékházba beépítve nem jön elő ez a jelenség. Olyan különbség lehetett még a két mérésed között - a fázis-nulla cserén kívül, hogy a vezetékek fizikailag hogyan helyezkedtek a a műszerhez képest, melyik kerülhetett kapacitív kapcsolatba, vagy melyiktől kaphatott zavarokat. A hálózatban üzemelő további zavarforrások is okozhattak anomáliát, sőt akár egy a műszer közelében levő mobiltelefon is...
Neked, Tóth Bélának, és Majkimesternek egyben.
Elöljáróban röviden és sommásan, nem találtam semmilyen egyértelmű összefüggést. Kicsit hosszabban, több mindent is kipróbáltam: - Bekapcsoltam a tegnapi állapotban, szépen 0,00 A-t mutatott. - Visszakötöttem az "A" mérőegységet (mert tegnap ezt gondoltam hibaforrásnak), ami most nem hozott hibát, szépen 0,00 A-t mutat (első kép). - Mielőtt bármit kívülről rákötöttem volna, megmértem ami eszembe jutott (második kép). - Ezután külön kis trafót vettem elő, aminek a primerjét az "A" mérőegység bemenetére kötöttem párhuzamosan (mintha konnektorba dugtam volna), majd a szekunderjét (AC 9,4 V) bekötöttem a mérőegységbe, a második képen narancssárgával jelölt pontokra. - Működik így a mérőegység, de az eddigi nullás áram helyett most 0,03 A-t kapok, és ez nem is mozdul el innen. Tehát az eredmény rosszabb mint külön trafós táplálás nélkül. (harmadik kép) - Kikötöttem a kis trafót, és visszaállítottam az "A+B" mérőegységes állapotot. Minden működik, de előállt a 0,02 A-es érték a valós 0,00 A helyett. - És innentől össze vissza látom a két értéket, 0,00 A-t és 0,02 A-t. Csak ezt a két értéket, semmi mást. - A tegnapi napot másolva kikötöttem az "A" mérőegységet, de most ez sem hozott változást, most már szinte stabilan mindig 0,02 A-t látok. - Ebben az állapotban, amennyire a vezetékek engedték mozgattam a mérőegységet, közelítettem, távolítottam a toroidtól, bedugtam a belsejébe, tekergettem, de semmi változás. Közben ki-be kapcsolgattam, és a villásdugót is többször megfordítottam. Egyik manipuláció sem hozott változást. - Nem mindig, de többször meg tudtam ismételni azt, amikor feltekerem találomra a feszültséget, majd innen vissza nullára, és közben az áram és a feszültség is "leszámol" nulláig, de kb. 2 sec, múlva az áram átugrik 0,02 A-re. Ezek alapján szerintem az eddig felmerült ötletek egyike sem igazolódott be. Az utolsóként említett tapasztalat alapján nekem úgy tűnik, a bejövő analóg jel pont egy olyan határon billeg, ami a belső átalakítás során hol ide, hol oda billen, és ez okozza az anomáliát. De ezzel is bajom van, mert az a bizonyos analóg jel nulla, amit nehéz rosszul értelmezni. Illetve még arra gondoltam, hogy egy másik mérőegység, talán másképpen viselkedne, azon lehet akár kisebb, de akár nagyobb is a nulla feszültséghez tartozó áramérték. - Végül még egy apró megjegyzés. Az "A" egység ki-be kötözgetése közben, minden alkalommal ellenőriztem a rajta lévő értéket, amikor már nem volt a kimenetén semmi. Kivétel nélkül minden esetben stabilan 0,00A-t mutatott. Felfigyeltem még egy furcsaságra. A harmadik képen, ahol a segédtrafó is be van kötve, ugyanaz a szabályozható toroid, ami eddig mindig 0,06A áramot vett fel a hálózatból ("A" mérőegység méri), most csak 0,01 A-t mutat (és a teljesítmény is kisebb). A hozzászólás módosítva: Nov 11, 2024
Köszi a sok kisérletezést. Utolsó ötletként lemosnád alaposan alkohollal a kijelző oldalán a shunt körül a NYÁK-ot? Elég sok flux maradék van ott, és ez okozhat bizonyos szivárgó áramot.
Nekem is feltűnt, és gondoltam is rá, de két ok miatt nem tettem meg eddig.
- Ez a "gyári" állapot (nem én maszatoltam össze), így vélhetően ezzel együtt kalibrálták pontosra. Erős nagyításban is tanulmányoztam, és szép tiszta, üvegszerűen áttetsző a maszat, nem látszik benne elszenesedett maradvány, vagy egyéb szennyeződés. - Sok esetben így is megkaptam a várt 0,00 A-es kijelzést. Mindezzel együtt, semmi akadálya a tisztogatásnak.
Tehát eljutottunk oda, hogy van két műszered ami eltérő értéket mutat. Ha három műszered lenne, akkor valószínűleg 3 különböző mérési eredményed is lenne. Persze pl. a trafó nyugalmi árama is változhat, (és a műszert is megtréfálhatja) ha mondjuk van DC komponense a hálózatnak, és ez még ingadozik is.
A műszer táplálásához (ha van kedved még kísérletezni) kipróbálnék DC táplálást is, pl. dugasztápról, sőt akár 2db Li akkucelláról is - ez utóbbi esetben biztosan nincsenek hálózat felőli kapacitív komponensek. A másik amit érdemes lenne kipróbálni, hogy a leválasztó trafóról táplálod az egészet. Akkor nincs fázis-nulla, és nincs DC komponens sem... ráadásul a gyakorlatban is így fogod használni a műszert.
A két műszeres felvetésedre lényeges körülmény, hogy teljesen mást mér a két egység. Az "A"-val jelölt a toroid primer oldalát méri, a "B" jelű pedig a kimenetén van. De mivel az "A"-t ki/be kötözgettem, ezért a kimenetét kötöttem le elsőnek, és ekkor tudtam megnézni, hogy nullát mutat-e (és igen, 0,00 A-t mutat ilyenkor).
Semmi sincs kizárva, de a külső táplálást én már meghagynám az átalakított formában, nem hozott érdemi ugrást a külön trafós próba, ezért szerintem nem ez a megoldáshoz vezető út. És nem mellékesen sokkal egyszerűbb ha hálózati feszültségről tud működni. A leválasztó trafót ki fogom próbálni. Azt nem tudom a mérési anomália szempontjából miért van jelentősége a nulla-fázis elnevezéseknek, illetve szerintem itt a DC komponens sem meghatározó (fontos említenem, hogy nálunk a hálózati feszültség nagyon problémás, van abban mindenféle zavar, van benne DC, nagyon magas a sok napelem miatt, és durván változik a nagysága, 225-250 V közötti a szórás, jellemzően 238-240 V).
Letisztogattam a panelt, nincs változás, maradt a 0,02A-es megjelenés. Bekötöttem a leválasztó trafót is a körbe, ami szintén nem hozott változást.
illetve találomra még kipróbáltam egy sűrített levegővel való ráfújást (hűtésként) és egy hőlégfúvós melegítést. Ez sem hozott változást. Adtam egy kis feszültséget a kimenetre, így kaptam áramot és teljesítményt is. Így is melegítettem a mérőegységet, és teljesen stabil, rezzenéstelen értékek a kijelzőn. A környezeti hőmérséklet változása nem okoz értékváltozást, ebből a szempontból is nagyon ellenálló. Idézet: .Igen, de a két műszer felcserélhető próbaképpen, sőt úgy is beköthető próbaképpen, hogy mindkettő ugyanazt mérje - hogy lásd mennyire fut együtt a két műszer, ill. mindkettőn előjön-e az anomália. „A két műszeres felvetésedre lényeges körülmény, hogy teljesen mást mér a két egység. Az "A"-val jelölt a toroid primer oldalát méri, a "B" jelű pedig a kimenetén van”
A csereberének az szab határt nálam, hogy csak az egyiken alakítottam ki a külső táplálás lehetőségét.
Aligha van jelentősége, de ma is bekapcsoltam a tegnapival pontosan azonos összeállítást (senki nem járt még a közelében sem azóta). Ma stabilan 0,00A-t mutat.
A hozzászólás módosítva: Nov 13, 2024
Visszatettem a dobozába az átalakított mérőegységet, amikor szembesültem még egy apró tennivalóval. Az utólagosan beépített sorkapocs beleütközik a hátlap egyik bordájába, ezért azt is meg kell igazítani.
Ennek a dobozolási elképzelésnek egy másik elrendezési változatát építettem meg. A mellékelt kötéseket valósítottam meg, és minden úgy működik ahogy azt vártam.
A mérőegység most is 0,02 A-t mutat nyitott bemenet mellett 0,00 A helyett. Minimálisra tekert feszültség mellett a kimeneten most 1 V-ot mutat a mérőegység és valójában 0,89 V-ot mérek (ez is, és a skála szinten minden pontján bámulatosan pontos a feszültségmérés). Azt értetlenül látom, hogy ha a szabályozható toroid kimenetén lévő kismegszakítót lekapcsolom, akkor a kimeneti feszültség imbolyogva felmegy 6-8 V-ra (multiméterrel mérve is ott van), ami terhelés hatására nullázódik. A ventilátor szabályzót már felszereltem, de ez még nincs bekötve, mert a táplálását nem találtam még ki.
Szia!
Ez bizony kapacitiv/induktiv áthatás miatt van. A műszer bemeneti ellenállása 1-2-5-10MOhm is lehet. Célszerűen tegyél rá egy kis izzót terhelésnek.(Ne ledeset!!!) A Műszert mágnesesen is célszerű árnyékolni, (konzervdobozból kivágva , földelve ) S akkor már csak a gyári max.+,- 0,1V eltérést kéne látnod. Az a 0,02A =20mA Nem a műszer fogyasztása? A hozzászólás módosítva: Nov 21, 2024
Kíváncsi voltam, vajon mekkora ennek a Pzem-021 modulnak a fogyasztása, és mekkora tápfeszről is dolgozik. DC labortápról adtam a bemeneti kapcsokra egyenfeszültséget, de előtte rövidrezártam az 1µF-os kondenzátort, így csak az 51 Ohmos soros ellenállás maradt.
Bár az egész modul beleértve a kék háttérvilágítás ledeit is stabilizált 3,3V-ról üzemel, 10VDC alatt nem működik. A 3,3V az áteresztő stabilizátor kimenetén már 5V bemenő feszültség esetén is megvan, de a stabilizátor előtti nyers feszültséget egy ellenállás osztón keresztül figyeli a mérő IC, és 10V alatt lekapcsolja a háttérvilágítás ledeit, valamint leállítja a működést. Pontosabban ez a 10V a labortápról leolvasott érték, mert a soros 51 Ohmon és egy soros diódán is esik feszültség. Multiméterrel ellenőrizve a 470µF-os pufferkondenzátor sarkain ez a küszöb 8,6V. A bemeneti feszültséget 10-12V között szabályozva az áramfelvétel stabilan 6,1mA, 12V felé növelve az áramfelvétel növekszik, de ez a mérőmodul tápkörében lévő 12V-os zéner miatt van. A 6,1mA áramfelvételből a ledek a 330 Ohmos áramkorlátozó ellenálláson mért feszültségből számolva 2,4mA-t használnak, és ha a stabilizátor IC saját áramát nem is veszem figyelembe, a mérőmodul ledek nélkül 3,7mA áramot fogyaszt. Ehhez képest kicsit pazarlásnak tartom az 1µF-os előtéten folyó 230VAC táplálás esetén a 70mA áramfelvételt. Bár ennek nagy része meddő, mindössze az 51Ω-os ellenálláson 0.25W, a 12V-os zenéren pedig nagyjából 0,35W alakul át hővé. A méregetést csupán a kíváncsiság indítványozta. |
Bejelentkezés
Hirdetés |



















