Fórum témák
» Több friss téma |
Szia!
Szerintem bármelyik PROFET, amelyik pozitív ágat kapcsol és bírja az áramot/tápfeszt megfelel neked, lehet, még lábkompatibiliset is találsz. Van vagy 1000 féle. Elég egykaptafa. Szilárdtest reléÜdv mindenkinek!Érdekes jelenség van kibontakozóban, 40 A-es Szilárdtest relét /Aliexpresz/ építettem be ami 1500 W-os fűtőszálat vezérel. Minden jól működik, amennyiben megfordítom a polaritást,tehát a nulla vezetőt kapcsolom az SSR-el , valamilyen szivárgó áram keletkezhet! A fűtőszálat 4 W-tal elkezdi fűteni. Természetesen lekapcsolt állapotban. Amúgy nyolc éve jól működik, már az elejétől fogva tapasztaltam a jelenséget, de elfogadtam hogy fázis érzékeny. Ez természetes?Köszönöm a válaszokat. A hozzászólás módosítva: Dec 27, 2024
Szia,szerintem természetes,mivel a triak 4 kvadránsban gyújtható,és ha fázis-nullát cserélsz,akkor megváltozik a gyújtás,és csak annyira nyit ki.
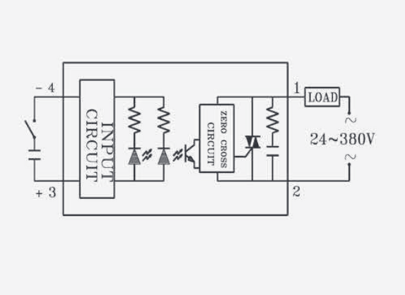
ez egy nagyon szemléletes kép A hozzászólás módosítva: Dec 27, 2024
Amit belinkeltél az igaz, de itt kikapcsolt állapotban folyik áram. Ami elég érdekes egy kétpólusnál váltóáramról.
Utoljára a porszívónk csinált ilyet, ha egyik irányból volt bedugva ment, ha átfordítottam a dugvillát nem ment. Megoldás, el volt törve a vezeték a dugvillánál. A hozzászólás módosítva: Dec 28, 2024
Nem is annyira érdekes, mert ugye ott van benne a fázis is ( a fütöszálon át, illetve ami itt is a helyzet, a fázis direktben ott van az SSR-en), mig a vezérlés (DC) ki tudja milyen potenciálon van, ha egyáltalán van rajta valamilyen potenciál a hálozathoz viszonyitva.
Viszont az SSR-ben vannak mindenféle kondik ( ilyen olyan védelemhez stb) amik egy potenciálmentes berendezésre is tudnak potenciált vinni, és ilyenkor zárodik a kör. (Az egyik ilyen SSR annyi zajt vitt vissza a DC oldalra, hogy az Arduino nem tudta kikapcsolni. Ott is csak a minusz polus földelése segitett). Azaz csak akkor müködik megbizhatoan, ha a DC oldal földelése ( minusz pontja) azonos potenciálon van a kapcsolt áramkör földelésével. Azaz az SSR 1:1-ben nem helyettesiti a relét, mert nagyságrenddel nagyobb a vezérlés belsö impedanciája mint a reléjé, azaz sokkal érzékenyebb, ha nincs jol kezelve. Sajnos a DC oldalrol az érzékenységet nem lehet csökkenteni. A hozzászólás módosítva: Dec 28, 2024
Üdv!
Ez nem természetes, valamilyen hiba van. Az adatlap max. 5mA-es szivárgó áramot enged meg, a 4W-hoz meg kb. 17mA tartozik. Én inkább kicserélném. Sajnos a Kínából jövő alkatrészek gyakran hibásak.
En több tucatot cseréltem amikor ilyen gondjaim voltak. [ fütésvezérlés]. Nem mind volt kinai, volt közöttük sok eredeti és régi 20-30 éves amerikai is. Minddel gond volt, mintha azota a meghajto elektronikák lettek volna érzékenyebbek. Akkoriban valahol olvastam, (mert az én kapcsolásomban is a fázis volt a megszakitott - mint a villanyelosztoban, illetve a kapcsolokban) hogy ezekkel az SSR-kkel alapvetöen ajánlott a nullást megszakitani a fogyasztokhoz. Kiprobáltam és nicsak mind megjavult.
![]() Azota nem foglalkoztam velük. Sok sikert!
Ahogy Massawa is írja,a passzív áramköri környezet biztosítja a részben nyitott állapotot az elméleti kikapcsolt állapothoz képest,ha a jól működő áramkörben a fázis-nulla párost felcseréljük.
Valójában a vezérlést is változtatjuk ezzel.
Szia,igen földelve van minden fém rész!
Amúgy szépen működik ha a fázist szakítom az ssr-el,fix helyen van úgyhogy nem változik a betáp! A másik érdekesség,hogy a berendezés elé /sorba/ kötött idökapcsoló ha olyan típus,hogy nem a fázist szakítja a reléje ,hanem a nullát OLYAN MINTHA OTTSEM LENNE!!!Kattanik a relé hallhatóan de nem szakít meg !!!Eddíg nem zavart mert minden a fázist kapcsolta,de miután a tizenöt éves időkapcsoló elromlott ,az új pedig nullát szakította előjöttek problémák!Azóta persze szét kaptam és átfordítottam az érintkezőit!Minden jól működik ,csak ÉRDEKES! Rendeltem még egy SSR-t,ugyan olyat és tesztelem majd az “asztalon “ is! A hozzászólás módosítva: Dec 28, 2024
Az adatlap szerint a két oldal galvanikusan nem érintkezik egymással.
Nekem az a gyanum, hogy hiba miatt a hűtőborda felé folyik áram és Fi-relé nincs. Idézet: Szerintem alaposan nézesd át azt a gépet mielőtt valakit nagyon megrázna az áram. „hanem a nullát OLYAN MINTHA OTTSEM LENNE!”
Rendben!
Bevallom én építettem ,és már 180h-t üzembiztosan működöt, és még most is megy ! Minden igényt magasan kielégítve!Fi-relé nincs a házban ahol használom,csak földelés!Ahol építettem ott viszont van /30mA/,nem volt semmi gond vele ott sem pedig pár órát ment!Mindent újra le modellezve csak az SSR-re szűkült a hibalehetőség!Ha megérkezik tesztelem.
Autómata Fogsor lefőző!Van benne víz /100C/, levegő / max 2 bár/,áram /AC-DC/ !
Az biztos, hogy van ott más gond is. A relének, legyen az elektomechanikus vagy SSR, teljesen mindegy, hogy a nullát vagy a fázist szakítja meg. Ha megszakítod vele a nullát és olyan, mintha ott sem lenne, valamint ha a fázist szakítod és nagy a szivárgó áram, arra utal, hogy valami nagyon nem kerek.
Attól mert már 180+ üzemóra van benne, még lehet veszélyes, a kettő nem zárja ki egymást.
Nem tudom hogyan működik egy ilyen gép, remélhetőleg csak a fogsort rakják bele páciens nélkül.
Máris kevered.
Olvasd vissza mit írt a kérdező,fázis bontásnál jól működik,nulla bontásnál nem. Amúgy ha bontod a nullát ezzel,akkor hogyan érzékeli a nulla átmenetet? Valójában a nullaátmeneti optotriak áramköri környezete amivel nem kalkulálsz a triak 4 kvadránsos gyújtás-cseréjénél. Nem pucér relé. És nem szakítjuk meg a fázis helyett a nullát sosem.
A kérdező azt írta, az egyik bekötésnél nem, a másik iránynál ~14mA áram folyik ( ami még nem kényszeríti a 30mA-es Fi-relét működésre ), nem vezérelt állapotban ( bár ez lehet olyan, mint a nem bekötött kapu a TTL áramköröknél, vezérlés nélkül is billeghet ). Ez abban az esetben lehet, ha a fázis, mint magas potenciálról másfele is folyik áram. Mert nem tudjuk , hogy ez a mérés a fáziságon történt csak, vagy a fáziság és a nulla is mérve lett, tehát az áramkörben folyik az áram és nem a föld felé.
Idézet: „Amúgy ha bontod a nullát ezzel,akkor hogyan érzékeli a nulla átmenetet? Valójában a nullaátmeneti optotriak áramköri környezete amivel nem kalkulálsz a triak 4 kvadránsos gyújtás-cseréjénél.” Csacsiság. A triak vezérlő folyamatosan az áramkörben van és tápot kap, csak ha engedélyezed, akkor vezérli a triakot. Így mindig tudja mikor van nullátmenet. Idézet: „És nem szakítjuk meg a fázis helyett a nullát sosem.” Igen, ez egy villanyszerelői praktikum, mert életvédelmileg indokolt. De áramkörileg teljesen mindegy.
Hello Jansiz! Mielőtt rendreutasítasz valakit, légyszíves gondold át amit írsz.
"Amúgy ha bontod a nullát ezzel,akkor hogyan érzékeli a nulla átmenetet?" Nos, pontosan ugyan úgy, mint amikor a fázist kapcsolja. Mert ha valami soros kötésben van, akkor fogalma sincs, hogy alul vagy felül van egy áramkörben. "Valójában a nullaátmeneti optotriak áramköri környezete amivel nem kalkulálsz a triak 4 kvadránsos gyújtás-cseréjénél." Köze nincs a dolognak a 4 síknegyedes gyújtáshoz, bárhol van is ebben az áramkörben. Az mindössze annyit jelent, hogy pozitív anód feszültség esetén is lehet negatív Gate feszültséggel gyújtani az eszközt és fordítva. De itt csak egy áramiránya lehet az anódnak és a Gate-nek. Tehát csak az I. és III. síknegyedben képzelhető el a gyújtás. Tehát nem cserélődik itt semmi, azzal ha nulla vagy a fázisoldalon van az SSR. Idézet: „Mielőtt rendreutasítasz valakit, légyszíves gondold át amit írsz. ” Ezt félreértelmezted,csupán a véleményemet írtam ide. Senkit nem utasítottam,de kérlek elemezd akkor,hogy mit értettél utasításnak:
Ezek szerint én félreértelmeztem, ahogy írtad. De ha így van, akkor bocsánat!
Itt a gyári ajánlás,csak hogy ne beszéljünk el egymás mellett,hogy lehet vagy nem lehet felcserélni a fázis-nullát SSR tekintetében,már ha valóban nullaátmenetes vezérlésről beszélünk.
Nem kell bocsánatot kérni,Bakman kolléga valóban keveri ha visszaolvassátok.
Más félreértelmezések is szoktak lenni,attól függetlenül hogy szakportál. Én szeretek pontosítani,ezt várom viszont is,én sem vagyok mindentudó.
Nem olvastam semmit félre.
Egy SSR nem tudja, melyik a fázis és melyik a nulla, teljesen mindegy, melyiket kapcsolod vele. Kikapcsolt állapotban a két bekötési pontja között mérhető a feszütség, bekapcsolva pedig a két pontja között nulla. Természetesen ideális SSR esetén.
Ezzel kezdett a kérdező,
Idézet: „Szilárdtest relé Üdv mindenkinek! Érdekes jelenség van kibontakozóban, 40 A-es Szilárdtest relét /Aliexpresz/ építettem be ami 1500 W-os fűtőszálat vezérel. Minden jól működik, amennyiben megfordítom a polaritást,tehát a nulla vezetőt kapcsolom az SSR-el , valamilyen szivárgó áram keletkezhet! A fűtőszálat 4 W-tal elkezdi fűteni. Természetesen lekapcsolt állapotban. Amúgy nyolc éve jól működik, már az elejétől fogva tapasztaltam a jelenséget, de elfogadtam hogy fázis érzékeny. Ez természetes?Köszönöm a válaszokat.” Idézet: „Bakman válasza andrÁSZ hozzászólására (») Válasz • 0:13 / Az biztos, hogy van ott más gond is. A relének, legyen az elektomechanikus vagy SSR, teljesen mindegy, hogy a nullát vagy a fázist szakítja meg. Ha megszakítod vele a nullát és olyan, mintha ott sem lenne, valamint ha a fázist szakítod és nagy a szivárgó áram, arra utal, hogy valami nagyon nem kerek.” Szóval itt van eltérés Idézet: „a kérdező,fázis bontásnál jól működik,nulla bontásnál nem”
Én részemről befejeztem ezt a témát,nincs mit hozzá tennem.
Akkor te is olvass vissza.
![]() Az időkapcsoló (ez a szó maradt ki a magyarázatból) hiába szakítja a nullát, mintha ott sem lenne. Az SSR hiába szakítja a fázist, marad szivárgó áram.
Ez a gyári ajánlás, a termék adatlapjáról. Semmi fázis, meg nulla....
Fotek SSR-40DA És az eredeti csatolt termék FQFER SSR40DA. |
Bejelentkezés
Hirdetés |










