Fórum témák
» Több friss téma |
Mielőtt kérdezel, a következő két dolgot ellenőrizd!
I. A helyes tápfeszültségek megléte.
II. A kimeneten van-e egyenfeszültség.
Élesztés.
Imént említette reloop. A kimenet pozitív félhullám a a sok tranzisztor miatt nem tud tápig elmenni, nagyobb feszültség marad bent. A szimmetrikus klippelés elérése céljából a pozitív táp oldalt meg kellett növelni. Ezért a látszólag aszimmetrikus tápfelezés.
Erre már reloop hozzászólásakor rájöttem, nem mondasz újdonságot.
Mármint a bus pumping hatását? Mert azt nemrég szimuláltam le, igaz CM2000-ben.
Igen. Az mindegy, hogy miben szimulálod, ha a rajz jó, akkor az eredmény is jó.
Azért akár PWM, akár AB, az ilyen virtuális GND esetében felmerül egy kérdés. Mekkora legyen a pufferkondik feszültség tűrése? Az alacsony frekvenciás kivezérlés miatti GND eltolódás elég nagy kapacitással olyan kis értékre szorítható, ami gyakorlatilag nem okoz gondot. Erősítő hibából eredő tápfeszre kiülő kimenet miatt viszont duplájára nőhet a feszültség a pufferkondik egyikén. A hangszórón ilyenkor csak a tápfelező áramkör árama folyna tartósan, ami 10-20mA nagyságrendű. A kétszeres feszültség terhelésű puffer kondenzátor viszont ha zárlatos lesz, a hangszóró nem éli túl. Ebben az esetben nem gondolom rosszul, hogy 2X50V tápfesz szűrésére érdemes inkább 100V-os kondenzátorok át használni?
Sajnos, ez is így van. Ami azért drágább és nagyobb. Hobbiszinten ez nem érdekes, de egy gyárban nem mindegy a költség. Szóval, én mégiscsak tennék valami crowbart be.
A relés védelmet is érdemes újragondolni. Azt most nem vitatom, hogy a jelútban mennyire rontja a hangot vagy sem, de abban sokan egyetértünk, hogy 35V felett nem egyszerű megszakítani az áramot. Pontosabban az egyenáramot. AC-t ugyanis nyugodtan bonthatunk relével, mivel 10ms-ként nulla V lesz a kontaktusok között, ezért a bontáskor kialakult ív is legfeljebb eddig, pontosabban eddig se tart. Ha a tápegység primer vagy szekunder AC oldalán bontunk relével, az mennyire lehet életképes?
Sajnos, van ív DC-n, ezzel nincs mit tenni. Egyszer megkérdeztem a Kaszab Bélát ( Castone ), hogy ezt hogy oldják meg. Azt mondta, két érintkező sorban és még szét is hajlítgatják, hogy nagyobb legyen a távolság. ( Nehezen hihető. )
A primer, vagy szekunder oldal bontása? Nem tudom. Kicsit gyanús, hogy a pufferkondik energiáját a hangszóró nyeli el. Biztosan kibírja? Valami olyasmi jutott eszembe, hogy két sorbakapcsolt FET szakítsa meg a hangszóró áramkörét. Persze nagy FET kell... A crowbar elvileg jó lenne, persze nem a szokásos triac, meg néhány passzív alkatrész, mert a triacnak is van szétterjedési ideje, aztán ha a kialakuló di/dt túl nagy, akkor a triac örökre bekapcsolva marad. Tehát egy rendes gate meghajtás kell neki, ami már nem egyszerű. És persze elég nagy triac kell bele, mert ezek nem tudnak annyi lökőáramot mint a tirisztorok. Ha meg tirisztort használunk, hát az még bonyolutabb. Szóval, én nem látok igazán megbízható megoldást, pedig a PA-knál ez alapvető követelmény.
Talán már valaki írta, meg én is jeleztem elektromos targonca javító projektemnél a mágneses ívoltás (ívkifújás) lehetőségét.
A pufferkondikban tárolt energiát lehet korlátozni a kapacitások limitálásával, azaz nem kell a szükségesnél nagyobb kapacitású kondenzátort használni. Ezt kapcsolóüzemű tápegységnél nem is nehéz kivitelezni, ráadásul egy kombinált zárlat, DC ofszet stb. hiba esetén csak egy leállító parancsot kell adni mondjuk a tápegység fet meghajtó áramkörének. A mosfetes kapcsoló elméletileg működik, nekem egy 100W-os aktív szobai mélyláda lett kiegészítve ilyennel. De mivel még nem kellett sem hangszóró zárlat, sem végfok meghibásodás miatt aktivizálódnia, jelenleg csak koppanásvédőként funkcionál. Igazából még nem is találkoztam olyan védelemmel, ahol egy hiba után nem kellett javítani valamit.
Én pár éve első teljesítményerősítő gyanánt az Orion mini erősítő (SE1025) végfokját raktam össze pont azért, mert viszonylag kevés alkatrészből álló gyári kapcsolás és beállítani se kell semmit. Összeraktam és szólt, még azt is kibírta, hogy amúgy a nyáktervet egy helyen elrontottam és a bemeneti fokozat negatív tápja helyére GND került vagy valami ilyesmi
Kérlek légy elnéző amiért Téged pécézlek ki, hogy kiírjam magamból a gondolataimat. Az általad felvetettekhez kapcsolható leginkább mivel vívódom amikor klaviatúrát ragadok ebben a topicban.
Igazából úgy kéne kezdeni, hogy a kérdező pipát tesz egy négyzetbe, mellyel elismeri, tisztában van a kockázatokkal és innen minden a saját felelősségére... Utána olvashatná el a választ. Már annak is örülök, hogy csak(!) 100 V-tal babrál a kolléga. A wattokat tegyük félre, a ±50 V ott lenne a keze alatt ha csak egy VF2-VF6-ot rak össze negyed ennyi alkatrészből. A Baji-féle FET-es néven elhíresült építő csomag ehhez nagyon hasonló a topológia. Azt már összerakta boldog-boldogtalan és csak elvétve akadt ami nem indult elsőre. Leginkább Anthony E. Holton-t emlegetik a kapcsolás megalkotójaként, de párhuzamosan, tőle függetlenül más fejlesztők is jutottak erre a nagyon kézenfekvő megoldásra. Személyesen is érintett vagyok, mert ez szól itt mellettem a műhelyben. Az, hogy FET, vagy komplementer darlington van a végén csak részletkérdés. Legyen szó építésről, javításról kell áramkorlátos labortáp a kívánt darabszámban, szkóp (mindezek érintésvédelmi tanúsítvánnyal), 1-3 DMM, alkatrész-teszter és műterhelés. Ezek nélkül csak kínlódás van - ilyen ez a popszakma ![]() Említed a nyugalmi áramot. Jelen kapcsolásban a végtranzisztorok árammentesek a nullátmenet közelében. ±0,6 V kimenőjel amplitúdóig csak a meghajtó tranzisztorok emitter-ellenállásain folyik a hangszóróáram. Amit nyugalmi áramnak nevezhetünk, az hidegen 2 mA, de melegen sem lesz több 4-5 mA-nél. A keresztezési torzítás nem valami fényes, de ebben a kategóriában még senki nem reklamált. Az áramkorlát nem csodaszer. Van aki a végerősítővel szemben elkövethető legsúlyosabb bűnnek tartja, példának Rod Elliott jut elsőként eszembe. Hát nem is szép dolog eltorlaszolni a jel útját egy átfogó visszacsatolású körben. Finoman ki kell dolgozni, hogy ne legyen belőle gerjedés. A Quad mérnökei is nekifutottak párszor, míg a 405 egy beszúr öcsipanellel nyerte el a végleges formáját. A csúcsáramra állított korlát csont zárlatnál viszi a végtranyót, a visszahajló karakterisztikájú pedig küzd az áram és a feszültség fáziskülönbségével. Minden esetre, az áramkorlátozó csak akkor hasznos, ha tartós túláram esetén kíméletlenül lekapcsol az erősítő.
Pedig működik az, csak akkor kevésbé ha nagy fesz van meg lassú a táp. Autós végfokban ahol csak 70V van, meg kapcsitáp amihez nem kell nagy puffer, minden gond nélkül leáll a táp ha baj van. És az áramkorláttal is ugyanúgy teszi a dolgát. Nekem van egy Macrom-om, sajnos nincs rajz róla, egyszer még amikor javában tuctuc zenét hallgattam és mentem hazafele eldurrantottam vele az épp aktuális ládában a mélynyomót. Nem is kapcsoltam ki azonnal, mert először nem értettem hogy mi történt, miért van csend, és még ment a végfok vagy fél percig. A mélynyomó zárlatba ment, arra dolgozott a végfok, illetve nem dolgozott mert tiltotta a tápot. Mélyláda csere után ment tovább mintha mise történt volna.
Aztán az megint lehet egy jó kérdés, hogy most akkor hol jó vagy nem jó egy fet a jelútban, magában a végfokban, a tápban, vagy a kimeneten crowbar-ként.
Az 1977-ben gyártott Hitachi HMA8300-as végerősítőben túláramnál lekapcsoló tirisztoros védelem volt. Amikor a beállított áram határértéket elérte a kimeneti végtranzisztor, akkor a tirisztorral minden tranzisztor áramát megszüntette.
https://elektrotanya.com/hitachi_hma-8300_sm.pdf/download.html Konkrét esetben megtörtént, hogy a két végtranzisztort zárlatba vitték, de minden más félvezető épen maradt ![]() TJ.
Hát, ugye relét használnak. Ha nagyobb áramú, akkor mágneskapcsolónak hívják. Ha DC-t meg tud szakítani, akkor kontaktornak. Pedig kitalálhatnának ívoltó kamrás relét. Nem baj ha nagyobb, de jó legyen. Hát, én nem tudok ilyenről.
Kicsit más: Karesz50 azt mondta, hogy ezek az általánosan használt áramkorlátok sem jók, beleszólnak a hangba. Amit néztem szimulátorban, úgy csinálja, hogy amint megszólal a védelem, azonnal megjelenik a keresztezési torzítás, pedig ott kicsi a jel, kicsi az áram. Egyáltalán nem értem a miértjét. Szóval vannak azért sötét dolgok. Idézet: pl:„...Pedig kitalálhatnának ívoltó kamrás relét...” https://components.omron.com/us-en/products/relays/power-relays/dc-...atures A hozzászólás módosítva: Jan 28, 2025
A vasúti vontatójárművekben használják 100 éve, tehát ki van találva egy ideje az ívoltó kamrás kontaktor, ahogy a sűrített levegős ívoltás is.
Ma már több is van, hiszen a napelemekhez is ilyen kellhet.
Massawa, tufatofu:
Igen, tanultam ilyesmit. De ugye nem gondolod, hogy egy erősítőbe belefér? Ezért írtam, hogy kontaktornak hívják. A hozzászólás módosítva: Jan 28, 2025
Ezt ki kellene próbálni. Nem egyértelmű a sebessége. ( 400V 15A )
Egy ilyen azért elfér, ha ez az igény.
Nekem nem kell, hisz te fogalmaztad meg az igényt.
Dehogy neheztelek, köszönöm a válaszod. Már csak egy dologban maradtak fenntartásaim: Egy kezdő, ha a saját kárán tanul, nem szerencsés a tanácsadó számára sem. A műszerezettlenséget, tapasztalat hiányt tekintve fenntartom, azért mert valaki vállalja a kútba ugrást, még nem kezdek rögtön az ugrás stílusáról adni tanácsokat.
![]() Igen, lehet úgy is, saját kárán tanulni dolgokat. Egy nem teljesen idevaló történet: Egy régi modellező barátom elmesélte, hogy kezdőként - felnőttként - hogyan tanította meg egy tapasztalt kollégája modellrepülőt vezetni: Az esetleg évig épített - kitek hol lettek volna ezelőtt 60-70 évvel? - kivitte a reptérre, a tanító felszállt a modellel, átadta a vezetést, iskolakörökre.. A tanuló, mivel közeledni látta a pálya széli erdősávot: - Forduljak? - Menj csak nyugodtan még. Ez a kérdés 3x elhangzott, és a menj nyugodtan. A modell annak rendre módja szerint szafatokra tört a fákon. A tanuló: - Józsi, miért engedtél rá a fákra??? A válasz, nevetve (!) b+ én is 5 gépe törtem össze, mire megtanultam modellrepülőt vezetni.... - Na igen, de nekem nem lett volna most muszáj. - jött a szomorú felelet. ...A másik: Katona korunkban az egyik társam, előtte kaszkadőr volt, azt mondta, odaáll a falhoz és én teljes erőből vágjam gyomorba, ő ezt simán vállalja, tegyem meg. Rövid gondolkodás után azt mondtam, nem. Én aktív küzdő-sportoló voltam, jutott eszembe, ha szétmegy a nagy ér ott a gyomorszájnál...? A hozzászólás módosítva: Jan 29, 2025
Azok amik most vannak a napelemes szerkezetekben már beférhetnek egy komolyabb erösitöbe a méretük azonos ( mert ilyen kell) a kismegszakito méreteivel.
Ha lenne igény biztosan kisebb is lehetne. Azért az lényeges különbség, ha te tanultál ilyesmit, más meg használt vagy látott ilyet mostanában A hozzászólás módosítva: Jan 29, 2025
Valami linket tudnál ezekről küldeni? Különös tekintettel az árukra. Tudod, én csak tanultam és nincs akkora fogyasztásunk a villanyból ( 7000,-Ft havonta ), hogy megérje a napelem. Ennek folyományaként, nem ismerem ezeket az eszközöket. Tehát, a segítségeddel most böviteném a tudásomat.
A hozzászólás módosítva: Jan 29, 2025
A PV DC oldalára nem relét hanem kismegszakítót hasznának, kb. ilyen van nekem is, az áruk sem vészes, csak a feszültségüket kell megnézni, mert van ami csak 220V-os mint ez is (nekem pont elég). Meg csatolok egy DC reléjét az Omron-nak ez 400V-ot is meg tud szakítani.
Ne nekem küld a linkeket, a kolega kérte.
Nekem nagyon gyanúsak ezek a dolgok. Hogy kell érteni az 50ms időt? Mert az kétségtelen, hogy meg tudja szakítani a DC-t, de mennyi idő alatt? Ez alatt nincs az a hangszóró, ami kibírna mondjuk 1000A-t. ( Egy nagyobb PA-ban biztosan tud a táp ennyi áramot, lévén hogy jó sok puffer van benne.)
Mit választ le a napelemeknél egy ilyen kismegszakító, vagy kontaktor, vagy akármi? ( Nem értek hozzá, azért kérdezem.)
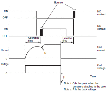
"Release Time
The time from the moment the rated voltage is removed from the coil until the contacts release...." https://www.ia.omron.com/support/guide/36/explanation_of_terms.html A hangszóró impedancia Rdc komponense: -névlegesen 8 Ohm-os hangszóró: ~6,5-7,5 Ohm -névlegesen 4 Ohm-os hangszóró: ~3,0-4,0 Ohm A hozzászólás módosítva: Jan 29, 2025
|
Bejelentkezés
Hirdetés |










