Fórum témák
» Több friss téma |
Mielőtt kérdezel, a következő két dolgot ellenőrizd!
I. A helyes tápfeszültségek megléte.
II. A kimeneten van-e egyenfeszültség.
Élesztés.
Ha nem 1000A, akkor csak mondjuk 300.
Egyébként a működési időkből látható ( 50 és 30 ms ) hogy ez relé, vagy akármi arra jó, hogy ne gyulladjon ki a ház, de erősítőbe? Vagy van ahol ezt mégis használják erre a célra? Link? Gyári erősítőbe másik végfok építhető e?Sziasztok!Nagy segítségre lenne szükségem! Mellékelt pdf dokumentumban szereplő erősítőbe építettem egy végfokot, amivel meggyült a bajom! Sajnos sehogy nem tudom rávenni, hogy működjön a hangszín szabályzás, az a selytésem, hogy elektronikusan vezérelte az stk bizonyos bemeneteit! Bemenetre kötve a tone részt működhet a dolog, vagy sem? Van e rá megoldás? Nagyon szépen köszönöm a segítségeket! D osztályÜdv!A D osztályú erősítőm kimenetén jel nélkül lehúzott potival ezt mutatja a szkóp, 10us 1V állásban. Megtudja valaki mondani mi ez? Tettem rá műterhelést ugyan ez van akkor is. Trafós táp 35V egyenáram, 2x4700uF+100nF. A hozzászólás módosítva: Jan 29, 2025
Megnéztem a manualt, ez így rendben van. Viszont lehet hogy nem jól fogalmaztam, de én az üzemszerűen beavatkozó védelemre gondoltam. Az, hogy túláram vagy zárlat esetén kekapcsol az erősítő, az otthon rendben van. Ha viszont hangosítás közben történik ez, az nem kedvező.
A szkóp ábra lemaradt, de talán a vivő maradék?
Közben a kép is megjött, valóban az. Nagy teljesítményű erősítőkben tesznek a kimenetre utólagos szűrőt. Ez főleg hosszú hangsugárzó vezeték esetén ajánlott. De gondolom valami szabály is lehet a kisugárzott zavar korlátozására. De ha valóban 10us/div a méréshatár és nincs feltekerve a nyújtás gomb, akkor a periódusidő 40us. Ez 25kHz. Ilyen alacsony vivőt csak autós szub végfokban láttam. A hozzászólás módosítva: Jan 29, 2025
Egy kilowattos erősítőben aligha...
Nem erre voltam kíváncsi, a relé nem ide való. Arra lettem volna kíváncsi, hogy az általad linkelt DC reléket(?) használják e erősítőbe.
Nincs ilyen relém, nem tudok rá mit mondani, meg hát ott van a 10. pontban még az is, hogy az értékek csak rezisztív terhelésre igazak.
A napelemeknél a kismegszakító kb. semmit nem választ le, mert olyan értékű és karakterisztikájú nem létezik ami az üzemi áramot még átengedi a zárlatira meg leold, lévén hogy az üzemi és a zárlati áram értéke alig térnek el egymástól. Arra való, hogy ha valamiért le kell választani a DC-t (karbantartás, tisztítás, tűzeset, stb) arra pont megfelel.
Akkor ez semmi egyéb, mint szakaszoló. Egyes villanypóznák tetején látni ilyeneket, kézi működtetés, egyszerű.
Elméletileg olyat is lehet csinálni, hogy az üzemi maximális áramnál nagyobb áramkorlátot használnánk. A félvezetőknek pedig tartósan bírniuk kellene ezt akár rövidzár esetén is. Persze kilowattos PA erősítők így nem gazdaságosak, de mondjuk ha itthon 2x35V-ról 8 Ohmra dolgozó erősítőben gondolkodok, akkor miért ne?
Szerencsémre csövest hallgatok, ott fel sem merülnek ilyen problémák (drót hajtja a drótot).
Ha meg falat kell bontani arra ott a D osztály, azon nagyon korrektül működött nekem az a lekapcsolgatós izé, rövidre zártam a végfokot kimentem a konyhába tenni venni, visszamentem, levettem a rövidzárat és szólt tovább.
D osztályban egyszerű. Ott a kimeneti fojtó, ami korlátozza a zárlatban kialakuló árammeredekséget. Vagyis van idő az akármilyen beavatkozásra.
Akkor ez rendben van ennél a fajta erősítőnél.
A nyújtást nem is néztem. Köszönöm a segítséget! Kapisgálom mostmár azt is, hogy kell frekvenciát számítani (1000000/40=25000hz). Még annyit segíts -had tanuljak-, hogy miért 4 kockának számoltad? Én három kockának számoltam volna. UtánépítésSziasztok!Nagy segítségre lenne szükségem! Mellékelt pdf dokumentumban szereplő erősítőbe építettem egy végfokot, amivel meggyült a bajom! Sajnos sehogy nem tudom rávenni, hogy működjön a hangszín szabályzás, az a selytésem, hogy elektronikusan vezérelte az stk bizonyos bemeneteit! Bemenetre kötve a tone részt működhet a dolog, vagy sem? Van e rá megoldás? Nagyon szépen köszönöm a segítségeket!
Igazad van, 3 kocka. Akkor pedig 33kHz.
Amúgy milyen végfok ez? Szélessávú PWM erősítők 250-400kHz között szoktak dolgozni.
A linkelt erősítőben az STK hibrid műveleti erősítőként van használva. A hangszín áramkör a visszacsatoló körben van, ezért bármilyen másik végfok beszerelése esetén csak akkor fog működni, ha azt ugyanúgy használod.
Milyen végfokot tettél bele? Rajzold le az új huzalozást, abból lehet valamerre elindulni.
Köszönöm a gyors válaszaszt!
Mellékeltem a kapcsolást amit megépítettem! Nekem kicsit magas, de mitha szimmetrikus bemenet kellene a szinező működéséhez... A hozzászólás módosítva: Jan 29, 2025
Igazából semmit nem csináltam, csak a megépített erősítő bemenetét bekötöttem az stk 3. Lábának helyére.
TPA3255. De valami nem oké a szkópommal.
Adtam neki 2500hz-et, próbaltam a nyújtást 4 kockára vinni. 1ms állásban így néz ki. Ennek akkor nem 250hz-nek kellene lenni?
A potival tekerhető nyújtás esetén, a kapcsoló skálája, csak a poti megjelölt végállásában hiteles, ha eltekered a potit, akkor már nem 1ms/osztás-al mér. Persze a képen nem látszik az egész szkóp, így a poti állása sem... A gombbal ki/be kapcsolható nyújtás (nem emlékszem, hogy ezen a szópon van-e és mennyit nyújt) esetén a nem nyújtott állapotban hiteles a kapcsolóállás, egyébként az idő n szer kisebbnek tekinthető.
A hozzászólás módosítva: Jan 29, 2025
A Tpa3255 az adatlap szerint 450-600kHz közötti vivőt alkalmaz a beállítástól függően, tehát ebben a tartományban kellene mérni.
Szkópos mérésnél a nyújtás gombokat mind az "X", mind az "Y" eltérítésnél a "cal" helyzetben kell hagyni, hogy hiteles eredményt mutasson a műszer. Ha már meg van a mért érték, akkor lehet a nyújtás gombokkal játszani a hullám alak jobb lálhatósága érdekében, de akkor azt már nem tekinthetjük mérésnek. Szkópokon általában van még "10X" kapcsoló is, azt is figyelni kell, mert becsaphat minket. Mérd meg a szkóp saját kalibráló jelét. Arra rá is van írva hogy mekkora. Többnyire 1kHz négyszög jel 1-5V.
Így természetesen érthető, hogy a hangszín szabályzó hurkot kikerülve nincs szabályzás lehetőség.
Most bekötöttem a tone részt, az álatalam épített erősítő r2, és c2 közzé, ami annyi eredményt hozott, hogy minimálisan hallani a szabályzást! Nem tudom, hogyan lenne jó..
Na ezen nincs kalibráció, se 10x gomb. Egyszerű kis EO211. A nyújtás potija meg látszik a képen a felső poti belső része a szürke tekerenyűvel. Egyébként 2,5szerest nyújt.
De ha azt veszem, hogy 10szer kevesebbet mér akkor a vivő olyan 330khz lehet.
Valós hangsugárzó impedancia, névlegesen 8 Ohm, min.6,25.
+-150V tápfeszültségű erősítő, amely 0! s alatt 0Ohm-ra!! bezárlatosodva kiül a + tápra. ( A valóságban nincs ilyen, ekkora tápfeszre 2 vagy 1 lépcsős H osztályú végfokot használnak, amely több soros elemet jelent, a bezárlatosodott tranzisztor soros 0,22-0,33 Ohmos ellenállásán kívül is...)
Szia! Lerajzoltam. Kiveszed amit áthúztam, adsz a panelnak ± tápot, a D1 Zener-nek testet és a jelölt pontokat bekötöd az STK helyére. Így lesz meg az erősítése és a hangszínszabályzása.
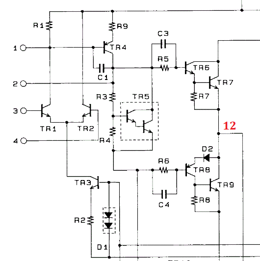
Szerk.: a második ábra mutatja mi volt az STK-ban. A hozzászólás módosítva: Jan 29, 2025
Köszönöm!
Mindíg lenyűgözött a tudásod, viszont nekem kicsit magas! Pl t1, t2 básait össze kell kötni? Ugyanis ott eltűnik minden ami közte volt! Aztán, ha c2, r6 kivettem, akkor gondolom nem kell 0ra kötni a t1, t2 bázisát...
Esetleg más opció, hogy ne kelljen szétszedni, a szép kis panelt?
Választanod kell, hogy kiveszed a működést gátló alkatrészeket, vagy benne hagyod és építesz külön hangszínszabályzót, esetleg lemondasz róla.
A visszacsatoló kört át kell venned az STK mellől, különben nincs rendes hangszínszabályzás. A 3. ábra mutatja mi lép a panelben a lehúzott alkatrészek helyébe. A 4. ábrán láthatod hogyan épül be a visszacsatoló körbe a hangszín, a Loudness és a Direct szolgáltatás. Ezek nyakán nem ülhetnek ott az erősítő hasonló funkciójú alkatrészei.
Ha végig tekergeted az időalap kapcsolót akkor mindenhol mér valamit? Előfordulhat, hogy el van csúszva a tengelyen a gomb. De ez csak ötlet.
A 330kHz nem lehet valós, legalább 450kHz kell legyen. Ez gyári minimum. Ha meg volt piszkálva a szkóp az is sokat elvisz a mért pontosságból. |
Bejelentkezés
Hirdetés |






Ha meg falat kell bontani arra ott a D osztály, azon nagyon korrektül működött nekem az a lekapcsolgatós izé, rövidre zártam a végfokot kimentem a konyhába tenni venni, visszamentem, levettem a rövidzárat és szólt tovább. 








