Fórum témák

» Több friss téma
Fórum » Elektronikában kezdők kérdései
- Ez a felület kizárólag, az elektronikában kezdők kérdéseinek van fenntartva és nem elfelejtve, hogy hobbielektronika a fórumunk!
- Ami tehát azt jelenti, hogy a nagymama bevásárlását nem itt beszéljük meg, ill. ez nem üzenőfal!
- Kerülendő az olyan kérdés, amit egy másik meglévő (több mint 17000 van), témában kellene kitárgyalni!
- És végül büntetés terhe mellett kerülendő az MSN és egyéb szleng, a magyar helyesírás mellőzése, beleértve a mondateleji nagybetűket is!
Lapozás: OK   271 / 4065
(#) mdecsi hozzászólása Aug 16, 2008 /
 
Sziasztok!

Építettem egy kapcsolóüzemű dc-dc átalakítót, konkrétan ezt:

http://www.talkingelectronics.com/projects/LEDTorchCircuits/LEDTorc...1.html

Próbapanelon működik gyönyörű szépen minden rendben van vele. Rákapcsoltam a led két lábát szkópra hogy lássam a jelalakot, a kitöltést, a kapcsoló frekvenciát, stb...

Egy TV Miniscope-3 nevű csodám van és a mellékelt képet kaptam.

Egy osztás 5 mikroszekundum és ezen kívül még meg is van nyújtva vízszintesen ötszörösére a kép. Ha jól számolom, így 1/5*10E-6 azaz 20000 khz esik minden egyes osztásra, tehát a teljes képernyőn (6 osztás) 1.2 MHz egy periódusát kell látnom, ami még 5szörösen meg van nyújtva, tehát valójában 6 MHz egy periódusa tölti ki.

Látható, hogy egy osztásban 5 tüske van iszonyatosan összenyomva. Ez józan paraszti ésszel azt jelentené, hogy a szerkezet 30 MHz-en oszcillál, ami ki van zárva. Ez jellemzően 50-500 kHz között szokott kapcsolgatni.

Nem tudom elképzelni, hogy a szkópommal ezt ne tudjam megfigyelni. Mégis csutkára kihajtva is felismerhetetlen jelalakot kapok annyira össze vannak torlódva.

Valamit egyértelműen rosszul csinálok. A számításomban van a hiba?

Két dolgot kell hozzátennem:

1. Nincs normális mérőkábel, két mezei vezetékkel kapcsolódtam rá a szkópra.

2. A CRT meglehetősen hervatag már és maszatol rendesen, fókuszt nem lehet jól beállítani. Ettől most tekintsünk el.

Nem értem...

1.JPG
    
(#) bancsi15 hozzászólása Aug 16, 2008 /
 
Sziasztok!

Ha párhuzamosan kötök 2db 4.5V-os elemet, akkor elvileg ugyanúgy 4.5V-os feszültségű, de erősebb(tovább bírja) telepet kapok ugye?

Köszi
Üdv.
(#) Norberto válasza bancsi15 hozzászólására (») Aug 16, 2008 /
 
Igen, viszont arra mindenképp figyelni kell, hogy szinte teljesen azonos "kezdőfeszültségűek" legyenek! Különben az egyik terheli a másikat, és az nem jó...
(#) Bedy válasza zolee1209 hozzászólására (») Aug 16, 2008 /
 
Lehet hogy röhögni foksz ...de úgy érted a terhelést hogy 4,5 V ra kössek rá egy erre passzoló villanymocit és mérjem meg a feszt, akkor 4,5V kéne lennie?
(#) szamóca válasza Bedy hozzászólására (») Aug 16, 2008 /
 
Ha a táp pl 500mA-es 12V-on, akkor terheld olyan 12V 6w-os izzóval és akkor mérj feszt a tápágban.
(#) Maverick91 hozzászólása Aug 16, 2008 /
 
Sziasztok,

egy 2 X 12V-os (+/-) táp rajzot szeretnék tőletek kérni.

Köszi:

Maverick
(#) szamóca válasza Maverick91 hozzászólására (») Aug 16, 2008 /
 
Balra, kiemelt fórum témák, Kezdő kérdések.
(#) szabi83 válasza Maverick91 hozzászólására (») Aug 16, 2008 /
 
2x9VAC-s trafót vegyél,[off] 1000W-ossat, ez stabil lesz
(#) zolee1209 válasza Bedy hozzászólására (») Aug 16, 2008 /
 
Igen, így értettem!
(#) proli007 válasza mdecsi hozzászólására (») Aug 16, 2008 /
 
Szia!

Hát elég érthetetlen, és értékelhetetlen ez a szkóp kép. (többek között túl nagy is az Y érzékenysége)
Egyébként a halom kapcsolásból nem árultad el, melyiket építetted meg. Nem mint ha a kérdés szempontjából számítana..

Ha egy osztás 5usec és 5szörösre van nyújtva, akkor egy osztás, 1usec azaz 1MHz/Div (6 osztásnál ez csak 166kHz)

Tehát ha egy osztásban 5 tüske van, akkor az 5MHz. (Én egyébként 7 periódust látok a képen)

Minden esetre, ha az ember érthetetlen jelalakot lát, érdemes a szkópot lelassítani is (és indított üzemmódban szinkronizálni, ha van ilyen), hogy nem krepeg-e (kapod össze vissza) véletlenül az áramkör. Mert az olyan mint egy moduláció, és ezt az egyszerű szkópok, nehezen szinkronizálják, és lehet egymásra rajzolnak több görbét és akkor gyorsabbnak néz ki a jel. (Nem biztos, hogy itt ez van, de..)

Mezei kábellel elég nehéz mérni, hogy ne befolyásold a mérést nagyfrekin és akkor ha leveszed a szkópot, már nem is az a jelalak mint amit a szkóppal néztél.
Ha próbapanelen van, akkor érdemes egy emitterkövetőt bebiggyeszteni, és arra a szkópot. Annak visszahatása, biztos hogy kisebb mint a szkóp+kábel.

üdv! proli007
(#) mdecsi válasza proli007 hozzászólására (») Aug 16, 2008 /
 
Üdv!

Ezt építettem meg:

http://www.talkingelectronics.com/projects/LEDTorchCircuits/images/...tB.gif

Átépítettem az áramkört erre:

http://www.cappels.org/dproj/ledpage/dclit.gif

Igazából csak annyi a különbség, hogy az ellenállás átkerült a tekercs és a bázis közé, ez gondolom lényegtelen. A 10 nF viszont a leddel párhuzamosan van.

A cucc remekül működik és most produkálja azt a képet, ami a nagy könyvben meg van írva. Kép mellékelve.

Beraktam a tranzisztor bázisára az ellenállás helyett egy 250k-s potmétert. Finoman állítva elő tudtam állítani olyan jelalakot ami nagyon hasonló volt ahhoz a képhez amit először küldtem.

Meglehetősen gyakorlatlan vagyok szkóp használatában. Valószínűleg csak egy olyan állapotot hoztam ki, amikor a szkóp valami miatt nem tudott normálisan szinkronizálni, ahogy te is írtad.

Köszönöm a segítséged!

2.JPG
    
(#) Bedy hozzászólása Aug 17, 2008 /
 
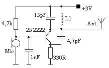
Csak azt szeretném megtudni hogy a mikrofon,az 1nF os, a 330Ohm os alkatrészeknél mér nem kapcsolódik az egyik vég sehova?Azokat hova kéne kötni? Földejjem el csak úgy ?
Mellékelem a kapcs rajzot
(#) zsuscsinyo válasza Bedy hozzászólására (») Aug 17, 2008 /
 
Azok a végjelek a földelést jelzik, tehát amin ilyen "fordított T" van azok összekapcsolódnak, ez az áramkörnek a földpontja. Csak azért van így mert esztétikusabb és könnyebben át lehet látni.
(#) Bedy válasza zsuscsinyo hozzászólására (») Aug 17, 2008 /
 
szóval azokat csak simán kössem össze?
(#) zsuscsinyo válasza Bedy hozzászólására (») Aug 17, 2008 /
 
Igen
(#) Crea hozzászólása Aug 17, 2008 /
 
sziasztok!
555-ös Ic-hez mekkora a legkisebb kapacitás amit még elvisel? (15-20 Khz jel előállításához kell) másik dolog pedig létezik-e léptető IC ami egy bemenő jel hatására a következő lábon ad jelet (tom PIC-kel könnyebb lenne csak sajnos programozó készülékre nincs pénz, egyet próbáltam építeni erről az oldalról Link csak 670uhenrit nem kapok illetve egy zéner diódás MOSFET állítólag (IRF9Z34) nem létezik az eladó szerint, de ugyanez a személy elöttem jelentette ki hogy fogalma sincs mire jók "ezek" a FET tranzisztorok, persze szakértelem azért van... ) Minden ötletet elfogadok, előre is köszi....
Ha esetleg valaki PIC témában tudna mondani valamit, hogy azt a sz**t mivel tudnám helyettesíteni annak is nagyon örülnék...
(#) Frankye válasza Bedy hozzászólására (») Aug 17, 2008 /
 
Igen, és tedd földpotenciálra!
(#) rannek hozzászólása Aug 17, 2008 /
 
heló szeretném megkérdezni hogy ez minek a kapcsirajza?


Bővebben: Link
(#) jdani hozzászólása Aug 17, 2008 /
 
helló. szükségem lenne egy bipoláris 4u7 kondira. ez megfelel?

DSC00734.JPG
    
(#) mex válasza jdani hozzászólására (») Aug 17, 2008 /
 
Igen.
(#) rannek hozzászólása Aug 17, 2008 /
 
szal senkinek semmi ötlete?
(#) gtk válasza rannek hozzászólására (») Aug 17, 2008 /
 
Szia !

Ugy nez ki mint egy fejlesztopanel.
Ket alacsony fogyasztasu mikrovezerlo is van benne. Szoftver (forraskod) nelkul nem nagyon deritheto ki hogy mire jo ebben a fomaban. 32768 Khz orakvarcot hasznal, ebbol gondolom hogy lehet benne ora.
(#) Crea válasza rannek hozzászólására (») Aug 17, 2008 /
 
8-bites mikroszámítógép ^^
(#) Csaplar hozzászólása Aug 18, 2008 /
 
Sziasztok!

Lenne egy kérdésem!
Az lenne a feladatom, hogy egy teleszkópos nyélről meg kell állapítanom, hogy mennyire van kihúzva.

(mint pl. egy teleszkópos antenna)

Milyen elektronikai megoldásai lehetségesek ennek?

Az antenna végére valami érzékelő?

Valakinek van valami ötlete?

Köszi előre is!
Üdv.
(#) zsuscsinyo válasza Csaplar hozzászólására (») Aug 18, 2008 /
 
Az én elgondolásom a következő lenne:

Előszöris enkóderen alapulna, (bár nem tudom milyenek a méretek és mekkora kivitelezés kellene) a teleszkóp végére vagy kívül vagy belül egy vékony damil vagy esetleg más ami forgatná az enkódert (ilyen van pl. a golyós egerekben) amit PIC-el, leadott impulzusok számából ki lehet következtetni a hosszúságot. Ez amolyan "digitális mérőszalagra " hasonlítana. Ez az én elképzelésem.
(#) zsuscsinyo válasza Csaplar hozzászólására (») Aug 18, 2008 /
 
Ilyesmire gondoltam
Bár ezesetben a két opto elhelyezése lehet macerásabb, de léteznek ún. rotary-enkóderek is.

Mero.jpg
    
(#) Csaplar válasza zsuscsinyo hozzászólására (») Aug 18, 2008 /
 
Köszi az ötletet.
Ennek hol lehet esetleg pontosabban utána olvasni?

A képet hol találtad?

Köszi
(#) Frankye válasza zsuscsinyo hozzászólására (») Aug 18, 2008 /
 
A mechanikai kialakítás során ügyelj rá, hogy amikor "felhúzod" az antennát, akkor viszi a damilt, de amikor visszatolod, akkor Neked kell gondoskodnod a visszacsévélésről. (Rotary encoder esetén ez természetesen nem áll fenn...)

Szerk.:
Bocs, a válasz természetesen Csaplar-nak szólt!
(#) Szebence hozzászólása Aug 18, 2008 /
 
Sziasztok!

Oéyan kérdésem lenne, hogy milyen nagyfényerejő ledekre lenne sükségem, ha körülbelül 20-30m-re szeretnék elvilágítani velük, illetve annyit tudok, hogy fehér színű és nem szeretnék 5-6 darabnál többet felhasználni. Ha jól tudom a fény erősségeét [kandellában] mérik, milyet vegyek, mekkora legyen az értéke?
Egy "elemlámpát" szeretnék készíteni ami 20-30m-ig jó, oda van fókuszálva.
(Körülbelül csak 6-7 nap múla fogom tudni megtekinteni a választ.)

Előre is köszönöm!
(#) Báddzsó válasza Csaplar hozzászólására (») Aug 18, 2008 /
 
nemtudom milyen vastag átmérőre ez a nyél, de ha nem egy vékonyka akkor az én ötletem az lenne, hogy tükrözölapot ragasztassz a belső mozgó részhez belülre ami a teleszekóp nyitott végéről látszana, a nyitott részhez pedig egy infra ledet és egy infradiódát. A tökörlapról visszaverődő fény mennyiségéből meg meg lehetne állapítani a távolságot egy adcvel... aztán lehet, hogy nem működne elfogathatóan... kalibrálni is kéne... csak azért írtam le mert nem lenne benne mozgó alkatrész. lehet kipróbálom mindjárt ha már az én ötletem...
Következő: »»   271 / 4065
Bejelentkezés

Belépés

Hirdetés
XDT.hu
Az oldalon sütiket használunk a helyes működéshez. Bővebb információt az adatvédelmi szabályzatban olvashatsz. Megértettem