Fórum témák
» Több friss téma |
Próbálom kerülni a kapcsolóüzemű tápokat.
Én ott legalább kettő, de inkább három DC-DC konvertert tartalmazó ketyerét látok. Nézd át a vezetékezést, hidegítést, tápszűrést.
Az az USB-s lejátszó, felül az a műszerszerű valami, meg a Behringer processzor is lehet forrás.
Az USB lejátszónak trafós tápja van felül középen a műszer egy fogyasztás mérő külön 230 ról megy
Behringer processzor új. Ez a hang régóta kísér már de idegesítő. És csak a TDA veszi észre T.amp az nem. De ha telefont dugom rá akkor is van ez e hang.
A lejátszó belsőjében szokott lenni DC-DC átalakító. Rakj a végerősítő bemenetére próbából egy 1...10nF-os kondenzátort. Ha valamilyen nagyfrekis gerjedés, akkor valószínű, hogy megszűnik a zavar. Lehet még földhurok eredetű zavar, még akkor is, ha földfüggetlen a jelforrás (telefon). A bemeneti jelcsatlakozó testelését szokták rossz helyre bekötni ilyenkor.
A hozzászólás módosítva: Feb 3, 2025
Majd ki próbálom köszönöm.
Fel újítom teljesen a táp részét a végfoknak. Meg az mp3 lejátszó tápját is rendbe teszem.
Kerestem a hang forrását hogy mi csinálja.
Rendszer processzor zajos és a keverő pult is zajos ők szórják meg zajjal a dolgokat. IC beszerzéseSziasztok!Érdeklődni szeretnék, kinek milyen tapasztalata van a TDA7294 beszerzésével kapcsolatosan. Érdemes-e kínából rendelni, gondolok az AliExpressre stb? Előre is köszi a válaszokat.
Ali -ról még nem rendeltem, csak 7293 -as modulokat, jóó pár éve, teszik a dolgukat.
7294 -eket januárban rendeltem egy párat (és még mást is) az lcsc.com -ról, azok is teszik a dolgukat, igaz nincsenek meghajtva nagyon, még. IC beszerzéseKöszi a választ! Annyit had kérdezzek már, van egy hídkapcsolása a 7294-nek. Ott a sby/mute kapcsoló hogy működik? Emlékeim szerint elég neki pillanat impulzus is, de azt hová, melyik kivezetésre kell tenni? Köszihttps://mikroshop.bolt.hu/kepek/00537_3.jpg
Szia! Nem elég az impulzus. Bővebben: Link
Milyen funkciót vársz el a biztosítékoktól? Mit akarsz megvédeni vele?
Ha tönkremegy a TDA akkor a gréc hidat meg a trafót.
Vagy a gréc elé kellene tenem?
A trafó primerébe tedd, ott minden védelem alatt lesz.
Ott van 1 6A bizti 230 ajzatba van beépitve.
A primer oldali teljesítmény, áram nincs feltüntetve a trafón?
Pufferek után ne tegyél biztit! A TDA 7294-nek van belső védelme, túláramra és túlmelegedésre, de az egyik tápág esetleges kiesését elég rosszul tűri. A hangminőségnek sem szokott jót tenni az ilyen megoldás. A 2×27V/5A-es trafó 230V-os betápjába tegyél egy 1,2A-T biztit.
Nincs.
Ennyi van a trafón 230V 500VA 2x27V 5A 1x12V 5A ennyi. De én akár hogy számoltam ez a trolid nincs 500VA
Ez a trafó már igényelne egy korrekt lágyindítót, de legalább egy megfelelő soros NTC-t a hálózati oldalra. A primer oldali biztosítékot a rendszer összáramfelvételéhez kell igazítani és ha van lágyindító, akkor a bekapcsolási áramtranzienssel sem kell érdemben számolni.
Furák ezek a trafóadatok, nincsenek szinkronban egymással, ami szokatlan. Egy fotót szívesen megnéznék róla.
2 db TDA7294-nek nem kell 500VA-es trafó.
Meléklem a képet a trafórol.
Tápfeszűltség?Sziasztok kérdésem lenne az IC-vel kapcsolatban.A tápegységem egy toroid transzformátor aminek a szekunder oldali adatai: 2X26 V vagy 2X35 V kimeneti feszűltség. (Nyílván ez a DC oldalon ez magasabb lesz......) A toroid transzformátorom 150 VA teljesítményű melyik kimenetét használhatom biztonságosan? Vagy mindegy mennyi a TDA 7294 DC táp feszűltsége, csak legyen DC 50 volt alatt? A hozzászólás módosítva: Ápr 26, 2025
A 2x26V -t.
A saját erösitőm 2x27V -t kap.
Köszönöm.
Kérdezném ez a végfok mennyire alkalmas mély láda meghajtására ahol 100hz-ig lennének hangok? Vagy inkább válasszak más erősítőt?
Alkalmas a célra.
Itt a forumon páran már megosztották a tapasztalatukat erről. Mondjuk nekem nincs külön sub, csak stereo az erősítőm. A hozzászólás módosítva: Ápr 27, 2025
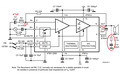
Szia!
A mellékelt ábrán bejelöltem három kondenzátor módosított értékét. Építsd be az R6, C10 alkatrészeket, mert erősen induktív lesz a terhelés. A hozzászólás módosítva: Ápr 27, 2025
Rendben köszönöm Nektek.
Amúgy egy régi stk végfokot kellene leváltanom ami ma már beszerezhetettlen...... Nem ismerem csak hallotam a tda ic-kről. Sajna a régi ic amúgy is kevés volt a sub ládámba. Amiben egy 100 wattos 20 centis mély van. Teszteletem a hangszórót egy másik nagyobb teljesítményű végfokkal és simán ment neki. Szóval elbírna nagyobb végfokot is mint ami eredetileg volt neki (stk). Most már csak egy kérdés van a dupla hidalt 7294-et vegyem meg hisz abban nagyobb lesz a tartalék vagy elég lehet a sima egy ic-s verzíó is? Igen a tápom ahogy írtam vagy 2×26 vagy 2×35 volt AC oldalon amit egy 150 wattos toroid bíztosít. |
Bejelentkezés
Hirdetés |













