Fórum témák
» Több friss téma |
Sziasztok!
Lenne egy kérdésem , mégpedig hogy , hogy lehet csinálni egy köszöbfeszültség kapcsolót külső segéd táp nélkül . Van egy kondenzátor ami feltöltődik 10v-fesz re ezt ha elérte szeretném hogy kisüljön, sajna ezek a bidirekcionális diodák a diak-ok (vagy triggerdioda) nem nyitnak ki csak 30V felett , ha van valakinek ötlete előre is köszönöm !
én is erre gondoltam, de ha 10V alá esik a feszültség, akkor zár, így gyakorlatilag 10V-ra stabilizálná a kondi feszültségét...
Ha leírnád, hogy mire kell ez neked pontosan, akkor lehet, hogy már létezik ilyen áramkör, és nem kell ezzel bajlódnod!
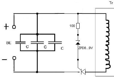
Egy érzékeny tirisztorral próbáld meg.. gate-be soros 8...9 volt körüli zener - valamennyire kisüti, ha begyújt.
Az anódba egy 10 ohm nem árt..
Végülis a kapcsolót szeretném kiváltani , painpa lerajzoltam gyönyörűségessen rondán de remélem jobban meg lehet így érteni , végülis akkor a zener záróirányú bekötése a nyomógomb helyére lenne a megoldás ? Végülis akkor tűinpulzusok jönnének létre természetessen jó nagy szünetekkel.. vagy? A kondenzátor csoport percenként éri el a végleges töltöttségét , meglehetőssen gyenge jel tölti fel..
Leírtam, mit próbálj... mindjárt berajzolom...
Ha nem akarod hogy zárva maradjon akkor
1: UJT környékén kisérleteznék(esetleg ennek a két tranzisztoros változatával . 2: tranzisztor bázis emitter diódájával (fordítva bekötve !!! tehát NPN tranzisztor esetén az emitter a pozitív) Ennek az átütési feszültsége tranzisztoronként változik talán találsz 10 V körülit is. A tirisztoros -amit ferci javasolt- sem marad zárva ha a teleped a tartóáramnál kevesebbet tud csak adni.
Köszönöm és ki fogom próbálni feltétlenül
![]() ![]() én is megrajzolgattam ötleted alapján , megelőztél! ( természetessen azt szeretném hogy töltődés -kisülés ciklusonként működjön )
Hát végülis azt szeretném csak elérni, hogy ne nyomógombal keljen kisütögetni a kondenzátorokat hanem önmagától működjön , tehát elért töltöttségi szintnél zárja az áramkört majd újra nyitot állapotba kerül és töltődnek a kondenzátorok . Célom, úgyis az hogy inpulzusok jöjjenek létre szóval -ferci- javaslata nagyon helyénvaló, köszönet neki is és neked is és mindenkinek is, hogy válaszoltok! ( van egy olyan sanda halvány gyanúm hogy lehet túl gyenge a jel amivel töltődnek a kondenzátorok , és a zener ill a tirisztornak van valamenyi szivárgása ami miatt nem lesz képes feltöltődni a kondenzátorok az adott értékre sose ) persze lehet ez az elképzelésem butaság.
|
Bejelentkezés
Hirdetés |







