Fórum témák
» Több friss téma |
Mielőtt kérdezel, a következő két dolgot ellenőrizd!
I. A helyes tápfeszültségek megléte.
II. A kimeneten van-e egyenfeszültség.
Élesztés.
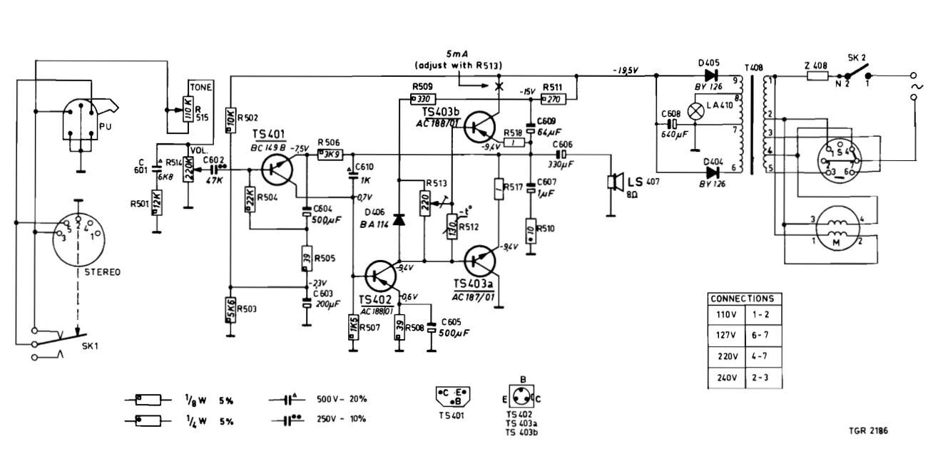
Tone - hangszín szabályozás régről (Philips)Érdekes hangszín szabályozás, legalább is az van odaírva.Egy 60-as évekbeli lemezjátszó az ő kerítésszaggató mono végfokával. Mitől lesz más a hangszín a hangerő növelésével? Csak érdekel... (Még nem sejti a készülék, kis csöves erősítő lesz belőle)
Nem vagyok egy pro erősítős, de szerintem a C601 (és még az R501 se véletlenül került oda)
miatt lesz valami frekvenciafüggő szabályozása a tone potinak. Ki kellene számolni a reaktanciáját, és akkor biztos meg lehet határozni a középfrekvenciát is, amit így elnyom. Legalább is ez az én eméletem. A volume meg már csak a frekvenciaszabályozott jel szintjét állítja be. De majd hozzáértőbbek konkrétabban is megfogalmazzák, vagy cáfolnak ha sületlenséget írtam. A hozzászólás módosítva: Ápr 3, 2025
Azért ez még a maga műfajában darab volt... Végül is lehet jó időtöltés... De nem tartom szerencsésnek a korlátainak felülmúlását. Annak idején a Siposból megcsináltam egy háromutast. Jelenlét szabályzónak írta a közép kiemelését. Akkor jónak tartottuk a baráti társaságban az Akai GX, és a HS400 társaságában. Már jó ideje nem teszek az erősítőimbe hangszínszabályzót, mert nincs lineáris állása.
Quad 405Érdeklődnék meg volna valakinek ez az áramkör lay formátumban?
Talán itt, majd megnyitod kiderül.Bővebben: Link
Amennyire én látom, a "hangszínszabályzás" itt csak magasvágásból áll. Az R515 állásától függően érződik C601-R501 magasvágó hatása. A hangerőszabályzó (R514) csak ezután következik.
Ha jól értettem a kérdést...
Nem tudtam összerakni magamban, hogy a hangszín szabályozó potméter csak azt befolyásolja, a hangerőt meg nem?
A képről úgy látom, a bemenő jelszint a frekvencia korrekciós tagok nélkül is leosztásra kerül. Csak érdekessége miatt raktam fel, senki nem csinálna ma már ilyent, szerintem.. A hozzászólás módosítva: Ápr 5, 2025
Neked tökéletesen igazad van, szerintem sem csinálna már ilyent senki.
De annó csináltak. Ha jól értem, akkor úgyis átépíted csövesre.
Azért lehetett ilyen megoldás, mert a lemezjátszónak piezo hangszedője volt, aminek a karakterisztikája a magas hangokat kiemeli, valamelyest kompenzálva a vágási karakterisztikát. Ehhez járul hozzá ezesetben a járulékos magasvágás.
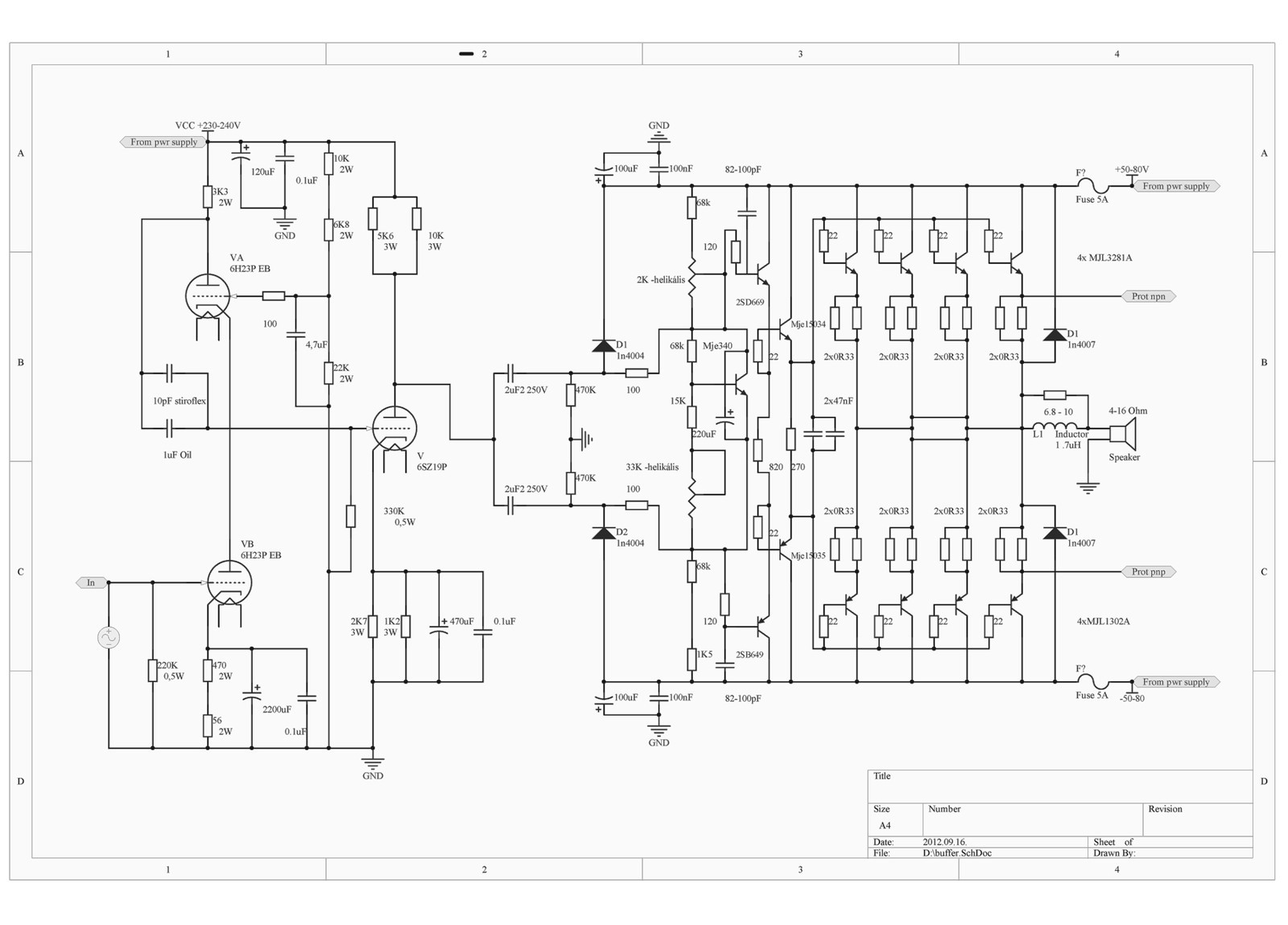
Sziasztok.Ennek a kapcsolásnak a nyugalmi áram szabályzását milyen alkatrészek befolyásolják?A történet az hogy megépítettem két példányba és az eggyikkel nem bírok.A jó példány stabilan tartja a beállított értéket,50-400mA között,a másik meg 80mA tartja feljebb tekerve meg folyamatosan emelkedik míg a labortáp áramkorlát nem lép be.A T13 at ha pákával melegítem persze lemegy az áram de ahogy elveszem a pákát azonnal megint a csillagos ég az áram.Már kicseréltem az összes tranyót de nincs eredmény.A két panelt szimultán ültettem be de át is mértem egyforma alkatrészek vannak bennük.Segitség kellene köszönöm.
Szia tápfesz megvan a tekercsen 45V körül, c109et vettem ki semmi változás, q109 q110 nélkül sem húz be a relé. PTC pontot mérve is 45V ez az amit említettem frekimérővel érintve behúz a relé. Ami még furcsa a greatzon megvan a +-45volt viszont a végfoktranyó lábán 21V van csak igaz van közben tip41 tip42, ezeket kivettem kimértem jók.
A hozzászólás módosítva: Ápr 6, 2025
D osztályú végfok zajSziasztok! Került hozzám egy vadonat új, táppal egybeépített D osztályú sztereo végfok. Izzóval élesztettem. Ilyenkor +-56 V-ra esik a tápfeszültség, ekkor teljesen jól működik.Hibajelenség: Ha izzó nélkül elindítom, +-77,5 V a tápfeszültség. 1-2 perc után elkezd sisteregni, néha különböző frekvenciájú zajok is hallhatóak az "A" kimeneten, néha el is hallgat. A "B" kimenet teljesen csöndes. Próbáltam testrezárni a bemeneteket, akkor is ugyan ezt produkálja. Kérdés: Tapasztaltak segítségét szeretném kérni, hogy egyáltalán mi okozhat ilyen zajokat, merre induljak el? YD7120 a meghajtó, állítólag IRS2092 kompatibilis. TIP122, 20240NT mosfet van rajta. A bemeneten oldalanként JRC műveleti erősítők vannak, ezek okozhatnak ilyet? Feltöltöttem Drivera egy wav filet (felerősítettem, mert a telefon mikrofonja alapból nem adja át a hangerőt), videót a jelenségről és képeket a panelről. Bővebben: Link A 6. képen gyanús nekem az utólag beforrasztott kondenzátor D23 mellett és a 7. képen az R30 R31 ellenállás forrasztása. Köszönöm az útmutatást! A hozzászólás módosítva: Ápr 6, 2025
C109 minek vetted ki, semmi ertelme c111 kivetelet javasoltam.
Tranyok kozul is csaka a q114 akadalyozhatja a rele behuzasat, vagy ha R130 ellenallason nagyobb DC merheto,. Feleslegesen ne dolgozz, csak az emlitett alkatrszeket vedd ki probara. A hozzászólás módosítva: Ápr 6, 2025
C111 kivételekor egy pillanatra behúz a relé és elenged r130on 0.7v van.
Tranzisztort miert nem vetted ki, szerintem annak a bazisan an keves feszultseg a 112 kondi kapacitas vesztese miatt.
Q114 kivéve sem húz be a relé c112 kivettem 0.98uf
Azt a kondit cserelni kell, ha kiveszed tuti nem huz be!
Q113 is lehet szakadt , ha a bazisan 0,7v feletti fesz van es nem huz be. Csodak nincsenek, annyira egyszeru aramkor, ez percek alatt javithato.
A rajzon lévő összes tranyót kivettem már teszteltem mind jó. A kivett kondit is cseréltem. Ha percek alatt javítható akkor nem 'zaklatnálak' vele.
Ok, ha ismered a mukedesenek elvet, logikusan vegigkeresheto.
Mi tortenik ha R131ellenallasra bekotsz kb 100k ellenallast parhuzamosan, vagy ha a D102 diodat atkotod? Bekapcsolast kovetoen kis ido mulva mit tudsz merni az R 132 kivezetesein es a Q113 tranyo C kivezetesen? A hozzászólás módosítva: Ápr 6, 2025
Melyik kapcsolásnak a vége ez? Természetesen a T13 lesz a kompenzáló tranzisztorod. A kész panelek bordára vannak szerelve? Illetve a T13 is a bordára került?
Köszömöm hogy válaszolsz.A T13 a T9-12 van egy bordán de sehogysem akart a nyugalmi beállni aT13 csere aztán a T9-12 csere után sem.Vagy két hete kinlodtam vele.A végtranyókat is cserélgettem válogattam 25-25 Db ból az eggyik oldalon 1darab mindíg tulmelegedett és ezért szállt el az áram hol a + hol a - oldalon.Tegnap megint kiszedtem a végeket,és ujra válogattam és végre sikerült hogy a nyugalmi megálljon a beállított értéknél.Ez egy buffer fokozat ez elé bámilyen meghajtást lehet fabrikálni,én csöves elejét raktam neki.Tegnap egész délután szolt oldalanként 200-200mA rel.Azt tudtam hogy a T13 nak van köze hozzá de azt gondoltam hogy még másnakis ezért nem tudom beállítani.Azt gondoltam hogy a tranyók emiter ellenálásai elosztják egymásközt az áramot pedig bétára és nyitófeszre cc összeválogattam.Azért kértem segítséget hátha valaki lát valamit amit én nem veszek észre.
Maga a rajz honnan van? Nekem ez így nem tűnik stabil, életképes megoldásnak.
Az audiodyers.hu lehet megtalálni.Hibrid erősítő topicban.Mik az aggályaid?
Nekem az gyanús, hogy bár az egész elrendezésnek 1 körüli a feszültségerősítése, de nincs negatív visszacsatolás DC-re, miután kondenzátorokon keresztül történik a meghajtás. Már egy kicsi tápfeszkülönbség is elbillenti a kimeneti offsetet, emiatt is nőhet a nyugalmi áram. Mennyi az offset a kimeneten?
Labortápról hajtva most század volt alatt.Igen nincs negatív visszacsatolása ennek az erősítönek.A csöves elejének van cc 50x.Beraktam egy rajzot így talán jobban érthető.
Értettem én eddig is, de sose mernék ilyet csinálni. Próbáld ki ( ha alkalmad lesz rá ) 10-, és 40 fok celsius hőmérsékleten.
Pedig ez már a negyedik ilyen negatív viszacsatolás nélküli erősítö amit készítettem csak ennek csöves az eleje.Igen mig be nem melegszik az induló áramfelvétele 2-3szorosa a nyugalminak de ha bemelegszik a hangja olyan hogy ilyet még nem hallottam erősítötöl pedig már nagyon sok félét épitettem eddig az otala volt az etalon számomra de ez veri.Ja és ráadásul még a fülem se jó.
|
Bejelentkezés
Hirdetés |


















