Fórum témák
» Több friss téma |
Fórum » Akksitöltő gond
Helo van egy ilyen aksitöltöm MACK 119 min 10Ah-max120Ah és nekem valahogy 6v kellene mert 6 voltos aksim van meglehett oldani??????????????
azér ennél kultúráltabb lenne mint hogy egy hangfalat vegyek magam mögé
![]() a csaj két indok miatt nem fér fel: egyszemélyes ülés, kresz ![]() és igen, főleg álló helyben akarom használni, no meg alapjáraton nem ad le 6 voltot se, szóval necces lenne. a duda is olyan rajt hogy a magassága a fordulatszám függvényében változik
Kösz mindenkinek a segítséget, egyszerűbb megoldást választottam, áttekercseltettem a tekercseket 12voltosra, egy sima áramkorlátos elektronikával tölti az akksit, az erősítő meg 12 voltra van optimalizálva.
Kösz mindenkinek!
Sziasztok!
Van egy yamaha csónakmotorom, van rajt egy töltő tekercs, ami a kőnyve szerint 12v 80w ot termel, de váltóáram, egy kismotor akkumlátort szeretnék vele tölteni, szerztem be két diódát amivel egyeinirányitottam, de most az a gondom hogy alapjáraton is 18v al tőlt! Kellene nekem egy fesszabályzó, vagy egy feszültség stabilizáló ami nem enged át 14 voltnál többet! Légyszives segítsetek!!
Hello!
Szerintem ezt a 18V-ot terheletlenül mérted. (remélem nem az aksin.) És mekkora a kis aksi kapacitása? Mekkora töltőárammar szeretnéd tölteni? Két dióda, hogyan elég, egy tekercshez? üdv! proli007
Hy!
Nem terheletlenül mértem, és nem is az aksin, hát szerintem olyan 13- 14 volttal kellene tölteni. Pontossan nem tom, robógó akkumlátor. Miért hány dióda kell? Kettő miért nem elég? Tekercsnek van két kivezetése egyikre pozitív a másikra negatív irányba kötöttem a diódát.... Nem jó? :S
Hello!
- Hát nem. Úgy feszültséget szoktunk kétszerezni (persze, ha az egyik tekercslába a földön van. Egyébként a két dióda sorba kerül, és ennek semmi értelme nics) - De azt tényleg meg kellene nézni, hogy nincs-e főldelve az egyik tekercsláb, mert akkor csak egyutas egyenirányítót készíthetsz. - Ha nincs testelve, akkor viszont egy Greatz kell. (négy dióda, vagy egy négylábú kocka) Az aksit, egyébként nem feszültséggel szoktuk tölteni, hanem árammal, egy feszültség szintig. (ez kb. 14,2V) Ha eléri az aksi ezt a feszültséget, leszabályozzuk a töltést. (Gépkocsinál a generátor gerjesztését, de itt mivel várhatóan nincs ilyen, magát a töltőáramot kell leszabályozni.) Itt a 80W-ból, maximum 6A-rel lehet az aksit tölteni. 14,2V-ig. Ez csak egy példa, de valahogy így oldanám meg. De az összes alkatrészt megfordítva (PNP-NPN) Akkor a tranyó kollektora a testre is kerülhetne, mert keményen hűteni is kell. (A 100m=0,1ohm de kisebb töltőáram esetén növelni célszerű) üdv! proli007
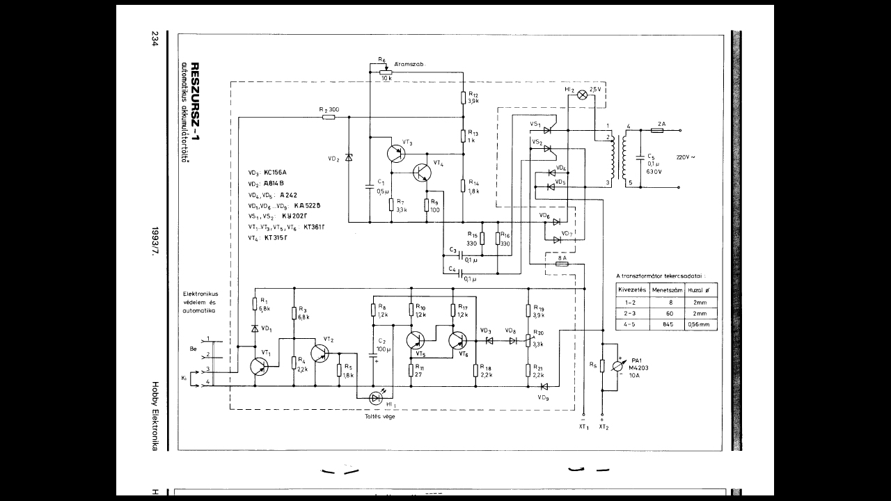
Sziasztok van egy kis orosz automata aksitöltőm ami fordítva lett az aksira rakva.(reszursz-1)
A tirisztorok meghaltak mivel lehetne kiváltani őket? ky202g-típúsuak.
TIC126 jó helyette,csak más a tokozása. Biztosan ezek károsodtak nem a vezérlése?
A tirisztorok meghaltak de a vezérlés hátha jó !
2 tirisztor van benne de nekem csak egy van ithol ami jó. A régi dolgaim között találtam egy marék orosz tirisztort de egy sem jó. A vezérlést hogy lehetne megnézni hogy jó-e?
Hello!
Legfőképpen szkóppal, a tirisztor Gate-katódot lehet helyettesíteni egy diódával a mérés idejére. De honnan tudod, hogy a tirisztorok rosszak? Mérted? Mert legegyszerűbb kipróbálni.ű Esetleg egy rajz nincs a töltőről? Vagy egy-két jó kép a nyákról. üdv! proli007
A tirisztor 1db ami jó azt be tudom kapcsolni a gate segítségével és egy izzó világít(egyen fesz)
A többi sajna nem gyujt be. rajzot próbálok csinálni
Hello!
A ruszki tirnyákok, adott esetben elég érzéketlenek. Lehet akár 50..100mA is a Gate áram, mire begyújt. A kétbázisú dióda, viszont simán berugja. Érdemes megpróbálni, nem-e csak érzéketlen. üdv! proli007
Heló Holnap megnézem hátha tényleg csak a gyujtás a probléma.
Itt a rajt vajon mi szálhatott még el a vezérlésben? Illetve milyen tranyók lennének ezek helyett jók?
Az automatikát hatástalanitó dugaszt úgy állitsd be ahogy a rajzon van,igy a két tranzisztorból kialakitott UJT mindig megkapja a tápfeszültséget,tehát a gyújtóimpulzusokat előállitja,ha egyébként működőképes. A VT3-at BC212-vel,a VT4-et BC182-vel tudod szükség esetén helyettesiteni.
Forditott polaritás ellen a VD9 dióda elvileg védelmet biztosit,ha mégsem akkor valamelyik 1N 400X mehet a helyére,de a rajzot figyeld beültetéskor ne az eredeti diódán lévő csikot,mert az ellenség megtévesztése végett az anódot jelölték álltalában. A VD2 zener lehet 6,2-8,2V között,valamilyen 1.3W-os tipus. A VD6-7 fémtokos diódákat is ellenőrizni kell,helyettük ~10A-os tipus megfelel. (gondolom a biztositékot ellenőrizted)
Hello!
Mex jó tanácsaihoz: Ha a biztit kiveszed, a kimenetre labortápot kapcsolsz és egy 12V-os reflektor izzót kötsz a plusz kimenet és a biztifoglalat azon felére, mely a tirisztorok felé megy, akkor aksi nélkül is láthatod, hogyan működik. (Így modellezted az aksit) A tápot szabályozva, beállíthatod a lekapcsolási szintet és ellenőrizheted a hiszterézist is. üdv! proli007
Nyertél !!!
A tirisztorok amik vannak nekem jók!!!! Kb 13 éve vettem őket az oroszoktól de soha nem használtam őket csak voltak széppen a kicsikék. először 4,5V-ról próbáltam ekkor nem gyujtottak be de 12V-ról széppen begyujt mindegyik! A töltő tegnap este már széppen duruzsolt !!!
Ja és a hiba!!!
A vezérlés épen meguszta!!! Sőt a ririsztorok is Túlélték 444 Ha hiszitek ha nem A biztik mentek ki ek a bizti foglalat forrasztása fröccsent el csak ez eddig nem látcott mert ilyen fehér szigetekő cső volt rajta. Orosz Tyeknika nem made-in taiwan Elpusztíthatatlan
Gondoltam.....
Jóelőbb igaz zárójelbe,de kérdeztem,hogy ellenőrizted-e a biztositékot.
Sziasztok!
Kellene Nekem a régi orosz 1tirisztoros automata akksitöltő kapcsolása.. Előre is köszi!! Email : zolika720@freemail.hu
Nem tud segíteni senki ruszki 1-tirisztoros autómata akksitöltő kapcsolási r.-zal??
Nekem van orosz aksitöltő rajzom, igaz két tirisztoros.
Hello!
Én a PACCBET-2 ("RASSZBET-DVÁ") jelzésű akkumulátor-töltő kapcsolását keresem, javításhoz kellene. A készülék trafója középleágazásos, 2 db tirisztor van benne. Van rajta potencióméter a töltőáram beállításához, valamint 2 db kapcsoló. Előre is köszönöm!
Reszursz-1-ről van rajzom, 2 tirisztor és 2 dióda van hídba kapcsolva, potméter töltőáram beállításra, egy dugasz az automatika ki és bekapcsolására.
Sziasztok!
Sajnos megint támadt egy kis gondom. Van egy 24V kapcsolóüzemű akkumulátortöltőm, ami kissé elkezdett füstölni. Természetesen szétszedtem. Van a bemeneten (AC) egy 330nF 250V-os kondi, ami elég speciálisan néz ki. Én legalábbis még nem találkoztam ezzel a típussal. Az oldalán meg van repedve, és valami trutymák folyt a nyákra. A kondi linkje: ITT!! A kérdésem az lenne, hogy ez helyett berakhatnék-e egy mezei fólia kondit (szintén WIMA gyártmány, de ezt lehet kapni), vagy rendeljem-e meg ezt? Köszönöm előre is a segítséget!
Ugyanez kellene. Speckó impulzustűrő kondi.
Köszi, el tudod kűldeni..
Főleg a rövidzárvédelem+az aut. kikapcsolás érdekelne.
Beszkennelem és majd elküldöm. Meg akarod építeni? én megépítettem, de csak a vezérlését az automatikát nem.
Szia meslac!
A Reszursz-féle rajzot sikerült nekem is megtalálnom , sajnos az jelentősen eltér az én töltőmtől. Azért köszi! Üdv rotomat |
Bejelentkezés
Hirdetés |











