Fórum témák
» Több friss téma |
Fórum » Akksitöltő gond
Szia!
Köszi a választ! Megnéztem, amit mondtál, de nem világít! Azóta nem működik jól, hogy robogó akkumulátort töltöttem vele, de úgy, hogy a motorban volt az akksi...és rá önindítóztam a motorra. Valószínűleg, az indító áram felvétele sütött ki valamit, mert valami elfüstölt a töltőben. Más tipp? A hozzászólás módosítva: Okt 25, 2013
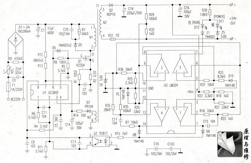
Szevasztok! E-kerékpár 24V-os töltője ismeretlen okból lefüstölt. Ennek a javitásához kérném a segitségeteket. Az ellenállások nagy része megsült,értékük számomra ismeretlen. Ha ehhez a tipushoz /mellékelem a fotót/ volna rajzotok,amin az alkatrészek értékei is szerepelnek, nagy segitség lenne. Hasonló rajzom van, de az 36V-os változat,egyébként jó lenne.
A panelon van: K 2139 /P5NK80Z/ Uc3842, LM324, 817-es Opto, A válaszokat előre is köszönöm! Ha a fotók nem mennek át,próbálom ujra. Üdv.:László
Mi füstölt? Mert azt nem látni.
Az egyedüli gyanús a szekunder oldalon a pufferkondenzátor. Mértél már rajta valamit? Annyira egyszerű a szerkezet, kis szemmeresztgetéssel a fényképekről le lehetne rajzolni.
Szia Erbe! A fotón még a meghibásodás előtti állapot látszik, de mint irtam, az ellenállások égtek meg, ezért kellene rajz,amin az értékek fel vannak irva. Egyébként meg az első dolgom az volt hogy a nyákról rajzot készitettem. A kérésem továbbra is az ellenállások értékeinek ismertetése. A többi alkatrészre irt értékek látszanak. A meghibásodott alkatrészek:.P5NK80 Mos Fet,D7,D5 dióda, R4, R8,R5,R2,R10, A válaszod köszönöm. Üdv: László
Sziasztok! A töltö rajz megoldódott. Köszönöm az eddigi segitségeteket. Üdv.:László
Sziasztok! Rég jártam már az oldalon, remélem sok jó szaki van még itt!
A problémám az, hogy adott egy 12/24 V akkutöltő. Normál, gyors és indítási segítség fokozatok vannak benne, így a primer oldal 4 vezetékes, zárlat nincs. Szekunder oldal 3 kivezetés, ebből kettő diódahídra és innét tovább negatív és +24V-ként, a harmadik pedig trafóból közvetlenül a +12v kivezetésre.. Na már most gondolom én, ez a 12V egy középleágazás, ami a negatívon keresztül, egyutas egyenirányításként megy. A 24V-os rész pedig kétutas. Mikor hozzám került a diódák ki voltak pukkadva, gondoltam én zárlat, túlterhelés, ilyesmi.. Busz generátor diódahídból kibányásztam a jó diódákat és belesajtoltam a töltő hűtőcsillagjába a rosszak helyett. Mielőtt bekapcsolnám a töltőt, a diódák még jók, polaritást 25x ellenőriztem. De amint bekapcsolom a pozitív oldali diódák zárlatba mennek, negatívoknak semmi bajuk. Semmiféle zárlat nincs bekapcsolás előtt, a két szekunder ami a hídra megy, nincs kapcsolatban a hűtőcsillagokkal és egyébként a hídról lejövő kábelek le voltak kötve a kipróbáláshoz. Már kétszer játszotta ezt el, mindkétszer zárlatos lett a két pozitív oldali dióda. Ja és még annyi, h a két diódahídi szekunder össze van fogva egy lencseszerű 14D680K feliratú kondival és egy 0.47µF-os fólia kondival. Ötletem sincs, hogy mi nyírja ki csak a pozitív oldali diódákat, önindukció a bekapcsoláskor? Már csak 2 ilyen bika diódám maradt... Segítsetek kérlek! Előre is köszönöm, István
Csinalj már egy rajzot (hogy szerinted hogy van), vizuális alkat vagyok. Egy kép többet mond ezer szónál...
Idézet: „Na már most gondolom én, ez a 12V egy középleágazás,” Értsük ezt úgy, hogy szétszedve kaptad meg és nem biztos hogy jól raktad össze? A másik dolog ami szöget ütött a fejembe, hogy méregetni kellene diódák nélkül (különös tekintettel arra, hogy már csak kettő van)...
Nemsokára összedobok egy rajzot is, de gyorsba válaszolok előtte. A 12V-os rész hibáját kizárnám, trafóból kijön és lóg a levegőbe. Egyébként csak a Gratz-et szedtem szét, de arra ugyanazt a két szekundert tettem vissza. Ott alapból ott van a 24V, ha nincs bekötve a hídra.. Most kicsíptem a diódákat a poz oldalról, így már nincs zárlat. Maximum azt a bizonyos két kondit tehettem vissza rosszul, de gondolom én azok nem elkók, így polaritás mindegy és a két szekunder között jó helyen vannak..
A hűtőbordák egyszerűbb szerelése érdekében kétféle diódát szoktak használni. Normál és fordított (reverz), amit R-rel jelölnek. Ha ilyen elrendezésben egyforma diódákat raksz mindkét oldalra, a fordított helyén lévő normál nem ússza meg a bekapcsolást.
![]() "Egy rózsaszál (rajz) szebben beszél..."
Üdv.
Én is ezzel a kapcsolással kínlódok.. Nekem sincs C-D szakasz. Mindent kipróbáltam már, még a BC tranyó bázisát vezérlő zener diódát is rövidre zártam, hátha az rosszalkodik.. Elértem azt, hogy egy darabig 3A-ig szabályoztam, de mire elérte, visszaállt alapjáratra, hiszen a 220k ohm os trimmer volt benne(egyébként ki is vezettem ezt, hogy a gazdája az akksihoz mérten szabályozza a töltőáramot, nem nekem lesz), és ahogy kedves Proli kolléga megírta, ez túl sok is. Mind1 is, most azon gondolkozok, hogy simán a negatív ágat szabályzom rá a végtranyó elötti BD140 bázisára, így szabályozható válik a töltőáram, az akku kapcsai, és a táp közé pedig beiktatok egy 30/40A-es relét, biztos, ami biztos, ami 10-14V között kapcsolgatja majd a töltőáramot, ahogy proli átalakította, de én egy másik ua741-es áramkört találtam a feszfigyelésre. (épp ugyanabban a rádiótechnika évkönyvben, amiben ez a kapcsolás van, csak pár oldallal odébb.) ..de egy valamit nem értek. Apám szerint ez a kapcsolás nagyon régi, a régi akkuknál pedig felszedték a sav beöntőnyilását védő sapkát, mivel 14.4V-nál már gázképződés van, de ezeknél az új akkuknál ilyet nem lehet, vagyis nem túl jó, ha 14.4V-ot eléri az akku kapocsfeszültsége. Átolvasgattam az ez utáni hozzászólásokat(amire válaszoltam most, az az utánit), és sehol nem téretek ki erre, hogy a töltő kapcsolása szerinti 16.5V ma már túl nagy érték.. Miért? ![]() Köszi. Tomi A hozzászólás módosítva: Feb 18, 2014
Sziasztok!
Segítségeteket szeretném kérni 1 akkumulátor töltő "eredeti" állapotába való visszaállításhoz. Kb 1 éve megadta magát elvittük valami szakihoz javíttatni. De most ismét elhalálozott. Mikor szétszedtem örömmel tapasztaltam, hogy a mester ur 1 kb 5mm vastag vezetéket elvágott és kicserélt 1 1-1,5-ös vezetékre.... ami átalakult a használat során szénné... A problémám annyi, hogy az előlapon van 1 zöld és 1 piros led a piros led akkor világit ha kb 3V (20V a max.) felett van a feszültség a kimeneteken. A zöld led viszont nincs is bekötve a hozzá tartozó drót ki lett forrasztva, az a gond hogy nem tudom hova tartozhatott a töltő elektronikáján nem találtam csak 1 forr pontot ami frissnek mondható. Viszont találtam 2 kivezetést egyenesen a trafóból (5v) ami frissen van olvasztva, viszont az AC. Így tanácstalan vagyok![]() A led felirata запуск, (sajnos a fordító nem sokat segített) viszont ugyan ez szerepel a hátlapon a másik - kivezetésénél. Van ökleltetek mire volt való az a led, és hogy hova kellene kötni? A hozzászólás módosítva: Ápr 18, 2014
Kicsit több tanulmányozás után rájöttem arra, hogy a mester úr eltávolította az eredeti nyáklapot és az eredeti diódákat is. És az egészet úgy rakta össze, hogy igaz tölt, de a végtelenségig tölt. Most találtam még egy kivezetést a trafó szekunder oldalán. Ami gondolom a 6 voltos töltő kimenet lenne egyenirányítás stb. után.
Mehetek keresni valami egyszerűn megépíthető elektronikát. ![]()
Sziasztok!
Jobb topicot nem találtam, így ide írok. Van egy, a képen látható orosz zu-6-os aksitöltőm. Le tudja valaki írni, hogy a jumperekkel mit és hogyan lehet beállítani? Valóban gyárilag három jumpere volt ennek a készüléknek? Mert én kiskkoromból 4-re emlékszem. Előre is köszönöm. A hozzászólás módosítva: Aug 30, 2015
Szia !
Hogy mennyi átkötés kell hozzá azt nem tudom, de a tok zarjada az a töltés áramát jelenti. |
Bejelentkezés
Hirdetés |











A problémám az, hogy adott egy 12/24 V akkutöltő. Normál, gyors és indítási segítség fokozatok vannak benne, így a primer oldal 4 vezetékes, zárlat nincs. Szekunder oldal 3 kivezetés, ebből kettő diódahídra és innét tovább negatív és +24V-ként, a harmadik pedig trafóból közvetlenül a +12v kivezetésre.. Na már most gondolom én, ez a 12V egy középleágazás, ami a negatívon keresztül, egyutas egyenirányításként megy. A 24V-os rész pedig kétutas. Mikor hozzám került a diódák ki voltak pukkadva, gondoltam én zárlat, túlterhelés, ilyesmi.. Busz generátor diódahídból kibányásztam a jó diódákat és belesajtoltam a töltő hűtőcsillagjába a rosszak helyett. Mielőtt bekapcsolnám a töltőt, a diódák még jók, polaritást 25x ellenőriztem. De amint bekapcsolom a pozitív oldali diódák zárlatba mennek, negatívoknak semmi bajuk. Semmiféle zárlat nincs bekapcsolás előtt, a két szekunder ami a hídra megy, nincs kapcsolatban a hűtőcsillagokkal és egyébként a hídról lejövő kábelek le voltak kötve a kipróbáláshoz. Már kétszer játszotta ezt el, mindkétszer zárlatos lett a két pozitív oldali dióda. Ja és még annyi, h a két diódahídi szekunder össze van fogva egy lencseszerű 14D680K feliratú kondival és egy 0.47µF-os fólia kondival. Ötletem sincs, hogy mi nyírja ki csak a pozitív oldali diódákat, önindukció a bekapcsoláskor? Már csak 2 ilyen bika diódám maradt... Segítsetek kérlek! Előre is köszönöm, István 














