Fórum témák
» Több friss téma |
Hali!
Tudtok-e segíteni, adva van egy 3-5volt között gyorsan változo dc, a konverternek ehhez képest plusz néhány tized volttal magasabb tápot kéne kiadnia néhány száz ma terhelhetőséggel. Potis szabályozhatóság kéne amivel beállitható hogy mennyivel magasabb legyen a kimenő feszültség a bejövőhöz képest, max 500mv, és halálpontosan mindig ugyanannyit kéne hozzátennie a bejövő 3-5volthoz, ugy hogy az folyamatosan mozog max néhány hertzen. Gyárit már láttam, gyufásdobozméret, beöntve, kb 200rugo, jo lenne olcsobban meguszni. Köszi, k9898
lehet hülyeséget irok de nem lehetne ezt ugy megoldani hogy "megváltoztatod a földpontot"
pl 1 v akarod növelni a bemenő jelet akkor a bemenö jel földjét rákötöd egy voltos feszülségre és kimenet meg a bemenet jelvezetéke és a 1v föld vezetéke igy az bemenő jel pont enyival lesz magasabb mint ahogy akarod és nem kell foglalkozni hogy milyen gyorsan változik az a jel.
Valami ilyesmi jutott eszembe nekem is.
Vagy a másik megoldás: Egy -mondjuk 3V-os-elemről táplált áteresztőtranzisztoros(IC-s) tápegységecske,amit egyszerűen sorbakötsz a bejövőjellel. Minthogy az elemes megoldás nem túl elegáns,később készítesz egy leválasztótrafós DC/DC tápot és azt kötöd sorba. Lehet falidugasz-táp is,megfelelő leszabályozott kimenettel. Az a lényeg,hogy az "lebegő" legyen a bemenőjeledhez képest.
Elvileg jo is lehetne de ez egy autoba lenne épitve /tuning/, ott a testpontok adottak, a gázpedál jelszintjét kéne megemelni néhány tized volttal, ezt látná a vezérlés a valóság helyett.
Akkor a dugasztáp törölve!
A többit fenntartom.
Ha volna még stabil táp kéznél, egy műveleti erősítővel megoldható, összeadó kapcsolásban. Néhány ellenállással beállítható az összeadás aránya, a rajzon lévő potméter tekergetésével néhány mV ... 500 mV adható hozzá a bejövő 3-5 V-hoz.
Szerk.: most olvasom, hogy autóba lesz, így a táp nem lehet gond. Egyszeres tápról működő műveleti rősítő pedig rengeteg van, csak válogatni kell (pl. LM358 egyik fele). Az 500 mV pedig akár egy dióda nyitófeszültsége is lehet.
Hát mondjuk szerintem a potméterrel semmit se fogsz változtatni
![]() - lábon lévő feszültség kivonódik a + léábon jövö feszültségből ellenállások arányában ![]() -10k/(5k+10k poti értéke) * 0v ![]() tehát nulla volt akármenyivel szorozva nulla volt ![]()
Szerintem meg kéne erősíteni kicsit a kimenetét egy emitterkövetővel:
A műveleti erősítő kimenetére egy npn tranyó bázisa, a kollektor a tápra, a visszacsatolás pedig az emitterről menne, ami egyben a kimenet is.
Ez nem egészen így van.
Az erősítést fogja vele változtatni, aminek 3-szorosnek kell lennie. Mondjuk akkor nem ártana a 10k-s ellenállást 15k-sra növelni.
A kimenetre kapcsolódó 10k-ra gondoltam.
hát lehet akkor kikéne rugni pár tanár az összes egyetemről vagy én vagyok nagyon hülye
![]() Kép: Hivatkozás Kép: Hivatkozás Kép: Hivatkozás
vagyis nem irtál teljesen 100% hülyeséget csak épp a fix 0 V bemenetnek szabályzod az "erősitését" ami pedig ahhoz vezet hogy nem történik semmi érdemleges szerintem.
áááá de rég tanultam már muveleti erősitőket át kellene már nézni rendesen
![]() de mig mielőtt vérremenő harcot vivnánk csak egy megjegyzés az eredeti iráshoz az eredeti bemenő feszültséget eltolni szeretné nem pedig erősiteni hogyha a kapcsolás ugy müködik ahogy gondoljátok (én is ember vagyok tévedhetek) akkor se jó mert az összes bemenet befolyásolja a potméter! már pedig akkor nem csak egy fix értéket adtok hozzá hanem a bemenő jel erősititek (vagy épp ellenkezőleg) ezért gondoltam hogy a potmétert máshova kéne tenni esetleg
Az jó, amit írtál, csak a működését rosszul értelmezed.
A rajz a bemenetet ábrázolja, minden ellenállás értéke R (pl.10k). Ekkor: Ube1=U1+U Ube2=U2+U U jut a + bemenetre. Ez most a kérdés. Az alsó ellenálláson a két bemeneti áram összege folyik: I=I1+I2 Vagyis: U/R=U1/R+U2/R U/R=(Ube1-U)/R + (Ube2-U)/R / *R U=Ube1+Ube2-2*U / +2*U 3*U=Ube1+Ube2 U=(Ube1+Ube2)/3 Tehát a bemeneti feszültségek összegének harmada jut a + bemenetre. A - bemeneten pedig egy neminvertáló erősítő visszacsatolás van, hogy "visszaerősödjön" a feszültségek összege az eredetire (3-szorosra). A tanárokat pedig nem kell bántani. (Legalábbis többségüket.) Ja, a képlet, amit írtál, túl speciális esetre vonatkozik. Ez pedig nem az az eset.
Egy kicsit elcsúsztak a betűk.
A "/ *R" és a "/ +2*U" jelöléseket képzeld kb. 10 szóközzel jobbra. (A többszörös szóközök összevonódtak.)
Köszi az ötleteket, most akkor mit javasoltok, mihez érdemes fogni?
Attól függ, hogy a következő fokozat a föld felé, vagy a táp felé húzza-e a kimenetet. (Sink, vagy source jellegű.)
Szite biztos, hogy sink (föld felé), de azért nem 100%. Ha igen, akkor kobold megoldása jó, kiegészítve azzal az emitterkövetővel. (A néhány 100mA miatt.) Ha mégis source, akkor is koboldé a nyerő, csak nyitott kollektor szerű kimenet kell. Persze a tranyón mindkét esetben megjelenik majd némi teljesítmény. (P=átfolyó áram * Uce) Ezt lehet csökkenteni pl. azzal, hogy kevesebb feszültségről játatod. Az eltoló feszültség meg előáll egy Zener-rel, aminek a feszültségét egy potival tetszőlegesen leoszthatod. Egy kis változtatás: 1.: Inkább az 5kohm-ot kéne csökkenteni 3.1-re, és nem a 10k-t növelni. 2.: nem ártana a + bemenet és a föld közé egy 100nF-os kerámia. 3.: Az egész megoldható egy mono erősítő IC-vel (pl. TDA2030), és akkor nem kell tranyó sem.
Kiküszöbölve a felvetett hibákat, a csatolt kapcsolás szerintem üzemképes lenne.
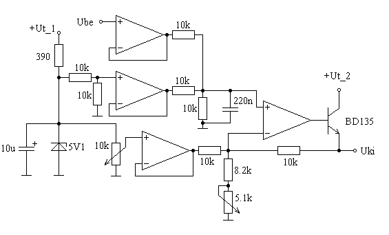
Egy négyszeres műveleti erősítő (LM324) egyik tagja a bejövő jelet pufferelné (U1:B), másik tagja (U1:A) pedig a POT1 potméter jelét, amin keresztül az éppen hozzáadandó feszültség állítható be 0 és 500 mV között, a jelölt értékekkel. U1:C összeadja a két feszültséget, a pontosságot a POT2 potméterrel lehet meghatározni, építés közben be kell állítani. A negyedik erősítő pedig a kimeneti jelet puffereli, már csak azért is, mert más dolga úgysincs. A 8 V-os stabilizátor azért van benne, mert egyrészt az 5 V-os bemenőjel miatt kell a magasabb tápfesz, másrészt ezt gond nélkül elő lehet állítani az akkumulátor feszültségéből. Szerintem ennyi elég lenne.
Az ötleted kicsit átdolgoztam.
Az ic lehet LM324, a tápja +Ut_1 (földje a föld). A bemenet fix pozitív ofszetet kap, és a visszacsatoló ágban változtatható a 10k-s potival a valódi eltolódás (a fixhez képest). Így akár csökkenthető is a kimeneti feszültségszint. +Ut_1 legyen stabil, minimum 8V. +Ut_1 és +Ut_2 lehet közös, de +Ut_2 beköthető áramkorlátozó ellenállással is. Talán jobb, ha a Zener kisebb feszültségű (finomabb hangolás, nagyobb távolság a táptól, így nagyobb stabilitás). Az 5.1k-s potival az össz erősítést lehet 1-re hangolni. BD135 helyett lehet más is.
Én még mindig a jellel sorbakapcsolt-földfüggetlen-kisfeszültségű tápot.
Persze el lehet bonyolítani-akár a PIC-el emulált analóg számítógépig is a feladatot,de érdemes?
De a sorbakapcsolt tápnak stabilnak kell lennie, ami nem gond, de néhány 100mA-t el is kell bírnia. Ezt 0.5V alatt nem tudom, hogy lehet könnyen megoldani. Ez persze lehet az én hibám is.
(Amúgy most nézem, hogy az előző kapcsolásban nyugodtan lehetett volna a vcs ágban a fix feszültség-hozzáadás, és a bemenet oldalán a változtatható.)
Köszi mindenkinek, begyüjtöm az alkatrészeket és nekiállok, jelezni fogom az eredményt.
Hát, igazából az "enyémet" nem próbáltam ki (és ma nem is fogom), így a helyedben nem csinálnék neki nyákot. Megéri előbb levegőben összerakni. A másik meg az, hogy ez csak akkor lesz jó, ha a következő fokozat "sink" jellegű (ami persze nagyon valószínű). Azért se csinálj még nyákot, mert a tranyó hűtőbordájának el kell férnie, plusz kell mellé stabil táp (legalábbis biztos nem árt).
Kobold verzióiból pedig még hiányzik a teljesítményfokozat. (Bocs kobold, de az lm324 nem bír el 100mA-t.)
Ez igaz, figyelmen kívül hagytam a végfok kérdését.
Mondjuk attól is függ, milyen szenzor jelét akarja meghamisítani, a vezérlőelektronikák ritkán dolgoznak ekkora bemenő árammal. De igazad van, egy végfok még kell oda, hogy a nyitó hozzászólásban megjelöltet teljesítse.
Valóban ritka lehet az ekkora áram. Én először arra gondoltam, hogy direktbe mehet róla egy kis tekercs, ami mozgat egy kart. Ehhez viszont kevés lenne ennyi áram, és nem is túl jól szabályozható egy ilyen rendszer.
Amúgy azért gondolom, hogy nem árt ha ki is lehet vonni a feszültségből, mert az erősítők bemeneti ofszetje, meg a maradékfeszültségek balszerencsésen választott ic esetén olyat is okozhatnak, hogy pl. plusz 50mV (vagy talán több is) a minimum, és nem 0. Az ugyan kevés, de nem szép. Mondjuk nem átrana kipróbálnom, hogy jól gondoltam-e egyáltalán.
Némileg módosítottam az elképzeléseiteket utólagos engedelmetekkel.
Szerintem ezt egy áramgenerátoros kapcsolással jól meg lehet odani. Az áramgenerátort ki lehetne képezni a műveleti erősítőből is, de ahhoz kéne egy feszültség referencia, tehát ugyan ott lennénk, és így marad egy plusz erősítő a kimenetnek is (és nem kell negatív segédtáp sem). Némileg a működésről: az áramgenerátor által elhúzott 510 ohm eltolja feszültségben a kimenetet, ezt a feszültséget szűri és stabilizálja a 100nf-os kondi., valamint a gerjedést megqakadályozó visszacsatolóként is szolgál az invertáló bemenetre. Az áramgenerátor 10-1000uA-es érték között lehet szabályozni, ez 5mV-500mV közötti kimeneti jeleltolást valósít meg. Az 1k-s ellenállás az áramgenerátor és az 510ohm-100nF között a jobb tranziens leválasztást szolgálja az áramgenerátorról. A három közösített műveleti erősítő szerintem elég kimeneti áramot szolgáltat, bár nem tudom hogy teljesen szabálos-e, de szerintem működik. Az ellenállások az egymásra dolgozását hivatottmegakadályozni. A pár hertzes tartományban szerintem működőképes tökéletesen. Ugyan nem akkora áramot szolgáltat mint a topicindító hozzászólásban, de erre szerintem nincs is szükség. még annyit, hogy ez így 3-5V közötti bemenőjelre van méretezve. Nagyobb bemenőtartományra egy negatív segédtáp kell neki (pld. 0V-tól). A tápellátás egy 7808-ról vagy LM 317-ről (8Vra állítva) pld. Az egész befér egy gyufaskatulya méretbe még hagyományos alkatrészből is (mondjuk potifüggő, a poti mérete miatt). A kipóbáláshoz egy TL431-el (vagy más referencia) és egy műveleti erősítővel helyettesíthető az áramgenerátor. Egy tápfesz esetén rail-to-rail műveleti erősítő kell az áramgenerátornak. Én nem építettem meg, és nincs is rá időm. Utólag vettem észre, hogy a kimenetekre először 4,7-ohmot írtam, de némi számolás után 10-re módosítottam. De csak később vettem észre, hogy a rajzon men írtam át, ezért van kettő.
Illetve nincs kettő, mosításkor az elsőt törölte, amin a 4,7 ohmok voltak a kimeneten.
Nem módosítottad, mert ez egészen új elképzelés
![]() Eredetileg én is egy hasonló áramgenerátoros eltoláson gondolkodtam (csak rosszul), de nem ismertem áramgenerátor IC-ket, tranzisztorokból meg túl nagy lett volna a minimum feszültség. Hopp. Ahogy elnézem, az adatlap szerint 0.8V fölött működőképes ez is. Szerintem ez borítja a dolgot. De nem temetném el. Az 1k-s ellenállást nem igazán értem ott. Azon is feszültség esne, és 1.5-re növelné az erősítést. (A tranziens leválasztáshoz meg még nem értek. )A közösített kimenet viszont tetszik. Együtt elbírnának legalább 120mA-t. Ha annyi is elég, akkor szuper. |
Bejelentkezés
Hirdetés |










)




