Fórum témák
» Több friss téma |
Fórum » H-híd hiba
Ha a potid mondjuk 5V és GND közé van kapcsolva, akkor csinálsz valami úton módon 5V amlitúdójú háromszög vagy fűrészfogjelet. Ezt a háromszögjelet és a potid csúszkájáról jövő szintet rávezeted egy komparátorra, és a komparátor kimenetén már megis kaptad a H híd vezérléséhez szükséges pwm jelet. Aztán hogy hogyan hajtod meg a H hidat, az más kérdés, a motor feszültségszintjétől függ a megoldás.
Hali! köszi a gyors választ! eggy távirányítós versenyautóba kellene a potit mozgatná eggy szervómotor a potinak kéne vezérelnie az előre hátra menetet12 voltos aksit akarok és a moci asszem 7,2 voltos! esetleg valami kapcsrajzot nem tudnál ehez? vagy valami részletesebb leírást ami alapján meg tudnám építeni? egyébként a szervómoci az gyári cucc Tamiya belőégésü mocis autóé
sziasztok!
Építettem egy H-hidat, és nem igazán akar szuperálni... DC 24V, 1,5A-es motort fog hajtani (lefogva max. 2-3A). A híd IRF9640 és IRF640-ekből áll + mbr1065 védődiódákból. Az egy-egy félhídban a gate-ek közösítve vannak. Ha ezt az áramkört tesztelem, akkor észrevehető melegedés nélkül Gatek 0V-on, vagy +24-en áll a motor, ha egyik 0-án, másik 24en, akkor meg forog erre-arra. A gate-ről alig vesz fel áramot (<20mA). Összes áramfelvétel meg 0,4-1A. Namost ez eddig tök jó! Ez egy mikrokontrollerrel lesz meghajtva, ezért csináltam 2db BC337-ből sima kapcsoló üzemben 24V-os "kapcsolót". A bázisra 1k, a +24V-ra 330 ohm van. Ami szintén szuperál. A kettőt összekötve viszont 10A-ek kezdenek el futkozni...ha hagyom jóval több is... Tehát rövidzár van... Gyors segítség kellene, mert meló...>
Mondjuk el tudom képzelni a hidat, de szerencsésebb lenne, ha lenne egy rajz is róla.
Ami nemigen tetszik, így elsőre: Idézet: „A gate-ről alig vesz fel áramot (<20mA).” Egyáltalán miért van bármilyen áramfelvétel ott? Ezek izolált gate-ű FET-ek, gyakorlatilag csak a G átpolarizálásához kellhet minimális áram, de a folyamatos nyitás-zárásnál nincs áramfelvétel a G-n (nem lenne szabad, hogy legyen). Egy dolog jut még eszembe, mégpedig az, hogy szerintem a FET-ek abszolút maximuma a Vgs-ben +/-20V (bár most előttem csak IRF730 doksi van). A 24V-os táp ennél nagyobb, nem lehet, hogy átüt a G-S?
Nem tom mennyi áram folyik, mert 10mA-t tudok minimum kimérni (utolsó számjegy). Gondolom nem folyik semmi..
Az ötlet lehet jó.. 12V-on jól működött! akkor elég, ha a tranyók +12V-ot kapcsolnak, a többi meg maradhat 24?
kipróbáltam.
Ha bármelyik gat-en 12V van, a másikon meg 0, akkor alapban "elfüstöl". Ha 24V, és 0V, akkor jó.. (ezek a direktben rákötések)
A Vgs-t szokás maximalizálni, mondjuk megfogni egy zenerrel, hogy ne mehessen túl magasra. Akkor vizont nem kötheted össze a két G-t, hanem két külön vezetékről kellene kapcsolni őket, a teljes hidat így összesen 4 vezetékkel lehet vezérelni (de legalábbis két kapcsolótranyó kell a két FET-hez, amiket esetleg közösen vezérelsz).
A négy vezetékes megoldás egyébként azért is jó, mert az átkapcsolási időket is kézben tudod tartani az esetlegesen szükséges holtidők közbeiktatásával.
Mégiscsak jó lenne, ha rajzolnál egy skiccet arról, amit probálsz életre kelteni.
a uC kód már zárolva van :S
a skiccet megkeresem, vagy estig újrarajzolom... de egy "sima" h-híd
http://www.hobbielektronika.hu/forum/files/e2/e25dd6fb76fe5254de91f...93.jpg
Na ha ebből elhagyod az invertert, meg a kapcsolót, meg átírod a típusszámokat akkor ez van megcsinálva.. + a tranyák bázisán 1k, meg ami itt 1,1, az nekem 330...
Sziasztok! Olyan kéréssel fordulok felétek hogy nekem egy 24V-os körülbelül 50A-es motort szeretnék hidba rakni hogy erre kapható cél IC-s H híd vagy építenem kell MosFET-ekből(nem igazán szeretnék építeni
).Ha igényt tartotok rá akkor ha elvi sikon lerajzolva elkészült a PWM-es motorszabályzóm akkor felraknám már csak ez a H-híd tipusszámra lenne szükségem
Egy kérdés: dcc jelhez (kb 8-9kHz négyszög) lehetne használni erősítőnek valamelyik hangfrekis TDA -t ? Pl TDA1554Q -t, mert az van is itthon.
Szia!
Elméletileg igen, legalábbis néhany tipusnál megadnak egy "Saturated square wave output" adatot, ami négyszögjel vezérlésre utal(pl. TDA7375).
Sziasztok!
Nekem az a problémám hogy LTP vel szeretnék H hidatr vezérelni de az LTP-m 0 szintjén 0,7 voltot mérek. Így 0-nál és 1 nél is kinyit a tranzisztorom. Valami ötlet esetleg?
a tranzisztor bázisával tegyél sorosan egy kis üvegdiódát, akkor 1.2 1,3V on nyit a tranyó
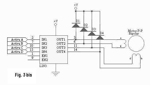
EZZEL a H-híddal lehetne bipoláris stepmotort vezérelni nyomtatóportról? Arra gondoltam, hogy a port optocsatolókkal le lenne választva, a motor 4 vezetéke pedig 2db H-hídra lenne kötve. A H-hidakat a port nyitogatná program alapján. Lehetséges ez így? A mellékelt kapcsolásban lévő IC (L293) is gyakorlatilag 2db H-híd, nem?
Köszönöm a segítséget!
Megválaszolom magamnak: Igen, lehet!
Viszont csak 5V táppal működött, 12V megölte szegényt. Konkrétan egyik ellenállást 10k-ra cseréltem, mielőtt ráadtam a 12V-t, de szörnyen forrósodott, végül meg is halt. Sehol nem találok "készen" 12V táphoz használható hidat, volt aki azt mondta, hogy a sima 1k ellenállásokkal is mennie kellene. Nem tette... Nem tudom, hogy kell méretezni a bázisok előtti ellenállást, a próbálgatás nem volt célra vezető. Tudna valaki segíteni? A tranzisztor max 5V emitter-bázis feszültséget bír. Jó lenne, ha az előző hozzászólásban látható hidat alakítanánk át, van már hozzá egy marék tranzisztorom... Ja, és az optocsatoló a föld és a vezérlés között 78Ohm formájában van jelen.
Pontosabban az "ezzel" szó alatti kapcsolásról beszélünk, nem a csatolt jpg IC-s megoldásáról.
Hali
A képen mellékelt kapcsolás szimulátorban működik, valóságban pedig csak Q6 melegszik a stab. IC-vel egyetemben. Rövidre zár? Egy PIC vezérelné, lehet, hogy az 5V nem nyitja ki a FET-eket? Esetleg tudtok javasolni azonos lábkiosztású tranzisztort (vagy akkármit) amivel életre kelne? A NYÁK-on nincs hiba. Maga a kapcsolás itt van a cikkek közti, csak én FETeket raktam be tranzisztor helyett. Van valakinek ötlete, mi a baj?
Hello!
Még szép hogy ez van. A HCT04 nem tud kiadni csak 5V-ot, hiszen annyi a tápja. Viszont, hogy a felső Fet-eket zárjad, a HCT kimenetének fel kellene menni 12V-ra. Így a felső tranyók állandóan nyitva vannak és tulajdonképpen zárlat van. Tehát a Fet meghajtására nyitott kollektoros kimenetű IC kell. (de lehet HCT-ben nincs is) Valamint biztos, hogy gyorsítani kell egy fokozattal a Fet-ek nyitását-zárását. Valamint a Q6 tranyót, minden híd váltásánál ki kell kapcsolni, mert a Fetek ilyen kor összenyitnak. üdv! proli007
Na szép.... Nincs szükségem ilyen bivaly fetekre, csak azért tettem be őket, hogy soha az életben ne melegedjenek túl. Maga a motor apró, max néhány 100 mA áramot vesz fel. Ha simán kicserélem BD139 és BD140 tranzisztorokra menni fog? Azokkal ha jól emlékszem össze is raktam ezt próbanyákon, és ment. Csak azoknak más a lábkiosztása, és 6 csomót kell kötni a lábakra, mire bevarázsolom őket ebbe a nyákba.
Szóval ha tudsz bármit, ami bemegy a helyükre, és elég neki a TTL 5V, akkor ne titkold el!
Hello!
Ha a híd tápfeszültsége 12V, akkor a vezérlő jelnek is ennyinek kell lenni tranyó típustól függetlenül. üdv! proli007
És ezt hogy oldjam meg? Most így hirtelen annyi jut eszembe, hogy a tápfeszültséget is egy tranzisztor kapcsolja rá, de lényegében ötletem sincs, hogyan... Optocsatolóval meg tudnám csinálni, de az nem az igazi.
Lehet, hogy beledrótozok egy L293 IC-t, és kész... Csak a 8 fet drágább volt mint az ic, szeretném használni is őket. Hogy illesszem a ttl-hez őket?
Mutatok neked egy jó H hidat. Előre - hátra vezérelhető + pwm. Minden vezérlés 5V, a tápfesz itt 16V.
A tranyók digitális tipusúak. (beépített bázis ellenállás) A mellékelt pdf ben vannak tipusok. Abból ollóztam ki neked a hidat.
Köszi, később nekiülök egy ilyennek, hogy készítsek egy rendeset, de ide most bekerül egy L293D, mert a projekt lényege az lenne, hogy a programozásba másszak bele (pályatervezés robotnak), a folyamatos javítgatás pedig rengeteg időt visz.
Sziasztok!
Egy kis segítséget szeretnék kérni! Csatoltam, két képet. A "driver_ic" - n látható egy driver ic ajánlott alkalmazása. A "hhíd" - on pedig van 4 db igbt h-hídba, driver ic - kkel meghajtva. A kérdésem a tápegységgel kapcsolatos. Ha csak egy tápegységet használok mind a 4 driveric - hez, akkor úgy sejtem, hogy zárlatot csinálok. Azt szeretném kérni, valaki legyen szíves leírni, hogy is van ez a zárlat, esetleg pirossal berajzolni a képemen. A másik kérdésem az, hogy jól gondolom - e, hogy 4 tápegységgel ki lehet - e küszöbölni a zárlatot. Szerintem amúgy igen, csak az pazarlás lenne. Tud - e valaki jobb megoldást? A választ előre is köszönöm!
Szia!
Használhatsz ún. "bootstrap" megoldást, ahol nem kell a felső rendszerekhez külön szigetelt tápegység. Egy példa: TD351 app. notes De a szigetelt tápmegoldás azért mindenképpen biztonságosabb.
Szia!
Köszönöm a válaszod, de az igazat megvallva nem nagyon értem. Én nem szeretnék szigetelt tápegységet használni. Van 4 db igbt H-hídban. Az igbt-k driveric - kkel vannak meghajtva. A vezérlés, és a hibajel küldése optocsatolón keresztül történik. Egy driveric - hez szükséges táp +15V és -5V. Arra vagyok kíváncsi, hogy 1 db tápegységgel lehet e működtetni őket úgy, hogy közben nem jön létre semmilyen zárlat? Csatolom azt a képet, amin az MC33153 egyik ajánlott kapcsolása látható(már az előző kérdésemnél is ezt szerettem volna csatolni, csak elbénáztam)
Olvasd el a dokumentum végén található "APPLICATION INFORMATION"-t, amiben szerepel a bootstrap-dióda, és hogy miért kell ilyen szeparálás az egyes felső rendszerek között, és a felső-alsó rendszerek (drájver+IGBT) között is.
Hali! AVR-rel akarok egy motort vezérelni PWM-el és nem tudom hogy jó-e a L6203 ic,ezt néztem ki. Meg nem tudom most jó-e ugy hogy a PWM jelet az Enable bemenetre teszem vag az irány bemenetek vezérlését PWM-el szaggassam meg?
|
Bejelentkezés
Hirdetés |




).Ha igényt tartotok rá akkor ha elvi sikon lerajzolva elkészült a PWM-es motorszabályzóm akkor felraknám már csak ez a H-híd tipusszámra lenne szükségem 








