Fórum témák
» Több friss téma |
Fórum » DCF77 vevő
Témaindító: ideggyogyasz, idő: Feb 10, 2006
Témakörök:
Amiről én beszéltem annó, abban egy hosszabb "fő" antenna volt, és rá derékszögben egy rövidebb "parazita" antenna (az is hangolt, de galvanikusan nem bekötve).
Szerintem Pucuka el tudja magyarázni, hogy miért csinálhattak ilyet. Szerintem azért, hogy a kedves német vásárlónak ne kelljen a polcon forgatni az órát, és keresgélni az irányt. Zavarás ellen nem véd.
Így már azért más a leányzó fekvése ! A Parazita antenna a főantenna vételi karakterisztikáját módosítja (az irány érzékenységét változtatja ) a nyújtott 8 as formáról valószínűleg egy kevésbé nyújtott jobb oldal irányú vételi karakterisztikára .
Van vagy 5 eve, hogy ezzel a projecktel foglalkoztam. Azota WiFi kerult a helyere, de koszonom a felvilagositast mindkettotoknek.
Superfilter DCF77 vevőhözEzen az oldalon a szerző közöl egy 'Superfilter' nevű Arduino programot. Szerinte tiszta jeleket állít elő. Arra gondoltam, hogy ma már egészen picike Arduino lapokat lehet kapni, akkorát, mint maga a DCF77 vevő. Talán megérné ezzel foglalkozni.Szerintetek? Természetesen tudom, hogy legfontosabb a vevő megfelelő elhelyezése és pontos beállítása.
Régen sokat foglalkoztam DCF vétellel.
El lehet szórakozni sokféle algoritmusakkal, van is értelme. Életemet azért nem bíznám rá, mert tuti DCF vétel Magyarországon nincsen szerintem. Bár amióta a CRT TV kihalt, a helyzet sokat javult, de jött helyette sok más ellenség.
Van kipróbált utatok az áramszolgáltató által 135,6 kHz frekvencián sugárzott villamos mérőóra szabályzás vételéről, ami a pontos időt is tartalmazza - Lakihegy, 100 kW teljesítmény, HGA22?
Nekem a rádiófrekvencia vétele a kihívás, a dekódolása hasonló, mint a DCF77, mert ez is FSK moduláció, szabványos soros adat (LSB-től MSB-ig), 200 Baud, páros paritás (11 bit, formátum: start bit(0), 8 bit adat, paritás bit, stop bit(1)).
Csak a pontosítás végett, a DCF77 nem FSK moduláció, hanem ASK! Ennek megfelelően a demodulálása is jóval egyszerűbb.
Nem sok (hazai) projektről tudok, ami ennek a vételéről szól, és publikus! kb 2 rémlik, fellelhető a fórumon is, de a gugli is gyorsan kidobja, ha rákeresel. Van még egy project, ami nem publikus(a sajátom), viszont az elég komoly programozási ismereteket igényel... Alapvetően szinte mindegyik azon alapszik, hogy az eredeti 135kHz-et lekevered 1-4kHz -re, és ott végződik valamilyen formában a demodulálás. Ez azért kell, mert a kb 170Hz FSK 135kHz-en igen csekély modulációs mélység, ott közvetlenül nagyon nehéz lenne demodulálni. Hangfrekvenciára lekeverve már sokkal jobb az arány! Ha érzel magadban ihletet, segíthetek megtervezni egy egyszerű vevőt ehhez...
Ez így van. Fórumtársunk el is hozta Békéscsabára megmutatni.
![]() Még mindig tartom, hogy nála detektoros vevővel is működött volna.
Köszönöm segítséged, határozottan rászorulok, mert szóban, írásban, elméletben elmegyeget a működésének ismerete, de én könnyen megépíthető működő vevőt szeretnék építeni. Szoftveresen sokféle megoldást találtam a dekódolásra, amiket csak a működő vevővel tudok kipróbálni
A hozzászólás módosítva: Márc 7, 2025
Ha van valami elképzelésed, hogy konkrétan hogy akarod megvalósítani, add elő! Vagyunk itt egy páran, akik kisebb-nagyobb mértékben tudunk segíteni hasznos ötletekkel, tanácsokkal!
Viszont...ha nem építettél még sohasem rádiót, nem biztos, hogy ezzel kellene kezdened...! )
Szerintem nem hozta el oda, csak a dokumentációt (és más bemutatásra szánt dolgot).
Ismervén a kollégát, remélhetőleg ebben az évben is megjelenik Békéscsabán, és nem fél válaszolni a kérdésekre.
Jelentem elvittem Békéscsabára! Miután az adótól 5km-en belül lakom, ezért a bemenet csak egy FET-es leválasztó után a PLL-es keverő. Útközben 1-2 parkolóban megpróbáltam a vételt, de ~ 40km után már nem működött. (kamionok is voltak körülöttem)
Józsi barátom, és én is, nagy örömmel várunk Békéscsabán.
Szép!
De...melyik ponton kapcsolódik ez a HGA22-höz??
Köszönöm a válaszokat!
Annak ellenére, hogy a keleti végeken élek (de kertes házban!), nekem nincs sok problémám a DCF77 vétellel. Kivéve, ha valami keményebb front közeledik nyugatról. De nagyon megtetszett ez a látványos műszer, ezért voltam kíváncsi véleményetekre. Az viszont egészen biztos, hogy a HGA22 számomra felejtős.
Pedig szerintem Magyarországon a HGA22 adása nagyobb térerőt ad, mint a DCF77, főleg keleten...(Bár bevallom, nem néztem ennek konkrétan utána, csak megérzés)
JÓÓÓÓÓVAL jobb térerőt biztosít hazánkban a lakihegyi 100kW, mint a messzi Frankfurt
melletti Mainflingen-i 50kW-os DCF77.
Gratulálok, szép fejlesztés! Ebből nekem "csak" a rádiófrekvenciás vételből dekódolt idő a cél, nem a mérőórából vezetékes összeköttetésen keresztül kiolvasott rengeteg más adat.
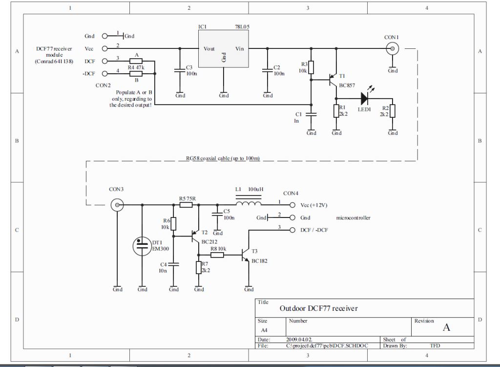
Jöhet a kapcsolási rajz
![]() A cél olyan kisméretű vevő készítése, mint amilyenek a DCF77 rádióvevők = kis ferrit antenna, kis nyák (max. 10x10 cm) a két táp + engedélyezés + kimenet lábakkal.
Vicceltem , azt gondoltam hogy az óra értékeinek kiolvasása a cél , erre van ez a gyári kütyü
Ha csak az idő adat kihámozása a lényeg:
GPS modul: Soros, 4800 Baud-os táviratok, amit egy kontroller UART moduljával lehet venni. NMEA szabvány szerinti táviratokban megtalálható a pontos idő. Pl.: $GPRMC,161229.487,A,3723.2475,N,12158.3416,W,0.13,309.62,120598, ,*10 161229.487 - UTC time hhmmss.sss formában, 120598 - Dátum ddmmyy formában. A harmadik mezőben az A az érvényes adatot, a V a nem érvényes adatot jelöli. A hozzászólás módosítva: Márc 10, 2025
Látom vicces kedvedben vagy, kaqkk kollégával együtt )
Ha azt várod, hogy majd meg fogom tervezni neked, akkor valamit igen félreértelmeztél! Azt írtam, segítek, nem helyetted dolgozok!
Ennyi pénzért kár tervezni Hangold át ..
Conrad vs Ali DCF77Sziasztok!Készítettem egy DCF77-es órát. Az a baj, hogy a Conradnál már nem lehet kapni a vevő modult. Ezt találtam: Bővebben: Link A lentebbi kapcsolásba kötöttem, de nem működik. (A bemeneti fesz.: 3,3V) A Conrados modullal megy az óra. Mi lehet a baj. Esetleg invert kimenetet ad? Akkor, hogyan lehet az invert kimenetből nem invertet csinálni? A Conradosnál a nem invertálót (3. láb) használtam. De lehet, hogy nem ez a baj. Kérek segítséget. Üdv: Ati A hozzászólás módosítva: Okt 18, 2025
Esetleg még a nyákom:
|
Bejelentkezés
Hirdetés |





De...melyik ponton kapcsolódik ez a HGA22-höz?? 


