Fórum témák
» Több friss téma |
Fórum » DCF77 vevő
Témaindító: ideggyogyasz, idő: Feb 10, 2006
Témakörök:
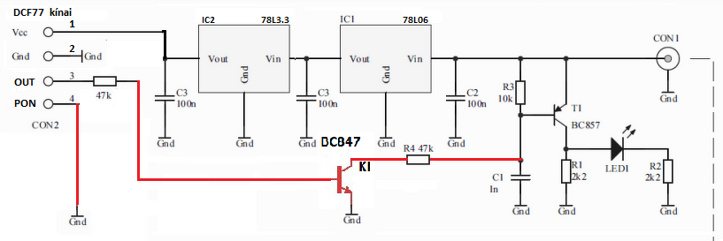
Az alis modul 1,1-3,3V tápfeszültséggel megy! Lehet sok már neki az 5V(Rendeltetésszerű használathoz biztosan ki kell cserélni a stabkockát 3,3V-ra!)
Látod villogni a LED-et másodpercenként?? Ha nem, akkor vagy már kuka a modul az 5V miatt, vagy nincs vétel...vagy egyéb baja van. A kimenet polaritásával csak ezután foglalkozz....
Az rendben van, irtam is, hogy 3,3V megy. Ha megnézed a kapcsolást a LED-es résznél számít, hogy a 2K2 ellenállás a LED előtt van vagy mögötte?
Idézet: „LED-es résznél számít, hogy a 2K2 ellenállás a LED előtt van vagy mögötte?” Nem, teljesen mindegy.
Azt én nem tudhatom, mit értesz bemenet alatt...a tápfesz vonalát nem szokás annak hívni! Én a kapcsolásból indultam ki... De a kérdésemre egyértelmű választ nem kaptam!
Megpróbálom még egyszer: az alis modullal villog a LED 1sec-es ütemben??
Ennek szerintem egy koax kábeles összekötése van az antenna és a beltéri egység között, és azon táplálják az antennát, és küldi a jelet (kicsit hasonlóképpen mint a műholdvevőnél).
Lehet hogy szegény modul már régen elhalálozott, különösen ha nemhogy 5 de 12 V-ot kapott...
A paneled alapján a kapcsolás a pirossal rajzolt változat és lehet csak az a hiba , hogy nem az eredeti szerint készítetted el. Nem véletlen ilyen a rajz kel az a -DCF jel is a BC857 vezérléséhez. ( Nekem a pirossal rajzolt változat működik de nincs tápfeladó áramköri rész (50cm szalagkábel) csak egy BC847 az atmega8 előtt).
Az világos, hogy hogyan van táplálva a modul, az rendben is van...feltéve, hogy a stabkocka 3,3V-os, nem 5! Az nem világos, villog e a LED bármilyen polaritással is??
Igen 3,3V van táplálva. A led nem villogott. De..
Rákötöttem a conradost és azzal sem ment csak néha villant. Ez úgy volt, (a padláson) hogy a 15m coax (2,8mm) össze volt tekerrve. Majd lehoztam, hogy lássam is. Néha egyet egyet villan, de jel semmi. Aztán megfogtam az óra csatlakozónál (szerintem földeltem vagy nem tudom..) és mikor fogom elkezd ahogy szokott mikor jön a jel villogni!!! Korábban a coax végig volt húzva a padláson. Lehetséges, hogy az is antennaként viselkedett és ezért volt jó a jel? Illetve ahogy néztem zamatőr rajzát, korábban sem földeltem le a nem használt kivezetést, a -DCF-et. Ez gondolom nagyban befolyásolja a tiszta jelet?
Köszönöm. Szerintem megpróbálom kicsit javítani a szerint ahogy rajzoltad. De egyébként így készítettem el, pont ahogy rajzoltad is. Először a modulhoz egy 78l06 majd egy 78l33 adta a stabil tápot. Viszont sz Alis verziónál nincs 2 féle kimenet. Egy VCC egy GND egy OUT és egy PON amit GND-ra kötve van bekapcsolva. A többi teljesen ugyanaz volt.
A 78l06, az az 6V után nem fűznék túl sok reményt a jó működéshez...de persze lehet, hogy túlélte és nem sérült meg...
Szerintem a -DCF és a +DCF egymás inverzei...nem sok jóval kecsegtet, ha bármelyiket a földre/tápra kötöd közvetlenül...ellenálláson keresztül sincs sok értelme! A te bekötésed pontosan: VCC - 3,3V GND - test OUT - a DCF jeled PON - GND Ha így kötöd be, és nem villog a LED, akkor vagy nincs vétel, vagy döglött a modul....
Nem 6V-ot kapott, csak nem akartam túlterhelni a fesz.stabilizátort, ezért először 6V-ra csökkenttettem, majd ezt még lejjebb 3.3V-ra. Lehet, hogy nem volt csak vétel. De tudod miért van vétel, ha az árnyékolást(GND)-t megfogom?
Ezek a DCF modulok primitív egyenes vevőt tartalmaznak, jellemzően 1db kvarcszűrővel megoldva. Mivel az érzékenységük elég magas, így ha zavart viszel be, könnyen leülhet a vételi erősítés. Egy hosszú vezető még a gnd-re kötve is hordozhat ilyen veszélyeket!
A legegyszerűbb, ha teszt erejéig a vétel helyén lekapcsolod róla a kábeleket, és két elemről megtáplálva ellenőrzöd le a vételt! Csak egy soros LED és 1-2k legyen a kimenetre kötve! Ha így stabilan megy, akkor lehet reménykedni a kábeles táplálásban.
Igen, valószínű, hogy a vétel is gyenge. Még próbálkozok.
Szia!
Kérdés -mia gyenge jelszint? A másik; mivel? A bolti egyenesvevős DCF óra Sátoraljaújhelyen , Szabolcsi határ menti falvakban működik.Kb 2' mire rááll a jelre. Ungváron már 3-5 emeletre kell felmenni.-De Munkácson még jó.
Kíváncsi vagyok az eredményre mert eddig én sem mertem megvenni az ali-ról, pedig kellene.
Eddig zavart a jel. Nem tudom. A régi furatszerelt alkatrészekkel készült óra szinkronizál, a mostani smd-s nagyobb meg nem.
|
Bejelentkezés
Hirdetés |










